Какво е воден топлоизолиран под
Водното подово отопление е нискотемпературна отоплителна система, при която охлаждащата течност се доставя с температура 35-45 ° C, съгласно нормите не по-висока от 55 ° C. Освен това подовото отопление е отделна циркулационна верига, която изисква отделна циркулационна помпа.
Подовото отопление има ограничения за температурата на подовата повърхност - 26-31oC. Максималната температурна разлика между разпределението на подаването и връщането на топъл воден под е разрешена не повече от 10 ° C. Максималният дебит на охлаждащата течност е 0,6 m / s.
Инсталация на смесител
Монтажът на смесителния уред за подово отопление не е много труден. За да направите това, можете да използвате една от няколко схеми за свързване. За всички подробности относно монтажа вижте това видео:
Местоположение

Оптимално инсталирайте колектора между отоплителния котел и подовото отопление
Можете да инсталирате системата във вашия дом навсякъде, например между котела и системата за подово отопление. Точките на свързване на смесителния блок могат да бъдат разположени на следните места:
- Директно в стая, оборудвана със система за воден под.
- В котелното помещение, във всяка удобна за това точка.
- В специален шкаф, ако колекторът се използва за управление на отоплителни кръгове в няколко помещения наведнъж.
Свързана статия: Тоалетна от неръждаема стомана
Характеристики на инсталирането на колектора


Не забравяйте да заземите всички електрически уреди.
За правилната и безопасна работа на системата трябва да се спазват редица нюанси по време на нейното инсталиране:
- на входа на отоплителния кръг винаги е монтиран клапан за смесване на вода с термостат;
- всички електрически устройства, които съставляват устройството, трябва да бъдат заземени;
- всяка възможност за проникване на влага върху електрически уреди трябва да бъде изключена по време на работа.
Сглобеният смесителен колектор трябва да бъде свързан към захранващите и връщащите тръби, в съответствие със схемата за монтаж, която сте избрали. Ако не се справяте добре с водопровода или нямате възможност лично да сглобите смесителния блок от отделни части, можете да закупите готов агрегат в различни конфигурации. В този случай просто трябва да го свържете към отоплителната система. За повече информация относно настройката на автоматичен термостат вижте това видео:
След като сте оборудвали къщата си с блок за регулиране на охлаждащата течност, трябва да го свържете към захранването и да конфигурирате устройствата.
Настройка на контролни устройства


Компоненти на отоплителната система
Смесителната единица е настроена на няколко етапа.
- Премахваме термостата със серво задвижвания, така че да не може да повлияе на настройката на клапаните.
- Поставяме байпасния клапан на максимална маркировка, така че да не работи по време на настройката на системата.
- Регулираме балансиращия клапан. Като вземем за основа температурните показатели на изхода на котела за 95 ºС и максималната температура в тръбите за водно подово отопление на входа за 45, а на изхода - за 35 ºС, след изчисления, използвайки формулата по-долу, получаваме коефициент 4. Той е зададен на нашия балансиращ клапан ...
- Следващата стъпка е регулиране на налягането на циркулационната помпа. Поставяме мощността на помпата на минимум и постепенно я увеличаваме, докато налягането в системата достигне желаната стойност.
- Последната стъпка е настройка на байпасния клапан. На него задаваме показание с 10% по-високо от максималното работно налягане в байпасния клапан.
Ако смесителният блок осигурява работата на няколко отоплителни кръга, налягането в тях трябва да бъде балансирано чрез регулиране на съответните спирателни клапани, монтирани на входа на всяка верига.
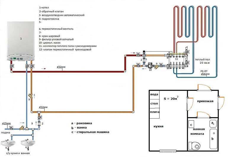
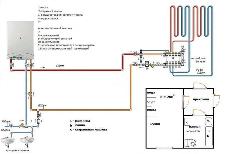
Схема 1. Свързване на подово отопление директно от котела


Тази схема на свързване за под, подгряван с вода, има генератор на топлина, предпазни фитинги с помпа. Топлоносителят директно от котела навлиза в разпределителния колектор за подово отопление и след това се разминава във вериги и се връща обратно към котела. Котелът трябва да бъде настроен на температурата на подовото отопление.
В този случай възникват два нюанса:
- Препоръчително е в инсталацията да се използва кондензен котел, тъй като режимът с ниска температура е оптимален за него. В този режим кондензационният котел има максимална ефективност. В конвенционален котел, когато работи в нискотемпературен режим, топлообменникът ще се повреди много бързо. Ако котелът е на твърдо гориво, тогава е необходим буферен резервоар за коригиране на температурата, тъй като този котел е труден за регулиране на температурата.
- Добър вариант за подово отопление е, когато то е свързано към термопомпа.
Характеристики на полагане на топъл под с охлюв
Ако топлият под е единствената възможност за отопление, тогава стаята обикновено е разделена на 2 зони: ръб и основна.
Пределната зона е разположена по протежение на улични стени, прозорци, където общите топлинни загуби са по-големи. При наличието на една студена стена, крайната зона има правоъгълна форма със страна, дълбоко в стаята - 1 м. В ъгловата стая, където стичат две улични стени, крайната зона е направена Г-образно.
В зоната на ръба тръбите се полагат с по-малка стъпка, тя е около 10 cm.
Докато в основната зона стъпката на полагане обикновено е 20 см. В голяма стая ръбът и основните зони са оформени с две тръбни контури. При малка площ се използва един цикъл.


Полага се в различни области по различни начини. Необходими са определени умения и опит, за да се изложи майсторски един цикъл в две различни зони. Освен това трябва да се спазва основният принцип: колкото по-малка е стъпката на полагане, толкова по-голям е топлинният поток.
Схема 2. Монтаж на подово отопление от трипътен клапан


3-пътна термостатна верига на клапана
В повечето случаи при такава схема на монтаж и свързване на водно топъл под имаме комбинирана отоплителна система, има отоплителни радиатори с температура 70-80 ° C и подов отоплителен кръг с температура 40 ° C . Въпросът е как да направим четиридесет от тези осемдесет.
За това се използва трипътен термостатичен клапан. Вентилът е монтиран на захранването, след което задължително се монтира циркулационна помпа. От обратния поток на топлия под охладената охлаждаща течност се смесва с охлаждащата течност, която се получава от контура на котела и която впоследствие се намалява до работната температура с помощта на трипътен клапан.
Недостатъкът на такава електрическа схема за топъл под е невъзможността за измерване на пропорционалността на сместа от охладената охлаждаща течност с горещата, а в топъл под може да влезе преохладена или прегрята охлаждаща течност. Това намалява комфорта и ефективността на системата.
Предимството на тази схема е лекотата на инсталиране и ниската цена на оборудването.
Тази схема е по-подходяща за отопление на малки площи и там, където няма високи изисквания на клиентите за комфорт и ефективност, където има желание да се спестят пари.
В реалния живот веригата е изключително рядка поради нестабилността на работата на радиаторите, свързани към една тръба. Когато трипътният клапан се отвори леко, отоплителният кръг се подава и налягането на помпата се прехвърля към основната линия.
Пример за изпълнение:
Опции за инсталиране на система с топъл под без използване на уред и колектор
За инсталирането на система за водно отопление за топъл под без използване на колектор са необходими следните материали и устройства:
- тръби за веригата;
- бойлер;
- аксесоари за тръбопровода;
- трипътен термостатичен клапан.


Схема за полагане на подово отопление от централизирана отоплителна система
Някои майстори се опитват да използват най-лесния метод за инсталиране - да оборудват отоплителната система, като я свързват към централното отопление. Това решение заплашва впоследствие с неизправности на тръбопровода, тъй като температурата на охлаждащата течност на батериите е значително по-висока от необходимата за пода. И ако надзорните организации открият наличието на това „домашно приготвено устройство“ без разрешението на съответните органи, на собственика ще бъде издадена значителна глоба и ще бъде необходимо да демонтира системата за подово отопление с вода.


Полагане на контура на тръбата
За полагане на веригата на тръбопровода се използват няколко метода, като най-приемливи са охлюв и змия. Тези вериги се състоят от два успоредни контура на водния под (подаване и връщане). Предимството на "змията" е разпределението на отоплителните зони, например можете да заобиколите водопровода. Предимството на "охлюва" е равномерното нагряване на района. След монтажа тръбите се свързват към котела съгласно схемата на свързване.
За да се ускори движението на водата през тръбите под котела, на захранването е монтирана помпа, която се управлява автоматично или ръчно. В система, в която няма смесител, трипътен термостатичен клапан затваря веригата между тръбопровода и котела.
Внимание! За да може топлият под да функционира без помпа, препоръчително е да изберете мощен котел, независимо дали е газов или електрически. Основното е, че мощността му е достатъчна за топла подова настилка. Струва си да изберете котел с вградена помпа.
Схема 3. Оформление на подово отопление от помпено-смесителния блок


смесителен модул
Това е смесена схема на свързване за воден топъл под, където има радиаторна зона за отопление, топъл под и се използва помпа и смесител. Охладената охлаждаща течност се смесва от обратния поток на топъл под към котела.
Всички смесителни блокове имат балансиращ клапан, с който можете да измервате количеството охладена охлаждаща течност, когато се смесва с гореща. Това ви позволява да постигнете добре дефинирана температура на охлаждащата течност на изхода от блока, т.е. на входа на контурите за подово отопление. Това значително увеличава комфорта на потребителите и ефективността на системата като цяло.
В зависимост от модела на устройството, той може да включва и други полезни елементи: байпас с байпасен клапан, балансиращ клапан в първичната верига на котела или сферични кранове от двете страни на циркулационната помпа.
Компонентни части
Блокът за смесване на помпа за топлоизолиран под се състои от няколко части, които позволяват, ако е необходимо, да се смесва студена течност в отоплителната система.
Циркулационна помпа


Циркулационна помпа
Той е проектиран да създава налягане в системата и да премества охлаждащата течност в тръбите. Също така с помощта на помпа се извършва принудително смесване на студени и горещи топлоносители в колектора.
Колекторен блок
Основната част от системата на колектора, включително кранове, сглобени в един блок за всички необходими устройства. Всеки блок е предназначен за определен брой отоплителни кръгове - от 2 или повече.
В водопроводния магазин можете да закупите готово за инсталиране устройство или да го направите сами. За това се взема парче водопроводна тръба, което се заглушава от едната страна. След това върху тръбата се заваряват няколко завоя - по два за всеки отоплителен кръг.


Принципът на работа на циркулационната помпа
Но, както показва практиката, е много по-лесно да закупите колекционен блок в магазин, отколкото да се опитате да го направите сами.
Термостат


Термостатът има дву- или трипътен клапан
Свързана статия: Опции за поставяне на телевизор в кухнята
Термостатът служи за подаване на топла вода към колектора, когато температурата в нагревателните елементи падне под зададената граница. Термостатният клапан може да бъде двупосочен или трипътен.
Двупътният клапан осигурява течност от връщащата верига към подовия отоплителен кръг и, ако е необходимо, повишава работната температура на охлаждащата течност и добавя гореща вода от захранващата верига към нея. Такъв клапан има малък капацитет на потока, поради което температурата на водата в тръбите на водния под се променя постепенно.
Трипътният клапан се комбинира едновременно с миксер и байпас функции. Следователно не е необходимо да се използва допълнителен клапан за балансиране на налягането, когато го инсталирате. Често такъв клапан има серво задвижвания за управление на термостати и контролери. Също така трипътният клапан може да работи съвместно със сензори, зависими от времето - в случай на застудяване клапанът автоматично увеличава подаването на вода към захранващата верига. За информация как можете да регулирате температурата на нагряване без миксер, вижте това видео:
В частна къща е препоръчително да използвате двупосочен клапан. Той е в състояние да осигури нормалната работа на веригата на смесителния колектор за жилище с обща площ до 200 кв. м. В същото време цената му е значително по-ниска от тази на 3-пътен клапан.
Балансиращ клапан


Устройство за балансиращ клапан
Балансиращият клапан е проектиран да изхвърля излишната охлаждаща течност от захранващата верига към обратната в случай на свръхналягане в смесителния колектор за подово отопление.
В допълнение към изброените подробности, схемата на смесителното устройство за подово отопление може да включва филтри, термометър, манометър, клапани за освобождаване на въздуха и други допълнителни устройства за наблюдение и контрол.
Схема 4. Свързване на подово отопление от радиатор


Това са специални комплекти, предназначени за свързване на един контур за подово отопление за площ от 15-20 кв.м. Те приличат на пластмасова кутия, вътре в която, в зависимост от производителя и конфигурацията, може да има ограничители на температурата за охлаждащата течност, ограничители на стайната температура и отдушник.


Топлоносителят влиза в контура на свързаното водно подово отопление директно от високотемпературната верига, т.е. с температура 70-80 ° C, той се охлажда в контура до предварително определена стойност и влиза нова партида гореща охлаждаща течност. Тук не се изисква допълнителна помпа, котелът трябва да се справи с нея.
Недостатъкът е ниският комфорт. Ще има зони за прегряване.
Предимството на тази схема на свързване за под с топъл вода е лесен монтаж. Подобни комплекти се използват, когато има малка отопляема подова площ, малка стая с рядък престой на жителите. Не се препоръчва за използване в спални. Подходящ за отопление на бани, коридори, лоджии и др.
Нека обобщим и обобщим в таблица:
| Вид на връзката | Комфорт | Ефективност | Инсталиране и настройка | Надеждност | Цена |
| Конвенционален газ, TT или дизел | ± | ± | + | ± | + |
| Кондензационен котел или термопомпа | + | + | + | ± | — |
| Трипътен термостатичен клапан | ± | ± | + | + | ± |
| Помпа-смесител | + | + | ± | + | — |
| Комплект за термично сглобяване | — | ± | + | + | + |
Водопроводчици и експерти по топло- и газоснабдяване препоръчват да се избягват схеми за свързване на водно топъл под към работещи отоплителни клонове. По-добре е да подавате отоплителните кръгове на подовото отопление директно към котела, така че подовото отопление да може да функционира независимо от батериите, особено през лятото.
Контролът на температурата на топлите подове се извършва по различни начини:
С трипътен смесител и комплект за автоматизация. Най-простата е веригата с трипътен клапан, оборудван със серво задвижване. Необходимата температура в системата се осигурява чрез добавяне на необходимия обем по-студен топлоносител към по-горещ, идващ от котела.
Смесване на отоплителната среда с трипътен клапан
Регулирането се извършва по правило автоматично. Повишаването на стайната температура поради, например, слънчева светлина или увеличаване на броя на хората означава, че въздухът скоро ще бъде топъл като пода. Веднага щом се достигне тази точка на равенство, електронната система дава команда на трипътния миксер за увеличаване на примеса на студена вода.
Регулиране с помощта на помпено-смесителни групи Той стана широко разпространен поради появата на помпено-смесителни групи за бърз монтаж (например OVENTROP, MEIBES, Hydrologo и др.), Които ви позволяват бързо да сглобите система с няколко отоплителни кръга. Такива модули обаче се използват главно за регулиране на температурата на подаване на отоплителната среда, независимо от стайната температура или температурата на повърхността на пода. В този случай се препоръчва да се използват стайни термостати със серво задвижвания в колектора за подово отопление. Предимства: изключително лесен за инсталиране и забележимо намалява риска от човешка грешка. сглобени и тествани за работоспособност във фабриката.
Регулиране чрез автоматизация на котела Повечето от водещите производители на котелно оборудване предлагат модерни микропроцесорни контролни панели, които ви позволяват да поддържате различни температури в няколко отоплителни кръга наведнъж. Системите с този принцип на регулиране се наричат метеорологични или метеозависими. За наблюдение на външната температура тези системи използват външен сензор, инсталиран извън сградата от северната страна. В някои системи е заложен принципът на модулност, който позволява системата да бъде завършена според специфичните изисквания на потребителя, както и да свързва допълнителни вериги и да контролира тяхната работа, като инсталира подходящия модул, без да подменя контролния панел като цяло, което дава значителни икономии на разходи
Основи на дизайна на лъчисто отопление
Целта на изчисляването на лъчиста отоплителна система е: • да се определи топлинната мощност в помещенията от системата за подово отопление; • избор на стъпката на полагане на тръбопроводи за даден тип подова настилка и определена температура на подовата повърхност; • определяне на хидравличните характеристики на системата и стойностите на предварителните настройки на регулиращите клапани на колекторите (балансиране); • избор на циркулационна помпа.
Схеми за полагане на топъл под с вода


Начини за поставяне на тръби за подово отопление
Има три основни начина за полагане на топъл под с вода: змия, спирала (охлюв) и комбинация от тези опции. Най-често топъл под се монтира с охлюв, на места се използва змия.
Схема за монтаж "Охлюв"
Полагането на топъл охлюв позволява топлината да бъде по-равномерно разпределена в стаята. С това окабеляване тръбата е монтирана в кръг към центъра, след това от в кръг в обратна посока.
Когато поставяте топъл под с охлюв, трябва да поставите отстъп за полагане на тръбата в обратна посока.
Полагане на подово отопление със змия
При тази инсталация тръбата за подово отопление е монтирана в една посока и в края на оформлението на веригата просто се връща към връщането на колектора. С такова устройство в началото на веригата температурата на охлаждащата течност е по-гореща, в края е по-студена. Следователно, разположението на змията се използва рядко.
Характеристики на приложението


Подовото отопление на първо място отоплява долната повърхност и човека
Топлите подове, за разлика от стенните радиатори, принадлежат към отоплителни системи с ниска температура.Ако препоръчителният температурен режим е надвишен при 30 - 35 ° C, хората в стаята ще изпитват очевиден дискомфорт. Всичко е свързано с разликата в схемите за отопление на помещенията, когато се използват тези два метода за отопление.
Монтираните на стена радиатори, на първо място, отопляват горната половина на стаята. Следователно, в този случай температурата на пода може да се различава няколко пъти от температурата на въздуха на тавана.


Начини за полагане на тръби за подово отопление
Схемата за отопление на помещението при използване на подово отопление е напълно противоположна - зоната на най-голямо отопление в този случай се намира в долната част на помещението, където обикновено се намират хората. Следователно превишаването на препоръчителната температура на охлаждащата течност води до осезаем дискомфорт за жителите на къщата.
Свързана статия: Как да направите таванна лампа със собствените си ръце
Освен това повишената температура на отоплителния кръг може да деформира или обели готовото подово покритие. За да се избегне това, е предназначен смесителният модул за подово отопление. Топъл под без смесител ще бъде напълно невъзможно да се регулира.
Когато настройвате максималната температура на термостата, вземете предвид естеството на подовото покритие. Ако подовете в стаята са покрити с ламинат, паркет или килими, това може значително да намали разсейването на топлината. В този случай максималният температурен праг ще трябва да бъде повишен до 40 - 55 ºС.
Изчисляване на подово отопление
Преди да свържете топъл под съгласно разработената схема, е необходимо да направите предварително изчисление. Можете да направите грубо изчисление сами в следните стъпки:
- Определете местоположението на колектора. Най-често се монтира в центъра на пода.
- Опитайте се схематично да изобразите разположението на тръбите за подово отопление, като спазвате следната информация: на стъпка от 15 см се изразходват 6,5 метра тръба на квадратен метър тръба, дължината на тръбата не трябва да надвишава 100 метра, контурите трябва всички да са приблизително еднакви.
- Ние решаваме кадрите на всички контури и като цяло можем да продължим с инсталацията.
Също така, не забравяйте да направите топлинни изчисления на сградата. В интернет има много готови калкулатори. Ако топлинните загуби в помещението не надвишават 100 W на квадратен метър, тогава топъл под няма да изисква допълнителни отоплителни устройства.
Двупосочен клапан
Двупосочен клапан (известен още като клапан за движение) е механично устройство, което независимо изключва подаването на топла вода. Механизмът се препоръчва за монтаж в големи жилищни площи.


Принципът на действие на двупосочния клапан за подово отопление
Функцията за прекъсване на горещата вода се изпълнява от термична глава със сензор за течност. Как протича регулацията? Водата, преминала през пълен кръг през отоплителната система, влиза в двупосочния клапан - сензорът анализира температурата си и при необходимост добавя гореща течност.
Смесителният уред за подово отопление на двупосочен клапан значително увеличава експлоатационния живот на тръбопровода и спестява енергийни разходи за отопление. Плавно регулиране и малък капацитет на потока - това е втората група параметри, които отличават двупосочния клапан. Основният недостатък: отопляемата площ не трябва да надвишава 200 m².
В съвременното отопление се използва трипътен блок за подово отопление. Можете да ги купите или да ги сглобите сами. Имайте предвид, че вторият вариант струва малко финансови разходи, но отнема време и добро разбиране за функционирането на цялата структура.
Всички трипътни клапани са с номинална температура. Видове трипътни клапани:


Схема на трипътен термостатичен смесителен клапан
- Модели с малък капацитет (около 1–2 m³ / час). Те са предназначени за помещения с малка площ: от 10 до 40-50 m².Експертите не препоръчват да се инсталират модели с ниска производителност за големи апартаменти, да речем, 100 или повече квадратни метра;
- Клапаните за големи апартаменти имат висока производителност (от 2 до 4 m³ / час). В допълнение към ръчната настройка, устройствата могат да се управляват от серво задвижване. Проектиран да обслужва помещения с площ над 100 m². Те се инсталират в големи апартаменти, заведения за хранене, супермаркети или ресторанти.
Инсталация за подово отопление
Докато решавате оформлението и връзката на водния под, трябва да започнете инсталацията.
- Подгответе основата на топлия под. Тя трябва да е равна с минимална разлика във височината.
- Поставете хидроизолация според изискванията на местните разпоредби
- Поставете 10 см полистирол на първия етаж и 5 см на следващия.
- Поставете полиетилен така, че по-малко замазка да влиза в контакт с изолацията
- Ако вашият метод на закрепване е подсилваща мрежа, тогава го поставете върху полиетилен
- Поставете тръбата за подово отопление съгласно одобрената схема
- Натиснете системата
- Напълнете замазката
Сравнение на подово отопление с радиатори
Разпределение на топлината в топъл под и радиатори
Ако сравним вече познатата система за отопление на радиатора с топъл под, тогава в случая на първите, потоците горещ въздух се втурват първо нагоре, когато се нагряват, а след това само слизат. Затова при радиаторите доста често усещаме студен под.
Инсталираното подово отопление работи на различен принцип. Тръбите за подово отопление първо загряват замазката, след което замазката излъчва топлина равномерно отдолу нагоре. Колкото по-високо, толкова по-малко интензивно нагряване.
Следователно, по отношение на разпределението на топлината, топлите подове изглеждат много по-изгодни. По отношение на икономичността и двете системи са плюс или минус еднакви.
Много често те обичат да споменават, че подовото отопление е по-икономично от другите системи.
Това е голяма заблуда. Задачата на всяка отоплителна система е да компенсира топлинните загуби у дома. И топлинните загуби винаги са непроменени.


Следователно ресурсите трябва да се изразходват еднакво. Подовото отопление наистина може да бъде много по-икономично. Ако използвате усъвършенствани решения за системи с ниска температура.
Как да изберем правилния 3-пътен клапан
Ключовият параметър на всеки трипътен клапан е пропускателната способност, т.е. обема вода, който устройството може да премине през себе си за единица време. Когато избирате устройство, този параметър трябва да бъде съотнесен към работата на котела.


Тук трябва да се вземе предвид още един нюанс. Дори ако диаметърът на входовете и изходите на клапана изглежда подходящ по размер, това по никакъв начин не показва действителния капацитет на устройството. Този параметър се определя изцяло от вътрешния разрез на отворите, които в зависимост от дизайна се затварят с топка или регулираща глава.
При някои модели размерите на този отвор могат да бъдат 4 пъти по-малки от входния диаметър. За да не се заблудите и да не се сблъскате с необходимостта от преработка на скъп блок, трябва внимателно да проучите придружаващата документация, преди да купите.
Друг важен параметър на устройството е напречното сечение. В идеалния случай клапанът трябва да бъде с абсолютно същия размер като тръбите на отоплителната система. Ако не може да се постигне точно съвпадение, ще трябва да закупите адаптери.
Освен това трябва да обърнете внимание на следните нюанси:
- Не забравяйте да проверите наличността на придружаваща документация: гаранционни талони, инструкции за инсталиране и експлоатация, сертификати и лицензи.
- Когато избирате материал, трябва да отдадете предпочитание на месинг или бронз. Именно тези метали се комбинират най-добре с горещи течности и освен това имат ниско ниво на топлинно разширение.Можете да различите продуктите от цветни метали по тегло - те са много по-тежки от евтините „щампования“, изработени от пресовани прахообразни материали, които нямат необходимото ниво на якост.
Що се отнася до конкретни модели, на пазара можете да намерите продукти на няколко компании, които отдавна са се утвърдили като надеждни производители:
- Есбе... Шведска компания, чиито продукти се отличават с надеждност, добро представяне и привлекателен външен вид. Гаранционният срок е най-малко 5 години.
- Valtec... Руско-италианско съвместно предприятие, произвеждащо термо-смесителни клапани, които съчетават достъпна цена и добри технически характеристики. Цялата гама от устройства е гарантирана за 7 години.
- Скъпа... Американски производител, който постави на преден план лекотата на инсталиране на произведените продукти. Трипътните клапани от тази марка имат поразителен дизайн, висока надеждност, но и не по-малко висока цена.
Препоръчваме ви да се запознаете с: Характеристики и видове тръби за кръгови въздуховоди














