Публикувано в Съвети, публикувано на 21.02.2016 г. · Коментари: · Прочетено: 4 мин. · Преглеждания: Преглеждания на публикациите: 4 555
Здравейте приятели! Замисляли ли сте се някога колко надеждно вашият котел е защитен от прегряване? Понякога при изгаряне на котел на твърдо гориво температурата на охлаждащата течност е достигнала критична стойност и горивото продължава да гори. В същото време се отделя значително количество топлина, което заплашва със сериозни последици както за котела, така и за цялата отоплителна система като цяло.

Отоплителната система с котел на твърдо гориво е инерционна. Това положително качество на котлите на твърдо гориво с прекомерно нагряване на охлаждащата течност може да играе фатална роля. В този случай няма да работи незабавното спиране на текущото нагряване на охлаждащата течност. Особено катастрофална ситуация възниква, ако отоплителната система съдържа полипропиленови или металопластикови тръби. Тяхната работа не е проектирана за толкова висока температура, че неизбежно ще доведе до разхерметизиране на системата.
В този случай вече не е необходимо да се разчита на система за сигурност, състояща се от разширителен резервоар, дренажен клапан, автоматичен въздухоотвод. Той предпазва системата само от свръхналягане. Но когато ресурсът на разширителния резервоар вече е изчерпан, нарастващото налягане в системата води до работата на дренажния клапан и част от охлаждащата течност се изхвърля от системата.
Изглежда, че ситуацията трябва да се подобри, но тя само се влошава, защото намаляване на обема на охлаждащата течност води до по-интензивно кипене на вода в котела. Температурата продължава да се повишава и сега .... Но не е чак толкова лошо. Производителите на котли са предвидили и този сценарий. Съвременните котли са оборудвани с устройства, които предотвратяват прегряването на котела. Но колко ефективни са те, нека се опитаме да разберем в тази статия.
Използване на предпазен клапан
Това не е същото като предпазния клапан. Последният просто облекчава налягането в системата, но не го охлажда. Друго нещо е предпазният клапан за прегряване на котела, който взема топла вода от системата и вместо това доставя студена вода от водопровода. Устройството е енергонезависимо, свързано е към захранващата и връщащата мрежа, водопроводната мрежа и канализационната система.


При температура на охлаждащата течност над 105 ºС клапанът се отваря и поради налягане във водоснабдителната система от 2-5 бара горещата вода се измества от кожуха на топлогенератора и студените тръбопроводи, след което отива в канализацията система. Как е свързан защитният клапан на котела за твърдо гориво е показано на диаграмата:


Недостатъкът на този метод на защита е, че не е подходящ за системи, пълни с течност против замръзване. Освен това схемата не е приложима при условия, при които няма централизирано водоснабдяване, тъй като заедно с прекъсване на електрозахранването ще спре и подаването на вода от кладенец или басейн.
Изисквания към комина
За да определите какви характеристики представя самият производител, трябва да прочетете инструкциите, тъй като са дадени конкретни данни, какво е минималното напречно сечение на тръбата, височина, температурен режим - тези фактори в конкретния случай са основни и трябва да се съсредоточите върху тях.пише кой комин е по-добър за котел на твърдо гориво и какви технически параметри трябва да се вземат предвид. Изброените по-горе характеристики, като височината, дължината на комина, ще ви позволят да изберете надежден и най-важното функционален канал от гледна точка на този конкретен модел.
Вземете под внимание диаметъра на комина за канал за твърдо гориво, тъй като не всеки канал ще може да отстрани генерираното количество газ за определено време, а натрупаните дим и газове могат да влязат в помещението чрез неплътни фуги и пукнатини .
Технологични изисквания
Трябва да се спазват следните технически изисквания:
- Трябва да се осигури специална зона за разпръскване на дима. Това е вертикална тръба, монтирана зад дюзата на котел за твърдо гориво. Ускорителният участък е направен с височина един метър.
- Коминът е инсталиран само вертикално. Допуска се отклонение от не повече от 30 градуса.
- Наличието на деформации е забранено.
- Дължината е много важна (3 - 6 метра).
- Допускат се три хоризонтални участъка. Освен това дължината на всеки не трябва да надвишава половин метър.
- Височината на таблата над покрива трябва да надвишава 100 cm.
- Закрепването на тръбата към стената се извършва със стъпка от 1,5 метра.
- За да се създаде уплътнено съединение, тръбите са обилно смазани с топлоустойчив уплътнител.
За да се получи идеална тяга, е необходимо конструкцията на комина да има минимален брой завъртания. Плоската тръба се счита за най-добрата.
Коминът може да се монтира вътре или извън сградата. За първия вариант е необходимо да защитите тръбата, така че да не влиза в контакт с горими материали. Използва се специален метален екран, монтиран на мястото, където тръбата преминава през тавана. Коминът трябва да е на разстояние повече от 25 см от стената.
Външните конструкции изглеждат много по-безопасни. Те са много по-лесни за поддръжка. Майсторите смятат, че този метод е най-предпочитаният.
Причини за прегряване
Единствената причина за прегряване е, че котелът произвежда повече топлина, отколкото се изразходва от отоплителната система. Но ако по-рано всичко беше наред, но сега котелът се прегрява, тогава проблемът не е, че котелът е много мощен, но проблемът се крие другаде.
Възможно е вашият филтър за мръсотия пред циркулационната помпа да е просто запушен. В този случай трябва да го развиете и почистите и проблемът ще бъде решен. При такъв проблем завръщането ви ще бъде студено.
Има възможност циркулационната помпа просто да се повреди. При такъв проблем завръщането ви също ще бъде студено. Сменете помпата.
Но най-често срещаният проблем е прегряването в резултат на прекъсване на електрозахранването. Всичко е идеално за вас - чист филтър, работеща помпа, но просто не може да работи. И се получава прегряване. Проблемът може да бъде решен чрез гасене на котела или изтегляне на изгарящото гориво от пещта на котела - но това далеч не е най-добрият вариант. Най-добрият вариант е да направите отоплителната система нечувствителна към прекъсвания на електрозахранването - да я направите самостоятелна или да инсталирате непрекъсваемо захранване.
Гледайте видеото с появата на прегряване на котела при изключено захранващо напрежение.
И ето видео с начин за решаване на проблема с прегряването на котела и отоплителната система.


Истински техник за ремонт на котел е трудно да се намери
Ето защо е важно да ги разберете сами, защото капитанът наистина не винаги се изисква и много проблеми могат да бъдат отстранени от вас самите. Помислете за списък с неизправности на котела, който покрива възможно най-много всички възможни повреди
Статията е предназначена за неспециалист, но за обикновен човек, който е способен да елиминира подобни проблеми.
Инсталиране на термостатичен регулатор на тяга
Собствениците на котли на твърдо гориво, особено в селските райони, където прекъсванията на електрозахранването са чести, са оценили техните предимства. Котелът не е придирчив към горивото, не е летлив, евтин. Всички модерни котли на твърдо гориво са оборудвани с термостатичен регулатор на тягата, който предотвратява прегряването на котела.
Когато се достигне зададената температура, регулаторът на тягата спуска клапата на вентилатора през веригата, предотвратявайки навлизането на въздух в зоната на горене. Горивото започва да тлее. Генерирането на топлина е намалено.
Регулаторът на газене не изисква поддръжка. В случай на повреда, той може лесно да бъде заменен.
Но такава система има един съществен недостатък, който води до загуба на мощност на котела. Както знаете, ефективността на котел на твърдо гориво достига максималната си стойност само в режим на активно изгаряне на гориво. В режим на тлеене този показател е почти наполовина.
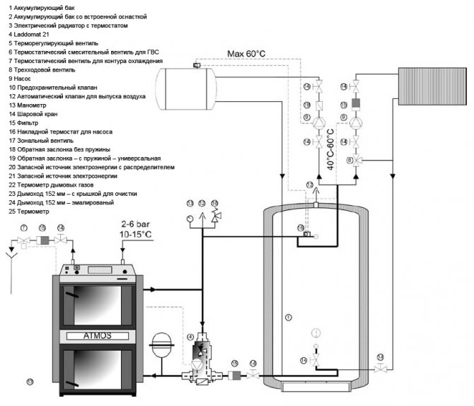
Верига за съхранение на топлина
В редица страни от ЕС са въведени правила, според които схемите за свързване на котли на твърдо гориво към отоплителната система задължително трябва да включват акумулатор на топлина. Без него работата на такива нагреватели е просто забранена. Причината е високото съдържание на въглероден окис (CO) в емисиите по време на ограничаването на подаването на кислород в пещта, за да се намали интензивността на горенето.
При нормален достъп на въздух се образува безвреден въглероден диоксид (CO2), така че пещта трябва да работи с пълен капацитет, давайки енергия на топлинния акумулатор. Тогава съдържанието на CO няма да надвишава екологичните стандарти. В постсъветското пространство все още няма такива изисквания, съответно ние продължаваме да блокираме достъпа на въздух, за да постигнем бавно тлеене на дърва, например в котел с дълго изгаряне.
Топлоакумулаторите се предлагат в търговската мрежа като завършен продукт, въпреки че много майстори правят свои собствени. По принцип това е резервоар, покрит със слой топлоизолация. Във фабричната версия може да има вградена верига за БГВ и нагревателен елемент за нагряване на вода. Това решение ви позволява да акумулирате топлина от котел на дърва, а в моментите на неговия престой - да осигурите отопление на къщата за известно време. Схемата на свързване на котела с акумулатора на топлина е показана на фигурата:


Забележка. Във веригата вместо смесителен блок, състоящ се от няколко елемента, е инсталирано готово устройство, което изпълнява същите функции - LADDOMAT 21.
Топлоакумулатор в отоплителна система с котел на твърдо гориво
Доставката на гориво към котлите на твърдо гориво не подлежи на автоматизация. По тази причина котлите на твърдо гориво са апарати от партиден тип. Те загряват охлаждащата течност само по време на изгарянето на следващата порция гориво. Къщата е топла и студена.
За да се изгладят температурните колебания, е необходимо да се зареди повече гориво.
Котлите за твърдо гориво за продължително изгаряне имат своите предимства и недостатъци, но не решават проблема радикално.
В отоплителната система на къща с котел на твърдо гориво с прекъсващо действие изгодно е да имате топлинен акумулатор, който акумулира топлинна енергия по време на работа на котела и отделя топлина в помещението по време на пауза. Наличието на такъв топлинен акумулатор стабилизира и оптимизира режима на работа на отоплението на къщата с котел на твърдо гориво. В система с топлинен акумулатор температурните колебания в къщата се забавят, амплитудата им намалява, честотата на зареждане с гориво се увеличава. Котелът винаги работи в оптимален режим на изгаряне на гориво, с максимална ефективност, което спестява гориво. Самата къща е един вид акумулатор на топлина. Всички материали в къщата имат способността да акумулират топлинно - топлинен капацитет и да отделят топлина, когато температурата на въздуха в помещението намалее. Колкото по-висок е топлинният капацитет на конструкциите на къщата, толкова по-добре - колкото по-бавно се променя температурата в помещенията, толкова по-удобно е в къщата и толкова по-рядко трябва да зареждате гориво.
Колкото по-голяма е масата и плътността на строителните материали, толкова по-висок е техният топлинен капацитет.
Може би сте забелязали, че сградите с дебели каменни стени са топли през зимата и прохладни през лятото.
Съвременните строителни технологии вървят в обратна посока.
Строителните конструкции стават по-леки и използването на материали с ниска плътност се увеличава.
Например къща, построена с помощта на рамка или технология на панелен панел, може да осигури топлинен комфорт на жителите само ако отоплителните и климатичните системи са почти непрекъснати. В крайна сметка топлинният капацитет на такава къща е минимален.
Хората са се научили да използват акумулатори на топлинна енергия дълго време в къщи с нисък топлинен капацитет. Руската печка в дървена къща е огромна, тежка тухлена конструкция, класически пример за топлинен акумулатор в къща
с малък топлинен капацитет на дървени стени.
В съвременни условия, за да се увеличи комфортът на отоплителната система на къщата с котел на твърдо гориво, е удобно и изгодно да се използват други методи за акумулиране на топлина.
Какви са начините за предпазване на отоплителното оборудване от прегряване
Производствените компании се опитват да увеличат потребителската привлекателност на своите продукти, да включат в техническия паспорт на котелно оборудване всякакви гаранции за неговата безопасност. Посветеният потребител няма и най-малка представа за начините за защита на отоплителния котел от кипене.
Понастоящем съществуват следните начини за осигуряване на защита на агрегатите за твърдо гориво, използвани за автономни отоплителни системи. Ефективността на всеки метод се обяснява с условията на работа на котелното оборудване и конструктивните характеристики на блоковете.
В повечето случаи производителите препоръчват използването на чешмяна вода за охлаждане в информационния лист за нагревател. В някои случаи котлите на твърдо гориво са оборудвани с вградени допълнителни топлообменници. Има модели котли с външни топлообменници. Използва се от предпазен клапан за предотвратяване на прегряване. Предпазният клапан е проектиран само за облекчаване на прекомерното налягане в системата, докато предпазният клапан отваря достъп до чешмяна вода, когато котелът прегрее.


Ако температурата на охлаждащата течност надвиши отметката от 100 ° C, това създава свръхналягане, което отваря клапана. Под въздействието на чешмяна вода, която се подава под налягане 2-5 бара, горещата вода се измества от веригата със студена вода.


Първият спорен аспект на охлаждането на чешмяна вода е липсата на електричество за захранване на помпата. Разширителният съд няма достатъчно вода за охлаждане на котела.
Вторият аспект, който отстранява този метод на охлаждане, е свързан с използването на антифриз като топлоносител. В случай на извънредна ситуация в канализацията ще влезе до 150 литра антифриз заедно с входящата студена вода. Заслужава ли този метод на защита?
Наличието на UPS ще позволи да се поддържа работата на циркулационната помпа в критична ситуация, с помощта на която охлаждащата течност ще се разнесе равномерно през тръбопровода, без да има време за прегряване. Докато има достатъчен капацитет на батерията, непрекъсваемото захранване гарантира, че помпата работи. През това време котелът не трябва да има време да се нагрее до критичните параметри, автоматиката ще работи, стартирайки водата по резервната, аварийна верига.
Друг начин за излизане от критична ситуация ще бъде инсталирането на аварийна верига в тръбопроводите на твърдо гориво. Изключването на помпата може да бъде дублирано чрез работата на резервната верига с естествена циркулация на охлаждащата течност. Ролята на аварийния кръг не е в осигуряването на отопление на жилищни помещения, а само в способността за отстраняване на излишната топлинна енергия при аварийни ситуации.


Такава схема за организиране на защитата на отоплителното тяло от прегряване е надеждна, проста и удобна в експлоатация. Няма да имате нужда от специални средства за неговото оборудване и монтаж. Единствените условия за такава защита да работят са:
- наличието на разширителен резервоар или резервоар за съхранение в системата;
- използване на възвратен клапан само от тип венчелистче;
- тръбите във вторичния кръг трябва да са с по-голям диаметър от конвенционалния отоплителен кръг.
Как работи термостатичният отклонителен клапан
Термостатичният клапан е монтиран на потока пред байпасния участък (участък на тръбопровода), свързващ потока на котела и връщане в непосредствена близост до котела. В този случай се образува малка циркулационна верига на охлаждащата течност. Термо крушката, както беше споменато по-горе, е монтирана на връщащия тръбопровод в непосредствена близост до котела.
В момента на стартиране на котела охлаждащата течност има минимална температура, работният флуид в гилзата заема минимален обем, няма натиск върху стеблото на термичната глава и вентилът преминава охлаждащата течност само в една посока на циркулация в тесен кръг.
Тъй като охлаждащата течност се нагрява, обемът на работната течност в термоотвора се увеличава, термичната глава започва да притиска стеблото на клапана, преминавайки студената охлаждаща течност към котела и нагретата охлаждаща течност в общата циркулационна верига.


В резултат на смесването в студена вода температурата във връщащата линия намалява, което означава, че обемът на работния флуид в термоотвора намалява, което води до намаляване на налягането на термичната глава върху стеблото на клапана. Това от своя страна води до прекратяване на подаването на студена вода към малката циркулационна верига.
Процесът продължава, докато цялата охлаждаща течност се нагрее до необходимата температура. След това клапанът блокира движението на охлаждащата течност по малък циркулационен контур и цялата охлаждаща течност започва да се движи по голям отоплителен кръг.


Термостатичният смесителен клапан работи по същия начин като контролния клапан, но не е инсталиран на поточната линия, а на връщащата линия. Вентилът е разположен пред байпаса, който свързва подаването и връщането и образува малък кръг на циркулацията на охлаждащата течност. Термостатичната крушка е прикрепена на същото място - на участъка на връщащия тръбопровод в непосредствена близост до отоплителния котел.
Докато охлаждащата течност е студена, клапанът я преминава само в малък кръг. Тъй като топлоносителят се нагрява, термичната глава започва да притиска стеблото на клапана, преминавайки част от нагретия топлоносител в общата циркулационна верига на котела.


Както можете да видите, схемата е изключително проста, но в същото време ефективна и надеждна.
Термостатичният клапан и термичната глава не се нуждаят от електрическа енергия, за да работят, и двете устройства са енергонезависими. Не са необходими и допълнителни устройства или контролери. За да загреете охлаждащата течност, циркулираща в малък кръг, са достатъчни 15 минути, докато нагряването на цялата охлаждаща течност в котела може да отнеме няколко часа.
Това означава, че с помощта на термостатичен вентил продължителността на образуване на кондензат в котел на твърдо гориво се намалява няколко пъти и заедно с това се намалява времето за разрушителното въздействие на киселините върху котела.
За да предпазите котела за твърдо гориво от кондензат, е необходимо правилно да го прокарате с помощта на термостатичен клапан и в същото време да създадете малка верига за циркулация на охлаждащата течност.
При закупуване и инсталиране на котел на твърдо гориво е задължително да се вземат предвид особеностите на неговата работа, а именно голямата вероятност от прегряване в аварийни ситуации, което може да доведе до сериозен инцидент и дори разрушаване на водната риза на блока (експлозия ). Също така, значителна вреда може да бъде причинена от образуването на конденз по стените на горивната камера, което се случва при определени режими на работа. За да се премахнат такива проблеми, котелът за твърдо гориво трябва да бъде защитен от прегряване и кондензация, което ще бъде обсъдено в нашата статия.
Начини за намаляване на топлинните загуби
Горната информация ще помогне да се използва за правилно изчисляване на температурата на охлаждащата течност и ще ви каже как да определите ситуациите, когато трябва да използвате регулатора.
Но е важно да запомните, че температурата в помещението се влияе не само от температурата на охлаждащата течност, външния въздух и силата на вятъра. Трябва да се вземе предвид и степента на изолация на фасадата, вратите и прозорците в къщата.
За да намалите топлинните загуби на корпуса, трябва да се притеснявате за неговата максимална топлоизолация. Изолираните стени, запечатаните врати, пластмасовите прозорци ще помогнат за намаляване на изтичането на топлина. Освен това намалява разходите за отопление.
При голяма температурна разлика между подаването и връщането на котела, температурата по стените на горивната камера на котела се доближава до температурата на точката на оросяване и е възможна кондензация. Известно е, че по време на изгарянето на гориво се отделят различни газове, включително CO 2, ако този газ се комбинира с "росата", която е паднала по стените на котела, се образува киселина, която корозира "водната риза" на котелната пещ. В резултат на това котелът може бързо да бъде повреден. За да се предотврати загубата на роса, е необходимо да се проектира отоплителната система по такъв начин, че температурната разлика между подаването и връщането да не е твърде голяма. Това обикновено се постига чрез нагряване на обратната охлаждаща течност и / или включване на котел за топла вода с мек приоритет в отоплителната система.
За загряване на охлаждащата течност между обратния поток и подаването на котела се прави байпас и върху него е монтирана циркулационна помпа. Мощността на рециркулационната помпа обикновено се избира като 1/3 от мощността на основната циркулационна помпа (сумата от помпите) (фиг. 41). За да се предотврати „бутането“ на циркулационната помпа в обратната посока, след рециркулационната помпа е монтиран възвратен клапан.
Фиг. 41. Обратно отопление
Друг начин за отопление на обратния поток е инсталирането на котел за подаване на топла вода в непосредствена близост до котела. Котелът е "настроен" на къс отоплителен пръстен и е разположен по такъв начин, че топлата вода от котела след главния разпределителен колектор веднага да влезе в котела и от него да се върне обратно в котела. Ако обаче търсенето на топла вода е малко, тогава в отоплителната система са монтирани както рециркулационен пръстен с помпа, така и отоплителен пръстен с котел. При правилно изчисление пръстенът на рециркулационната помпа може да бъде заменен със система с три- или четирипосочни смесители (фиг. 42).
Фиг. 42. Нагряване на обратния поток с помощта на три- или четирипосочни смесители На страниците „Контролно оборудване на отоплителни системи“ бяха изброени почти всички технически значими устройства и инженерни решения, присъстващи в класическите отоплителни кръгове. Когато проектирате отоплителни системи на реални строителни обекти, те трябва да бъдат изцяло или частично включени в проекта на отоплителните системи, но това не означава, че точно отоплителните фитинги, посочени на тези страници на обекта, трябва да бъдат включени в конкретен проект. Например, на грима, могат да се монтират спирателни клапани с вградени възвратни клапани или тези устройства да се инсталират отделно. Вместо мрежести филтри могат да се инсталират кални филтри. На захранващите тръбопроводи може да се инсталира въздушен сепаратор или е възможно да не се монтира, а да се монтират автоматични вентилационни отвори вместо него във всички проблемни зони. На връщащата линия можете да инсталирате делиматор или просто да оборудвате колекторите с дренажи. Регулиране на температурата на охлаждащата течност за веригите "топъл под" може да се извърши с качествена настройка с три- и четирипосочни смесители, или можете да направите количествена настройка, като инсталирате двупосочен клапан с термостатична глава. Циркулационните помпи могат да бъдат монтирани на обща захранваща тръба или обратно, на връщане.Броят на помпите и тяхното местоположение също могат да варират.
Може ли водата в кладенеца да замръзне? Не, водата няма да замръзне. както в пясъчния, така и в артезианския кладенец водата е под точката на замръзване на почвата. Възможно ли е да се монтира тръба с диаметър над 133 мм в пясъчен кладенец на водоснабдителна система (имам помпа за голяма тръба)? производителността на пясъчните кладенци е ниска. Помпата "Kid" е специално проектирана за такива кладенци. Може ли стоманена тръба във кладенец за водоснабдяване да корозира? Достатъчно бавно. Тъй като при подреждането на кладенец за крайградско водоснабдяване той е под налягане, в кладенеца няма достъп до кислород и процесът на окисляване е много бавен. Какви са диаметрите на тръбите за отделен кладенец? Каква е производителността на кладенец с различни диаметри на тръбите? Диаметри на тръбите за подреждане на кладенец за вода: 114 - 133 (mm) - производителност на кладенеца 1 - 3 кубически метра / час; 127 - 159 (mm) - производителност на кладенеца 1 - 5 кубични метри. / час; 168 (мм) - производителност на кладенеца 3 - 10 кубически метра / час; ЗАПОМНЕТЕ! Необходимо е ...
Ефективната работа на отоплителната система определя колко комфортна ще бъде температурата през студения сезон в къщата. Понякога възникват ситуации, когато към системата се подава топла вода, а батериите остават студени. Важно е да се намери причината и да се отстрани. За да разрешите проблема, трябва да знаете дизайна на отоплителната система и причините за връщането на студа по време на подаване на топло.
Основна схема за тръбопроводи на котел на твърдо гориво
За по-добро разбиране на процесите, които се случват по време на работа на топлинния генератор, ще покажем неговите тръбопроводи на фигурата и след това ще анализираме предназначението на всеки елемент. В случай, че отоплителното тяло е единственият източник на топлина в къщата, препоръчително е да използвате следната основна схема за свързването му:


Забележка. Основната схема, където има малка котелна верига и трипътен клапан, показана на фигурата, е задължителна за използване при работа заедно с други видове топлинни генератори.
И така, първият по пътя на движението на охлаждащата течност от котелната централа е групата за безопасност. Състои се от три части, монтирани на един колектор:
- манометър - за контрол на налягането в мрежата;
- автоматичен въздушен предпазен клапан;
- предпазен клапан.
Когато работите с котел на твърдо гориво, винаги съществува риск от прегряване на охлаждащата течност, особено при режими, близки до максималната мощност. Това се дължи на известна инерция при изгарянето на горивото, тъй като когато се достигне необходимата температура на водата или внезапно прекъсване на електрозахранването, няма да бъде възможно незабавното спиране на процеса. В рамките на няколко минути след спиране на подаването на въздух, охлаждащата течност ще продължи да се нагрява, в този момент съществува риск от изпаряване. Това води до повишаване на налягането в мрежата и опасност от разрушаване на котела или пробив на тръби.
За да се изключат аварийните ситуации, тръбопроводите на котела за твърдо гориво задължително трябва да включват предпазен клапан. Регулира се до определено критично налягане, чиято стойност е посочена в паспорта на топлинния генератор. Като правило стойността на това налягане в повечето системи е 3 бара, когато се достигне, клапанът се отваря, отделяйки пара и излишна вода.
Освен това, в съответствие с диаграмата, за правилната работа на блока е необходимо да се организира малка циркулационна верига на охлаждащата течност. Неговата задача е да предотврати проникването на студена вода от отоплителната система на къщата в топлообменника и водната риза на котела. Това е възможно в 2 случая:
- когато стартира отоплението;
- когато поради прекъсване на електрозахранването помпата спре, водата в тръбопроводите се охлажда и след това захранването с напрежение се възобновява.
Важно! Ситуацията с прекъсване на тока представлява особена опасност за топлообменниците от чугун.Внезапното изпомпване на студена вода от системата може да доведе до нейното напукване и загуба на херметичност.
Ако горивната камера и топлообменникът са изработени от стомана, тогава свързването на котела за твърдо гориво към отоплителната система чрез трипътен клапан ги предпазва от корозия при ниски температури. Явлението възниква, когато конденз се образува по вътрешните стени на горивната камера поради температурни разлики. Смесвайки се с летливи фракции и пепел, влагата образува слой от скала върху стоманените стени, който е много трудно да се почисти. Това корозира метала и съкращава експлоатационния живот на продукта като цяло.
Схемата работи по следния принцип: докато водата в кожуха на котела и в системата е студена, трипътният клапан му позволява да циркулира по малка верига. След достигане на температурата от 60 ºС, устройството започва да смесва охлаждащата течност от мрежата на входа на блока, като постепенно увеличава разхода си. По този начин цялата вода в тръбите се затопля постепенно и равномерно.
Как да се отървем от кондензат в пещта на котела?
В котлите на твърдо гориво влагата може да се образува по вътрешните стени на горивната камера. Това се случва, когато дървото вече гори и вентилаторът на вентилатора (ако има такъв) работи с пълен капацитет, а водата в отоплителната система все още е студена.


От спада на температурата се получава кондензат, който, смесвайки се с продуктите от горенето, се утаява по стените на камерата. Това отлагане корозира метала, в резултат на което експлоатационният живот на котела значително намалява.
Забележка. Котлите с чугунен топлообменник не се страхуват от корозия, но от своя страна са чувствителни към внезапни промени в температурата на охлаждащата течност.
Не е трудно да се реши този проблем, просто трябва да включите трипътен термостатичен клапан в тръбната схема, зададена за температура на охлаждащата течност от 55-60 ºС, както е показано на фигурата по-долу. Защитата на котела за твърдо гориво срещу кондензация работи по следния начин: докато водата в котела се нагрее до зададената температура, тя циркулира по малка верига. След достатъчно нагряване трипътният клапан постепенно се смесва с вода от системата. По този начин в пещта няма температурен спад или конденз.


Въвеждането на смесителна единица във веригата също предпазва чугунения топлообменник от температурния спад на охлаждащата течност, тъй като вентилът няма да позволи на студената вода да влезе в топлинния генератор.
Основен принцип на защита на котела срещу конденз
За да се предпази котелът за твърдо гориво от образуването на конденз, е необходимо да се изключи ситуация, при която този процес е възможен. За да направите това, не трябва да допускате студения топлоносител да влезе в котела. Температурата на връщане трябва да бъде по-ниска от температурата на потока с 20 градуса. В този случай температурата на подаване трябва да бъде най-малко 60 C.
Най-лесният начин е да загреете малко количество охлаждаща течност в котела до номиналната температура, да създадете малък отоплителен кръг за неговото движение и постепенно да смесите останалата част от студената охлаждаща течност с гореща вода.
Идеята е проста, но може да бъде реализирана по различни начини. Например, някои производители предлагат да закупят готов смесител, чиято цена може да бъде 25 000
и повече рубли. Например, компанията FAR (Италия) предлага подобно оборудване за
28 500 рубли
и компанията
Laddomat
продава единица за смесване за
25 500 рубли
.
По-икономичен, но в същото време не по-малко ефективен начин за защита на котела за твърдо гориво от кондензат е регулирането на температурата на охлаждащата течност, влизаща в котела, с помощта на термостатичен клапан с термоглава.
Защита на котлите на твърдо гориво от прегряване с радиатор за отопление
Като радиатор за охлаждане се използва стоманен панелен радиатор тип 22 с размер 500х600 мм.


Реших да направя тест: да проверя колко време отнема на котела да заври, ако циркулационната помпа е изключена.Имаме котел на Stropuva и той гори около ден.
Защо е задължително да се направи изпитване под налягане на отоплението след инсталирането
Следователно нашият тест ще се проведе на два етапа:
- Ден 1. Разтопяваме котела, изчакваме да достигне температура от 60 градуса и изключваме циркулационната помпа. Отбелязваме времето, през което охлаждащата течност в котела ще се нагрее до 100 градуса.
- Ден 2. Изваждаме радиатора от тръбната схема, загряваме котела и изключваме циркулационната помпа. Отбелязваме времето, през което охлаждащата течност в котела ще се нагрее до 100 градуса.
За отоплителната система в тази къща
В тази къща няма котелно помещение. Клиентът реши да постави бойлера в кухнята. Опитах се няколко пъти да го разубедя, но, както се казва, „собственикът е господар“. Мисля, че след известно време той ще промени решението си.
Вземете проект за отоплителна система за 100 рубли. на m²
Клиентът избра версия на котел Stropuva на дърва с мощност 15 kW. Зад котела има охлаждащ радиатор и медни тръбопроводи на котела.
В тръбопровода е монтиран трипътен термостатичен клапан, който предпазва връщането на котела от охлаждане. Тръбопроводите на котела се състоят от три вериги. Първата верига обслужва радиатори. Тук е изпълнена колекторна тръба за радиатори. Колекторната група се намира зад стената, в банята.


Втората верига е топъл под. Блокът за смесване на помпата се намира зад котела, под радиатора за охлаждане. Колекторната група за подово отопление също се намира в банята. Третият кръг - зареждане на котела за непряко отопление.
Все още не е инсталиран. Но за него в тръбопроводите на котела има специални кранове. Поставихме колекторни групи в банята. Топлите подове покриват кухнята, банята, коридора и коридора. Радиаторите са инсталирани в спалните и хола.
Ден 1. Тестване на котела с радиатор
Котелът се затопли до 60 градуса, изключих циркулационната помпа и изчаках температурата в котела да се повиши до 100 градуса. За половин час температурата на котела се повиши до 95 градуса и спря.
Изминаха 3 часа от изключването на помпата и температурата на котела не се повиши над 95 градуса. Не чакаше повече, пусна циркулационната помпа в нормален режим.
Ден 2. Тестване на котела без радиатор
Котелът се загрява до 60 градуса, изключвам циркулационната помпа и изчаквам температурата в котела да се повиши до 100 градуса. Без радиатор температурата в котела се повиши до 100 градуса за малко повече от 30 минути. Включи циркулационната помпа.
Оказва се, че радиатор, свързан към котела чрез гравитация, предпазва от кипене. Можете да гледате нашия експеримент във видеото.


