При подреждането на всяко жилищно пространство се отделя значително внимание на въпроса за подовата изолация. В повечето случаи като решение на този проблем се използва хидроизолация, при която смесителен уред за топъл под е ключов елемент. Ако за отоплителните системи с радиатор най-оптималната температура ще бъде в диапазона от 80-90 градуса по Целзий, тогава за системите за подово отопление температурният режим трябва да бъде по-нисък (около 35 градуса). Смесителите за подово отопление ви позволяват да осигурите нормалната работа на нискотемпературните системи, понижавайки температурата чрез смесване на връщането с гореща охлаждаща течност.
Смесител за подово отопление
Устройствата от това действие са идеални за свързване на един колектор. Естествено, те могат да се използват като самостоятелни устройства. Топлоносителите са допълнително оборудвани с кръгла помпа, която е необходима за осигуряване на принудителна циркулация на течността в отоплителната система. В тези устройства, като правило, двупосочни и трипосочни захранващи клапани, които осигуряват постоянно добавяне на студена вода от връщането към охлаждащата течност.
За какво е смесителната единица?
Ако за обикновено отопление с батерии се изисква температура от 80-90 градуса, то за подово отопление тя трябва да е по-ниска, 30-40 градуса, така че да е удобно да се ходи по пода, без риск от изгаряне. С помощта на смесител за топъл под могат да се получат благоприятни условия за пълната работа на невидимите нагревателни елементи.
Смесителната група за подово отопление е ключов компонент на водонагревателните устройства.
Системи от този тип правят възможно свързването на колектор, който осигурява необходимата комбинация от вода при различни температури, за да се получат благоприятни условия в помещението. Но използването на такова устройство като независимо устройство за управление не е изключено.

Тръбопроводът е оборудван с малка помпа, чрез която се осъществява принудителната циркулация на топлинния източник по веригата. Тези устройства имат захранващи клапани с два или три хода. Те са необходими, за да се получи постоянно добавяне на студена течност от циркулацията към охлаждащата течност.
Други видове устройства, с които можете да регулирате температурата на топъл под
- За стая, която не надвишава 10 квадратни метра, могат да се използват обикновени клапани. Достатъчно е да инсталирате две такива устройства, едното за водоснабдяване и едно за обратния поток, и да извършите настройката по същия начин, както се прави на конвенционален радиатор: завийте клапана - намалете температурата, трябва да повишите it - отворете клапата по-силно. Недостатъкът на такова смесително устройство в сравнение с термостатичен трипътен клапан е ръчното регулиране. Няма устройства, които да ви покажат каква температура се получава на изхода, действията се извършват по метода "пишете".
- Термостатичните смесители не са само трипътни, но и двупосочен. Такъв клапан може да се монтира вместо един от ръчните клапани (начинът на регулиране с клапан, описан по-горе) и той вече ще поддържа зададената температура автоматично.
- За подово отопление, което ще заема големи площи, използвайте възел за смесване. Това устройство представлява цяла система от захранващ и връщащ колектор, циркулационна помпа и термостатичен смесител.
Предимства на смесителите
Вътрешното оборудване, което има смесител за подово отопление, има списък с предимства, които правят този блок продуктивен и търсен. Основните му предимства включват:
- Икономика. За разлика от електрическите скрити нагреватели, бойлерите със смесител за топъл под могат да спестят до 60% от електричеството.
- Сигурност. Хората често забравят колко висока е температурата на нагревателния елемент, което води до тежки изгаряния. Използването на специален термо-миксер ви позволява да предотвратите подобни ситуации и да се предпазите от опасност.
- Дълъг експлоатационен живот. Инсталирането на такъв нагревателен блок е много полезно в сравнение с други устройства с подобни функции. И ако е положен в съответствие с всички правила, тогава ще продължи повече от 50 години. Охладителната течност подлежи на износване, но производителят отбелязва, че нейният експлоатационен живот е най-малко 50 години.
- Чистота. Грижата за невидимия блок не е трудна и не изисква много усилия. Освен това, поради факта, че покритието постоянно се нагрява, то изсъхва много бързо, което елиминира риска от мухъл и плесен.
- Контрол на околната температура - системата е снабдена със статичен термичен клапан, свързан към регулатора. Това означава, че можете да регулирате нивото на отопление, като вземете предвид промените в температурните показатели отвън.
- Наличието на механично управление, при което уредът за топъл под е регулиран независимо.
- Приложение за лимитен режим. Това ви позволява да зададете подходяща стайна температура. Например, задавате определена температура с помощта на термостат, при достигане на която системата ще я поддържа на това ниво, предотвратявайки прегряване или охлаждане на охлаждащата течност.


Как да изберем правилния 3-пътен клапан
Ключовият параметър на всеки трипътен клапан е пропускателната способност, т.е. обема вода, който устройството може да премине през себе си за единица време. Когато избирате устройство, този параметър трябва да бъде съотнесен към работата на котела.


Тук трябва да се вземе предвид още един нюанс. Дори ако диаметърът на входовете и изходите на клапаните изглежда подходящ по размер, това по никакъв начин не показва действителния капацитет на устройството. Този параметър се определя изцяло от вътрешния разрез на отворите, които в зависимост от дизайна се затварят с топка или регулираща глава.
При някои модели размерите на този отвор могат да бъдат 4 пъти по-малки от входния диаметър. За да не се объркате и да не се сблъскате с необходимостта от преработка на скъп блок, трябва внимателно да проучите придружаващата документация, преди да купите.
Друг важен параметър на устройството е напречното сечение. В идеалния случай клапанът трябва да отговаря точно на размерите на тръбите на отоплителната система. Ако не може да се постигне точно съвпадение, ще трябва да закупите адаптери.
Освен това трябва да обърнете внимание на следните нюанси:
- Не забравяйте да проверите наличността на придружаваща документация: гаранционни талони, инструкции за инсталиране и експлоатация, сертификати и лицензи.
- Когато избирате материал, трябва да отдадете предпочитание на месинг или бронз. Именно тези метали се комбинират най-добре с горещи течности и освен това имат ниско ниво на топлинно разширение. Можете да различите продуктите от цветни метали по тегло - те са много по-тежки от евтините „щампования“, изработени от пресовани прахообразни материали, които нямат необходимото ниво на якост.
Що се отнася до конкретни модели, на пазара можете да намерите продукти на няколко компании, които отдавна са се утвърдили като надеждни производители:
- Есбе... Шведска компания, чиито продукти се отличават с надеждност, добро представяне и привлекателен външен вид.Гаранционният срок е най-малко 5 години.
- Valtec... Съвместно руско-италианско предприятие, произвеждащо термо-смесителни клапани, които съчетават достъпна цена и добри технически характеристики. Цялата гама от устройства е гарантирана за 7 години.
- Скъпа... Американски производител, който постави на преден план лекотата на инсталиране на произведените продукти. Трипътните клапани от тази марка имат поразителен дизайн, висока надеждност, но не по-малко висока цена.
Препоръчваме ви да се запознаете с: Как да изберем месингов водосгъваем сферичен кран
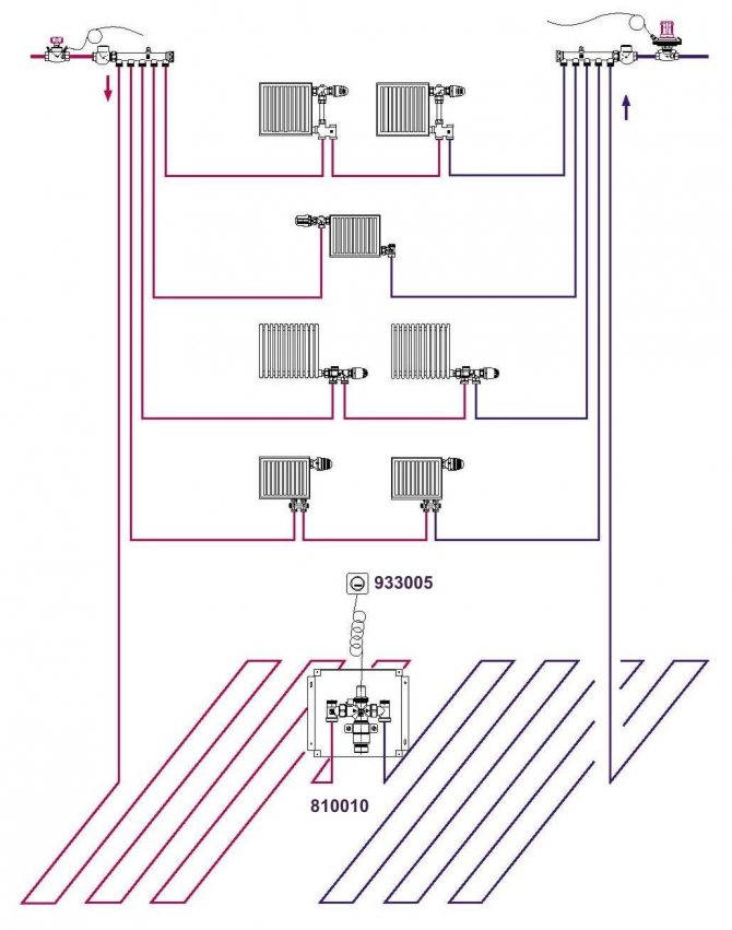
Видове колектори и техните характеристики
Работата от тип No1 се основава на трипътен клапан за топъл под, чиято задача е да комбинира нов източник на топлина от отоплителен котел с отработен охладен.
Дроселите са оборудвани със серво задвижване, чрез което се управляват термостатът и датчиците за времето. Този тип е най-оптималният, но в същото време има някои недостатъци.
На първо място, бих искал да подчертая ситуацията, когато клапанът, след уведомяване за термостата, може да се отвори напълно и да пусне голямо количество гореща течност в тръбопровода, чиято температура варира в рамките на 90 градуса.
Рязък скок в източника на топлина може да причини разрушаване на охлаждащата течност, тъй като налягането в нея става твърде високо. Друг недостатък на този метод на регулиране е високата производителност. Това е предизвикателство, защото всяка промяна в настройката на температурата може да повлияе на отоплението на пода.


Дори да има недостатъци, скритото отопление с устройство от този тип се счита за незаменим помощник в отоплението на помещения с голяма площ.
Изглед № 2 е оборудван с двупосочен контролен клапан. За разлика от предишната версия, комбинацията от източник на топлина не се извършва при уведомяване на термостата, а в постоянен режим, който предотвратява риска от повишаване на зададения температурен режим на пода.
Освен това термостатичният двупосочен клапан има малък капацитет на потока, което позволява равномерно и стабилно регулиране на температурните условия. Но в същото време експертите не съветват да се инсталират невидими отоплителни устройства, оборудвани с такава система, в помещения, по-големи от 200 m2.
Два вида термостатичен клапан по посока на потока
Един от тях се избира въз основа на лекотата на инсталиране в определена схема и от вида на инсталацията.
- Първият тип е Т-образна схема... В него изходящият поток изтича от средата, а топлата и студената вода навлизат в противоположни посоки. Тази схема се нарича още симетрична.
- Втори тип - L-образна схема, асиметрични. Тук се подава топла вода отстрани, студена вода - отдолу, а смесеният поток, съответно, от противоположния канал към входа за гореща вода.
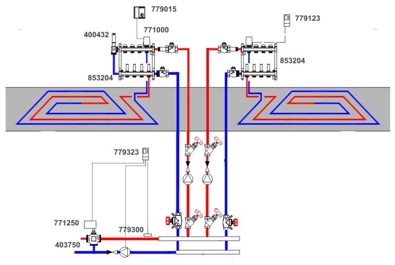
Колектор разпределителна единица
Колекторът е една от важните части на отоплителната система, която отговаря за регулирането на режима на нагревателния елемент. Основната задача на това устройство е да разпределя източника на топлина по тръбопровода.
И за да получите пълноценна и продуктивна работа на колектора, трябва да го оборудвате с термични клапани и разходомер. Ако прибегнете до помощта на специалисти, които сами монтират смесителния блок за подово отопление valtec, те ще изберат всички необходими аксесоари за монтаж на колекторния блок.
Инсталационни стъпки
Всички мерки за свързване на такова устройство трябва да се извършват от специалисти. В допълнение, много фирми, които продават смесителни устройства и системи за подово отопление, както и смес за подова подова замазка в Москва, предлагат своите услуги за монтаж, като дават дълга гаранция.
Но ако решите сами да свържете смесително подово отопление или просто се интересувате как да го свържете правилно, тогава нашата информация ще бъде полезна.


И така, всички дейности са разделени на 5 етапа:
- Идентифицира се мястото за колектора и се доставят захранващите и връщащите тръби.
- Вентилите и колекторът за подово отопление са свързани, след което се извършва подготовка за инсталиране на веригата.
- Всички свързващи датчици за температура и налягане са инсталирани.
- След това смесителният блок за подово отопление се настройва със собствените ни ръце и се извършват няколко тестови старта, за да се провери правилната работа на устройството и цялата система.
- Системата е тествана за херметичност. При липса на течове и правилна работа инсталацията се счита за завършена.
Процес на инсталиране
Монтажът на клапана се състои в свързването му към правилните тръбопроводи. Преди да се свържете, е необходимо още веднъж да се уверите, че връзката е правилна и че няма грешки.
За връзки устройството има външна или вътрешна резба, върху която се завинтва съединителна гайка (или съответния фитинг) на тръбопровода. Първо е необходимо нишката да се навие с уплътнителен материал - FUM лента, естествени или други материали.
Когато свързвате, използвайте стандартните уплътнения, доставени с продукта, или използвайте отделно закупени уплътнения с необходимата дебелина и диаметър, закупени от магазина. Всички връзки трябва да са доста плътни, за да се избегнат течове, без изкривявания на конеца.
Внимание! Условията на работа на устройството са доста трудни, плътността на резбовите връзки може да бъде отслабена от високи температури, поради което трябва да се отнасяте отговорно към връзката на клапана.
Схеми за полагане на топъл под с вода
На първо място, трябва да запомните, че равномерността на разпределението на топлината в помещението зависи от начина на полагане на топъл под с вода. Това е така, защото водата, преминаваща през тръбите, постепенно се охлажда. Следователно трябва да започнете инсталацията от стените, като се движите по модела на полагане до центъра или изхода.


Схемата за полагане на "змия" води тръбата първо по периметъра на външните стени, след това от една от стените се връща във вълнообразна линия.
Моделът за полагане на "охлюв" постоянно върви по периметъра на стаята, като се стеснява към центъра с всеки нов кръг (трябва да прокарате тръбата през един ред, за да оставите място за обратния ход). Комбинираната инсталационна схема включва и двете по-горе. Например, половината от стаята може да бъде положена със "змия", половината - с "охлюв".















