Организацията на индивидуалното снабдяване с газ дава много предимства на собственика на частна къща, премахвайки зависимостта му от централните комуникации. Освен това много региони на страната и до днес нямат пълно покритие с основна газификация. В този случай остава да се помисли върху методите и средствата за съхранение на взривно вещество и следователно изискващо гориво. Най-рационалното и финансово изгодно решение е резервоар за газ. Какво е? Това е просторен резервоар, който може да съхранява впечатляващ запас от газ, достатъчен за дългосрочна поддръжка на къщата.

Назначаване на оборудване
Газодържателят се използва като източник на газообразни вещества. От една страна, той действа като складово съоръжение, а от друга, като контейнер, от който се осигурява гориво за снабдяване на целевото оборудване. Най-често срещаните инсталации за отоплителни системи. За тези цели по-често се използват газови котли и бойлерни резервоари, както и кухненски печки. Средства за доставка са тръбопроводи и съседни комуникации с водопроводни инсталации. В същото време газът за газодържателя може да бъде различен, но за битови цели по-често се използват бутан и пропан.
Принципът на работа и монтаж на системата за държач на газ
Газодържателят е резервоар за съхранение на втечнен нефтен газ (съкратено като LPG), който в резултат на изпарението се подава в къщата по газопровод. Съвременните газодържатели имат специално разпределително оборудване, което регулира подаването на газ и контролира количеството му в резервоара. Управлението се извършва в автоматичен режим, но при необходимост подаването на газ може да бъде изключено ръчно.


Автономно газоснабдяване на къщата с помощта на резервоар за газ
Такива съоръжения за съхранение на газ могат да бъдат разположени над земята или под земята. За селските къщи втората опция е най-оптималната, тъй като ви позволява да спестите свободно пространство в прилежащата територия. Освен това разположението на резервоара под нивото на замръзване на земята допринася за създаването на правилните условия на работа, които няма да зависят от околната температура.
Подземното местоположение предполага използването на специална бетонна плоча, която се поставя на дъното на ямата и служи като основа за резервоара за газ. В процеса на полагане на тръбопровода от газохранилището до къщата се препоръчва използването на кондензатен колектор, който събира влагата, която може да се съдържа във фазата на парата по време на интензивна работа на газовия котел.
Размерът на ямата зависи от капацитета на използвания резервоар. Статия за обема на резервоар за газ за селска къща разказва по-подробно за съществуващите размери, където можете също да разберете оптималните размери и цената на различните опции.


Ето как изглежда резервоарът за газ, монтиран в ямата.
Устройство за оборудване
Традиционният дизайн е контейнер от едно парче, чиято горна част осигурява само един технологичен отвор - гърлото. Колкото по-висока е тя, толкова по-ефективна е защитата на основната част от климатичните влияния. През гърлото горивната смес се пълни и се взима от контейнера. Характеристиките на устройството включват материалите, използвани за газодържателя. Какво представлява от техническа гледна точка? Конструкцията на домакинските модели е направена предимно от стомана с редки включвания от гумирани материали, които осигуряват достатъчна степен на херметичност.Битовите резервоари за газ се базират главно на нисколегирани стоманени сплави 17G1S и 09G2S. Външните страни са задължително обработени с антикорозионни съединения, изработени от полиуретанови вещества, битум и епоксидни смеси.


Работните процеси и управлението на оборудването се извършват чрез спирателни и регулиращи клапани. Съставът му може да варира, но дори и най-простият газов резервоар за дома ще включва предпазни и пълнещи клапани, сензори за ниво на пълнене, регулиращ редуктор и др Скъпите модели предвиждат наличието на автоматика с високо прецизни манометри и програмиран контрол.
Системна поддръжка
Корабите, които са постоянно и работят под налягане, в съответствие с федералните норми и изисквания в областта на индустриалната безопасност, трябва да преминат технически преглед със следната честота:
- Външни и вътрешни прегледи - на всеки 4 години;
- Контрол на акустичните емисии на кораба - веднъж на 8 години.
Предпазният предпазен клапан трябва да се провери, както следва: за кратко трябва да го отворите принудително. Това действие трябва да се извършва поне веднъж месечно или както е записано в инструкциите на производителя, ако клапанът не е предвиден да бъде подложен.
Тези. обслужването и поддръжката на клапаните трябва да се извършват от специалисти на интервали - веднъж годишно.


Не обслужвайте системата сами! Обадете се на специалисти.
За максимална ефективност на системата за държане на газ, основният критерий е използването на висококачествен пропан-бутан. Ето защо при зареждане с гориво е препоръчително да използвате услугите на специализирани организации, които не само ще осигурят добри суровини, но и ще могат да проверяват всички устройства за работоспособност. Повече информация по тази тема можете да намерите в статията: пълнене на резервоара за газ с газ - основните характеристики.
Предпазни мерки
- Резервоарът трябва да се намира най-малко на 5 метра от жилищната сграда.
- Пълненето се извършва при 85% от общия брой.
- Задължителна периодична поддръжка на оборудването.
- Доставката, зареждането с гориво и поддръжката трябва да се извършват от компания, лицензирана от Федералната служба за екологичен, технологичен и ядрен надзор.
За да избегнете непредвидени ситуации с вашата система за задържане на газ, свържете се с компанията Promtehgaz, която ще осигури доставката на висококачествен газ и ще извърши необходимата поддръжка за безпроблемната работа на газовото оборудване.
Характеристики на резервоара
Основните технически и експлоатационни характеристики включват дебелина на стената, работна температура, поддържано налягане и обем. Обикновено при производството се използва стоманена ламарина с дебелина 7-10 мм. Трябва да се има предвид, че моделите от европейския стандарт могат да имат по-ниски показатели - около 5-6 мм. Но тънките стени не са предназначени за съхранение на битови газови смеси. За резервоар за газ в руските региони е по-вероятно втечненият пропан-бутан да се използва без специална обработка, поради което изискванията за надеждност на конструкцията се увеличават. Температурният диапазон зависи и от региона на употреба. По правило производителите предлагат заграждения с устойчиви на замръзване покрития, оценени за –40 ° C.
По отношение на обема и налягането тези показатели са взаимосвързани. За домашна употреба се препоръчва закупуване на резервоар с възможност за коригиране на налягането до 16 атм. Обемът на газодържателя ще бъде 2000-5000 литра. Съществуват и домакински модели с вместимост над 10 000 литра, но поради своите размери такива съоръжения за съхранение на газ рядко се използват.
Устройство
Газодържателят може да бъде направен от стомана или стоманобетон. Според принципа на съхранението на газ, всички газодържатели са разделени на резервоари с постоянен и променлив обем. Съд с променлив обем съдържа вертикален цилиндър с вода вътре, в долната част на който има камбана. Тъй като газът намалява от контейнера, камбаната в цилиндъра се спуска, като по този начин създава постоянно налягане, необходимо за захранване на цялата газова система.
По-рано такива държачи на газ бяха използвани не толкова за дългосрочно снабдяване с газ, колкото за поддържане на постоянно налягане. Сега те постепенно излизат от употреба, но някои продължават да работят в големи предприятия. Например резервоар за газ с променлив обем все още е в експлоатация в местното химическо предприятие Kazanorgsintez, както и в канала Obvodny в Санкт Петербург.
За разлика от гореописаните резервоари за газ, които съдържаха газ с налягане малко по-високо от атмосферното налягане, съвременните съоръжения за съхранение на газ с постоянен обем могат да издържат на налягане до 18 атмосфери. Съвременните технологии правят възможно създаването на здрави сплави, които могат да издържат на огромни натоварвания, околната среда на втечнения пропан, както и да контролират напълно налягането на газа. Всички съвременни резервоари за газ имат постоянен обем.
Разновидности на дизайна


Резервоарите могат да бъдат монтирани хоризонтално или вертикално. Методът на подреждане определя характеристиките на структурата на делото. Разликата е, че вертикалните модели заемат по-малко място, но имат по-високи изисквания за безопасност. Ако на мястото има високо ниво на подпочвени води, тогава е по-добре да се използва хоризонтална структура на резервоара за газ. Отзивите отбелязват, че в този случай не се изисква дълбоко изкопаване и рискът от наводнение на оборудването ще бъде сведен до минимум. Но от друга страна, голяма площ за съхранение ще трябва да бъде разчистена.
Разграничаване между структурите и вида на появата. Тази класификация се отнася и за хоризонтални модели, които могат да бъдат напълно потопени в земята или инсталирани на повърхността. Освен това разликите в подходите засягат както ергономичността на управлението, така и нюансите на поддръжката - достатъчно е да се отбележат спецификите на техническата поддръжка за подземен резервоар за газ. Какво е на практика? Това е оборудване, което веднъж годишно или няколко години ще трябва да се изкопава и проверява за широк спектър от технически и физически параметри - от херметичността до качеството на защитните покрития. И в това отношение наземните модели са много по-привлекателни по отношение на разходите за поддръжка и лекота на управление.
Газов държач за селска къща
Къща за краткосрочен престой, оборудвана с печка за готвене на газ и бойлер, не се нуждае от големи резервоари за газ. В такива случаи газификацията на селска къща може да се осъществи въз основа на една от следните опции:
- Битови газови бутилки от 27 или 50 литра, инсталирани директно в кухнята или съседното офис пространство. Тази опция е най-евтината, всеки потребител може да се справи със свързването на такива цилиндри, но в същото време не може да се нарече най-безопасната поради липсата на предпазни устройства и възможните последици от изтичане на контейнера или неговите съединения с други елементи .
- Мобилни газови резервоари с обем до 600 литра. Удобството на такива контейнери за пропан-бутан се крие във възможността за транспортиране с личен автомобил, малко заето пространство и достатъчно висока експлоатационна безопасност. Пристигайки в дачата, носите със себе си мобилен резервоар за газ, свързвате го с газоснабдителната система за 10 минути и не изпитвате и най-малко неудобство при извикване на бензиностанция за втечнен нефтен газ при разработването на бутилки.
- Наземен газодържател 500-600 литри... Действителен обем газодържател в 500 ли, разбира се, 600-литровият резервоар за газ, предлаган от AsGaz, осигурява нуждите от газ за сезона, като същевременно не заема много място и е доста надеждна опция за резервоар за съхранение на пропан-бутан.
- Резервоар за газ за 1000 литра, или наземен резервоар за газ от 800 литра, което е най-разумното решение за закупуване, ако освен изброените потребители на газ, в страната има и отоплителен котел. По желание на клиента може да се монтира резервоар за газ от 1 куб както над земята, така и под земята.
- Мини бензиновите резервоари от 1400 литра ще осигурят топлина и комфорт на голяма лятна вила през целия месец или малка през целия сезон на пребиваване. Припомняме, че по време на целогодишна експлоатация такъв контейнер трябва да се зарежда два пъти годишно - със зимно и лятно гориво. Това е необходима стъпка за удобното и безопасно използване на резервоар за съхранение на газ в близост до жилищни сгради.
Малък резервоар за газ преди 1 м3 - решения за газификация на селска къща и селски къщи с временно пребиваване.
Ако има нужда от постоянно пребиваване в дачата или в случай на целогодишни консуматори на топлина (например голяма оранжерия), газификацията на дачата трябва да се извърши с резервоари от 2,5 кубически метра и повече.
Всяко подобно резервоар за газ до дачата, чиято цена за различни опции е представена в съответния раздел на нашия уебсайт, изисква освен покупката на самия резервоар и определени разходи за неговото инсталиране.
Тези разходи включват разходите за скоростна кутия, спирателни и регулиращи клапани, полагане на газопровод от резервоара за пропан-бутан до стените на съоръжението и редица други разходи.
Можете да поръчате бензинов резервоар за лятна резиденция или да зададете всеки въпрос, който ви интересува, като се свържете с нас на телефон 8 (495) 943-87-84 или като попълните формуляра
Инсталиране на резервоар за газ


Независимо от метода на поставяне, конструкцията ще изисква поддържаща платформа. Това ще бъде един вид основа, която може да бъде направена като замазка или да се използват стоманобетонни плочки с дебелина 15-20 см. На тази платформа, с подкрепата на специално оборудване, резервоарът е монтиран чрез заваряване върху метални стелажи. Алтернативно, инсталирането на газодържателя може да се извърши без задържащи устройства върху изолирана композитна подложка, която е специално подбрана за размера на конкретен контейнер. Това решение е изгодно, тъй като не изисква отрязване на металните стелажи по време на демонтирането. След това се извършват водопроводни операции под формата на полагане на тръбопровод и инсталиране на кондензатоуловител. На последния етап в частта на гърлото е монтиран контролен клапан.
Правила за инсталиране
Процесът на инсталиране на това сложно оборудване е както следва:
- Избор на място за инсталиране на резервоара (най-малко на пет метра от мястото, където живеят хората);
- Работниците копаят яма, която може да побере обемист цилиндър. Дълбочината на ямата трябва да бъде такава, че контейнерът да се намира под зоната на замръзване (на повече от половин метър от земята). Така ще бъде възможно да се постигне по-удобна работа през зимата;
- След като ямата е готова, трябва да подготвите основата й за монтажа на конструкцията. Дъното на ямата се изравнява и след това бетонира;
- Резервоарът е монтиран върху бетонна основа и е прикрепен към него с метални кабели;
- След това се монтират тръби от резервоара за газ до жилищните помещения. По правило колекторът за кондензат е монтиран паралелно;
- Тестване на работата на системата при различни натоварвания;
- Ако предишният етап е успешно завършен, ямата е покрита с пясък;
- Абсолютно всички манипулации трябва да бъдат отразени в проектната документация.
Цялата работа може да се извърши както по време на строителството на къщата, така и след завършване на строителството.
Резервоар за съхранение на природен газинсталиран на територията на частна къща се нарича резервоар за газ. Не всички обаче знаят, че това е основното значение на термина. В края на краищата има добре познат хип-хоп лейбъл, който е събрал под покрива си най-доброто от най-добрите в руския рап.
Как се извършва зареждането на бензиновия резервоар?
Запасите от гориво се попълват средно веднъж на 2-3 години. Освен това тази услуга трябва да бъде поръчана, когато нивото на остатъчен газ в резервоара е около 20-25%. Зареждането с гориво се извършва директно от специални машини, снабдени с маркучи с дължина 30-40 м. Целият процес се състои от следните етапи:
- Изчистване на зоната около оборудването и подготовка на гърлото.
- Проверка на данните на измервателното оборудване, показващи точното ниво на пълнене.
- Свързване на дюзите на резервоара към маркуча на специалното оборудване.
- Нулиране на броячите на измервателната автоматика.
- Доставка на гориво и зареждане на резервоара за газ с поддръжка на помпи или компресорен агрегат.
- Премахване на остатъците от газ чрез издухване на сгъстен въздух през каналите.
- Демонтаж на свързаното оборудване.
С течение на времето цялата процедура отнема средно от 30 до 60 минути. Това зависи от технологията за впръскване на гориво и капацитета на резервоара за газ. Отзивите от собствениците на оборудване отбелязват, че е по-евтино да поръчате големи обеми в една поръчка. Например пълненето на 30% ще струва около 20-22 рубли. на 1 литър и 70% - съответно 15-17 рубли.
Сортове газодържател
Газовите резервоари могат да бъдат класифицирани според няколко критерия, като най-популярните класификации са дадени по-долу.
Класификация на резервоарите за газ по обем
В тази класификация има само два типа.
- Бензинови резервоари с променлив обем. В такава структура газът се съхранява под налягане, близко до атмосферното. Обемът на резервоара варира в зависимост от обема на газа.
- Газови резервоари с постоянен обем. В такива резервоари газът се съхранява при налягане, различно от околното налягане, достига 1,8 МРа.
Класификация на резервоарите за газ по материал на производство
В тази класификация си струва да се подчертаят трите най-популярни материала, използвани за производството на съоръжения за съхранение на газ.
Класификация на сайта
В тази категория има два вида резервоари.
- Индустриални резервоари.
- Домакински резервоари.
Битовите резервоари за газ също могат да бъдат разделени на няколко вида.
- Мобилен резервоар за газ. Такъв резервоар не е неподвижен и при желание може да бъде преместен на всяко желано място. По правило такива газови резервоари рядко се правят на ръка. Най-често те се купуват готови. Те представляват цев на колела.
- Мини държач за газ. Такъв резервоар е голяма газова бутилка, чийто обем е 480 литра, което се равнява на 10 обикновени домакински резервоара, познати на всички нас. Мини-държачът на газ е удобен с това, че не изисква много често зареждане с гориво. Като правило, когато е свързан с газова печка, резервите от нея са достатъчни за 1-2 години.
Производители и цени


На пазара на инженерно оборудване резервоарите за газ се представят в различни сегменти, включително бюджетния клас, средната група и премиум категорията. Най-изявените производители са Spetsgaz, Real Invest, Chemet, Calor, VPS и Kadatec. Първите две компании представляват местни предприятия, докато останалите представляват Полша и Чехия. Както вече беше отбелязано, руските продукти са за предпочитане поради тяхната адаптация към целевия регион на употреба, но европейските фирми произвеждат модели според по-строги стандарти за качество. Въпросът за цената може да помогне за решаването на проблема с избора - колко струва резервоар за газ? Руските модели за 2000-2 500 литра се оценяват на 130-150 хиляди рубли. Вносните продукти от подобно ниво се предлагат за 170-200 хиляди.
Инсталиране на стоманен резервоар
По правило инсталирането на резервоар за газ много рядко се извършва на ръка. Причината за това е много проста: инсталирането на резервоара за газ трябва да се извършва от специалисти, в противен случай ще бъде много трудно да се получат съответните разрешения за неговата експлоатация. Но ако сте сигурни, че сте в състояние да уредите всички бюрократични въпроси, по-долу има подробни инструкции как да инсталирате резервоар за газ и да положите автономна газификация на частна къща.
Схема за монтаж на резервоара за газ
- Първата стъпка е да изберете мястото на инсталацията на газодържателя. Трябва да се има предвид, че такива конструкции не могат да бъдат инсталирани в непосредствена близост до къщата. Единственото изключение е мини-държачът на газ.
- След като сте решили мястото, където ще започне автономната газификация на частна къща или вила, на това място трябва да направите надценка, която да съответства на размера на бъдещия резервоар.
- Следващата стъпка в самоизработената газификация на селска къща е изкопаване на яма и полагане на комуникационни тръби.
- След като ямата е готова, е необходимо да се пристъпи директно към монтажа на резервоара за газ. В никакъв случай не трябва да се монтира на дъното на готовата яма. От контакт със земята, корозията на конструкцията ще възникне много по-бързо, отколкото би трябвало. Ето защо, когато инсталирате резервоар за газ със собствените си ръце за къща, в дъното на изкопа трябва да се полага стоманобетонна плоча или тя да се бетонира. Но първата опция е много по-евтина и по-малко караница.
- Спускаме резервоара върху печката.
- От резервоара по предварително подготвен изкоп до къщата е монтирана тръба, през която газът ще тече в къщата към газовата печка, AGV и газовия бойлер. Преди тръбата да влезе в къщата е задължително да се монтира клапан, с помощта на който в случай на авария ще бъде възможно да се блокира достъпът на газ.
- Всички комуникации са готови. Следващата стъпка е запълване на фундаментната яма и изкопа. Горното отделение на газодържателя трябва да остане на повърхността, в противен случай няма да е възможно да се зарежда с гориво.
Газовият резервоар и комуникационната мрежа са готови. Сега можете да договаряте доставки на газ за вашия дом или вила. Газообразният състав, който можете да поръчате, може да бъде много разнообразен. Разликата между смесите се крие в цената, потреблението и енергийната ефективност.
Както можете да видите, инсталирането на автономна газификация за къща и лятна вила със собствените си ръце няма технически затруднения.
Изчисляване на параметрите на модела
Преди да вземете окончателното решение за закупуване на резервоар за газ, трябва да решите конкретните характеристики. За това на първо място се изчислява средният разход на газ. Ако преди това са били използвани бутилки, тогава средномесечният индикатор за техния обем се умножава по 12. Освен това площта на вила или къща е разделена на 10 (приблизителна мощност на котела в kW). Ако площта е 120 m2, тогава целевата котелна централа е 12 kW. Съответно трябва да изберете газов държач за къща с обем, способен да обслужва отоплителна единица с определения капацитет, като същевременно поддържате запас за няколко месеца или години предварително (например с консумация от 500 литра годишно) . Тук се изчислява и оптималната честота на пълнене на резервоара по отношение на финансовите спестявания и техническата осъществимост.
Вертикални и хоризонтални резервоари за газ
По отношение на формата тези устройства са разделени на два вида - вертикални и хоризонтални. Основното предимство на вертикалните резервоари за газ е относително малкият им размер. Въпреки това, поради местоположението им в земята на по-голяма дълбочина, те се нуждаят от допълнително отопление. Поддържането на оптимален температурен режим за вертикални единици е доста трудна задача, поради което този тип газодържатели не са широко разпространени. По-често се инсталират вертикални резервоари за газ. Те са по-големи, но ако изберете подземна инсталация, този недостатък губи своята актуалност.
Каква е разликата между бензиновите резервоари за Русия
Резервоарът за газ, предназначен за Русия, трябва да има гърло или тръби с височина най-малко 60 сантиметра. Това е необходимо, за да се монтира резервоарът за газ под дълбочината на замръзване на почвата, където температурата остава положителна дори през зимата.
Ако гърлото или тръбите са по-къси, фитингите (оборудване за контрол на газовия поток) в горната им част ще бъдат под нивото на земята. Това ще доведе до наводнение или подземни води.
И всъщност, и в друг случай, резултатът е един и същ - спирането на доставката на газ.
Много модели бензинови резервоари, разпространени в Русия, не вземат предвид този проблем.Те включват резервоарите за газ VPS и Deltagaz, произведени в Чешката република, и руските резервоари за газ Faskimmash. Когато се използват такива резервоари за газ, повредите са почти неизбежни.
Резервоарите за газ AvtonomGaz, произведени от полския завод Chemet, са проектирани специално за употреба в Русия и могат да бъдат монтирани на дълбочина 70 сантиметра. Те могат да издържат на всякакви слани и всякакви наводнения без повреди.
Кой стабилизатор на напрежение за дома е по-добър: рецензии на собствениците и рейтинги на модели
Днес на вътрешния пазар можете да закупите контейнери за втечнен газ от различни страни - Италия, Полша, България, Русия.
Две чуждестранни компании могат да бъдат отбелязани сред основните производители на вертикални резервоари за газ:
- Италианска фирма Антонио Мерлони;
- Българска фирма CITI GAS.
С общоприетите, но малко по-различни обеми, техните продукти се различават по цвета на контейнера и марката върху него.
Така например, италианските резервоари за газ са зелени, а сините газови резервоари на българската компания показват буквеното име на компанията - градски газ и обема (2700, 4800 и 6400 литра - основната линия на вертикалните резервоари за газ).
Продукти от различни марки са представени в съответния пазарен сегмент. За селска къща има вертикални и хоризонтални, големи и мини резервоари за газ. При сравняване на такива предложения, в допълнение към критериите, отбелязани по-горе, трябва да се обърне внимание и на други важни подробности:
- Като правило вносните контейнери се създават с помощта на тънки стоманени листове. Но в същото време се използва подобрено антикорозионно покритие.
- Вътрешните колеги са малко по-силни. Но те трябва да бъдат допълнително защитени от анодно-катодни вериги.
- Други стандарти на европейските фитинги (бензиностанции) могат да създадат трудности по време на работа. Необходимо е да се уверите, че избраната сервизна организация може да напълни бензодържач от определен модел със смес.
- В европейските страни зимите са по-меки, отколкото в Русия. Съответно има по-малко изисквания за изключително ниски температури. Необходимо е да се проверят паспортните данни, като се вземе предвид този фактор.
- Продуктите от тази категория на всеки производител трябва да бъдат сертифицирани съгласно действащото законодателство.
Прочетете повече: Приставка за гипсокартон за отвертка
Deltagaz
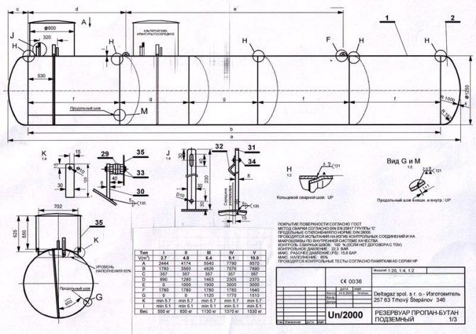
Газовите резервоари от тази марка са създадени в Чешката република. Това предприятие обаче е структурно подразделение на германската компания G.A.M. Холдинг. Поради тази причина някои продавачи посочват и двете страни в техните продуктови описания. Според статистическите данни Deltagaz (Deltagaz) заема водеща позиция в Европа. Собственият ни дизайнерски офис ви позволява бързо да разработвате и внедрявате модели, отчитайки настоящите изисквания на пазара.


Чертеж на стандартен резервоар за газ за селска къща на Deltagaz
Тестове за високо налягане от 22,3 бара се използват за проверка на заварени съединения. Граничните отклонения на техническите параметри се регулират от DIN 28005.
Кадатек
Тези резервоари за газ се произвеждат в Чешката република. Каталогът Kadatec съдържа контейнери със стандартни и увеличени гърла. Не е трудно да се избере продукт за монтаж на големи дълбочини, за да се осигури ефективно генериране на газ.
За да се увеличи здравината на конструкцията, дъното е направено от стоманен лист с дебелина 5,7 мм. Кладенецът е затворен с полимерно покритие, устойчиво на ниска температура. За защита, външната страна на контейнера е пясъкоструйна. След това се нанася слой (най-малко 1 mm) епоксидна смола. Целостта му се проверява с помощта на техники за неразрушаващо изпитване.


Газов резервоар Kadatec
Този капацитет е прост и рентабилен. При тази опция обаче е невъзможно да се извършват задължителни рутинни процедури с отстраняване на замърсители. Трябва да се отбележи, че в настоящия каталог на марката има продукти с деколте.
Този производител произвежда контейнери с добра защита от корозия, изработени от стоманени класове, устойчиви на външни влияния. При правилна инсталация и експлоатация експлоатационният живот на газовите резервоари VPS (Чехия) ще надхвърли 50 години. Надеждни немски фитинги (GOK) се използват като стандарт. В подходящия дизайн (с високо гърло) контейнерите могат да бъдат потопени в земята на дълбочина 0,8 м. Такава изолация осигурява продуктивно образуване на газ през зимата.


VPS стандартни параметри на продукта
Обърнете внимание на различните модификации за Европа и Русия (отбелязани със стрелка). Във втората версия гърлото е увеличено до 80 см. При подходяща дълбочина на монтаж е допустима безопасна работа до температура на въздуха от -40 ° C.
Чемет


Тези резервоари за газ за селска къща се произвеждат от полски производител. За да защитят стоманения корпус, специалистите на Chemet използват епоксидна смола. Прилага се с помощта на "горещи" технологии, за да се осигури еднаква структура, образуване на еднаква дебелина на слоя във всички области на повърхността.


Настоящата продуктова гама включва хоризонтални резервоари за газ с вместимост от 4850 до 9200 литра.
Сити-Газ


За руския пазар този български производител предлага серии, създадени според различни стандарти.
Композитната смола / епоксидно покритие осигурява добра защита от корозия. Каталогът City-Gas съдържа газови резервоари за селска къща с обем от 2700 до 10000 литра и тегло от 580 до 1790 кг.


Вътрешни продукти
На демократична цена руските резервоари за газ за селска къща имат добри потребителски характеристики:
- Стените са направени от стомана с дебелина 8 mm или повече.
- Височина на врата - най-малко 80 см.
- Общата дебелина на битумната изолация е от 6 мм.
- Пробивна фабрична гаранция за корозия - 20 години.
Всички стабилизатори на напрежение 220 V могат да бъдат разделени на 3 основни подгрупи - това са устройства до 5 kW, 5-10 kW и 10-15 kW. За тези подгрупи ще направим днешния ни малък рейтинг. Не би навредило да се запознаете с някои отзиви на собствениците на такова оборудване за един от моделите за преглед.
Нека си представим няколко модела с мощност 5 kW. Има и стабилизатори на напрежение 2 kW, но днес няма да говорим за тях.
| Снимка | Марка и модел | Диапазон на входното напрежение, V | Ефективност,% | Тегло, кг | Средна цена, руб. |
| SUNTEK SK1.2_RL5000 | 120-285 | 95 | 12 | 7500 |
| Калибър ASN- 5000/1 00000060752 | 140-265 | 90 | 13.8 | 8000 |
| RUCELF SDW.II-6000-L 00-00000470 | 110-275 | 98 | 15.5 | 12300 |
| Stavr SN-5000 | 140-260 | 98 | 10.7 | 5000 |
Такова оборудване най-често се използва като стабилизатор на напрежение за газов котел, но можете да свържете и малка селска къща към него, ако няма оборудване с висока консумация на енергия.


"Stavr SN-5000" е доста добър стабилизатор на напрежението
И все пак бих искал да кажа отделно за друг модел, който е аутсайдер, ако разчитаме на рецензии от мрежата.
Газов резервоар за вили до ключ: предимството на професионалното представяне
Трябва да поръчате резервоар за газ за частна къща до ключ само в специализирана компания, която има необходимия лиценз. Невъзможно е да инсталирате резервоар за газ със собствените си ръце - това е незаконно.
Различни обеми вертикални и хоризонтални резервоари за газ
За да инсталирате правилно резервоара за газ, първо трябва да извършите подготвителна работа. Всички размери на ямата и нейното местоположение спрямо сградата трябва да отговарят на нормите и изискванията за монтиране на резервоари за газ.
- Ямата трябва да бъде с 0,5 м по-голяма от размера на резервоара от всички страни.
- На дъното на ямата се полага бетонна плоча с приставки за краката на резервоара.
- Изкопът за магистрала не трябва да пречи или да се преплита с други комуникации.
- Дълбочината на изкопа на тръбопровода трябва да бъде най-малко 1,70 m, а наклонът към къщата трябва да бъде най-малко 5 °.
- Разстоянието до жилищната сграда от резервоара за газ е най-малко 10 m.
Доставка на резервоара за газ до обекта за монтаж
Работна поръчка
След приключване на подготвителната работа, складът се довежда до съоръжението, внимателно се отстранява от транспорта и се монтира върху бетонна възглавница. В този случай е много важно да не се повреди покритието на резервоара, за да се избегне впоследствие появата на ръжда. След като внимателно инсталирате хранилището на подготвеното място, е необходимо да го фиксирате сигурно, като завиете лапите с болтове. Това ще избегне възможно движение на резервоара по време на свиване на почвата. Инсталирането се изисква стриктно в хоризонтално положение.
Инсталиране на три малки подземни резервоара за газ наведнъж
След монтажа на резервоара за газ се извършва работа по изграждането на газопровода. Линията за подаване на газ се състои от стоманени тръби с антикорозионно покритие или от пластмасови тръби, чийто материал е полиетилен с ниско налягане. Тръбите се съединяват чрез заваряване и се полагат върху пясъчното легло на изкопа.
Ямата и изкопите първо се покриват с пясък, който е добре уплътнен. По цялата дължина на изкопа на газопровода се полага предупредителна лента, която ще предотврати повреда на тръбите при по-нататъшни изкопни работи. След това се използва мека почва, в която няма камъни и други твърди частици. Най-горният слой може да бъде покрит с плодородна почва, върху която впоследствие могат да се отглеждат цветя.
Независимо от типа, резервоарът за газ може напълно да задоволи нуждите от газ на частна къща. И ако не е възможно да се свържете с централизирано отопление, резервоарът за газ ще бъде добро решение. Освен това, въпреки всички разходи за инсталиране и закупуване на самия резервоар, това е по-изгодно от използването на електрическо отопление.
Прочетете по-късно
Ще изпратим материала по пощата
Ако решите да закупите мини държач за газ за стационарно инсталиране, тогава трябва да запомните за необходимостта от периодично зареждане с гориво. Тоест трябва да се инсталира на правилното място. Разположението на резервоара за газ върху парцела спрямо други обекти се регулира от нормите SNIP и SanPIN. Според тях инсталирането на резервоар за газ в страната трябва да бъде:
- от строителната площадка - на разстояние най-малко 8 метра;
- от периметъра на обекта - най-малко 2-3 метра;
- от основата на къщата - най-малко 10 метра;
- от комуникации (тръбопроводи, септична яма) - най-малко 4 m;
- от източника на прием на вода - най-малко 5 метра.
При избора на място, където ще бъде монтиран държач за мини газ за лятна резиденция, също така си струва да се помни, че дължината на маркуча за зареждане по правило не надвишава 24 метра. Полагането на газови комуникации може да се извършва само в подземния вариант и отгоре на този раздел, съответно маркиран с ленти "Внимание, газ!" не се допуска поставяне на каквито и да е конструкции или елементи на ландшафтен дизайн.
Газов резервоар за лятна вила до ключ може да се инсталира самостоятелно, но в този случай не може да става дума за някаква експлоатационна безопасност. Автономната газификация на селската къща, извършена изцяло от нашите квалифицирани служители за малко пари в рамките на един или два дни, ще ви осигури гарантирано спокойствие и комфорт при използването на газоснабдителната система на селската къща.
Прочетете следващото: Най-добрите изправени прахосмукачки 7 водещи в сегмента модели
Можете да получите квалифицирани отговори на всички въпроси, които може да имате относно газификацията на селска къща или други обекти от нашите мениджъри.
Често устройства с ниска мощност от този тип не изискват специална връзка - просто включете проводника на стабилизатора в контакта. Но по-мощното оборудване не предвижда такава инсталация. Тук е невъзможно да се дадат конкретни съвети, защото всеки модел има свои нюанси.Схемите за свързване на тези устройства винаги се съдържат в техническата документация.


Основното нещо в инсталацията е грижа и точност.
Ако имате нужда от обща идея за свързване на стабилизатор на напрежение, видео инструкция ще ви помогне с това.


Надяваме се, че представената днес информация е била полезна за вас. Ако скъпият читател все още има въпроси, ще се радваме да отговорим на тях в дискусиите за тази статия. А сега още едно видео, което може да ви помогне при избора на стабилизатор на напрежение 220 V за вашия дом.
В съответствие с изискванията на SNiP, инсталацията до ключ на резервоара за газ трябва да се извърши след одобрението на проекта за автономна газификация.
Автономната система за газоснабдяване с държач за газ трябва да премине през всички етапи: монтаж, изолация на монтирано оборудване, проверка на извършената работа, настройка и тестване на системата.
Подземна инсталация:
Първоначално се подготвя съответна яма за поставяне на резервоара. В дъното му се създава "въздушна възглавница" от пясък и чакъл, която се превръща в основа за монтажа на бетонна плоча. Също така е позволено да се излива бетонна замазка директно на място. Контейнерът е прикрепен с помощта на щифтове или стоманени кабели и специално проектирани метални талери. Входът на мазето на къщата и самата яма на фундамента са свързани с малък изкоп, предназначен за полагане на комуникации. На корпуса на държача на газ е монтиран кондензатен колектор, който е необходим за изхвърляне на остатъчно масло от газови компресори и остатъчна втечнена газова смес и други допълнителни агрегати. На последния етап, ефективността на цялата система се тества с помощта на компресора.
Пълнене на резервоар за газ
Нашата компания извършва доставка на втечнен газ и зареждане със смес от газодържатели за гарантирана непрекъсната работа на автономна газоснабдителна система за селски къщи.
Като правило промяната в цените на втечнения газ се случва сезонно през цялата година. Минималните цени за услуги за пълнене на газови резервоари се установяват през периода от март до септември. С настъпването на октомври и през цялата зима цената на газовата смес се увеличава. Ако обемът на резервоара е определен правилно, тогава е оптимално да се пълни веднъж годишно, като се избере най-благоприятното време за това.
| Регион | Цена за 1 литър газ, търкайте. (в зависимост от разстоянието от Московския околовръстен път) | |
| до 90 км от МКАД | над 90 км от МКАД | |
| Москва и Московска област | 18,00 рубли * | консултирайте се с мениджърите |
* Цената е посочена с включена доставка
Зареждането с гориво се извършва бързо (30–60 минути), скоростта се влияе от обема на резервоара за газ и производителността на помпата на автоцистерната. Ние предоставяме тези услуги с висококачествена гаранция за всички жители на Москва, Московска област и в други райони, които граничат с Московска област.
Днес много компании, когато купувачите на вертикален резервоар за газ се свържат с тях, предлагат да го монтират до ключ.
Това означава, че в допълнение към действителната доставка на капацитета на държателя на газ, доставчикът предлага цял набор от допълнителни услуги, включително следните точки, посочени в споразумението:
- инженер на фирмата оставя за проверка и измервания на обекта;
- доставят се контейнер за газ, оборудване за зареждане с гориво и елементи, свързани със системата за безопасност за използване на това оборудване;
- извършват се земни работи - изважда се яма / яма, монтира се бетонова или пясъчна основа;
- провеждане на газопровод (също подземен) - от резервоара за газ до къщата;
- инсталирани са регулатор на налягането и други измервателни уреди;
- извършва се закрепване-монтаж на цялата система;
- се съставя договор за гаранционно обслужване (по желание на клиента).
По този начин, като се вземе предвид горното, трябва да се отбележи, че придобиването на хоризонтален или вертикален тип резервоар за газ и инсталирането му е доста сериозна стъпка към комфортни условия на живот в частна къща.Ето защо, преди да го закупите, се препоръчва:
- проучване на потребителски отзиви в Интернет;
- потърсете съвет от специалисти, които ще ви кажат, въз основа на характеристиките на вашия дом (брой квадратни метра, степен на изолация, брой жители и т.н.), необходимия обем, модел и производител на газодържателя;
- при избора на продаваща фирма се ръководете от наличието на федерален лиценз за предоставяне на услуги за инсталиране на резервоари за газ и инсталиране на автономни системи за газификация.
Монтаж на стоманобетонен резервоар за газ
Автономната газификация с помощта на стоманобетонен резервоар за газ не е толкова популярна, колкото при използване на стоманен резервоар за съхранение на газ. Причините за това са няколко.
- По-сложна инсталация. Подреждането на стоманобетонно съхранение със собствените си ръце е изпълнено с рискове. Ако се направи най-малката грешка по време на инсталацията, тогава по време на работа газът ще може да се изпари през останалите микроотвори. Е, ако изтичането е незначително, тогава собственикът на резервоара ще понесе само материални загуби, свързани със загубата на газ. Но в случай на голям теч може да възникне извънредна ситуация, която да доведе до човешки жертви.
- Стоманобетонните държачи за газ, дори когато са инсталирани със собствени ръце, ще струват много повече пари, отколкото инсталирането на метален резервоар от екип от специалисти.
- Такива газодържатели заемат повече място от всеки друг тип резервоари. Това е изключително нерентабилно, ако личният парцел вече е малък.
Съществуват и редица субективни причини, поради които инсталирането на такъв резервоар е непрактично. Но дори тези три причини са достатъчни, за да помислим дали си струва да се ангажираме с инсталирането на такава конструкция.
Ако въпреки това решите да инсталирате такъв резервоар със собствените си ръце, направете го, като спазвате всички предпазни мерки и предпазни мерки. Инсталационните стъпки напълно съответстват на монтажа на метален резервоар за газ. Има само една съществена разлика в подреждането на автономната газификация: резервоарът за газ е изцяло направен с помощта на метална армировка и бетон.
Устройството и принципът на действие на стабилизатора на напрежението
Принципът на действие на резервоара за газ е съвсем прост: газът се изпомпва в резервоара и поради факта, че резервоарът не е напълно напълнен, в празното пространство на резервоара се образува въздушно-газова смес (пропан-бутан) съхранение. За да бъде процесът на естественото изпаряване ефективен, трябва да се спазват няколко правила:
- Не пълнете контейнера с втечнен газ повече от 85%.
- При инсталиране на резервоара е необходимо стриктно да се вземе предвид, че той не трябва да се охлажда под 0 °, следователно, ако е монтиран повърхностен резервоар за газ, той ще трябва да бъде изолиран.
- Ако се предполага, че площта на изпаряване ще бъде малка (например във вертикални контейнери), тогава е необходимо да се обмисли допълнителна изпарителна система.
Газовата смес навлиза в къщата по тръбопровод, както и по конвенционален тръбопровод. Пълненето на резервоара за газ се извършва от специалисти, работещи на машина с резервоар за пълнене. Самата процедура прилича на зареждане с кола на бензиностанция.
Структурата на такова оборудване може да се различава в зависимост от вида му. Но принципът на работа е идентичен за всички. Входящото входно напрежение се изглажда от различни възли, в резултат на което дори най-малките колебания в изхода изчезват, независимо от гръбначната мрежа.
Много съвременни стабилизатори имат и собствена вградена батерия, която позволява свързаното към нея оборудване да работи известно време при изключено напрежение. Най-често компютрите са свързани към такива компютри, за да могат да запазват информация от RAM. Такова оборудване се нарича UBS (непрекъсваемо мрежово устройство).


Но ако опростите всичко, такова оборудване ще изглежда така
След като разбрах най-общо как работи регулаторът на напрежението, има смисъл да разбера на какви параметри трябва да се обърне внимание, ако решите да закупите устройство за дома си? Нека се опитаме да го разберем.






















