Характеристики на плочата за разпределение на топлината

Плочите съхраняват топлината и я пренасят равномерно към подовата настилка
Не е необходимо енергийният носител в тръбите за подово отопление да се нагрява до високи температури, в сравнение с радиаторите, благодарение на използването на топлоотразяващи плочи. Алуминиевите или стоманените елементи са с проста структура и нямат ограничения за тяхното използване.
Продуктите от различни производители се различават по конфигурация, но цялостната структура остава същата:
- улукът с форма на омега преминава от началото до края и служи за монтиране на водопровода;
- изпъкнали ленти на маховиците осигуряват твърдост и компенсират термичното разширение.
Топлопроводящите елементи се вписват в подовата конструкция, така че жлебовете да съвпадат. По време на монтажа не се използва ножовка или метална ножица, тъй като плочите имат удобни прорези. Металът се отчупва на маркировките до необходимата дължина и се поставя в проектното положение.
Плочата е разделена на секции:
- 4 броя по 115 мм;
- 2 броя по 135 мм;
- 1 брой 270 мм.


Ако плочите са положени върху дървена основа, по-голямата част от топлината ще остане в стаята.
Монтирането на термоплочи директно в замазката е разрешено, но топлината ще слезе, за да загрее бетона. Полистиролова подложка с обърнат надолу фолио слой се поставя върху повърхността преди инсталирането на системата.
Топлообменниците работят ефективно, когато са монтирани върху изолационен материал като екструдиран пенополистирол или пяна. Това ограничава предаването на енергия на пода и загрява горното покритие на пода. Разширените полистиролови плоскости се използват марки FT 20/45 или FT 20 / 45L, плътността на пяната трябва да бъде най-малко 30 kg / m3. Каналите се изрязват в изолацията с помощта на нож за улуци.
Сух топъл под за рамкова конструкция
В рамкова къща подът трябва да бъде положен върху дървените греди на покритията. Правилно издигнатата конструкция винаги предполага разстояние между земята и подовете, благодарение на опорните пилоти. В такава стая подът трябва да бъде изолиран и, знаейки простите правила, можете да го направите сами. В крайна сметка студът и влагата могат да причинят плесен, гъбички и други патогенни микроорганизми в дървесните видове.


Когато създавате сух топъл под, допълнително се препоръчва да се използва топлоизолационен материал като основа
Работите по топлоизолация се извършват на етапи:
- Върху пилотите се поставят дървени греди, към тях се заковават малки решетки, след което се издигат припокривания от дъски;
- Отгоре се полага специална перфорирана хидроизолация, между дървените трупи също може да се постави минерална вата, експандирана глина, полистирол и други изолационни материали, основното е, че те са добре натъпкани;
- След това се прави дишащ слой от перфорирана мембрана за парна бариера;
- Следва слой от шперплат или ПДЧ, ако се планира по-нататъшно полагане на плочки, ламинат или друга настилка;
- Полага се „довършителният под“.
Свързана статия: Интериорни гипсови арки в апартамент
В процеса на работа не трябва да се забравя, че металните пилоти трябва да бъдат изолирани от дървените греди с помощта на покривен материал. Слоестата хидроизолация може да се извърши и от филмов материал с предварително изкопана яма и конструкцията на възглавница от различни пълнители.
Предназначение на плочите
Използва се метална термопластика, ако не е възможно да се направи традиционна замазка (сгради с дървени подове, стени от пяна блок и други). Понякога височината на таваните не позволява повдигане на основата до дебелината на топъл под. Датата на завършване на обекта влияе върху избора на замазка или метод за суха инсталация. Бетонът придобива якост за 28 дни, а системата с термопласти е готова за употреба след полагане на финишния слой.
Топлоотражателните конструкции са алтернатива на водния под на циментово-пясъчна основа. Лекотата на дизайна позволява елементите да се използват на всеки под, тъй като натоварването се увеличава незначително.
Водните тръби са плътно увити в метала в жлеба и загряват елемента. Алуминият и стоманата принадлежат към групата на ефективните топлопроводници, поради което те предават енергия на подовото покритие. Конвекцията под формата на потоци и струи напълно липсва, повърхността се загрява равномерно. Топлината се предава по-ефективно, ако страничните части на термоплочата са плътно прикрепени към основата и горния слой.
Как да направите топъл под без замазка под ламинат
Подът с водно отопление е най-търсен от електрическия, тъй като е по-достъпен по отношение на разходите си и освен това е независим от работата на мрежата. Най-добрият вариант е топъл под под ламината без замазка.
Можете да изберете като нагреватели:
- Кабелни постелки за сухо полагане;
- Система за подово отопление;
- Специален инфрачервен филм.
Моля, обърнете внимание, че всички видове нагреватели са сухи. Но тъй като ламинатът е не само изложен на влага, той също не понася бърза и интензивна топлина. В тази връзка са подходящи отоплителни системи с капацитет не повече от 130 W / m2.


Преди да започнете да правите топъл под без замазка, трябва да гледате видео за обучение
Но която и отоплителна система да бъде избрана, основният пай на слоевете винаги остава същият:
- Това е основата за изолацията;
- Изолационен материал;
- Метални плочи за разпределение на топлината;
- Отоплителни тръби;
- Довършително подово покритие.
В този случай той може да се основава на GVL - лист от гипсови влакна. Той е екологичен, издръжлив, има топло и звукоизолационни свойства.
Тръбите се избират от мед или полипропилен. Вариантът с полиетилен е най-приемлив, защото отговаря на много важни изисквания - устойчивост на външни влияния, издръжливост и достъпност
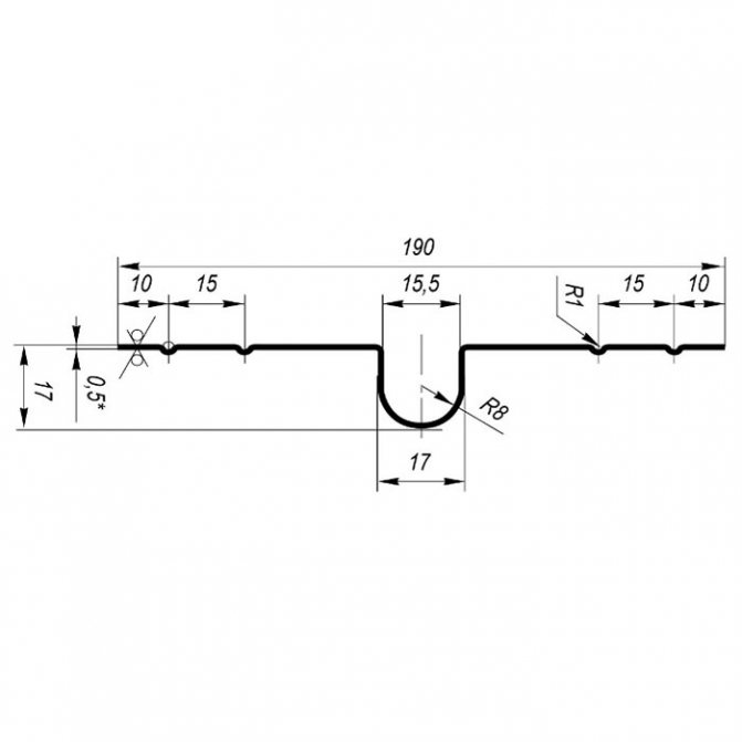
Спецификации


Размери на плочата за разпределение на топлина за пластмасови тръби с ширина 16 мм
За да се изчисли необходимото количество материал, се вземат 4 - 6 плочи на квадратен квадрат. В продуктовата гама няма въртящи се части. Това е така, защото разсейването на топлината в тези секции е незначително и цената на ъгловия детайл значително ще увеличи цената на системата. Тръбите са разположени по контура "змия" или "охлюв".
Индикатори на плочи за подово отопление:
- размерът на елемента е дълъг 1 m;
- ширина - 130 или 110 мм;
- жлебът е направен за тръба с диаметър 16 mm;
- един предмет тежи 500 g.
Общото тегло на топъл под с покритие се намалява с 5-7 пъти в сравнение с опцията за бетонна основа. Мощността на системата е от 50 до 200 W / m2, индикаторът варира в зависимост от вида на подовото покритие, монтажната стъпка на тръбата (не по-малко от 125 mm). Топлоотразяващите елементи пренасят до 94 - 95% от топлината.
Общи характеристики на плочите за разпределение на топлината
Топлообменните плочи са метален профил, който се използва при полагане на топъл воден под по сух метод, без циментова замазка. Плочите са профилирани и изработени от висококачествен алуминий или здрава стомана.
Външната структура на профила е доста примитивна и няма никакви особености или ограничения. Плочите за подово отопление се предлагат в различни размери и конфигурации, но общата им структура трябва да съответства на следните показатели:
- Омега-образна бразда. Тази ниша минава по дължината на целия профил и служи за полагане на водни подови топлоносители.
- Укрепващо ребро. Те вървят успоредно на омега-образната бразда и осигуряват механичната безопасност на плочите.
По този начин, наблюдавайки съвпадението на жлебовете и ребрата, се сглобява структурата на плочките за разпределение на топлината за нагрятия с вода под, който освен основата за топлопредаващите агенти действа като отличен източник на топлина за стаята.


Топлината се подава в следния ред. Каналът, плътно увит около тръбопровода, прехвърля входящата температура към повърхността на плочите. Металният профил от своя страна пренася входящата топлина към финишното покритие на помещението. По този начин, без изливане на бетонна замазка, се получава равномерно нагряване на подовото покритие, от което се отоплява самото помещение.
Предимства и недостатъци


Подово отопление без замазка е монтирано и се загрява по-бързо
Сухите подови настилки имат предимства пред традиционния монтаж на мокри тръби. Високата топлопроводимост на метала позволява повърхността да се нагрее за кратко време.
Положителни аспекти на използването на термопласти:
- броят на плочите и теглото на конструкцията могат лесно да бъдат изчислени независимо, тъй като стъпката и масата на плочите са известни;
- системата просто се вписва със собствените си ръце след съставяне на план за разположение на тръбите;
- натоварването на частите на пода е намалено в сравнение с мокрите версии;
- размерът на стаята не е значително намален на височина.
Недостатъкът е, че след изключване на котела, металните плочи се охлаждат незабавно, а бетонът поддържа топлина за известно време. Цената на термоелементите е висока, но с мокрия метод се закупуват и допълнителни материали и трудоемкостта на работата се увеличава.
Предимства и недостатъци
Използването на терморазпределителни плочи за подово отопление осигурява много практически предимства:
- високо ниво на производителност. Металният профил се характеризира с висока топлопроводимост, освен това модулът на плочата се загрява бързо;
- лекота на монтаж. За разлика от „мократа“ технология с бетонна замазка, при полагане със сух метод не се предвиждат трудоемки процеси: контурът на водната система не е трудно да се монтира в отразяващи топло субстрати от профилирани модули;
- скорост на въвеждане в експлоатация. След монтажа на конструкцията с плочи за разпределение на топлината за подово отопление и пробен старт се извършва окончателното подово покритие и системата е готова за употреба. В случай на полагане с изливане на бетон, според стандартите се изисква да изчакате до 30 дни, за да изсъхне напълно замазката, само тогава устройството може да бъде пуснато в експлоатация;
- малки размери. Подът с топла вода, базиран на плочи за разпределение на топлината, се търси при подреждането на апартаменти с нисък таван, тъй като помага за намаляване на височината на пайната структура. Бетонната замазка приема дебелина от 9-11 см, с използването на метален топлоотразяващ субстрат този показател се намалява 3 пъти;
- ниско тегло натоварване. При „мокрия“ метод на полагане се създава ефект върху припокриването с тегло над 100 кг на квадрата на повърхността. Моделът на водно отопляем под с разпределителни плочи осигурява натоварване от 10 кг на м2 под. Това е идеално оборудване за обзавеждане на дървени къщи и конструкции със слаби носещи конструкции.


Плочите за подово отопление имат редица предимства: високо ниво на производителност, лесна инсталация
Недостатъците на профилните плочи за топъл воден под включват следните точки:
- металните модули се охлаждат бързо след изключване на топлинния генератор. Бетонната замазка се загрява бавно, но е в състояние да натрупва топлинен потенциал и когато отоплителният кръг е изключен, той задържа топлинна енергия за относително дълго време;
- Цената на плоча за разпределение на топлина за водно топъл под се различава в по-голяма посока в сравнение с цената на бетонна замазка.
В същото време металната основа се загрява много по-бързо от бетонната основа, в резултат разходът на гориво се намалява средно с 20%.
Характеристики на подовия монтаж на водната верига


Под покритието на пода върху плочите се полага полистиролова подложка
Системата е монтирана на дървена или полистиролова основа с жлебове за разположението на изпъкналите жлебове от термопласти. Ламинат, килим, паркет или плочки се полагат върху влагоизолационен слой. За хидроизолация се използва полиетилен с плътност 200 микрона.
Лентите са разположени с припокриване от 10 - 15 см и закрепени с лепяща лента помежду си, периметърът е направен с амортисьорна лента, залепена към полиетилена и стената. Ако помещение с повишено образуване на пара, например баня, е допълнително поставено с пароизолационен слой или е избран материал с комбинирана защита срещу влага и пара.
Изолацията се извършва 2 пъти:
- по площта на припокриването преди полагане на изолацията;
- на повърхността на монтираната система от тръби и плочи.
В продажба има масивни плочи без канали за тръби, след това жлебовете се правят самостоятелно. Използван шперплат и парче тръба с диаметър 16 мм. В листа се прави жлеб, плочата се нанася върху шперплата и жлебът върху металния елемент се изтласква от тръбата. Ръбовете на термоплаката се изравняват с импровизирани средства.
Вместо клетъчна изолация, можете да поставите плочи между дървени блокове
Процедурата за сглобяване на топъл под:
- покритието се почиства от отломки и се изравнява с шпакловка или саморазливна смес;
- сложен е хидроизолационният слой;
- полагат се изолационни постелки;
- направени са канали и са монтирани плочи за разпределение на топлината;
- полагат се водопроводи;
- между каналите се поставя топлоизолация.
Вторият слой хидроизолация се монтира след проверка на работата на системата. Окончателното довършване на пода е направено.
Характеристики на дървени водни топлоизолирани подове


Торта за подово отопление с базалтова изолация и плочи за разпределение на топлината
Този тип е подреден в дървена къща или жилище с гредоред таван от естествен материал. Сухият метод включва стелажна или модулна система за подреждане. Първият тип се извършва с помощта на дъски или пръти, а във втория се използват готови блокове от влакнести плочи с готови канали.
Опорният слой с дебелина 20 мм е направен от дърво, чието съдържание на влага е не повече от 6-10%. Дъските от твърда дървесина трябва да бъдат широки 80 mm и дълги до 1200 mm.
Състав на конструкцията за подово отопление за дърво:
- основа със слой хидроизолация;
- дъски, модули или пръти, изложени в съответствие с плана;
- тръбопроводи с помощта на плочи;
- изолация от пара и влага;
- лист от гипсови влакна с дебелина 10 мм;
- подови настилки.
Дъските могат да се полагат в непрекъснат слой, но във всеки от тях трябва да направите жлеб за издатината на термоплочата. Този метод е трудоемък и скъп, тъй като дървото се обработва на машина и не винаги има условия у дома.
Друг вариант е дъските да са разположени с междина, която съответства по ширина и дължина на изпъкналия жлеб на плочата. Основната площ за подово отопление е изравнена хоризонтално, за да не се нарушава токът на носителя на енергия.
Основа за полагане на отоплителната система: полистиролни плоскости
В допълнение към панелите на дървена основа, панелите от полистирол могат да служат като основа за отопление.
Предимствата на тази технология са:
- Възможността за издигане на конструкция по всяко време на годината, поради липсата на висока влажност;
- Намаляване на продължителността на работа поради липсата на дълго изчакване за здравината на бетонната замазка, дори ако тя е полусуха;
- Непроменена схема на монтаж, доста лесна инсталация, независимо от материала на подовете.


Полистиролните дъски могат да бъдат закупени във всеки железарски магазин на достъпна цена
Характеристика на полистироловия материал е наличието на специални канали и шипове, позволяващи да се използва за всяка конфигурация на отоплително оборудване, включително за "змия", "охлюв" и други. Друго предимство на плочата е, че тя е оборудвана не само с жлеб, но и с ключалка, разположена в края, и това прави възможно избягването на шевовете при полагане.
Преди да извършите работа, трябва да изготвите точно оформление на отоплителната инсталация. Най-често срещаният тип тръби под формата на змия не може да се използва в помещения с голяма площ, в противен случай топлината няма да се разпредели равномерно, което заплашва с температурни разлики в различни части на помещението.
Когато височината на пода позволява, освен плочите се полага и обикновен полистирол или в основата се поставя пенофол - специална изолация със специален полимерен и фолио слой, с фолиото нагоре. Този метод ще осигури правилното отразяване на топлината в помещението, а също така ще действа като хидро и топлоизолационен материал. Вътрешният шум също ще бъде значително погълнат от този слой. Понякога полиуретановото пръскане се използва като добавка.
Свързана статия: Плюсове и минуси на нови сгради
Критерии за избор на плоча за разпределение на топлината


Ефективността на топъл под зависи от долната изолация и покривния слой.
Изборът на продукти се състои в изучаване на техническите характеристики и параметри. Смята се, че високата топлопроводимост на метала влияе върху ефективността на системата. Но степента на подово отопление зависи не само от материала на плочата. Високият топлинен капацитет има лош ефект върху контролното оборудване, тъй като скоростта на нагряване ще бъде висока.
Топлообменът се влияе от:
- системата за оформление и материалът на тръбата - пластмасата отделя енергия по-дълго от метала;
- вид по-ниска изолация и съответствие с технологията на нейното инсталиране;
- вид подово покритие - керамика, ламинат, загрява се по-бързо от линолеум или килим.


Пропуските в пода се търкат, така че парата да не прониква в плочите - това води до корозия
Погрешно е схващането, че плочите са горещи и не са корозирали. По време на работата на къщата, битовите пари проникват през довършителните покрития до основата и структурата на водния под. Кондензатът в нагрято състояние е по-разрушителен.
Обърнете внимание на наличието на антикорозионен слой на повърхността на отразяващата топлината плоча - тогава не можете да поставите слой хидроизолация при полагане на системата. Продавачът предоставя сертификат за качество от производителя, за да потвърди надеждността на продукта.
Изборът се влияе от функционалността на стаята. При полагане върху полиуретанова пяна в кухнята и банята стоманени плочи с антикорозионен слой ще свършат работа. Ако основата е бетонна подова плоча, медни или алуминиеви изделия ще работят по-добре.
Как да не направя грешен избор
Днес на пазара плочите за разпределение на топлина се представят в широк диапазон, като всички те се различават по материал, форма, производител и размер. Преди да изберете продукт обаче, би било полезно да знаете за най-често срещаните заблуди, свързани с такива продукти:
- Първото погрешно схващане е, че колкото по-голяма е топлопроводимостта на плоча за разпределение на топлина от алуминий или стомана, толкова по-висока е ефективността.В действителност обаче ефективността почти не се влияе от материала, от който е направена плочата. Системата за подово отопление във всеки случай затопля въздуха в стаята. Но много зависи от правилно подбрания топлоизолационен материал, който се намира под плочата за разпределение на топлината.
- Второто погрешно схващане - необходимо е продуктите за разпределение на топлина да имат висок топлинен капацитет. Но всъщност изобщо няма значение как плочата ще натрупва топлина, защото повърхността й постоянно се нагрява. Но от друга страна, високото ниво на топлинен капацитет силно влияе върху скоростта на нагряване, което не се превръща в плюс за съвременните топлинни вериги, оборудвани с регулатори.
- Третото погрешно схващане е, че продуктите не трябва да създават защита срещу корозия, тъй като повърхността им винаги е в нагрято състояние, следователно влагата не се страхува от нея. Това не е вярно. Влагата върху нагревателната плоча може да се появи от натрупването на кондензат или ако водата проникне през покривното покритие, а при високи температури корозията се появява много по-бързо. Така че, когато избирате термоплоча, трябва да помислите и за закупуване на влагоустойчиви съединения или за закупуване на материал с вече нанесено антикорозионно покритие.
Сега научихте какво представлява плочата за разпределение на топлината, какви предимства се различава и за какво служи. Инсталирането на такива елементи за подово отопление не е трудно и може да се извърши независимо за кратко време. Но как става инсталацията, ще научите от видеото, представено тук:
Обхват на употреба
Тръбната система с елементи за разпределение на топлината е подходяща за нови и обновени сгради. Плочите бързо се сглобяват и служат дълго време. Термичните разпределителни конструкции не създават проблеми в сгради с отслабени основи, тъй като придават незначително тегло на пода.
Мръсотията и прахът от използването на материали за бетонна замазка се елиминират и разходите за труд за монтиране на топъл под се намаляват, поради което сухото полагане се използва в работни офиси, търговски подове, работилници и жилищни сгради. Не е необходимо да затваряте компания или организация, за да инсталирате етаж в една стая.
Предимството на използването
Алуминиевите плочи за разпределение на топлината на подовото отопление повишават ефективността на отоплението. Използването им дава следните предимства:
- Позволява ви да оборудвате система за подово отопление директно върху дървени подове.
- Намалява консумацията на енергия, тъй като повърхността на нагрятата плоча бързо разпределя топлината по пода. Икономиите на отоплителната среда са до 20%.
- Когато подреждате водно топъл под, няма нужда да извършвате циментова замазка, което улеснява и ускорява работата.
- Топлината се разпределя равномерно по подовата повърхност, така че стаята винаги е с комфортна температура.
- Поради малката дебелина на продукта, височината на помещението няма да бъде засегната.
- Натоварването на пода е намалено.
- Скоростта на нагряване е няколко пъти по-висока от тази на системата за воден под, монтирана в бетонна замазка.







