Въпреки повсеместното разпространение на газопроводи, много населени места използват твърдо гориво през зимата за отопление на апартаменти и частни къщи. Традиционните селски печки, намерени във всеки дом, са заменени от нови котли, които осигуряват добър топлообмен и икономия на гориво.
За правилна употреба се препоръчва да се изучат инструкциите за котли на твърдо гориво, да се научат за нюансите на инсталирането, експлоатацията и последващата поддръжка.

Подготовка за работа
Котелът на твърдо гориво (TTK) е вид отоплително оборудване, което работи на дърва, въглища или пелети, осигурявайки отопление на помещенията. Независимо от избрания модел и принципите на неговото функциониране, има определени правила за инсталиране, необходими за съответствие.
Как да защитим помещенията и къде е по-добре да сложим
Към днешна дата няма конкретни изисквания за поставяне на конструкция в частна или жилищна сграда. Някои експерти препоръчват по време на инсталацията да вземат предвид правилата, посочени в SNiP в раздела "Инсталиране на котли". Информацията в документа обаче е по-вероятно да се отнася до мощни единици.
Силно се препоръчва да се вземат предвид следните изисквания при избора на място:
- всички тръби на отоплителната система трябва свободно да излизат от избраната стая и да бъдат разпределени в цялата къща или апартамент;
- стаята трябва да е добре проветрива и изолирана;
- забранено е инсталирането на модели в спални, особено в детски спални;
- допуска се монтаж в коридора, кухня;
- устройството трябва да бъде свободно достъпно от всяка страна;
- идеалният вариант е изграждането на отделно удължение от блокове от пяна;
- разрешено е инсталирането на котли в стопанска сграда или в отделно котелно помещение;
- конструкцията е монтирана по-близо до външната стена;
- пред устройството трябва да има поне 100 см свободно пространство, най-малко 60 см отзад и отстрани.
Ако се спазват препоръките, работата на устройството става по-лесна и безопасна.
Подготовката на помещенията е също толкова важна. Необходимо е предварително да се запълни бетонната основа за монтажа на ТТ, да се пробие дупка за комина и вентилацията. Стените в стаята трябва да бъдат защитени от огън. Можете да ги подрежете с тънки листа от метал, азбестоцимент или друг незапалим материал.
Ако стаята е украсена с дървени плочи, е позволено да не ги премахвате, а просто да ги защитите с метални листове. От всички страни на котела се изисква също така да се постави метал, стърчащ с 80 см. Това ще предотврати запалването на пода, когато частици от изгарящо гориво изхвърчат от котела. Ако в стаята ще бъде монтирано допълнително електрическо оборудване, е необходимо да се направи обща бетонна замазка на пода, за да се предпази от случаен пожар.


Как да направите вентилация
След като подготвите стаята и изберете мястото за инсталиране на нагревателя, можете да преминете към вентилационното оборудване. Използването на дърва или въглища включва образуването на голямо количество прах и дим, така че този етап не може да бъде изключен.
За безпрепятствен достъп на студен въздух и изтичане на горещ въздух е необходимо да се направят два прозореца с решетки. Ауспухът се намира в горната част на една от стените на помещението и е с малки размери. Захранващият прозорец е малко по-голям, разположен в долната част на съседна или противоположна стена.
Понякога вентилационният прозорец е монтиран над котела, което не се препоръчва.Пролука под вратата, водеща към дневните, може да действа като вход.


Правила за пожарна безопасност и околна среда
Котелното е организирано в съответствие със следните стандарти:
- Котелът е монтиран на капак, който е устойчив на открит пламък. Понякога се прави бетонна основа. Възможен е монтаж на дървен под, но е необходимо предварително изпълнение на възглавница от цимент и пясък, както и керамични плочки.
- Съгласно правилата за безопасност е забранено да се поставят резервоари в жилищен район, които са по-големи от определена норма, както и да се съхраняват лесно запалими предмети (петролните продукти и парцалите не са изключение).
- В промишлените котелни помещения е задължително инсталирането на алармена система и пожарогасителна система. Необходимо е да се инсталира сензор за концентрация на газ, който уведомява човек за наличието на натрупани пари в помещението на критично ниво, което може да доведе до експлозия.
Двуконтурните модули не само отопляват помещението, но и загряват вода за битови нужди.
Преди да започнете монтажа на котелното, е необходимо да се консултирате със служителите на Министерството на извънредните ситуации.
Сега по отношение на екологичните стандарти. Според GOST стандартите за емисии не трябва да бъдат по-високи от определени стойности. Документът изчислява максимално възможните емисии. За да се избегнат нарушения, експертите препоръчват "захранване" на котела само с горивото, което е разрешено от документите за котелно оборудване.
Разстоянието от дизелов котел от индустриален тип до сградата трябва да бъде 50-100 м. Зона за сигурност е от съществено значение, тя трябва да бъде оградена с желязна ограда. За да се намали разстоянието между котелното и къщите, е необходимо да се увеличи височината на комина.
Нормите за дизелово отопление на селска къща са много по-ниски. Като цяло, когато се използва за битови цели, е възможно да се използва дизелово гориво с всякакво качество.
Ефективността на котела за дизелово гориво, в зависимост от марката и конструктивните характеристики на модификацията, варира от 75 до 85%.
Схеми на свързване на котела
След подготвителната работа устройството е инсталирано. По-добре е да поверите работата на професионалисти по този въпрос или да се консултирате със специалист, преди да го направите сами.
Етапи на свързване на котела към системата
Монтажът на отоплително оборудване се извършва на няколко етапа. Експертите настоятелно препоръчват да следвате последователността, за да получите добър резултат.
Алгоритъмът на действия е следният:
- Подготовка на основата, върху която ще стои устройството.
- Защита на стени и тавани, монтаж на вентилационни прозорци за осигуряване на газообмен.
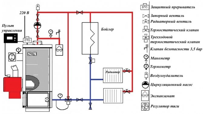
- Свързване на предпазни елементи и вкарване на тръби към радиатори. Схемата на свързване е индивидуална за всяка стая, разработва се от специалисти.
- Монтаж на комин и генератор, ако котелът изисква свързване към електрозахранващата система.
- Изпомпване на вода в системата, идентифициране на течове и неизправности.
- Проверка на положението на всички амортисьори на устройството и комина.
След това можете да започнете да полагате гориво и да разпалвате.


Земно притегляне
Гравитационната отоплителна система се счита за най-предпочитаната опция за модели с твърдо гориво, особено в частна къща. Той е лесен за инсталиране и не изисква никакви специални устройства. Не зависи от източника на електричество, което е важно при инсталиране в населени места, отдалечени от мегаполиса.
Обикновено такава система се инсталира по отворен начин, когато разширителният резервоар е много по-висок от отоплителното устройство и всички радиатори в помещенията, което позволява на охлаждащата течност да се разпространява през тръбите под въздействието на гравитацията без допълнителна помпа.
Важно е да се гарантира, че всички тръби от радиаторите са наклонени нормално, така че водата да може да се оттича свободно.
Системата има няколко недостатъка:
- необходимостта от редовно изпомпване на вода в разширителния резервоар поради бързото му изпаряване;
- навлизане на въздух в системата, което причинява корозия на вътрешния слой на тръбите;
- неравномерно разпределение на охлаждащата течност по всички радиатори.
Въпреки недостатъците си, системата е популярна и често използвана.


Принуден
Принудителната система е много по-удобна и лесна за използване, осигурява равномерно разпределение на охлаждащата течност и еднаква температура във всички радиатори благодарение на специална помпа.
Той се инсталира близо до разширителния резервоар или се врязва на друго място в системата, постоянно дестилира вода през тръбите, тя се изпарява по-бавно и не кипи, което е важно, ако отоплителното устройство не е оборудвано с термостат.
Изискванията към мястото за монтаж на резервоара при използване на принудителна система са минимални. Наклонът на тръбите, идващи от радиатора, също няма значение.


Основни изисквания към дизеловите котли.
За да се организира котелно помещение на базата на дизелов котел, не се изисква да се получи специално разрешение, но е необходимо стриктно да се спазват всички общи правила, приложими за помещенията на котелното помещение.
В допълнение към общите изисквания е важно да се вземе предвид такава характеристика на дизеловия котел като повишено ниво на шум, произведено от горелка с принудително течение. Също така е необходимо да се осигури място за безопасно съхранение на запас от запалимо гориво.
В същото време не трябва да се забравя за удобството на по-нататъшното презареждане на резервоарите за гориво.


Списъкът с изисквания за котелното:
Дизеловият котел трябва да бъде инсталиран в отделно помещение. Ако котелът се намира в една от стаите вътре в къщата или в пристройка, непосредствено прилежаща към нея, е необходимо да се осигури допълнителна звукоизолация на помещението. Ако капацитетът на котела не надвишава 60 kW, тогава дизеловият котел може да бъде поставен във вътрешността на къщата. За дизелови котли до 350 kW е необходимо отделно стоящо помещение или разширение. Разширението може да се постави само близо до празна част на стената на разстояние най-малко 1 м от отворите на вратите и прозорците. Необходимо е да се осигури отделно помещение за инсталиране на резервоар за гориво
Важно е помещението да се проветрява добре и температурата вътре в него да не пада под 5 ° C. Също така, контейнер за съхранение на дизелово гориво може да бъде поставен в земята, така че разстоянието от горелката до дъното на резервоара да е не повече от 3 м
Когато избирате място за резервоари за гориво, не трябва да забравяте за удобството на доставката на гориво за по-нататъшно попълване. Максимално допустимият обем гориво, съхранявано в резервоара, съгласно правилата за пожарна безопасност, не трябва да надвишава 900 литра. Дизеловите котли не могат да бъдат инсталирани в помещения с малка площ, тъй като такова оборудване има значителни размери. Размерите на котелното се определят от размерите на самия котел, като същевременно трябва да бъдат изпълнени редица изисквания: Височината на котелното не трябва да бъде по-малка от 2,5 м. Разстоянието от стената до предната повърхност на котел е най-малко 1 m.
Размерите на котелното трябва да осигуряват постоянен приток на чист въздух. Ако вратата от котелното води към вътрешността на къщата, тогава такава врата задължително трябва да е огнеупорна със защита от клас 3. Котелът трябва да бъде монтиран на изравнен бетонен подиум или метална рамка с височина 150-200 мм. Стените на котелното трябва да бъдат направени от незапалими материали като бетон или тухли. Повърхностите трябва да бъдат покрити с плочки или минерална мазилка.
Поетапна инсталация на топлинния генератор и комина
Направи си сам монтаж на елементи на отоплителната система не е трудно, особено при правилна подготовка на помещението и директно мястото, където ще бъде монтирана конструкцията.
Инструкциите за инсталиране стъпка по стъпка се състоят от няколко етапа:
- Инсталиране на устройството и изравняването му вертикално с помощта на метални подложки или специални крачета. Необходимо е да се вземе предвид съотношението на тръбата и отвора, подготвен за монтажа на комина.
- Пригответе няколко изолирани тръби или вземете обикновени, като ги увиете с базалтови влакна.
- Направете дупка в стената, която ще бъде с 35-38 см по-широка от комина.
- Инсталирайте проходна кутия, изработена от метал, прекарайте през нея тръба, запълнете останалото пространство с базалтова вата.
- Отвън коминът е монтиран вертикално, успоредно на стената. Един вид чадър е прикрепен отгоре, предотвратявайки проникването на голямо количество вода, отдолу - колектор за кондензат.
- Частта на комина, идваща от топлинния генератор, е монтирана под лек ъгъл към него.
След приключване на работата, струва си да се уверите, че коминът не е под билото на покрива и водата няма да се оттича в него по време на дъжд или топене на сняг.


Как работи и характеристиките на дизеловия котел
Принципът на работа на съвременен котел с течно гориво е същият като този на газовия: горивото се подава към дюзата под определено налягане. Единствената разлика се крие в дизайна на самата дюза. Стандартизиран и унифициран котел
Специално внимание се отделя на горелката и горивната камера. Модерна дизелова котелна централа е напълно автоматизирана система
Видове дюзи:
- Вентилатор
- вентилаторът се използва за увеличаване на налягането в горелката. Вентилатор, вграден в системата. Дюзите от този тип имат висока производителност, но са доста шумни. - Надуваеми.
В системата е монтирана турбина като вентилатор Помага за увеличаване на производителността, подобряване на ефективността на изгаряне на горивото.
Системата за отопление на котела се основава на намаляването на потоците гориво и въздух. Това води до запалване на първия в горивната камера. Редовното добавяне на точното количество гореща топлина поддържа процеса на горене непрекъснат.
Фиг. 2 Дюза
Дизеловите отоплителни тела имат много характеристики и предимства. Работата им се извършва автономно, температурните параметри се регулират автоматично. Вградените елементи, които функционират в оборудваната система в полза на комфорта и безопасността, са отговорни за подаването на гориво и отоплението.
Работата на дизелово котелно помещение е съвсем проста. Стартирайки основния блок на системата, работят две устройства: надуваема помпа и горивна помпа, която подава дизел към дюзата (фиг. 1). Това създава идеалното налягане, което се измерва от производителя. Това гарантира, че дизелът се подава равномерно (10-16 бара). Следващият етап е пръскане на горимата смес през дюзата и подаване на напрежение към топлинните електроди. Запалимата смес се поддава на запалване - дизеловият котел започва своята работа в нормален режим.
При работата на такава котелна централа е важно да не забравяме за сезонните промени в горивото. Може да е лято и зима
В случай на необмислена експлоатация на лятното гориво има възможност за замръзване в тръбопровода.
Първо нагряване на котела
След проверка на топлинния генератор и всички клапани за течове е позволено да започне да използва агрегата по предназначение.
Първото отопление се препоръчва да се извършва с отворена врата или прозорец в помещението, където се намира TTK. По време на работа може да се излъчи неприятна миризма поради изгарянето на малък слой индустриално масло или други компоненти, останали върху устройството.
Минималното време за горене за първи път е 60 минути, пещта трябва да бъде напълно заредена. Преди запалването си струва да проверите комина.


Инструкция №
за обслужващ персонал в котелно помещение
котли за гореща вода, работещи с твърдо гориво.
- Общи разпоредби.
- Тази инструкция съдържа изисквания за осигуряване на безопасна експлоатация на водогрейни котли и е съставена въз основа на стандартната инструкция на Gosgortekhnadzor R.F.
- Лица на възраст най-малко 18 години, преминали специално обучение, медицинска комисия, които имат удостоверение със снимка за правото да обслужват котли, работещи на природен газ, имат право да обслужват котли.
- Повторна проверка на персонала на котелното се извършва поне веднъж на всеки 12 месеца.
1.4. При влизане в дежурство персоналът трябва да се запознае с вписванията в дневника, да провери изправността на оборудването и всички котли, газовото оборудване, инсталирано в котелното, изправността на осветлението и телефона.
Приемането и предаването на дежурството трябва да се формализира от старшия оператор чрез запис в дневника за смяна, посочващ резултатите от проверката на котлите и свързаното с тях оборудване (манометри, предпазни клапани, захранващи устройства, оборудване за автоматизация и газово оборудване).
1.5. Не е разрешено да се приеме и предаде смяната по време на ликвидацията на произшествието.
- Достъпът до котелното помещение за неоторизирани лица е разрешен от ръководителя на предприятието.
- Котелното помещение, котлите и цялото оборудване, проходите трябва да се поддържат в добро състояние и правилна чистота.
- Вратите за излизане от котелното трябва да се отварят лесно навън.
- Ремонт на котелни елементи може да се извършва само при пълно отсъствие на налягане. Преди да отворите люкове и люкове, разположени във водното пространство, водата от елементите на котела трябва да се източи.
- Работата в пещите и газопроводите на котела може да се извършва само при температура не по-висока от 50 ° C с писменото разрешение на лицето, отговорно за доброто състояние и безопасната работа на котлите.
- Преди започване на ремонтните дейности пещта и газопроводите трябва да бъдат добре вентилирани, осветени и надеждно защитени от възможно проникване на газове и прах от газопроводите на работещите котли.
1.12. Преди да затворите люкове и шахти, е необходимо да проверите дали в котела има хора или чужди предмети.
- Подготовка на котела за разпалване.
- Преди да стартирате котела, проверете:
А) Изправност на пещта и газопроводите, спирателните и регулиращите устройства.
Б) Услуга на K.I.P., фитинги, захранващи устройства, димоотводи и вентилатори.
В) Напълване на котела с вода чрез стартиране на захранващата и циркулационната помпи.
Д) Липсата на запушалки на захранващите линии, продувочните линии.
Д) Отсъствието на хора и чужди предмети в горивната камера.
Регулирайте тягата в горната част на горивната камера, като настроите вакуума в горивната камера на 2-3 мм воден стълб.
- Запалване и включване на котела.
- Котелът трябва да се запали само ако в дневника за смяна има писмена заповед на лицето, отговорно за доброто състояние и безопасната експлоатация на котлите. В заповедта трябва да се посочи продължителността на разпалването, времето, кой трябва да извърши подпалването.
- Котелът трябва да се задейства в рамките на времето, определено от ръководителя на котелното помещение, при ниска топлина, намалена тяга.
Когато запалвате котела, осигурете равномерно нагряване на неговите части.
При запалване е необходимо да се контролира движението на елементите на котела по време на термично разширение.
- Следете температурата на водата, излизаща от котела, тя не трябва да надвишава 115оС.
Поддържайте температурата на изходната вода според графика, т.е. в зависимост от температурата на външния въздух.
- Работа на котела.
- По време на дежурството персоналът на котелното трябва да следи за изправността на котела (котлите) и цялото оборудване на котелното, да спазва стриктно установения режим на работа на котела. Неизправностите, разкрити по време на работа на оборудването, трябва да се записват в дневник за смяна. Персоналът трябва да предприеме коригиращи действия.Ако неизправностите не могат да бъдат отстранени сами, тогава е необходимо да информирате ръководителя на котелното или лицето, отговорно за газовите съоръжения на котелното.
- Особено внимание трябва да се обърне на:
А) Температурата на водата в отоплителната мрежа.
- Проверката на изправността на манометъра с помощта на трикодови кранове, проверката на изправността на предпазния клапан за продухване трябва да се извършва от оператора ежемесечно с вписване в дневника за смяна.
- По време на работата на котела е забранено да се маркират шевовете, да се заваряват елементите на котела.
- Всички устройства и устройства за автоматично управление и безопасност на котела трябва да се поддържат в добро състояние и редовно да се проверяват, в рамките на установения срок от администрацията.
- Почиствайте пещта от шлака поне 2 пъти на смяна
- Аварийно изключване на котела.
- Ако се установи, че предпазният клапан е дефектен.
- Когато всички циркулационни помпи спрат да работят.
- Когато факелът угасне, една от горелките.
- Когато вакуумът се намали до по-малко от 0,5 mm вода. Изкуство.
- Ако бъдат открити, пукнатини, изпъкналости, пролуки в заваръчните шевове ще бъдат открити в основните елементи на котела.
- Когато има прекъсване на електрозахранването.
- В случай на пожар, застрашаващ обслужващия персонал и котела.
- Когато температурата на водата зад котела се повиши над 115 ° C.
Причините за аварийно изключване на котела трябва да бъдат записани в дневника за смяна.
В случай на аварийно изключване на котела е необходимо:
И
Спрете подаването на гориво, изсипете шлака и неизгорели въглища с вода.
IN)
Прекъснете водата към и от котела, отидете да работите на друг котел.
В случай на пожар в котелното помещение персоналът трябва да се обади на пожарната и да предприеме всички мерки за потушаването му, без да спира надзора на котлите.
- Спиране на котела.
- Извършва се само с писмена заповед на котелното, отговарящо за газовите съоръжения.
- Проветрете горивната камера и газопроводите.
- Затворете клапана на входа и изхода на водата от котела.
- Ако не работи друг котел, спрете циркулационната помпа.
- Направете запис в подвижния дневник за спиране на котела.
- Заключителни разпоредби.
- Ръководството на предприятието не трябва да дава указания на персонала, които противоречат на инструкциите и могат да доведат до произшествие или злополука.
- Работниците носят отговорност за нарушаване на инструкции, свързани с работата, която изпълняват по реда, предписан от вътрешния трудов правилник и наказателния кодекс на R.F.
Инструкцията е разработена от
Управител на котелна къща
Съгласен
OT инженер
Име на компания
Мерки за безопасност по време на работа
За да предотвратите инциденти и други проблеми, трябва внимателно да проучите инструкциите за използване на котела за твърдо гориво.
Основните правила са както следва:
- избягвайте близък контакт с работещо устройство;
- не оставяйте пластмасови кофи, дърво или други запалими предмети близо до топлинния генератор;
- не оставяйте устройството без надзор;
- предотвратяват пълното изпаряване на охлаждащата течност по време на горенето, за да се избегне корозия и скъсване на тръби, както и радиатори;
- регулирайте подаването на въздух към горивото с помощта на вратата на вентилатора;
- не поставяйте различни предмети върху котела;
- когато водата кипи в системата, затворете комина и вентилационните капаци, за да предотвратите пълното изпаряване на водата в разширителния резервоар и тръбите;
- напълнете резервоара с вода своевременно.
Ако имате избор, струва си да инсталирате принудителна система от затворен тип, която ще улесни работата на оборудването.


ИЗИСКВАНИЯ ЗА ЗАЩИТА НА ТРУДА ПО ВРЕМЕ НА РАБОТА
3.1. Когато подготвя котела за запалване, служителят в котелната централа трябва да провери: - изправността на пещта и газопроводите, спирателните и регулиращите устройства; - изправност на приборите, фитингите, захранващите устройства, вентилаторите, както и наличието на естествена тяга; - изправност на оборудването за изгаряне на гориво; - пълнене на котела с вода; - запазва ли се нивото на водата в котела и има ли изтичане на вода през връзки, фланци, люкове и фитинги; - има ли запушалки пред предпазните клапани и след тях, по тръбопроводи за пара, мазут и газ, по тръбопроводите за източване и продухване на подаването; Преди да запалите котела, проветрете пещта за 10-15 минути. 3.2.В допълнение към подготовката за запалване на газов котел: - проверете изправността на газопровода и вентилите и клапаните, монтирани на него (всички спирателни кранове на газопроводите трябва да бъдат затворени, а клапаните на продухващите газопроводи трябва да бъдат бъдете отворени); - продухнете газопровода през продухващия щепсел, като постепенно отваряте клапана на клона на газопровода към котела, уверете се, че в газопровода (газоанализатор) няма експлозивна смес и след това затворете щепсела; - уверете се, че няма изтичане на газ от газопровода и газовото оборудване и фитинги, като ги насапунисате. Забранено е използването на открит огън за тази цел; - проверете налягането на газа на манометъра; - регулирайте тягата на котела, който ще се задейства, като настроите вакуума в пещта на 2-3 мм воден стълб. 3.3. Запалвайки газа в горелката с запалител, бавно отваряйки клапана, стартирайте подаването на въздух, след това увеличете подаването на газ и въздух. Ако запалителят изгасне, преди горелката да се запали, е необходимо незабавно да се изключи подаването на газ, да се отстрани запалителят, да се проветрят пещта и газопроводите за 10-15 минути и едва след това да се запали отново горелката. Ако запалената горелка изгасне по време на запалването, също така е необходимо да се изключи подаването на газ, да се проветрят пещта и газопроводите за 10-15 минути и след това да се запали отново горелката. 3.4. Преди запалване на масления котел, температурата на горивото трябва да се повиши до стойността, посочена в инструкциите. 3.5. Забранено е служител на котелно помещение да запали угасен газ в горивната камера без предварителна вентилация на горивната камера и газопроводите. 3.6. При запалване на котел, работещ на течно гориво, служителят в котелната централа трябва: - когато пръска течно гориво с пара, да вкара запалена горелка за запалване в пещта, след това да подаде пара в дюзата и след това гориво; - при механично пръскане на мазут, въведете запалена горелка за запалване, включете автоматичното запалване, бавно отваряйки клапана, подайте гориво в пещта; - след като мазутът се запали, регулирайте горенето; запалителната горелка трябва да се изважда от пещта само когато горенето стане стабилно; - затворете предпазния клапан или въздушния клапан и отворете продухващия клапан, ако парата излиза от отворения предпазен клапан или клапан. 3.7. Преди да пусне котела в експлоатация, служителят в котелното трябва: - да провери изправността на предпазните клапани, устройствата за индикация на водата, манометъра и подаващите устройства; - проверка на показанията на индикаторите за понижено ниво на водата според индикаторите за ниво на водата с пряко действие; - проверка и включване на автоматика за безопасност, сигнални устройства и оборудване за автоматично управление на котела; - продухване на котел. 3.8. По време на работата на котела служителят трябва: - да поддържа нормално ниво на водата в котела, докато нивото на водата не трябва да пада под допустимото долно ниво или да се издига над допустимото горно ниво; - поддържайте нормално налягане на парата; - поддържайте нормалната температура на прегрятата пара и захранващата вода; - поддържат нормалната работа на горелките (дюзи); - поне веднъж на смяна проверете изправността на манометъра, като го продухвате с трипътен клапан; - проверете изправността на устройствата за показване на вода и предпазните клапани чрез продухване в рамките на времето, посочено в инструкциите за експлоатация на котела; - дръжте вратите на котела затворени; - спрете да духате котела, ако по време на продухването на газове през люковете се случи. 3.9. На служителя е забранено: - заглушаване или допълнително зареждане на предпазните клапани; - продължете да експлоатирате котела с неизправни или нерегулирани предпазни клапани; - да взриви котела при откриване на неизправности на обдухващата арматура и котела; - отваряйте и затваряйте фитинги с удари с чук или други предмети; - използвайте запалими течности за подпалване на котел на твърдо гориво; - когато котелът работи, маркирайте шевовете, заварете елементите на котела и др .; - да бъдат близо до шлаковите порти, когато се отворят; - застанете срещу вратата на котела, когато е издухана; - оставете котела да работи дори за кратко,без надзор и допускайте неоторизирани лица в котелното помещение; - затрупайте котелното помещение с чужди материали и предмети. 3.10. Спирането на котела във всички случаи, с изключение на аварийно спиране, трябва да се извършва само след получаване на заповед от администрацията на предприятието. 3.11. При спиране на котела служителят е длъжен: - да поддържа нивото на водата в котела над средното работно положение; - спрете подаването на гориво към пещта; - изключете котела от паропроводите след пълното спиране на горенето в пещта, ако има прегревател, отворете продухването; ако след изключване на котела налягането в котела се повиши, продухването трябва да се увеличи; - за охлаждане на елементите на котела до +25 0С или по-ниско и източване на водата. 3.12. При спиране на котел на твърдо гориво служителят трябва: - да изгори останалото гориво с намалено издухване и тяга; - спрете да духате и намалете тягата; - почистете пещта и бункера; - спрете тягата, като затворите вратите на клапата за дим, пещта и вентилатора. 3.13. Когато спира газовия котел, служителят трябва: - да намали и след това напълно да спре подаването на газ към горелките, а след това и въздух (с инжекционни горелки, първо въздух и след това газ); - отворете пробката за прочистване на клона и проветрете пещта и каналите за димни газове. 3.14. При спиране на котела, работещ на течно гориво, служителят трябва: - да затвори подаването на гориво към дюзата; - спрете подаването на пара или въздух; - проветрете пещта, газопроводите и след това затворете взрива и течението. 3.15. Работа, свързана с присъствието на хора в котела, може да се извършва само с писмено разрешение (съгласно разрешението) на ръководителя на котелната централа или лицето, което отговаря за безопасната работа на котлите, с приемането на необходимите мерки за безопасност и запис в дневника за предаване на митата.
Правила за почистване и поддръжка на котел и комин
Когато топлопредаването на TTC намалява, трябва да се провери състоянието му. Възможно е да е причинено от замърсяване със сажди. За почистване е необходимо да изчакате, докато цялата конструкция се охлади напълно, да отворите решетките и вентилатора и да използвате метален покер, за да почистите натрупванията от стените.
Саждите се утаяват върху останалото гориво, което също трябва да се отстрани, за да се презареди камерата. Трудно е да почистите комина сами, особено ако има няколко завоя. Саждите и кондензатът се натрупват по стените му, в резултат на това вятърът се влошава и рискът от пожар се увеличава.
В зависимост от режима на работа и използваното гориво почистването се извършва 1 или 2 пъти годишно. По-добре е да поверите работата на професионалисти, които ще избегнат наранявания и други проблеми. Почистеният котел и комин ще осигурят висок топлообмен и дълъг експлоатационен живот на цялата система. Проучете течната топлоизолация по връзката.
течна топлоизолация


ОБЩИ ИЗИСКВАНИЯ ЗА ЗАЩИТА НА ТРУДА
1.1. Тази инструкция регулира основните изисквания за безопасност при работа в котелни помещения. 1.2. Лица над 18-годишна възраст, които нямат противопоказания по здравословни причини, преминали през уводен и начален инструктаж на работното място, инструктажи по опазване на труда, обучени в безопасни методи на работа и притежаващи подходящ сертификат, са преминали изпит за знания по опазване на труда изисквания, имат право да работят самостоятелно в котелното помещение. 1.3. Персоналът на котелното (шофьор, пожарникар, оператор) трябва да преминава повторни инструкции за защита на труда поне веднъж на 6 месеца, поне веднъж годишно - редовен тест за познаване на изискванията за защита на труда и периодичен медицински преглед. 1.4. Персоналът на котелното трябва да се съобразява с вътрешния трудов правилник, приет в предприятието. 1.5. Продължителността на работното време на водача на котелното не трябва да надвишава 40 часа седмично.Продължителността на ежедневната работа (смяна) се определя от вътрешния трудов правилник или графика на смените, одобрен от работодателя. 1.6. В процеса на работа персоналът в котелното може да бъде засегнат от следните опасни и вредни фактори: - пара - може да причини изгаряния; - оборудване (котли) - при неправилно използване може да се повиши налягането и да възникне експлозия, в резултат на което са възможни наранявания (изгаряния); - вредни газове и прах - отделя се при изгарянето на гориво в котлите (особено въглища и торф). Основните вредни газове са: въглероден оксид, азотни оксиди, въглеводороди, сярни оксиди и др., Както и въглищен прах. Веднъж вдишани в човешкото тяло, газовете могат да доведат до отравяне, а праховите частици могат да увредят горните дихателни пътища. 1.7. Персоналът на котелното трябва да използва инструментите и устройствата, чието боравене е обучено и инструктирано. 1.8. Персоналът в котелното трябва да работи в специално облекло и да използва други лични предпазни средства. 1.9. В съответствие със Стандартните индустриални норми за безплатно разпространение на специално облекло, специални обувки и други лични предпазни средства, работниците в котелната централа се издават: когато котелната работи на твърдо минерално гориво: при механично натоварване: - памучен костюм; - комбинирани ръкавици; - очила; за ръчно зареждане: - памучен костюм с огнезащитна импрегнация; - кожени ботуши; - комбинирани ръкавици; - очила; при работа с дърво и други видове горива: - памучен костюм; - комбинирани ръкавици. 1.10. Персоналът на котелното трябва да спазва правилата за пожарна безопасност, да може да използва пожарогасително оборудване. Пушенето е разрешено само на специално определени и оборудвани места. 1.11. На служителите на котелната централа е забранено да оставят работещия котел без надзор по време на работа. 1.12. Служителят на котелната централа трябва незабавно да информира своя непосредствен ръководител за неизправности на оборудването, устройствата и инструментите, както и личните предпазни средства и други нарушения на изискванията за безопасност и да не започва работа, докато не бъдат отстранени. 1.13. Персоналът в котелното трябва да спазва правилата за лична хигиена. Измийте ръцете със сапун и вода преди ядене, пушене и след приключване на работата. 1.14. За неспазване на изискванията на инструкциите персоналът на котелното е отговорен в съответствие с действащото законодателство на Руската федерация.
Общи изисквания за инсталиране
От година на година климатичните условия по света претърпяват значителни промени, които не остават незабелязани. И в по-голямата си част тези температурни промени водят до увеличаване на студените дни в годината, което означава, че е време да помислите за инсталиране на цялостна, удобна и трайна отоплителна система. На първо място, трябва да се разбере, че котлите за отопление на твърдо гориво са специфична техника, работата с която изисква определени знания и умения. Въпреки това, дори ако няма да инсталирате сами такъв котел, препоръчително е да проучите принципа на работа и всички видове нюанси на работа възможно най-подробно, за да извършвате поддръжка сами в бъдеще, а не да харчите пари за обаждане на капитана.


Избор на седалка
Изборът на място за инсталиране на котел на твърдо гориво зависи от неговия дизайн и експлоатационни характеристики. Традиционно за това е необходимо да се оборудва специално помещение - пещ, но също така се случва, че в него няма достатъчно място поради съществуващия газов, електрически или друг котел. В този случай уредът може да бъде монтиран в удължител на рамката, обвит със сандвич панели или профилирани листове с огнеустойчива изолация, например каменна вата. Тази опция е изключително удобна за котли на въглища, чиято поддръжка не е пълна без замърсяване.
Всеки евтин котел с твърдо гориво с ниска мощност за дома може да бъде монтиран директно на пода или замазката. Поради ниското си тегло, подобна техника не може да даде сериозни вибрационни натоварвания на основата. За котли, чиято мощност надхвърля 50 кВт, вече е необходима основа от бетон или чакъл бетон. Същото се отнася и за котли с продължително горене с механизми за подаване на тежки товари. Трябва да се изкопае дупка и да се направи дренажна подложка от пясък и чакъл. Основата трябва да се издигне над нивото на грубата замазка с 8-10 см, но в никакъв случай не трябва да бъде свързана с основата на самата къща.


Проектите на къщи в повечето случаи предвиждат подреждането на комин за котел на твърдо гориво. Това обикновено е шахта вътре в стена, която се извежда през покрива. Ако няма шахта или тя е заета от предварително инсталирана газова отоплителна система, е необходимо да се монтира отделен комин, изработен от метални двустенни изолирани тръби. Те са леки и цялата система може лесно да бъде сглобена независимо от отделни секции, точно като дизайнер. Сглобеният комин в крайна сметка е прикрепен към външната стена на къщата.
Изисквания и разпоредби
Що се отнася до изискванията и стандартите за инсталиране на котел на твърдо гориво и цялата отоплителна система, тогава колко стриктно се придържате към тях зависи не само от безопасността и лекотата на използване, но и от трайността на самото оборудване.


Какви условия трябва да бъдат създадени, за да може котелът да работи възможно най-ефективно и по-дълго време:
- Площта на помещението, където ще бъде разположен котелът, трябва да бъде най-малко 7m².
- В помещението е необходимо да се оборудва мощна вентилационна система от захранващ и изпускателен тип с канална секция със скорост 80 mm / 1 kW. Повече подробности за вентилационната система в котелното са описани в статията "Вентилация на котелното в къщата."
- Между външните стени на котела и стените на помещението трябва да има поне половин метър, докато стените трябва да са от огнеупорен материал (препоръчително е да тапицирате ъгъла, в който котелът ще стои с метал листове или панели, гипсокартон също е подходящ).
- Подът също трябва да е облицован с огнеупорен материал, а около самия котел, 30-50 см във всички посоки, е по-добре да се направи настилка от метал или камък.
Струва си да се отбележи, че повечето от индикаторите не са аксиоми и се изчисляват в съответствие с техническите характеристики на котела, които могат да се видят в приложената към него документация.











