В момента повечето собственици на частни къщи имат отопление на газ. Често обаче възникват ситуации, когато не е възможно да се свържете с централната тръба за газ. Тогава на помощ идват котли на твърдо гориво, мощни и надеждни отоплителни устройства. Можете да отоплявате с дърва или въглища както в частна къща, така и в страната. Този вид отопление ще бъде по-скъпо в сравнение с отоплението с газ. По своите технически параметри и технологичност съвременните модели отоплителни уреди на твърдо гориво практически не отстъпват на другите видове котелно оборудване.
Благодарение на съвременните технологии производителите са успели да постигнат значителна продължителност на процеса на горене в агрегати за твърдо гориво. Котелът за отопление с твърдо гориво с дълго изгаряне е най-икономичният и ефективен тип котелно оборудване. Безспорните лидери в този клас са отоплителните котли от шахтен тип с твърдо гориво. Такова оборудване има прост дизайн, така че често има случаи, когато те се опитват да направят минен котел самостоятелно.
Котелът на Холмов
Тази модификация на пещта се различава по това, че е оборудвана с две камери - за инсталиране на топлообменник и отделно за изгаряне на гориво. Тези устройства с дънно изгаряне и пълна височина на пещта, което стана името за тях. Принципът на действие зависи от дизайна.
Най-популярните днес са два дизайна:
- Котли за пиролиза Холмов (PC);
- нормално горене.
Горивото гори в дъното на затворената горивна камера. Вторият вал е по-малък, служи за доизгаряне на димни газове и охлаждането им в котела за нагряване на вода за отопление.
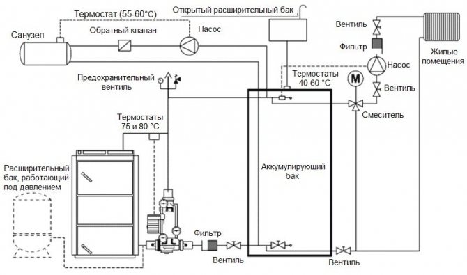
Нелетливите устройства контролират температурата с термостат RT3, монтиран в предната част на конструкцията. За пълнота на изгарянето на горивото подаването на въздух към него се регулира от духащата врата, разположена на главната врата на пепелника.

Котелът на Холмов. Изглед отгоре и отстрани
Инсталиран е специален ограничителен затвор, за да се осигури минималното преминаване на въздуха. В горната задна част на блока има разклонителна тръба за свързване на комин, която осигурява естествена тяга.
Котелът е снабден със спирателен вентил и компенсатори от външната и вътрешната страна на корпуса, предназначени да предотвратят спукването на заваръчните шевове при аварийно прегряване.
Как да се определи ефективността на котел


След монтажа котелът трябва да бъде тестван. За да направите това, напълнете пещта с претеглена порция хомогенна суха дърва за огрев, отоплителната система е свързана.
Измерват се три параметъра: обем вода, начална температура, крайна температура, време на горене. Въз основа на тези данни се изчислява количеството енергия, прехвърлено към охлаждащата течност.
Получената стойност се сравнява с калоричността на горивото. Ако номерата са различни с 20% - системата работи „перфектно“.
Принцип на работа на котела
Процесът на генериране на топлина протича по два начина: директно изгаряне на естествено гориво и доизгаряне на пиролизна газова смес, образувана поради липса на въздух. Част от горивото тлее, отделяйки катран и сажди. Освен това газовете мигрират през въглищата, наситени с горими компоненти, и се превръщат в горима горивна смес.
Тези агрегати са от минен тип - с дънно горене. Процесът се извършва на ниво 20,0 cm в долната зона на пространството на пещта. Горното гориво чака в горещ резерв, докато долното изгаря. Димните газове се събират на около 30,0 см над горивото.


Основният обем първичен въздух попада под решетката и се придвижва към частта на дожигателя за пиролиза. Той улавя димните газове над нивото на горене.
Мините са разделени от преграда с малка междина на дъното, през която пламъкът се изтегля чрез тяга от първата камера към другата, където е завършено пълното доизгаряне на горими газове, измивайки конвекционния топлообменник от T +850 ° С.
Отоплителният кръг във водната риза на шахтния котел е подложен на радиационно нагряване, остатъчната топлина се предава към топлообменника от конвекционен тип.
Отоплителна единица
Първата стъпка при направата на минен котел е сглобяването на корпуса на горивната камера. Изработен е от метални части, дебелината на които е 4 мм. Те трябва да бъдат захванати чрез заваряване. Струва си да започнете отдолу, където ще бъдат прикрепени страничните части, капакът на свода и отворите за вратите. Трябва да изглежда по същия начин, както на снимката:


Заваряване на стени
Трябва да следвате чертежа. Долният лист трябва да бъде удължен във всяка посока. Той ще служи и като долната част на вратите на отделението за пепел. В камерата ще е необходимо да се фиксират рафтовете чрез заваряване. Ъглите бяха посочени в материалите. Ще има решетка. След заваряването е важно да проверите всяко отделение за течове, като внимателно сварите всички фуги.


Заваряване на стени
След това трябва да поставите водно палто. Материал - 3 мм метал. Дебелината му при страничните стени трябва да бъде 2 cm, поради което към камината се заварява стоманена лента, произведена от 20 mm. Трябва да хванете стоманени листове към стените - обшивка.


Стени на резервоара
Важно е да се вземе предвид, че водната обвивка трябва да произхожда от нивото на решетката. Не трябва да се измива над отделението за пепел.
Освен това, както можете да видите на снимката, трябва да инсталирате клиповете в шахматна дъска. Той трябва да бъде заварен челно към горивната камера с единия край, а другият да бъде заварен около отвора.


От снимката можете да определите къде да поставите дъното на водното палто.
След това се монтират тръбите, през които топлината ще излезе. Те се поставят в горната част на резервоара за котел на мината. Както е показано на чертежа, отзад и отпред трябва да се изрежат дупки, където ще бъдат поставени тези тръби. Краищата им трябва да са добре попарени, както останалите стави на водната обвивка.


Тези тръби трябва да се разминават под формата на вентилатор.
Следващият етап е инсталирането на вратите и решетката. Необходимо е да заварявате лента в 2 реда към вратата във вътрешната част. Между частите се вкарва азбестов кабел, който ще уплътни верандата. Външният ъгъл на решетката трябва да бъде заварен надолу. Това ще разсее въздуха, който се вдухва в пепелното отделение от вентилатора.


Настържете
След като завършите всички дейности, трябва да изрежете фитингите в стените на котела на мината. Към тях ще се присъединят тръбопроводи: доставка и връщане. Въздуховодът трябва да влезе в отделението за пепел близо до средата на задната стена. Намира се точно под водната обвивка.


Монтаж на тръбопроводи
След това е необходимо да заварявате пантите на вратите и вградените части, които ще помогнат за инсталирането на декоративната облицовка.


Панти
Резервоарът за котел с дълго изгаряне трябва да бъде облицован с изолация от всяка страна. Можете да го оправите с шнур. Остава малко: завийте спретнатите метални листове към детайлите и поставете вратата.


Няма нужда да използвате стъклена вата или други материали. Базалтовата изолация си върши добре работата.
Към фланеца на въздуховода трябва да се прикачи вентилатор и да се инсталира закупеният блок за управление. Температурният сензор трябва да бъде разположен под базалтовата изолация близо до задната част на устройството. Възможно е да се монтират допълнителни модули в котела, иначе наречени "хвалител", което ще бъде полезно:
- Може да се монтира допълнителен резервоар за вода, където водата ще се нагрява.
- В случай на прекъсване на електрозахранването може да се монтира потапящ кладенец за термометър.
- Инсталирайте нагревателен елемент, който може да загрява водата, след като дървата за огрев са напълно изгорени.
Краката за агрегата са заварени на всеки етап от работата. За това се използват подходящи метални парчета. По-долу са схемите на котела на мината.
Предимства и недостатъци
Минната единица има следните основни предимства:
- Универсалност, наличност на работа върху различни видове горива, включително течност за модифицирани инсталации.
- Висока ефективност на котела, производителност и автономност без допълнително зареждане с гориво до 24 часа.
- Умен дизайн за лесна поддръжка, товаренето / разтоварването се извършва чрез отделни люкове.
- Следователно надеждността и безопасността, замърсяването с газове в помещенията и отравянето с въглероден окис, би могло да се каже, са намалени до "нула".
Недостатъците включват:
- повишено образуване на сажди и катран при изгаряне на гориво;
- огромни инсталационни размери.
Препоръки и експлоатационен опит
Много хора погрешно вярват, че ако увеличите площта или броя на топлообменниците вътре в камерата, това ще увеличи ефективността на котела. Всъщност най-голямо количество топлина се получава именно в радиационната част - около 60-70%.
Препоръчително е да поставяте дърва за огрев по решетката, а не по нея, това ще осигури по-добро и по-равномерно изгаряне на горивото. Котелът се зарежда или напълно на всеки 12-16 часа, или периодично го поставяйте. Пепелта трябва да се почиства веднъж на всеки 2 дни. Топлообменникът се почиства веднъж на половин месец.
Котелът на Холмов бързо набира температура. Когато е напълно натоварен, той достига изключително високи температури само за 20 минути. За 1 час отопление са необходими 3 кг брикети. Когато е напълно заредено с това гориво, то се загрява за около 13 часа, сухата бреза (36 кг) гори до 9 часа. В някои случаи котелът не може да работи извън сезона, когато температурата на подаване се изисква до 50 °, както и при минимален режим. Самият Холмов съветва да се избягва използването на тлеещия режим.
При първото стартиране котелът трябва да бъде под налягане под налягане 1,5 атм с въздух, като предварително е покрил шевовете със сапунена вода.
Препоръчително е да закупите котел Kholmov само от доверен производител и при условие на договор.
Производство на минен котел за пиролиза
Модифицираните компютри са в голямо търсене днес, с висока ефективност, което ви позволява да спестите значително количество гориво и да функционирате от едно зареждане за повече от един ден. Простотата на дизайна прави възможно производството на котел с дори малко опит в заваряването.


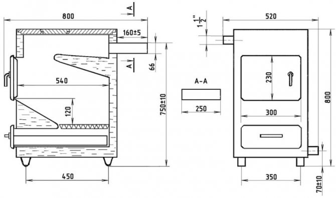
Чертеж на обикновен пиролизен котел
Основата за създаване на ефективен котел на Холмов със собствените си ръце ще бъде надеждна проектна документация: чертежи, спецификации и изчисления, които могат да бъдат намерени в Интернет днес.
Когато избират желания чертеж на агрегата, те обръщат внимание на обема на натоварване на устройството, колкото по-голям е той, толкова по-дълга ще бъде работата и от какво зависи мощността на топлинния генератор.


Алгоритъм за създаване на котел със собствените си ръце.
- Те извършват основната част на устройството и го разделят на две камери, като инсталират прегради и клапани за подаване на въздух.
- Диаграма на частите се прехвърля върху метален лист и се изрязва чрез автогенно.
- Страничните елементи са заварени с подсилен шев.
- Изрязват се 2 отвора между котела и горивната камера в преградата - отгоре и отдолу близо до решетката.
- Инсталирайте детайлите на горивната камера и ги попарете.
- Прикрепете резето в горния отвор и го закрепете.
- Решетките се правят с изрязване на тесни надлъжни прорези.
- Решетките се поставят върху метални ъгли (чугун) или заварени (стомана).
- Изработени са врати на камината и пепелника.
- Инсталиран е котел и заварен от тръби от 25 мм с водна риза.
- Оборудвайте камерата за доизгаряне на димно-газовата смес чрез заваряване на преграда до решетката.
- Отдолу е направен отвор за инсталиране на 50 мм въздушна тръба със сляп амортисьор в изходния край и множество отвори за създаване на равномерен въздушен поток.
- Горивната камера е изолирана с шамот и след това е преизолирана с базалтова вата, което увеличава топлинната ефективност на котелното тяло.
- След това се инсталира произведеното оборудване, тръбопроводите на водата и димните и газовите пътища, отоплителната инсталация и след това изпитването под налягане на системата.
Начини за прилагане на дългосрочно изгаряне
Основният проблем, който измъчва потребителите на котли на дърва, е липсата на продължително изгаряне. Трябва редовно да хвърляме нови порции дърва за огрев в техните пещи. И ако през деня все още е възможно по някакъв начин да се примирите с това, то през нощта проблемът се изостря - ако не обърнете дължимото внимание на оборудването, горивото ще изгасне. В рамките на час след разпадането температурата в стаите ще започне да спада.
Този проблем може да бъде решен по доста интересен начин - да се вгради електрически нагревател (TEN) в котел на дърва. Тук няма да изгаряме дълго, но нагревателният елемент ще може да поддържа определена температура във веригата, осигурявайки на потребителите топлина. Вярно е, че този подход е изпълнен с голямо потребление на електроенергия - за един месец той може да "изгори" до няколко хиляди рубли, в зависимост от зоната на собственост на дома и капацитета на самия нагревателен елемент.
Котлите на твърдо гориво за дълго изгаряне, работещи на дърва и въглища, напълно решават проблема с честото зареждане с гориво. Някои от тях могат да горят до няколко дни, осигурявайки на потребителите топлина. Дългосрочното изгаряне се реализира по няколко начина:
- Увеличаване на обема на горивната камера няколко пъти;
- Използване на схемата за изгаряне на пиролиза;
- Чрез частична автоматизация на подаването на гориво.
Нека видим какво ще ни даде приложението на определени техники.
Най-добри котли за мина
Днес пиролизен тип SC са търсени сред населението, живеещо в едноетажни и двуетажни къщи, тъй като те са доказали своята ефективност и демонстрират лекота на използване.


Пазарът бързо реагира на исканията на купувачите и беше изпълнен с голямо разнообразие от единици местни и чуждестранни производители.
В рейтингите за онлайн пазаруване през 2020 г. най-голямо е търсенето на устройства с експлоатационен живот над 20 години и иновативни отоплителни повърхности.
Основни характеристики на рудничните котли.
| Индикатори | Пиролиза 43 Kp-10 | Heiztechnik (12 kW | Wirbel ECO CK Plus 25 |
| Цена | 67100 рубли | 215760 рубли | 277 845 рубли |
| Модел | 66694 | 90128 | 80023 |
| Производител | Пиролиза 43 | Heiztechnik | Уирбел |
| Кратко описание | Продължителността на работа по 1 раздел е до 10 часа. Ефективност от 85% до 90%. Енергийна интензивност, нисък разход на гориво Автоматично поддържане на температурата на отопление. | Мощност 12 kW, нова ЕС, иновативна технология. Екологична отоплителна инсталация с подобрена самозапалителна горелка и система за самопочистване. Ефективност - 91%, температура на нагряване - 85 C. | Универсален агрегат за течни и твърди горива. Обхватът на нагрятата среда е 40/90 С, ефективността за твърдо гориво е 85%, за течно гориво - 90% |
| Мощност, kWt: | 10 | 12 | 25 |
| Тегло, кг | 210 | 350 | 271 |
| Размери (ВхШхД), мм | 1070x500x800 | 1370x1150x550 | 1260x915x1070 |
| Диаметър на комина, мм | 160 | 150 | 160 |
| Страна производител | Русия | Полша | Германия |
По този начин, обобщавайки линията, може да се твърди, че шахтните котли са ефективни устройства с нисък специфичен разход на гориво. Такива устройства днес се използват за индивидуално отопление на жилищни и обществени сгради, значително намалявайки разходите за отопление на собствениците.






















