Компоненти
Шкафът за управление на вентилатора е оборудван с захранване, контролери, преобразуватели и голям брой превключватели за включване / изключване. Превключвателите от своя страна са свързани към електрически нагреватели, рекуператори, вентилатори, бойлери и хладилни агрегати. Задължителен елемент на разпределителното табло е ръчен контролен блок, който поема функциите за регулиране и управление в случай на повреда или неизправност на автоматиката. В допълнение, всички шкафове са оборудвани със сензори за аварийна аларма, които се задействат в случай на аварийна или аварийна ситуация.

Сензорите, които са един вид рецептори и събират информация за работата на всяко устройство, играят специална роля при наблюдението на работата на вентилационните системи. С тяхна помощ можете да получите визуална картина на замърсяването на въздушните потоци, тяхната температура и влажност, както и скоростта на движение на въздушните маси и честотата на въртене на лопатките на вентилатора. Температурните сензори се предлагат както в цифрова, така и в аналогова версия и когато температурният режим в системата се промени, те помагат за превключване на цялата инсталация в друг режим. Сензорите за влажност работят по същия начин. Информацията, получена от сензорите, се насочва към автоматични регулатори, които от своя страна регулират работата на ключови компоненти на вентилационните системи.


По местоположение сензорите се разделят на външни и вътрешни. Първите често се наричат атмосферни и се инсталират от външната страна на сградите. Вътрешните от своя страна се подразделят на канални и повърхностни модели. Каналните канали са монтирани във въздуховодите по стените или в движението на въздушните маси. Повърхността се поставя върху повърхността на възлите и извършва премахването на параметрите от тези устройства.


Контролерите са също толкова важен елемент от контролните шкафове. Устройствата получават информация от сензорите и я обработват автоматично. След обработка на параметрите контролерите изпращат сигнал към основните блокове на вентилационните блокове, като вентилатори, въздухонагреватели, хладилни агрегати, след което сменят режима си на работа. Функционално, контролерът може да обслужва няколко устройства или да взаимодейства само с едно от тях. Универсалните модели често са оборудвани с микропроцесори, което ги прави по-малко обемисти и лесни за поставяне в малък шкаф или стойка.


Друг елемент от конфигурацията на екраните са преобразувателите на скоростта на лопатките на вентилатора. Благодарение на тези устройства е възможно да се регулира броят на оборотите на двигателя, като по този начин значително се намалява количеството електроенергия, консумирано от инсталацията. В допълнение към спестяването на разходи, това води до значително намаляване на износването на частите на вентилатора и удължава общия живот на климатичната инсталация.


Главна информация
ACS вентилацията е предназначена за управление и управление на системи за захранване и захранване и изпускане на вентилацията на сгради с различен набор от оборудване, което може да включва: рекуператор, охладител, въздушен нагревател, регулиращи клапани и помпи в охладителната и нагревателната верига, въздушни амортисьори, филтри .
Задачи, които трябва да бъдат решени при въвеждането на ACS:
- автоматично поддържане на зададената температура и обмен на въздух в пилотираното помещение;
- осигуряване на пожарна безопасност - контрол на противопожарни клапани;
- навременна диагностика на неизправности на вентилационното оборудване.
- поддържане на температурата на въздуха в обслужваните помещения в границите, определени от програмата на контролера;
- непрекъсната автоматична защита на водния топлообменник срещу замръзване от температурата на водата и температурата на входящия въздух, контрол на замърсяването на въздушния филтър в захранващата система;
- работа на вентилационни системи в режими "Ден" / "Нощ" и "Зима" / "Лято";
- наблюдение на състоянието на контролираното оборудване.
ACS вентилацията обменя информация с диспечерската конзола, предоставяйки следните възможности:
- предаване до диспечерската конзола на технологични параметри, съобщения за извънредни ситуации и данни за работата на изпълнителните механизми;
- дистанционно управление за отделни механизми, ако е необходимо, като същевременно се поддържа автоматично управление за системата като цяло, а неправилните действия на оператора се блокират;
- получаване от диспечерската конзола на команди за непредвидено включване и изключване, както и задания за температурата в обслужваните помещения.
В допълнение към основния режим на управление от диспечерската конзола е възможно локално управление на вентилационните системи от бутоните за управление (KPU), разположени в обслужваните помещения.
Хардуерната и софтуерна платформа на ACS осигурява висока гъвкавост при конфигуриране и програмиране. В резултат на това се предоставят следните характеристики на ACS, които го отличават от подобни продукти:
- възможността за свързване на малки вентилационни системи към контролери на големи вентилационни системи без инсталиране на допълнителни шкафове за управление;
- възможността за свързване на задвижващите механизми на други инженерни системи (противопожарни клапани, вентилатори за изпускане на дим, помпи, SPS и др.) към контролерите на вентилационни блокове;
- възможността за внедряване на модификации на контролера и програмите за управление за кратко време и на ниска цена в случай на промени в първоначалния проект за автоматизация на инженерните системи;
- гъвкавост на алгоритмите за управление, което улеснява тяхното модифициране по време на проектирането на инженерни системи в случай на поява на съответните изисквания на клиента;
- възможността за прехвърляне на информация на горното ниво, използвайки всички стандартни протоколи, поискани от доставчика на диспечерската система.
Архитектура
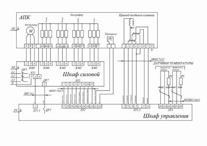
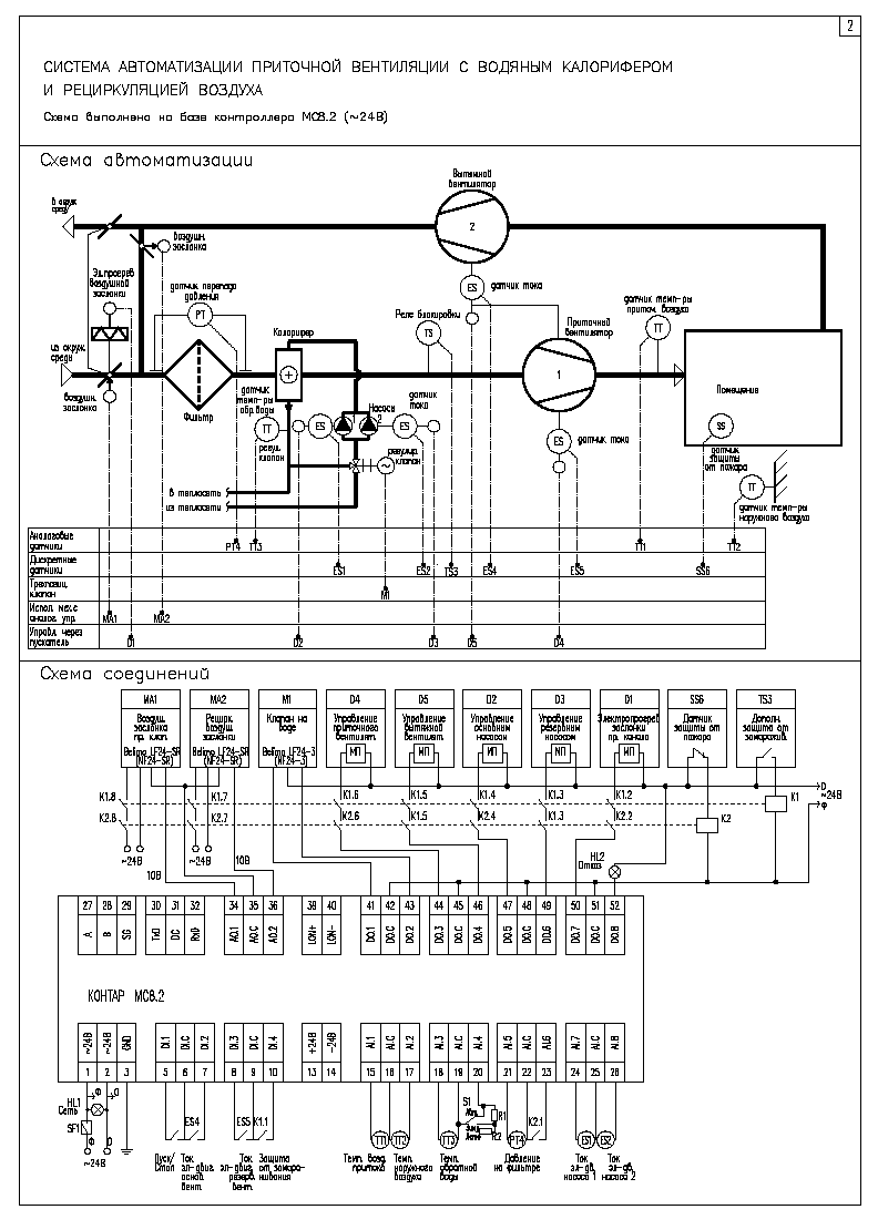
Автоматизираната система за управление на вентилацията (ACCS) е представена от три йерархични нива.
Първото (долно) ниво включва сигнални сензори и изпълнителни механизми.
Второто (средно) ниво се състои от контролери S2000-T, произведени от BOLID. Контролерите осигуряват изпълнението на функциите за контрол, регулиране и управление на инженерното оборудване в количество, достатъчно за поддържане работата на трите вида вентилационни системи (захранване, изпускане, подаване и изпускане) в съотношение "една система - един контролер" . За изпускателна вентилация към контролера са свързани два вентилационни блока. Всички алгоритми са готови и изискват само конфигурация.
| P / p No. | Име на параметър | Тип сигнал | Принудителна вентилация | Изпускателна вентилация | Захранваща и изпускателна вентилация |
| 1 | Температура на външния въздух | AI | + | — | + |
| 2 | Стайна температура | AI | — | — | + |
| 3 | Температура на подаващия въздух | AI | + | — | + |
| 4 | Температура на връщащата вода | AI | + | — | + |
| 5 | Защита на воден топлообменник | DI | + | — | + |
| 6 | Филтърът е замърсен | DI | + | — | + |
| 7 | Счупване на колана на захранващия вентилатор | DI | + | — | + |
| 8 | Счупен колан на изпускателния вентилатор | DI | — | — | + |
| 9 | Състояние на системата (в режим на готовност / активен) | DI | + (2 бр.) | — | — |
| 10 | Сигнал от контакта на аварийния превключвател на вентилатора | DI | — | + (2 бр.) | — |
| 11 | Състояние на ръчния превключвател на вентилатора (старт / автоматично) | DI | — | + (4 бр.) | — |
| 12 | Управление на изпускателния вентилатор (старт / стоп) | НАПРАВЕТЕ | — | + (2 бр.) | + |
| 13 | Изход за индикация на авариен режим | НАПРАВЕТЕ | — | + (2 бр.) | + |
| 14 | Управление на захранващия вентилатор (старт / стоп) | НАПРАВЕТЕ | + | — | + |
| 15 | Управление на щорите (отворено / затворено) | НАПРАВЕТЕ | + | — | + (2 бр.) |
| 16 | Управление на циркулационната помпа (включване / изключване) | НАПРАВЕТЕ | + | — | + |
| 17 | Управление на вентила на бойлера | АО | + | — | + |
| 18 | Контрол на клапана на воден охладител | АО | + | — | — |
| 19 | Управление на ротационен рекуператор | АО | — | — | + |
| Забележка: AI - аналогов входен сигнал за термично съпротивление (TCM, RTC) AO - аналогов изходен сигнал с постоянно напрежение (0-10 V) DI - дискретен входен сигнал от типа "сух контакт" (24 V) DO - дискретен изходен сигнал от тип "сух контакт" (24V) | |||||
Третото (горното) ниво включва автоматизирана работна станция (AWP) на оператора, базирана на СКАДЕН КРЪГ-2000, комбиниран от функции с архивен сървър.
Аналогови и дискретни сигнали от сензори и изпълнителни механизми на захранващата, изпускателната и захранващата и изпускателната вентилация се подават към контролерите, подлагат се на първична обработка и след това чрез цифровия интерфейс RS485 (протокол Modbus) се предават на работната станция на оператора с цел тяхното по-нататъшно обработка, показване и съхранение. Работното място на оператора се използва и за дистанционно управление на изпълнителните механизми на вентилационните системи.


Схема на устройството
Свързването на шкафовете за управление се извършва съгласно стандартната схема и се регулира от GOST R51321-1. Шкафове, щандове и панели се монтират в коридори, панелни помещения или помощни помещения. При наличие на технически условия блоковете за управление на вентилацията и пожара са разположени в един шкаф, който се поставя в контролната зала. Това ще осигури бърз достъп до аварийните и обслужващи контролни панели за вентилация и ще позволи по-бърза реакция на системни проблеми.


Помещенията, в които са монтирани дъските, имат специални изисквания за нивото на влажност и температура. Устройствата трябва да бъдат надеждно защитени от преки ултравиолетови лъчи, капки вода и прах. Магнитните вибрации и радиосмущенията също могат да повлияят неблагоприятно на правилната работа на устройствата, поради което тяхното влияние върху устройствата трябва да бъде ограничено. Температурният диапазон, при който е разрешена работата на шкафовете за управление, е от -10 до +55 градуса. Инсталирането на устройството изисква задължително заземяване, а честотата на мрежовия ток не трябва да надвишава 50 Hz. Като източник на захранване се използват електрически мрежи 220 и 380 V.


Основните изисквания на оформлението са да се намерят всички контролни устройства на една и съща стойка и в една и съща равнина. Най-важните устройства, отговорни за безопасността на устройството, трябва да бъдат оборудвани със светлинни индикатори и за предпочитане свързани към персонален компютър. Освен това устройствата, отговорни за правилната работа на основните блокове, трябва да бъдат оборудвани с два вида управление: ръчно и автоматично. Най-удобни за използване са шкафовете, оборудвани с дистанционно управление, които позволяват на човек, който няма много опит в управлението на вентилацията, да наблюдава работата му. В допълнение, схемата за свързване на устройството трябва да бъде проста и изключително лесна за разбиране. Това ще помогне в случай на авария да изключите устройството сами, без да чакате пристигането на ремонтни услуги.


Изчисляване на вентилационни системи
Изчисляването на вентилацията на помещението на първия етап изисква правилния избор на оборудване, което ще има необходимите експлоатационни характеристики по отношение на количеството издухан въздух (кубичен метър / час).
Също така се счита за много важно да се разгледа такъв параметър като честотата на въздушния обмен. Той характеризира броя на пълните промени на въздуха в рамките на един час в сградата.
За да се определи правилно този параметър, е необходимо да се вземат предвид нормите и правилата за изграждане.Множествеността зависи от целта на използване на помещенията, какво има в нея, колко души и т.н.
Изчисляването на вентилацията на промишлени помещения за този показател включва също отчитане на оборудването, както и характеристиките на неговата работа и количеството топлина или влага, които то отделя. За помещения, предназначени за обитаване от хора, обменът на въздух е 1, а за промишлени помещения до 3.
Мерките за сбитост формират стойност на ефективността, която може да бъде, както следва:
- от 100 до 800 м³ / ч (апартамент);
- от 1000 до 2000 m³ / h (къща);
- от 1000-10000 m³ / h (офис).
Също така е необходимо правилно да проектирате и инсталирате разпределители на въздуха. Те включват специални въздушни дифузори, въздуховоди, завои, адаптери и т.н.
Осигуряването на надеждна и правилна вентилация е изключително важна и необходима система във всяка сграда.
За какво е SHCHUV, къде се използва
Малките битови вентилационни системи, използвани в многоетажни сгради и частния сектор, не изискват никакви допълнителни уреди. Те се управляват дистанционно, с помощта на дистанционно управление или ръчно.
За разлика от битовите системи, индустриалните системи се отличават със значително по-голяма дължина на мрежата. Много функционални устройства, предимно вентилатори, първоначално се инсталират на труднодостъпни места. Поради ограничения достъп контролът се извършва с помощта на уред, оборудван с цял набор от специално оборудване.


Модерният вентилационен контролен панел - SHCHUV се произвежда под формата на панел, на който са разположени регулиращите индикаторни устройства, както и под формата на метални шкафове, фиксирани към стената или монтирани на пода. Вътрешното пространство с оборудването, разположено тук, е защитено с шарнирни врати. За да се ограничи достъпът на неупълномощени лица, те се заключват.
Основните задачи, които решава вентилационният контролен панел, са следните:
- Контрол върху оборудването, устройствата и оборудването, които са част от вентилационните системи.
- Защита на контролираните устройства в случай на аварийни ситуации, причинени от прегряване, неправилен монтаж и свързване, късо съединение.
- Функции за настройка - задаване на необходимите параметри за производителността и мощността на оборудването.
- Възможност за програмиране на отделни компоненти и възли или на цялата система за определен период, от 1 ден до 1 месец.
- Процесите за управление и настройка на вентилационния контролен панел са значително улеснени от инсталирания дисплей.
- Всяка от стаите може да поддържа собствена температура, която може да се променя в точното време.
- Наблюдават се въздушните филтри, степента на тяхното замърсяване, както и състоянието на вътрешните стени на въздуховодите.
- Контрол върху работата на сезонно оборудване, което е изложено на негативни влияния поради внезапни промени в външната температура.
Контролният панел на вентилационната система, инсталиран в съоръжението, позволява, като е на едно място, да наблюдава постоянно работните процеси и състоянието на цялото оборудване. В случай на повреда или спиране на някои устройства, своевременно ги открийте и отстранете.
Функции на автоматичен вентилационен шкаф
Благодарение на подобрението на оборудването в областта на автоматизацията на вентилацията стана възможно да се изключи човешкият фактор от работата на шкафа за управление на вентилацията. Автоматизацията гарантира високо ниво на безопасност на огромната функционалност, която вентилацията, управлявана от задвижванията на шкафа, притежава.
Широка гама от шкафове за управление на вентилацията включват:
- Свързване на всякакви вентилационни елементи с различни физически характеристики и различни портове за инсталиране на системата.
- Възможност за наблюдение на мрежовото напрежение.
- Управление на специални електрически клапани за осигуряване на непрекъсната мощност в мрежата. Увеличава работата на устройствата, с изключение на тяхното прегряване, късо съединение, претоварване.
- Контрол на зададените параметри за помещението и скоростта на вентилатора.


Стандартни функции
Конвенционалният шкаф за управление на вентилацията има следните функции:
- Контрол на температурата на нагряване на отделен елемент от вентилационната система.
- Контрол върху параметрите на задвижващия механизъм на въздушния клапан.
- Наблюдение на чистотата на въздушните филтри. В случай на замърсяване до контролния блок на вентилационното оборудване се изпраща звуков сигнал.
- Управление на клапан за движещи се въздушни маси за поддържане на зададената температура на въздуха в помещението.
- Уредът за вентилационно оборудване се управлява ръчно, като се включва и изключва.
- Премахване на прегряване и късо съединение на двигателя на помпата.
- С помощта на светлинни индикатори можете да получите информация за работата на системата като цяло.
- Възможност за удължаване на времето за спиране на движението: както подаващ, така и отработен въздух, чрез вентилатори SHUV (шкаф за управление на вентилацията).
- Поддържане на дневник за повреди в работата на принудителната вентилационна система.
- Контрол върху заледяването на части от фреонови охладители.


Разширени функции
Наборът от разширени функции зависи от конкретния модел на ShUV устройството. Функции като често използвани:
- Управление на специални клапани за регулиране на налягането в случай на скъсване на ремъка на вентилатора.
- Автоматичен контрол върху количеството въглероден диоксид.
- Запазване на всички работни данни в регистрационни файлове след прекъсване на електрозахранването.
- Контрол над специална камера за смесване на въздушни потоци.
- Програмиране със седмица преди целия работен процес.
- Мониторинг на параметрите на охлаждащия клапан.
- Управление с помощта на електрически нагревател.
- Използване на дистанционното управление.
- Изпълнение на ефективна работа със сензори, предназначени да контролират различни параметри на помещение, използвайки каскаден метод.


Предназначение на шкафовете за управление на вентилацията
Днес шкафът за управление на вентилацията е неразделна част от системата за обмен на въздух. Това значително улеснява работата на оборудването за осигуряване на чист въздух в помещенията или оползотворяване на отпадъчни газове.
Препоръчваме ви да се запознаете с: Гофриране за вентилация: какво е и как се използва
При закупуване на разпределителна единица ШУВ, струва си да се ръководите от контролните функции за конкретна вентилация, в съответствие с условията на нейната работа.
За вентилационна система, която осигурява отстраняване на дим от помещенията, е необходим SHUV, който ще осигури повишена безопасност, ще контролира температурата на въздуха в помещението и неговата влажност. А също и да поддържа необходимите показатели в нормата и да движи въздушните маси с определена постоянна скорост.
Целта на шкафа за управление на вентилацията зависи от вида на системата за обмен на въздух:
- С възстановяване или пречистване на въздуха от вредни вещества в работната зона.
- С електрически нагревател.
- С бойлер.
- С функция за излъчване на дим.
- Ауспух, захранване или захранване - изпускателна вентилация (ШУ PVV).
Всички шкафове за управление на вентилацията работят в два режима:
- Летен режим. Означава, че контролът на температурата на въздуха е деактивиран. Когато температурата на входящия въздух спадне, автоматиката включва режима на защита според предварително въведените параметри. Контролът на температурата се извършва с помощта на сензори.
- Режим на готовност.
По това време моделът SHUV - Овен е популярен.Той отговаря на всички изисквания за шкафовете за управление на вентилацията в производството, независимо от тяхното предназначение. Устройството Овен осигурява контрол върху системата за обмен на въздух с високо ниво на сигурност.
За управление на един вентилатор е възможно да се използва шкаф за изпускане на дим ShUV1. За управление на няколко вентилатора е подходящ шкаф от типа ShSAU-VK. Цената директно зависи от броя на контролираните вентилатори.


Какво е автоматизация за вентилационни системи
Днес автоматичните системи за контрол на вентилацията са представени от широка гама от всякакви технически устройства. Всички те, от термостати до сложни компютъризирани модули, са проектирани да улеснят управлението и контрола на принудителните вентилационни системи. Разнообразието от оборудване дава възможност за решаване на проблеми с автоматизацията във всяко съоръжение, независимо от неговите характеристики и предназначение.


Въз основа на оперативните и техническите изисквания е възможен различен подход при производството на автоматизирани вентилационни контролни панели:
- На някои сайтове можете да се справите със стандартни модули, произведени под формата на шкафове с инсталирани в тях устройства за управление.
- В други случаи монтажниците трябва ръчно да сглобяват комплекси, пригодени за сложна захранваща и изпускателна вентилация, като отчитат конкретни задачи.
Разликата в подходите се дължи на необходимостта да се осигури ефективното функциониране на вентилацията и създаването на комфортни условия за жителите или служителите във вътрешните помещения на сградата, независимо от сезона и външните метеорологични условия.
Вентилационните механизми се управляват от набор от датчици, инсталирани вътре в помещенията. Някои от тях работят на принципа на термостат - с повишаване на температурата в сградата вентилаторите се включват автоматично, което осигурява притока на свеж въздух.
Съвременните автоматизирани системи са оборудвани с елементи на изкуствен интелект и по-сложни инструменти.
Структурно подобни модули се състоят от три групи възли:
- Сензори - устройства, които предават информация за околната среда - термостати, измерватели на влажността на въздуха, газови анализатори. Те предават събраните данни на центъра за анализ.
- Контролният център събира и обработва информацията, идваща от сензорите за управление, и въз основа на получения анализ издава команди на управляващите механизми за промяна на режима на работа.
- Задвижващите механизми са агрегати, които извършват механични действия. Тази група включва: преобразувател на скоростта на вентилатора, серво задвижвания за регулиране на положението на амортисьорите и др.
Контролните центрове анализират съотношението на кислород и въглероден диоксид във въздуха, процента на влажност и, ако е необходимо, издават команда за проветряване на помещението. Когато се открие пожар, силно интелигентната електроника автоматично блокира потока чист въздух, предотвратявайки разпространението на огъня.
В нормален режим автоматиката осигурява добре координирано функциониране на всички възли и механизми на вентилационните системи без участието на оператор.
Компютъризираните модули предават информация за режима на работа, за показанията на сензорите до един контролен панел. Това позволява на оператора, ако е необходимо, да регулира работата на автоматизацията и да променя настройките дистанционно.
В зависимост от конкретната ситуация се използва един от 3 режима на управление на инструмента:
- Ръчно. Вентилацията се контролира от оператор, разположен директно в контролната зала или зад дистанционен контролен панел.
- Автономна.Оборудването работи в съответствие с установените настройки, независимо от други инженерни системи, инсталирани в сградата.
- Автоматичен. Устройствата за управление са интегрирани в общото управление на всички инженерни комплекси на сградата. Вентилационната операция е синхронизирана с други устройства и сензори, разположени в къщата - например с пожарна аларма, други аварийни сензори.
По този начин автоматизираният комплекс играе ролята на управляващ контролен център. Стартира вентилацията, спира я, обработва показанията на сензора и задава желания режим в зависимост от температурата, влажността и други параметри.
Видове захранващи и изпускателни системи
Най-ефективните вентилационни системи са захранване и изпускане, включително рекуператори във веригата. Тези устройства са топлообменници, които използват енергията на отработения въздух. В този случай входният поток и изходът не влизат в пряк контакт. Рекуператорът може да бъде въртящ се, плоча или съдържащ междинен топлоносител. Ротационният е с висока ефективност, но се счита за най-скъп. Използването му е неикономично, когато температурата на външния въздух през студения период не пада под 15 градуса под нулата. В същото време климатичните блокове с ротационни рекуператори, използвани в северните ширини, осигуряват двукратно спестяване на енергийни разходи за отопление на помещенията. Табелната версия на устройството е по-достъпна и принадлежи към бюджетния сегмент.


Инсталация с рекуператор
През студения сезон входящият въздушен поток се загрява в стаята и, когато излиза, отделя топлина на новопостъпващия поток. Липсата на смесване гарантира постоянен приток на чист, чист въздух и отстраняване на отпадъците. През лятото, при горещо време, устройството работи в обратен ред. Топлият поток, влизайки в стаята, се охлажда и когато излезе, отнема топлина от новодошлия.
Общообменната вентилация от циркулационен тип е по-евтин тип. Въздухът, постъпващ отвън, получава топлина чрез директен контакт с отпадъците.
В същото време чистотата на въздуха в помещението вече не може да бъде същата като в гореописаната версия. Циркулационни системи не могат да бъдат инсталирани в сгради, където атмосферата може да съдържа въглероден окис и горими газове, токсични вещества и други компоненти, опасни за живота и здравето.


Друг недостатък на вентилацията с принудителна циркулация е нейната неефективност, когато външната температура падне под нулата.
Най-скъпите опции за климатични агрегати с принудителна вентилация са системи, оборудвани с климатици. Устройствата ви позволяват да регулирате температурния режим в помещението в широк диапазон и осигуряват комфортни условия през цялата година. Системата е оборудвана с термопомпа и филтрираща верига за пречистване на въздуха.
Всяка от принудителната вентилация е снабдена със система за управление. Най-скъпите опции се доставят със сензори и "интелигентна" електроника, способни да регулират режимите независимо, според предварително определена програма.


За вентилация на сгради, особено многоетажни сгради, може да се използва не само механична циркулация на въздуха. Разликата в налягането във и извън помещението е в състояние да създаде потока, необходим за вентилация. На този принцип се основава захранващата и изпускателната вентилация с естествена циркулация. В този случай се вземат предвид следните нюанси:
- За да се постави въздухозаборник, обикновено се избира страната на сградата, която най-често се издухва от вятъра.
- Прибирането се извършва от противоположната страна
- Самият въздухозаборник е снабден с дефлектор, който подобрява входящия поток.
Такава система се отличава със своята простота на дизайн и ниска цена.Простотата обаче изключва възможността за спестяване на топлина и много от предимствата, предоставени от инсталациите с принудителна вентилация: йонизация, почистване, контрол на влажността.
Как работи естествената вентилация


На снимката работата на естествената вентилация в частна къща.
- Принципът на действие на естествената вентилация се крие в естествения въздушен обмен, който се създава поради разликата в налягането отвън и вътре в помещенията.
- Когато външната температура е под стойността си в сградата, нагрятият въздух се изтласква през вентилационните канали. Той се заменя с потоци чист въздух през отворите или захранващите клапани. В стаите тя се затопля и изтича отново.
- С пристигането на лятото температурата на външния въздух се повишава по-високо от въздуха на закрито, така че ефективността на естествената вентилация намалява.
- В резултат на това жителите трябва да създават чернови, като проветряват стаите - отварят прозорци и врати.
Подреждане на системата


Врата с вентилационна скара.
За да се спазва принципът на естествената вентилация в една сграда, трябва да се създадат определени условия за нея.
- Осигурете изпускателни канали при проектирането на системата... Те трябва да бъдат оборудвани в онези помещения, в които се натрупва замърсен, горещ, напоен с въздух въздух (тоалетна, баня, перално, баня, кухня).
- Тези въздуховоди трябва да бъдат въведени в общите вентилационни шахти, през които изходящият поток се влива на улицата..
Забележка! За да могат вентилационните канали да отстраняват въздуха навън, трябва да се осигури подаването на свежи потоци. Той може да се влее в сграда по различни начини: през отворени врати, прозорци, отвори, вентилатори и захранващи вентилационни клапани. Инструкцията предупреждава, че уличното движение трябва да тече във всички стаи на къщата.
- Ако е невъзможно да се оборудва вентилационен канал в стаята, тогава трябва да се направи отвор от 1,5 / 2 cm във вратата му отдолу.
- В долната част на вратите на онези помещения, където има въздуховоди, препоръчително е да направите няколко декоративни дупки или да инсталирате малка решетка.
Как да подобрим циркулацията на въздуха


Дизайн на захранващия клапан.
Сега се строят нови сгради на принципа на икономия на енергия, т.е. те са запечатани. Същото се случва, ако оборудвате стара сграда с прозорци с двоен стъклопакет.
От една страна, загубите на топлина рязко намаляват, от друга страна, жителите на къщата започват да изпитват кислороден глад.
- За да се предотврати това явление, захранващите клапани трябва да бъдат инсталирани в прозорци или външни стени.
- Ако поръчате нови прозорци, поръчайте веднага тела с тях. Цената на блоковете ще се увеличи леко, но не е нужно да се занимавате с инсталирането на клапаните поотделно.
- Необходимо е да инсталирате устройствата на височина около 2 м. Това е необходимо, за да може хладният захранващ въздух да има време да се загрее, преди да достигне жилищното високо ниво.
Монтирането на захранващи клапани обаче не винаги помага.
Това се случва по следните причини.
- Недостатъчно течение през лятото, когато външният въздух е по-топъл от вътрешния.
- Рязко увеличаване на обема на замърсената или отработена атмосфера в резултат на едновременното изпълнение на хигиенни процедури, приготвяне на храна, общо почистване и др.
- Недостатъчно напречно сечение на тръбите на изпускателните канали поради грешен дизайн.
В тези случаи, за да се подобри циркулацията на въздуха в помещенията, естествената вентилация трябва да бъде заменена с принудителна вентилация.
Функции на автоматичен вентилационен шкаф
шкаф за управление на вентилацията „Rubezh-4A
Характеристики на шкафовете за управление на вентилацията:
- поддържа необходимата постоянна мощност на електропреносната мрежа;
- ви позволяват удобно да свързвате линии с различно напрежение на мощността към различни клемни блокове;
- контролирайте интензивността на въртене на вентилаторите, стартирайте ги плавно и предотвратете фазовия дисбаланс;
- изравняване на мощността, предотвратяване на прегряване на оборудването, претоварване и късо съединение;
- контролирайте напрежението в мрежата автономно, дистанционно или локално.
Шкафът за управление на захранващата и изпускателната вентилация работи в режим на готовност или през лятото. В летен режим температурата на въздуха не се контролира. Когато температурата на входящия въздух е ниска, автоматиката на шкафа превключва управлението на захранващата вентилация в режим на защита.
Стандартни функции
- Ръчно спиране и стартиране;
- съвместим с температурни сензори за подаващ въздух, външен въздух и връщащ топлоносител;
- записва температурата на контактите на двигателите на вентилатора;
- регулира функцията на задвижващия механизъм на въздушния клапан;
- предотвратява късо съединение и претоварване на двигателя на помпата;
- контролира задвижването на вентила за подаване на топлина;
- предотвратява замръзването на бойлери и фреонови охладители;
- предотвратява прегряване на електрическия нагревател;
- удължава спирането на вентилатора на приточния въздух;
- дава сигнали за необходимостта от почистване на въздушните филтри;
- спира и деактивира оборудването в случай на пожарна аларма;
- уведомява с помощта на светлинна индикация за работата на системата;
- записва произшествия в специален дневник.
Разширени функции
- Предотвратява спада на налягането при скъсване на ремъка на вентилатора;
- Осигурява преобразуване на честота за вентилатори;
- Регулира температурите на въздуха в помещенията по каскаден начин;
- съвместим с термосензор на качулката;
- уведомява за произшествие със светлинна индикация;
- възможно е свързване на дистанционно управление;
- контролира работата на въздушния клапан;
- осигурява връзка на допълнителни вентилатори;
- двуфазно управление на компресорно-кондензаторния блок;
- петфазно управление от електрически нагревател;
- контролира смесителната камера;
- предотвратява замръзването на рекуператора и ротационния рекуператор;
- контролира овлажнителите на въздуха;
- програмируем за 7 дни;
- контролира охладителния клапан;
- контролира рециркулационните амортисьори;
- при недостатъчна мощност на нагряване намалява скоростта на въртене на лопатките на вентилатора;
- записва данни в паметта след прекъсване на електрозахранването;
- контролира нивото на въглероден диоксид.
При поискване производителите оборудват шкафа за автоматично управление на вентилацията с допълнителни функции:
- работа без сензори;
- записване на отчети за работата на системата;
- възстановяване на студа;
- изпращане на дистанционно или локално управление.
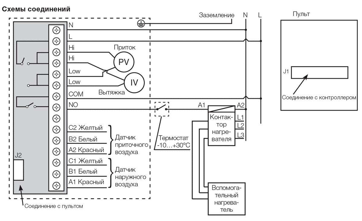
Схема на шкафа за управление на вентилацията
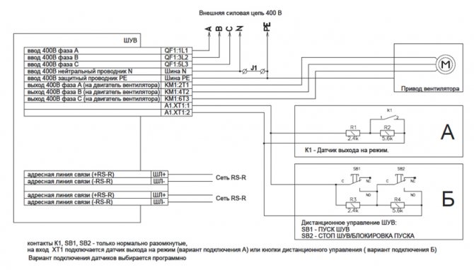
Шкафът за управление на вентилацията е подреден по следния начин:
- Частен конвертор.
- Многопроцесорен контролер.
- Превключване.
- Задвижващ механизъм.
- Автоматични машини.
- Контактор.
- Защитни механизми.
- Реле.
- Индикатори.
Светлинните и звуковите индикатори осигуряват контрол върху работата на цялата вентилационна система на помещението. Релето управлява електрическите вериги, отваря ги и ги затваря. Контакторът ви позволява да управлявате системата с помощта на панела. Машините реализират потока на тока в електрическата верига. Стартери за стартиране, превключвател за изключване на оборудването в шкафа. Многопроцесорен контролер на пиксели често се използва за работа с картата с памет. Изборът на режим за плавен старт на двигателя и постепенно увеличаване на въртенето на лопатките на вентилатора се извършва от частен преобразувател.
Препоръчваме Ви да се запознаете с: Разновидности и разположение на вентилационните канали


Елементи на вентилационни системи
Системата за управление включва основни елементи като сензори, регулатори и други изпълнителни механизми.
Сензори
С помощта на сензори можете да получавате информация за състоянието на необходимия обект по различни параметри (температура, налягане, влажност и др.) И да го наблюдавате в случай на най-малък отказ на системата.Сензорите трябва да бъдат избрани стриктно в съответствие с условията на дадена вентилация (работни условия, обхват и степен на точност на измерване и т.н.).
Температурните сензори са направени за външна и вътрешна употреба, те могат да показват температурата на повърхността на тръбопровода или вътре в канала (въздуховод). Те са фиксирани или върху самите тръби (на тяхната повърхност) - външни, или перпендикулярни на движещия се въздушен поток в тръбата, сензори за канал - канал. Атмосферните сензори се монтират извън сградата, над средата й, откъм подветрената страна, а стайните типове сензори трябва да се монтират на закрито, на разстояние най-малко 1 - 1,5 m от пода.


Сензори за вентилационна и отоплителна система
Контролът на вентилацията зависи и от сензори, които регулират степента на влажност, те са вътрешни и канални. Външно те приличат на устройство с вградено електрическо устройство, което измерва относителната влажност на въздуха и преобразува получените данни в електронни сигнали. За да работи устройството по-точно, то трябва да се инсталира на определено разстояние от прозорци, отоплителни устройства, вентилационни струи и слънчева светлина.
Датчиците за поток са устройства, които измерват скоростта на потока (може да бъде както течна, така и газова) в тръби и въздуховоди. Изчисляването на дебита на газ или течност се извършва, като се вземе предвид площта на напречното сечение на тръбата.
Регулатори
Регулаторите са длъжни да контролират изпълнителните вентилационни механизми. Те получават сигнали от сензори, обработват показанията си и активират задвижванията на вентилационната система.


Регулатори за управление на изпълнителните вентилационни механизми
Задвижващи механизми
Устройство, което започва своята работа по команда, получена от регулатора, се нарича изпълнителен механизъм. Те са разделени според начина на работа: електрически, механични, хидравлични и др.
Всички процеси, съставляващи цялата система за управление на вентилацията, се контролират от устройство като електрически контролен панел.
Схеми за свързване на изпускателния вентилатор
Схема на свързване на изпускателния вентилатор в банята Свързването на вентилатора в банята се извършва в съответствие с различни схеми. Излишната пяна се подрязва и пространството около тръбата се изравнява с шпакловка.
Много често много потребители използват един източник на светлина, който работи от общ превключвател. Чрез автоматизация Наскоро, в борбата за купувач, производителите започнаха да снабдяват своите устройства с елементи за автоматизация - таймери и сензори за влажност.


Сменете защитния капак и сложете ключа. Ако банята се комбинира с баня, тогава може да се появи неприятна миризма и различни микроби под формата на гъбички и плесени, които имат отрицателен ефект върху здравето и живота на човека.


Друг начин е да инсталирате шумозаглушител директно зад вентилатора. Схема за свързване на вентилатора За свързване на вентилационното устройство се използват няколко от най-простите и достъпни схеми.


Важна характеристика са не само техническите характеристики, страната на произход, но и дизайнът на устройството.


След приключване на цялата работа е необходимо да проверите работата на всяко устройство в банята. Когато се използва отделен превключвател за включване на вентилатора, трябва да се извърши следната комутация на проводника: Нулевият проводник на вентилационното устройство трябва да бъде свързан към неутралния проводник на мрежата. Ако кибритът продължава да гори и пламъкът не реагира на изпускателната решетка, тогава е необходимо да почистите вентилационните канали и да инсталирате вентилатор. Връзка на вентилатора

























