Отоплението е един от най-важните притеснения на собствениците на частни къщи или помещения.
Свързването с централизирани мрежи не е достъпно за всички и високите тарифи настояват за създаването на автономни системи.
Отоплителните котли Baksi са едно от най-надеждните и ефективни решения на проблема, осигуряващи пълноценна подмяна на мрежовите ресурси.
Те са в състояние да осигурят къща или друго помещение с топла вода, да доставят топлоносител към отоплителната система или подово отопление.
Полезна характеристика на котлите Baksi е възможността за свързване на допълнителни устройства, които подобряват режима на работа на блоковете.
Какво представлява стайният термостат и защо е необходим за газов котел
Термостатът е устройство, което поддържа температурата на определено, предварително определено ниво..
Използва се в много технически и технологични инсталации, където се изисква да се поддържат определени параметри на околната среда.
По принцип термостатите се използват в отоплителни системи, двигатели с вътрешно горене, отоплителни инсталации и други устройства.
За газов котел термостатът служи като удобно и полезно допълнение. Когато стаята достигне желаната температура, тя загрява отоплението на охлаждащата течност, а когато падне, започва процеса отново.
Специфичността на работата на устройството е да контролира температурата на вътрешната атмосфера в помещението (някои модели едновременно определят външната температура, като правят допълнителни корекции в режима на работа, когато тя се промени).
Собствените сензори, инсталирани в котлите, контролират само температурата на отоплителната вода. Често възникват ситуации, когато охлаждащата течност се нагрява до желаната стойност, но стаята е хладна поради често отваряни врати, прозорци и т.н.
За да създадете комфортна температура, често се налага да променяте режима на работа на котела, като се разсейвате чрез преконфигуриране от вашия бизнес. Използването на термостат премахва това притеснение от собственика, температурата се коригира автоматично.

Програмируем стаен термостат
Програмируемият електронен стаен термостат ви позволява да изберете желаната и комфортна температура по всяко време, лесно е да конфигурирате и промените режима на работа. Таймерът за време ви позволява да зададете различен модел за отопление през делничните и почивните дни. Някои таймери ви позволяват да задавате различни параметри за всеки ден от седмицата, това може да бъде полезно за хора, работещи на непълно работно време или на смени. Много модели Terneo и KChM са оборудвани с такива термостати.
Програмируем стаен термостат
Програмируемият стаен термостат ви позволява да задавате индивидуални стандарти за отопление за всеки ден в съответствие с вашия начин на живот и да поддържате температурата на къщата по всяко време, независимо от присъствието или напускането на собствениците. Видео: Свързване на стаен термостат към газов котел
Ако котел с радиатор отговаря за отоплителната система, като правило е необходим само един програмируем стаен термостат, който да управлява цялата къща. Някои модели трябва да се коригират през пролетта и есента, когато часовникът се премести напред и назад или е настъпила известна промяна в климатичните условия. Също така препоръчваме промяна на температурните настройки при смяна на деня и нощта.
Такъв климатичен контролер има няколко опции, които разширяват възможностите му:
- "Парти", което спира нагряването за няколко часа, след което възобновява;
- „Замяна“ ви позволява временно да промените програмираните температури по време на един от конфигурираните периоди;
- "Ваканция", увеличава интензивността на отоплението или я намалява за определен брой дни.
Принцип на действие
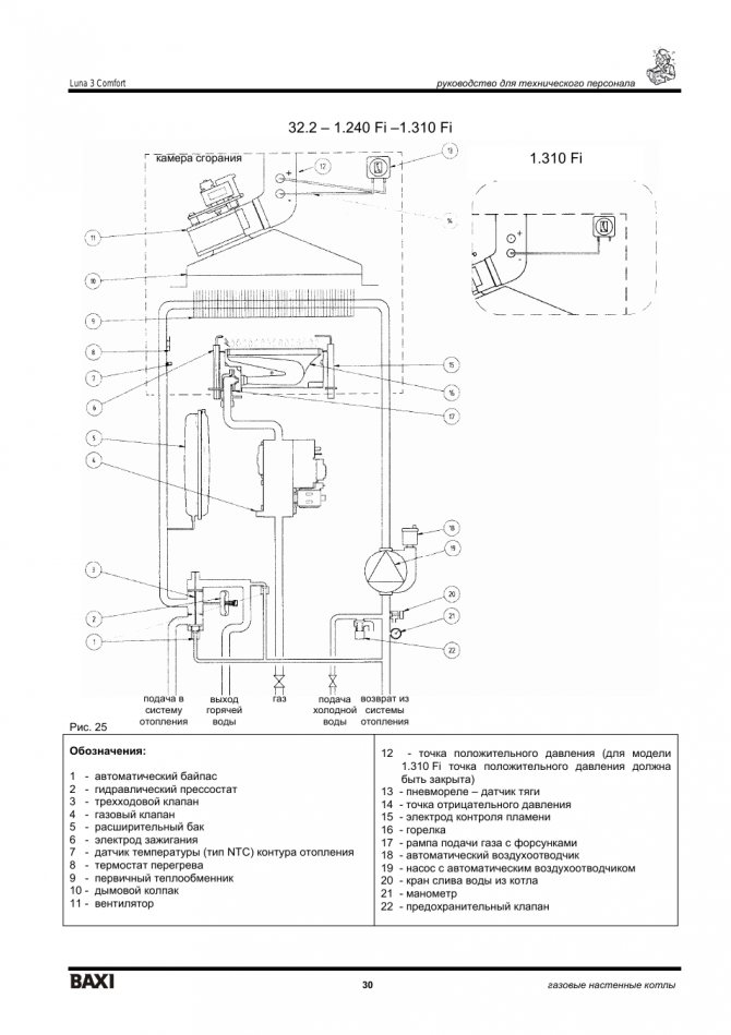
Вътре в котела е монтирана контролна платка, която контролира всички действия на компонентите на модула. Той има специални контакти, които са свързани по подразбиране със специален джъмпер. Те се използват за свързване на термостат.
Докато джъмперът е включен, работата на системата е подчинена на собствената си логика - зададена е температурата на охлаждащата течност, котелът загрява отоплителната вода до зададените параметри и се изключва, когато те са достигнати, докато водата се охлади до долната граница.
Извадете джъмпера, когато свързвате термостата. Устройството се оказва включено в процепа, следователно целият контрол върху работата на котела преминава към него. Работният процес става по-плавен, честото стартиране и спиране на отоплението спира. Температурата на въздуха се променя по-плавно.
Този метод на управление дава по-успешен ефект, като ви позволява да намалите разхода на газ и значително да спестите от отоплението.


Има много варианти за дизайн на стайни термостати. За котлите Baksi е възможно да се използва всеки от тях, което е много удобно за потребителите.
Всички видове термостати могат да бъдат разделени според индивидуалните критерии:
Място на монтаж
На мястото на инсталиране всички термостати могат да бъдат разделени на вътрешни и външни (външни). Първите се монтират вътре в помещенията, вторите се поставят навън и наблюдават състоянието на външните метеорологични и температурни условия.
Повечето собственици предпочитат да контролират вътрешните условия на помещенията, тъй като те имат по-голямо влияние върху микроклимата на дома. Устройствата на открито са подходящи за жителите на южните райони, където изолацията на стените не е толкова ефективна.
Регулиране на котела
Газовият котел може да се регулира по два начина - ръчно или автоматично. С ръчно регулиране всичко е ясно - при забележимо застудяване или затопляне в къщата, потребителят трябва да променя мощността на котела съответно всеки път, така че къщата да има най-удобната температура. Този метод на регулиране има право на живот, но ефективността му не е достатъчно висока и не можете да го наречете удобен.
В присъствието на програмист, свързан към котела, удобството за управление на отоплителното оборудване се увеличава значително. Когато стайната температура падне под зададеното ниво, котелът се стартира и работи, докато температурата достигне максималната стойност, зададена на програмиста. Веднага след като въздухът в помещението се затопли до желаното ниво, на газовия котел се заповядва да се изключи.


В допълнение към удобството при използване на котела, свързването на термостата към газов котел също ви позволява да спестите от отопление. Работата е там, че когато ръчно настройвате котела, той много често се включва и изключва за кратки периоди от време. Помпа се използва за циркулация на охлаждащата течност, към която се доставя електричество. В резултат на това отоплителното оборудване ще изисква много повече електричество - а наличието на термостат значително намалява тези разходи.
Допълнителни полезни опции
Някои модели термостати решават само основни задачи, без допълнителни опции.
По-усъвършенстваните мостри, в допълнение към основните функции, могат да извършват някои случайни действия, които подобряват възможностите и ефективността на устройството. Например, освен контрол на стайната температура, има опции за наблюдение на външните метеорологични условия и регулиране на режима на отопление според тях.
Освен това има и други опции.:
- Няколко опции за топлинния режим на помещението.
- Програмиране на индивидуални настройки.
- Достъп до интернет чрез WiFi с възможност за дистанционно програмиране на режима.
- GSM модул за работа със смартфон чрез SMS.
- Защита срещу неоторизирани промени в режима (заключване за деца).
- Декоративно осветление.
- Защита от прегряване или замръзване.
- Ареометър с функция за промяна на влажността на въздуха.
Колко необходими са тези функции, зависи от собственика на термостата, тъй като те не са налични при всички модели. Избирайки най-подходящата опция, можете веднага да определите списъка с необходимите опции и да закупите желаната проба.


Предимства на котлите Baxi
Основна 24 Fi 24 kW
Предимствата на газовите котли Baxi са очевидни и възможностите на такива агрегати са многостранни. Ние изброяваме само основните предимства на такова котелно оборудване:
- Възможност за свързване на допълнителни елементи, сензори и системи за автоматизация.
- Възможността за автоматична промяна на температурните режими в зависимост от делта температурите отвън и у дома.
- Икономична работа.
- „Умни“ системи за самодиагностика.
- Уредът може да се използва не само в традиционните отоплителни мрежи, но и в системата "топъл под".
Как да инсталирате правилно
Инсталирането на устройството не е трудно. Основната задача е да изберете правилното място.
Експертите препоръчват да се поставят термостати в дневни, като се избягва монтаж в коридори или в кухнята.
В противен случай котелът започва да осигурява микроклимата на тези конкретни зони на къщата и температурата в стаите се настройва с изкривявания.
Оптималната височина за монтаж се счита за 1,5 м от пода, далеч от отоплителни уреди, домакински уреди, които генерират топлина.


Коя да избера
За да работи съвместно с котела Baxi (Baxi), всеки модел на термостат е подходящ, но оптималното решение би било да изберете продукт от същата компания.
Устройствата, създадени от същия производител, имат максимална съвместимост и могат да демонстрират максимална производителност... Ограничителният фактор е цената на устройството.
Ако закупуването на скъпи модели се превърне в проблем, могат да се използват относително евтини китайски модели.
Те са доста ефективни, изпълняват възложената задача с достатъчна точност..
Единственият недостатък е ненадеждността, бързата повреда на някои устройства.
Препоръчани модели:
- Baxi Magictime Plus.
- Салус 091 FLRF.
- Siemens REV13.
- Cewal RQ30.
- Ватове MILUX-HYDROSTAT.
При избора на устройство е необходимо да се изясни списъкът с неговите функции и възможности. Повечето съвременни продукти имат много широка гама от опции, които ви позволяват да създадете висококачествен и комфортен микроклимат в къщата.


Технология
Свързването се извършва с изключен котел и термостат. Съгласно инструкциите за двете устройства, съответният джъмпер се отстранява в контролната платка и термостатът е свързан към контактите..
Технологично този процес не представлява никаква сложност, но за неподготвен човек, който се страхува да влезе в сложното електронно пълнене на оборудване, може да изглежда невъзможно. В такива случаи е необходимо да поканите специалист, който може да извърши квалифициран монтаж и свързване на термостата.
Обикновено работата започва от котела:
- Когато устройството е изключено, свалете защитния капак, за да получите достъп до контролната платка.
- Отстранете джъмпера на съответните контакти, съгласно инструкциите.
- Прикрепете краищата на свързващия проводник към тях.
- Проводникът се изтегля до мястото, където е монтиран термостатът и е фиксиран на стената.
- Свържете самото устройство, свържете го към захранването.
- Те стартират и регулират режима на работа.


Как да проверите работата на устройството
Проверката на производителността се извършва след стартиране на системата и настройка на режима на работа на котела на максимална ефективност.
След това трябва да изчакате температурата да се повиши до най-удобната стойност и да я зададете като горен праг.
В рамките на един час (понякога отнема повече време) вътрешната температура на въздуха се следи с термометър. Режимът на работа се счита за нормален, ако устройството реагира на температурен спад в рамките на 0,5-2 °.


Ценови диапазон
Цената на термостата зависи от неговия дизайн и функционалност. Конвенционалните механични устройства са относително евтини - от 1000 рубли.
Електронните устройства с възможност за програмиране, дистанционно управление и други функции могат да струват до 10 000 рубли и повече. Има много опции за цена, което ви позволява да изберете достъпно устройство и да получите възможност за по-точно задаване на температурата в къщата.


Допълнителни аксесоари
Забележка! Повечето модели са оборудвани с вградена електроника, системи за управление и разнообразие от сензори като стандарт. Инсталирането на допълнителни аксесоари прави работата по-лесна, по-удобна и ефективна.
Допълнителните аксесоари отварят цял набор от възможности за управление на вашето оборудване:
- Контрол на температурата според времето на деня и сезона.
- Настройване на температурата в различни стаи.
- Работете в икономичен режим.
Всичко това намалява разхода на газ, което означава, че прави системата енергийно ефективна и нейната работа е икономична. Парадоксално е, но повечето потребители отказват да инсталират допълнително оборудване от съображения за икономичност. Разбира се, инсталирането на тези устройства ще доведе до увеличаване на цената на системата. Но от друга страна, това ще спести от сметките за отопление.
Инсталирането на допълнителни устройства се отплаща още през първите два отоплителни сезона. Така че аксесоарите за газови котли Baxi са не само допълнителен комфорт, но и значителни икономии на гориво.
Видове термостати за газови котли Baxi


Инструментите за Baxi са термостатисъвместим с газови котли с италианска марка.
По отношение на функциите си те не се различават от системите за друго газово оборудване. Обикновено термостатите се отличават с:
- място на монтаж;
- принципът на работа;
- начин на контрол.
На мястото на инсталиране устройствата са разделени на закрити и външни. Вътрешните стаи се използват по-често на открито или на открито, тъй като те не изискват защита от трудни метеорологични условия.
Уличните опции се използват в случаите, когато собственикът на къщата се стреми да направи оборудването възможно най-точно и икономично. Комбинацията е особено ефективна в такива случаи. стаен термостат и външен сензорразрешено от единици Baxi.
Според принципа на работа термостатът може да бъде механични или електронни. В първия случай необходимо е ръчно да настроите температурата на въздуха. Във втория - зададена е програма, според която котелът автоматично променя интензивността на работа.
Начинът за управление на механичен термостат е да зададете ръчно режима чрез завъртане на копчето или натискане на бутоните. Електронната или програмируема версия може да се управлява дистанционно. В този случай сензорът се намира във всяка част на стаята и контролът се осъществява дистанционно управление, компютър или телефон... В този случай контактът с газовото оборудване остава жичен.


Снимка 1. Термостат за стаен модел QAA 55 безжичен, с модулация, Италия.
Какво представлява часовникът на газов котел?
Цикълът на газовия котел е честотата на превключване за отопление на топлоносителя. Ако външните устройства за управление не са свързани към оборудването, интервалът между стартирането на газовия котел може да бъде не повече от 10 минути. Интервалът по подразбиране е 3 минути.
Не се препоръчва често да включвате оборудването. Най-икономичният разход ще бъде при непрекъсната работа на газовия котел.Ако оборудването работи непрекъснато дълго време, това означава, че е зададен режим, при който топлинните загуби в къщата се компенсират, като същевременно се поддържа подходяща температура на топлоносителя.
Жителите на малки апартаменти често се сблъскват с проблема с високата консумация на газ. Това се дължи на факта, че оборудването е проектирано за отопление и отопление на водата, поради което има висока мощност.
Различните модели газови котли Baxi се различават по броя на конфигурационните параметри, така че трябва да проучите инструкциите, преди да настроите оборудването.






