Zur Steuerung der Wasser-Fußbodenheizung ist in jedem Raum ein Raumthermostat installiert, der den entsprechenden elektromotorischen Richtkopf am Fußbodenheizungskollektor steuert.
Wenn alle Richtungen der Fußbodenheizung geschlossen sind, wird die Pumpe durch einen Bypass-Bypass an der Mischeinheit vor dem Arbeiten in einem geschlossenen Hahn geschützt - die Pumpe läuft einfach im Leerlauf.
Es scheint, dass dies genug ist.
Um jedoch den Leerlauf der Pumpe der Mischeinheit auszuschließen, ist eine zusätzliche Vorrichtung erforderlich. Dieses Gerät hilft auch, den Heizkessel auszuschalten, wenn die von den Thermostaten eingestellte Temperatur in allen Räumen erreicht ist.
Um das Fahrrad nicht plötzlich neu zu erfinden, als er einmal versuchte, einen Kollektor für die Fußbodenheizung zu erfinden, wollen wir untersuchen, welche Art von zentralen Steuergeräten für die Fußbodenheizung bereits im Verkauf sind.
Mit Blick auf die Zukunft werde ich sagen, dass ich mich für Beok CCT-10 entschieden habe, um dieses Problem zu lösen, das ich in einem separaten Artikel beschrieben habe: Testen des Beok CCT-10-Fußbodenheizungsreglers.
Es ist eine zentrale Steuereinheit für die Fußbodenheizung erforderlich, die auf der Grundlage der von den Thermostaten empfangenen Signale den Kessel und die Pumpe der Mischeinheit startet.
Der Betriebsalgorithmus des Zentralgeräts ist sehr einfach: Addition nach dem ODER-Schema von Signalen von Raumthermostaten und Ausgabe des resultierenden Signals an Pumpe und Kessel.
Es stellte sich heraus, dass ich nicht der einzige war, der ein solches Problem hatte, und es gibt Geräte im industriellen Maßstab für seine Lösung.
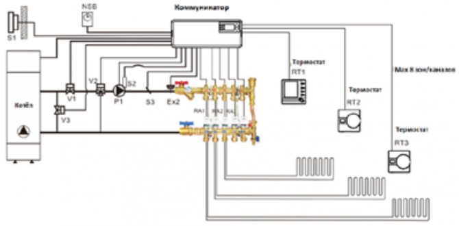
Heizzonenregler COMPUTHERM Q4Z.
COMPUTHERM Q4Z auf der Website des Herstellers.
Es gibt ein drahtloses Analogon.

Dies ist ein wunderbares Gerät, das noch mehr implementiert, als ich mir vorstellen kann: drei, die verschiedene Zonen, Ausgänge und die Möglichkeit zur manuellen Steuerung von Zonen zusammenfassen.
Ein solcher Controller würde mir passen, wenn nicht für eine Sache.
Jeder Raumthermostat kann an den Zonenregler angeschlossen werden. Es steht also im Reisepass und es ist verständlich, dass der Thermostat normalerweise offene Kontakte haben muss.
Es ist historisch so passiert, aber die meisten Thermostate, die ich gefunden habe, sind besser für die Steuerung einer elektrischen Fußbodenheizung geeignet. Sie geben ein Steuersignal in Form von 220V aus.
Hier ist ein klassischer Anschlussplan für Thermostate zur Fußbodenheizung:


Dieses Signal kann zusätzlich zur Steuerung der Heizung zur Steuerung einer Pumpe oder von motorisierten Köpfen verwendet werden. Es ist nicht mehr möglich, dieses Gerät für logische Operationen mit empfangenen Signalen dieser Art zu verwenden.
Ich verstehe nicht, warum dies getan wird und warum nicht einfach die Relaiskontakte herausgebracht werden - dies wäre ein universeller Weg. Auf der anderen Seite ist die Installation ohne unnötige Jumper in der Installationsbox bequemer - das eingehende 220-V-Kabel und das ausgehende Kabel zum warmen Boden befinden sich ohne zusätzliche Anschlüsse an den entsprechenden Anschlüssen. Zwei zusätzliche Kontakte am Thermostat würden hier helfen, damit Sie einen Jumper entfernen oder setzen können.
Es gibt noch einen weiteren Faktor - den Preis in Russland, der 8000r beträgt. Wie wird der Preis von UAH 1547 in der Ukraine zum Preis von RUB 8000 in Russland?
Aber ich hätte jemanden gefunden, der ihn aus Barabashovo mitbringen könnte, wenn ich ihn gebraucht hätte.
Es wird bei mir nicht funktionieren, da nur Relaiskontakte erforderlich sind.
Fußbodenheizungsmodus
Der Modus wird nach Ermessen der Bewohner ausgewählt. Am häufigsten ist Komfort oder Heizung. In der ersten Variante wird die Oberflächentemperatur auf dem Niveau von 28-320 ° C gehalten. Hier wird die Funktion der Heizung des Hauptraums von anderen Geräten ausgeführt, beispielsweise Heizkörpern.Die zweite Option sieht die Aufrechterhaltung der eingestellten Lufttemperatur im Raum vor, die einen warmen Boden bieten sollte. Hierzu werden Raumthermostate zur Steuerung der Heizung eingesetzt.
Wie viel Flüssigkeit durch den Kreislauf fließt, zeigt ein am Versorgungsverteiler installierter Rotameter an. Der Thermokopf für eine Wasser-Fußbodenheizung ist am Rücklaufverteiler installiert.


Der Druck im System wird durch die zentrale Umwälzpumpe des Heizkessels erzeugt. Damit er alle Schleifen durchschieben kann, sollte die Länge jeder Schleife nicht mehr als 60 m betragen.
Steuerung zur Steuerung eines wasserwärmeisolierten Bodens Tech L-5.
Das Tech L-5 ist ein sehr interessantes Instrument.
Es kostet 5238r.


Entwickelt, um Thermostatventilantriebe mithilfe von Kabeln zu steuern, von Systemkomponenten empfangene Informationen zu sammeln und zu verarbeiten sowie Steuerbefehle an diese zu übertragen.
Dies ist das einfachste Modell mit reduzierter Funktionalität und es gibt komplexere Geräte: Mit Funkthermostaten, WLAN, Cloud-Service und los geht's.
Ermöglicht die Steuerung der Temperatur in acht verschiedenen Heizzonen.
Möglichkeit zur Steuerung von 22 Thermostatantrieben mit 8 Raumreglern:
- 3 Raumregler ermöglichen die Wartung von bis zu 12 Servos;
- 5 Raumregler ermöglichen den Betrieb von bis zu 10 Servos.
Ein 230V Ausgang pro Pumpe.
Trockenkontaktausgang zur Steuerung eines zusätzlichen Heizgeräts.


Der Preis von 5-6 Tausend für ein solches Gerät scheint nicht groß zu sein.
Die Eingangssignale für diesen Regler müssen aber auch Relaiskontakte sein.
Schön. Die Anschlussklemmen sind ausgeblendet. Es wird bei mir nicht funktionieren, da nur Relaiskontakte erforderlich sind. Sehr schade.
Hochwertige Kontrolle der Temperatur des warmen Bodens
Das Verfahren besteht darin, heißes Wasser aus dem Kessel mit dem abgekühlten Kühlmittel zu mischen, das zur Erwärmung zurückkehrt. Hierzu wird ein Dreiwegeventil mit Thermokopf zur Fußbodenheizung eingesetzt. Infolgedessen wird dem Heizsystem Wasser mit einer vorbestimmten Temperatur zugeführt.


Der Thermokopf ist über den Achskasten mit dem Ventilschaft verbunden, der den Eingang zum Ort seiner Verbindung verriegelt. Ein Signal von einem Temperatursensor bewegt den Schaft mit zwei Tellerventilen. In diesem Fall öffnet und schließt sich der Durchgang für einen Durchfluss für den anderen, wodurch sich die Temperatur des dem Heizkreislauf zugeführten Kühlmittels ändert.
Verkabelte Schaltzentrale Salus KL06.
Salus KL06 im Laden.
Kosten 4281r.


Die KL06-Steuerung dient zum Anschluss von Thermostaten und Aktuatoren an eine einzige Schalteinheit. Es gibt eine Anzeige des Status der Servos.
Die Pumpen- und Kesselsteuerung ist erst nach Anschluss weiterer Module Salus PL06 oder PL07 möglich (1700r und 2800r).
Wenn Sie die Anweisungen des Salus KL06 sorgfältig lesen, können Sie feststellen, dass dies ein schlaueres Gerät ist, als es scheint.
Funktioniert voll mit Salus-Thermostaten.
+ Zeigen Sie Zitate aus diesem Pass mit einer Beschreibung der Funktionen an.
PWM, VP, NSB SYSTEMS
Die in den Thermostaten der ERT-Serie von Salus verwendeten Systeme bieten eine effizientere Steuerung der Fußbodenheizung.
PWM.
Aufgrund der großen Trägheit der Fußbodenheizung garantiert uns der Einsatz des PWM-Systems in den Steuerungen der ERT-Serie eine präzise Aufrechterhaltung einer konstanten Temperatur in den Räumlichkeiten. Das PWM-System überwacht die Arbeitszeit sowie die Öffnungs- und Schließfrequenz der verwendeten Servomotoren in Bezug auf den Anstieg der Raumtemperatur. Das Ergebnis sind zusätzliche Einsparungen, Komfort und das Fehlen einer Überhitzung des Raums.
VP.
Es ist ein System, das die Lebensdauer der Servomotoren schützt und verlängert. Öffnet und schließt den Servomotor einmal pro Woche, auch wenn das System gerade nicht in Betrieb ist (Zeit außerhalb der Heizperiode).
NS B.
Temperaturreduzierungsfunktion - NSB (Night Set Back).Das System bietet die Möglichkeit, die Temperatur abhängig von der Tageszeit zu beeinflussen, was eine effiziente Steuerung des Heizungssystems garantiert. Die Temperaturreduzierungsfunktion ermöglicht es, sie ohne Thermostatregelung um 4 ° C zu reduzieren, selbst wenn in den meisten Zonen nicht programmierbare Regler verwendet werden.
Die NSB-Funktion in den Reglern wird durch ein externes Signal aktiviert, das mit dem wöchentlichen Salus ERT50-Thermostat an die Salus KL06-Leiste übertragen wird. Dieser Regler muss an das mit Nummer 1 gekennzeichnete Feld angeschlossen werden.
Alle Regler müssen mit einem 4-adrigen Kabel gemäß Abbildung 1 angeschlossen werden.
Wenn Sie das von der Uhr angezeigte Feld nicht anschließen, ist die MSB-Funktion nicht aktiv, die restlichen Controller-Funktionen (PWM und VP) funktionieren jedoch.
Dies sind die Diagramme zum Anschließen von Thermostaten.


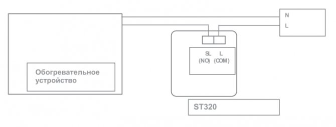
Das Anschlussschema des ST320-Thermostats ist ungewöhnlich - mal sehen, was im Pass dieses Thermostats steht.


Es sieht so aus, als ob der Thermostat genau 220 V regelt, ob er durch sich selbst geht oder nicht. In diesem Fall eignet sich der Regler Salus KL06 möglicherweise für die Arbeit mit Thermostaten, die 220 V zur Laststeuerung ausgeben.
Ich mag es optisch nicht und mit einem Pumpen- und Kesselanschlussmodul kostet es mehr als 6000r und hat offene Klemmen. Ich werde keine Salus-Thermostate haben, daher sind keine intelligenten Funktionen verfügbar.
Rücklauftemperaturbegrenzer
Der Regler Unibox Rtl Oventrop, der den Heizgrad des Rückflusses begrenzt, wird auf einer kleinen Fußbodenheizfläche <20 m2 eingesetzt. Der Bereich der normalisierten Temperatur liegt zwischen 20 und 50 ° C und hängt von der vom Thermokopf eingestellten Anzeige ab, wodurch der Grad der zulässigen Erwärmung automatisch aufrechterhalten wird.


Regler für Fußbodenheizung Unibox Rtl Oventrop
Ein ähnliches Schema beinhaltet die Installation des Unibox Rtl Oventrop, so dass das Kühlmittel durch den gesamten Fußbodenheizungskreislauf und erst dann durch den Rtl-Regler zirkuliert.
Das Funktionsprinzip unterscheidet sich von der Funktionsweise der Mischeinheit, bei der zur Erreichung der erforderlichen Temperatur Flüssigkeitsströme mit unterschiedlichen Erwärmungsgraden gemischt und über ein Ventil gesteuert werden.
Bei Verwendung des RTL-Reglers tritt keine Vermischung auf, wenn Wasser in die Fußbodenheizkreisläufe eintritt, dh wenn es an eine Heizkörperheizung angeschlossen wird, gelangt das Kühlmittel sofort in die Heizungsleitung. Die Aufgabe des in den Regler eingebauten RTL-Ventils besteht darin, die Temperatur des Flüssigkeitsstroms bereits am Auslass der Rohre des Wasserkreislaufs gemäß der festgelegten Norm zu begrenzen.
Eine solche Rohrleitung setzt die Zufuhr von heißem Kühlmittel in Portionen voraus, so dass es nicht zu einer Überhitzung kommt. Der Trägheitsestrich hilft auch, die Temperatur zu glätten.


Abmessungen der RTL-Ventile
Bei der Ausstattung eines Wasserheizkreislaufsystems mit einem RTL-Ventil ist zu berücksichtigen, dass die am Rückfluss-Flüssigkeitsdurchflussbegrenzer eingestellte Temperatur nicht unter den Raumluftwerten liegen darf.
Wenn diese Anforderung nicht erfüllt ist, kann es zu einer instabilen Fehlfunktion des RTL-Reglers kommen.
Strukturell besteht es aus einem Körper, einem Stielhubbegrenzer und einem Flüssigkeitssensor, dank dessen Daten über die Temperatur des vorbeiströmenden Stroms übertragen werden, um den eingestellten Heizwert im automatischen Modus zu halten.


Steuerkreis für Wasser-Fußbodenheizung
Das RTL-Ventil öffnet nur, wenn der Maximalwert nicht erreicht wurde. Ein ähnlicher Regler wird auch bei der Ausstattung eines Warmwasserkreislaufs eines kombinierten Typs verwendet, wenn das Kühlmittel parallel zu den Heizkörpern und zum System fließt.
Mit einer Vielzahl von Optionen zum Anschließen eines Wasserheizkreislaufs können Sie rational entscheiden, welcher Stromkreis für bestimmte Bedingungen geeignet ist.In Landhäusern ist es bei der Installation eines lokalen Kessels mit einer kontrollierten Temperatur des abfließenden Wasserflusses möglich, eine direkte Verbindung ohne zusätzliche Knoten herzustellen, um den Heizgrad des Kühlmittels zu verringern.
Steuermodul Watt WFHC-BAS.
Watt WFHC-BAS 6 Zonen, 220 V, normalerweise geschlossene Servos kostet 5650r.


Watt WFHC-BAS Pass.


Das Modul kann als eigenständiges Gerät und als Bestandteil eines Automatisierungssystems eingesetzt werden. Es gibt Optionen zum Erweitern und Verwenden von Funkmodulen.
Wenn Sie ein Modul mit Programmierfunktion und nativen Thermostaten verwenden, können Sie alle Thermostate von einem Modul aus programmieren.
Betrachten Sie die Verbindungsdiagramme aus diesem Pass.


Es sieht so aus, als ob das genau das ist, was ich brauche. Es ist möglich, 220V Thermostate anzuschließen! Außerdem sind die Anschlussklemmen ausgeblendet und auf dem Foto können Sie sehen, dass es sich um ein Qualitätsprodukt handelt.
Servos für Verteiler
Bei der Fußbodenheizung ist die Rohrleitung an einen Verteiler angeschlossen. Das Gerät verfügt über Auslässe für heißes Kühlmittel und für gekühlte Flüssigkeit, die in den Kessel gepumpt wird. Die Anzahl der Auslässe im Verteiler entspricht der Anzahl der Wasserheizkreise. Der Leitung wird ein Kühlmittel mit einer bestimmten Temperatur zugeführt. Servos regeln dies über Ventile am Verteiler.
Empfohlen: Wie installiere ich eine Q-Term Fußbodenheizung?
Das Steuergerät für Fußbodenheizung besteht aus folgenden Komponenten:
- Feder aus Nichrom; ein elektrischer Strom fließt durch ihn;
- Behälter mit thermischer Flüssigkeit; es wird mittels einer Nichromfeder erwärmt;
- die Spindel, an der die Kaltkreisventile angebracht sind;
- Wärmesensor; Das Gerät ist im Flüssigkeitskreislauf der Fußbodenheizung installiert.
- Thermostat; es ist für einen bestimmten Modus programmiert; Ein Temperatursensor und ein Servokabel sind daran angeschlossen.
Am Thermostat ist ein bestimmter Heizmodus eingestellt. Wenn die Bodentemperatur den eingestellten Parameter überschreitet, schließt der Thermostat den Servokreis. Die Feder, die sich in der Thermofluid befindet, beginnt sich zu erwärmen.
Die Flüssigkeit dehnt sich aus und drückt auf den Schaft, wodurch das Ventil für den Kaltkreislauf geöffnet wird. In der Mischkammer werden das heiße Kühlmittel und das gekühlte Wasser gemischt. Warme Flüssigkeit tritt in die Bodenlinie ein.
Wenn die eingestellte Temperatur abfällt, öffnet der Thermostat den Servokreis. Die Feder beginnt sich abzukühlen, die Wärmeflüssigkeit kühlt ab und verengt sich. Der Schaft steigt an und schließt den Kaltkreisausgang. Die Fußbodenheizung wird in Moskau zum Heizen von Landhäusern installiert.
Bei Verwendung eines Servoantriebs erwärmt sich die Thermoflüssigkeit und kühlt sich schnell ab. Das System ändert den Betriebsmodus in 1-3 Minuten. Der Thermokopf am Mischgerät schaltet das Heizsystem für 15 Minuten aus. Die Maschine für den warmen Boden kann über Servoantriebe mit elektronischen Geräten ferngesteuert werden.
Wärmeregler Teplocom TC-8Z.
Ich habe dieses Gerät an einem unerwarteten Ort gefunden - vom Hersteller Bastion, der für Backup-Netzteile zur Signalisierung bekannt ist.
Kosten 3900r - der empfohlene Preis auf der Website des Herstellers.
Es kostet 3600r.


Reisepass teplocom-tz-8z.pdf.
Die Anschlusspläne entnehmen wir dem Reisepass.


Wie verstehe ich den Ausdruck "220V Thermostate anschließen"?
Wir werden durch die Untersuchung der Thermostate unterstützt, die für die Verwendung mit diesem Wärmeregler empfohlen werden.
Einige dieser Thermostate geben beim Einschalten eine Spannung von 220 V aus und es gibt keine Relaiskontakte.
Dieser Thermocontroller eignet sich für meine warmen Böden und sogar für den billigsten eines bekannten Herstellers. Sie können Ihre Augen vor offenen Terminals schließen und müssen dafür eine Standardbox kaufen.
Umwälzpumpensteuerung
Um eine bestimmte Geschwindigkeit des Kühlmittels in der Bodenleitung zu gewährleisten, ist am Auslasskreis eine Umwälzpumpe installiert. Es ist so ausgelegt, dass die gekühlte Flüssigkeit in den Wärmetauscher gepumpt wird, der sich im Kessel befindet.
Für jeden Zweig der Leitung wird empfohlen, eine eigene Umwälzpumpe mit eigenem Thermostat zu installieren. Dies ist notwendig, um das Temperaturregime in einem bestimmten Raum individuell steuern zu können.
Wenn die Fußbodenheizung nur mit einer Pumpe und einer Steuereinheit ausgestattet ist, wird die Heizung in allen Räumen auf dem gleichen Niveau gehalten. Das System schaltet sich nicht nur in einem Raum aus, in dem die Temperatur die Norm überschreitet, sondern auch in einem Raum mit einer reduzierten Anzeige. Die Automatisierung der Fußbodenheizung, die den Pumpenbetrieb steuert, wird durch die folgenden Elemente dargestellt:
- Temperatursensor; Das Gerät wird in einem Kaltwasserkreislauf installiert. es überträgt Daten an den Thermostat;
- Thermostat; Das Gerät dient zur Analyse der für einen bestimmten Raum eingestellten Temperatur und der vom Sensor übertragenen Daten. Wenn die Anzeigen abnehmen, schaltet der Thermostat den Zirkulator aus oder wieder ein.
- Hysterese; Das Gerät sorgt für einen harmonischen Betrieb des Systems. ein Reservetemperaturbereich wird eingestellt; es kann von +/- 1 bis +/- 10 Grad sein; Wenn der Temperaturregler auf 30 ° C eingestellt war, bei einer Hysterese von +5 ° C, schaltet sich die Pumpe bereits bei einer Temperatur von 25 ° C aus. es schaltet sich ein, wenn sich das Kühlmittel auf 35 ° C erwärmt;
- unterbrechungsfreie Stromversorgung USV oder Generator; Das Gerät gewährleistet einen kontinuierlichen Betrieb der Pumpe und eine automatische Steuerung, unabhängig von der Stromversorgung.
Wir empfehlen: Wie viel verbraucht ein warmer Boden?
Anstelle eines Temperatursensors ist am Zirkulator ein Druckschalter installiert. Das Gerät bestimmt die Intensität der Kühlmittelzufuhr zur Leitung. Wasser zirkuliert im System mit einem Druck von 4-6 bar. Wenn die Anzeige steigt, schaltet das Relais die Pumpe aus. Wasser tritt mit niedrigem Druck in das System ein, wodurch die Heizintensität verringert wird. Wenn der Druck in der Leitung abfällt, schaltet das Relais den Zirkulator ein.


Reglerkonzentrator Beok CCT-10 für 8 Kanäle.
PS. Am Ende habe ich dieses Gerät für meine Aufgabe bestellt: Testen des Beok CCT-10 Fußbodenheizungsreglers.
Dies ist ein Gerät aus einem Geschäft auf AliExpress.
Es kostet 2117r.


Es gibt auch einen ähnlichen Konzentrator im Sortiment des Geschäfts, jedoch mit der Möglichkeit, Funkthermostate anzuschließen.


Zwillingsmodelle: das gleiche Gerät, jedoch im Side-To-Side-Store und TWC-08 für 1700r nicht benannt, jedoch ohne Bewertungen und Bestellungen.
Reisepass auf Yandex-Festplatte CCT-10 Hub Controller.pdf.


Lassen Sie uns die Verbindungsdiagramme im Pass studieren.


Es ist nicht ganz klar, ob es für Thermostate mit 220 V geeignet ist. Aber der Preis - billiger als selbst - regt zum Experimentieren an.
Saswell SCU209 Fußbodenheizungszentrale.
SCU209 auf der Website des Herstellers.
SCU209 auf AliExpress.


Die Funkversion für 5 Zonen kostet 4700r.
Die kabelgebundene Option sollte kosten 3600 reiben (bei Amazon 44 Euro).
Leider gibt es jetzt bei AliExpress nur eine Option zum Anschließen von Raumthermostaten per Funk.
Uponor Base X25.
Bemerkenswert sind die modularen Strahlungsheizungssteuerungssysteme von Uponor - sie sind eine der Optionen für das ideale Steuerungssystem für Fußbodenheizungen.
Werfen wir einen Blick auf die einfachste verkabelte Uponor Base X25-Steuerung mit Pumpenrelais.


Dieses Gerät ist es wert mehr als 9400r.
Funktionalität:
- Drehkanalwähler zur einfachen Registrierung von Aktuatoren;
- Pumpenrelais 2A;
- Überspannungschutz;
- Power LED;
- 6 Kanäle (Thermostate);
- 12 Aktuatoren.
Uponor Base X25-Pass im PDF: Installationshandbuch-uponor-base-4.pdf.
Teuer, aber die Uponor-Produktlinie ist eine Erkundung wert.
Das Funktionsprinzip eines Mischers mit Zweiwegeventil
Der Thermokopf mit Sensor für Fußbodenheizung ist an ein System mit Zweiwegeventil angeschlossen. Durch sie wird der Mischeinheit heißes Wasser vom Kessel zugeführt.


Der Sensor erfasst die Temperatur des Heizmediums, das der Fußbodenheizung zugeführt wird, und wenn es hoch ist, unterbricht das Thermokopfventil die Versorgung des Kessels. Die Zirkulation findet entlang des inneren Kreislaufs statt, bis das Wasser abzukühlen beginnt.Wenn die eingestellte Mindesttemperatur des Heizmediums erreicht ist, sendet der Sensor einen Befehl zur Warmwasserversorgung und beginnt erneut mit dem Mischen mit dem Rücklaufwasser.
Der geringe Durchsatz der Zweiwegeventile ermöglicht die Beheizung von Räumen mit einer Fläche von nicht mehr als 200 m2.
Valtec VT.ZC.
Anschlussdose Valtec VT.ZC für 8 Kanäle 220V kostet 6000r.


War es nicht möglich, sich etwas Interessantes auszudenken? Oder denken sie, dass sie "Made in Russia" geklebt haben und es essen?


Reisepass im pdf.
Eine Untersuchung des Passes ergab, dass dieser Controller über alle möglichen Schalter verfügt, mit denen Sie Ausgänge gruppieren und die Kaskadensteuerung einrichten können. Vielleicht das Vorhandensein von Schaltern und beeinflusst den Preis.
1500r Preis für ihn. Und er braucht nur Thermostate mit Kontakten.
Steuerung zur Steuerung von Servoantrieben von Heizkörpern SMART CHR-08.
Es kostet 7950r.
Aus irgendeinem Grund gibt es keinen solchen 220-V-Controller in der Gerätelinie. Betrachten Sie daher den SMART CHR-08-Controller, der 24-V-Servos steuert.


Es ist nicht klar, warum dieses Gerät für diese Art von Geld benötigt wird, da es sich im Wesentlichen um einen Anschlussblock mit Glühbirnen handelt.
Externer Thermokopf für warmen Boden
In einem Fußbodenheizungssystem mit automatischer Steuerung wird die Raumtemperatur durch Thermostate überwacht, die der Steuerung zugeordnet sind. Der entfernte Raumthermostat sendet ein Signal an den Servoantrieb, der das Verteilerventil steuert. Darüber hinaus hat die Steuerung folgende Funktionen:
- Reaktion auf Sensorwerte, auch außerhalb des Hauses;
- Organisation von Heizmodi für bestimmte Räume;
- Ein- und Ausschalten der Heizung in einzelnen Räumen zu unterschiedlichen Zeiten;
- Arbeiten Sie mit der Fernbedienung über GSM-Kommunikation.
Die Kosten für die Automatisierung zahlen sich mit der Zeit aus, da Sie so bis zu 20% der Heizkosten sparen können.


Insolo.
Zonen-Kommunikator Insolo Pro Aqua kostet 14135r.


Reisepass im pdf.
Dieses Gerät ist eindeutig mehr als ein Klemmenkasten. Der Kommunikator kann die Temperatur des Heizmediums für die Fußbodenheizung in Abhängigkeit von der Außenlufttemperatur regeln sowie die Überhitzung über 55 ° C steuern und ausschließen, indem er das Servo des Mischventils mithilfe eines zusätzlichen Außenlufttemperatursensors einstellt.
Der Kommunikator verfügt über Relaisausgänge zur Steuerung des Betriebs des Kessels und der Umwälzpumpe.
Art der Nachtabsenkung der Kühlmitteltemperatur. Schutz gegen Kühlmittelmangel.
LCD-Anzeige mit dem Status der Ein- und Ausgänge. Programmierung über das Kommunikator-Panel.
Es gibt ein Modell ohne Display und Tasten, aber mit Wi-Fi.
Grundsätzlich wurde das Niveau festgelegt, auf das sich Hersteller solcher Geräte bemühen sollten.
Ausstattungseigenschaften
Das Kühlmittel vom Kessel gelangt über die Rohrleitung zum Kollektor. Von dort gelangt die Flüssigkeit in die Bodenleitung. Es gibt Wärme ab und kehrt zum Kollektor zurück, der über einen separaten Rücklauf für den gekühlten Wärmeträger verfügt. Die Umwälzpumpe pumpt Wasser zurück in den Kessel.
Bei manueller Steuerung des Temperaturbereichs werden Ventile mit kaltem Wasser und einem Hochtemperaturkühlmittel im Kreislauf installiert. Wenn sich der Raum gut genug erwärmt hat, ist das Heißwasserventil geschlossen. Wenn der Raum kalt ist, wird das Ventil geöffnet.
Zur automatischen Regelung des Heizmodus ist ein Dreiwegemischer mit Thermostat und externem Temperatursensor installiert. Dieses System bildet ein Thermostatventil. Es wird am Einlass zum Verteiler installiert. Die Ausrüstung besteht aus Messing oder Bronze.
- Das Dreiwegeventil verfügt über 3 Auslässe für heißes und kaltes Wasser sowie für das Heizmedium, das der Bodenleitung zugeführt wird. Auf dem Fall geben Markierungen die Strömungsrichtung unterschiedlicher Temperaturen an.
- Zum Mischen von Flüssigkeiten unterschiedlicher Temperatur ist eine Mischkammer vorgesehen.
- Am Gehäuse befindet sich ein Thermostat mit Temperaturregler.
- Der Temperatursensor befindet sich am Thermostat.
- Die Ventile schließen die Kalt- und Heißstromauslässe. Sie können scheibenförmig oder nadelförmig sein. Ihre Arbeit hängt vom Thermostat ab.
- Der Thermostat ist ein System, das aus einer Flüssigkeitskapsel und einem federbelasteten Schaft besteht. Daran sind Ventile angebracht.
- Der Temperatursensor verfügt über ein digitales Bedienfeld, auf dem die Heizmodi angezeigt werden.
Wir empfehlen: Wie macht man einen trockenen, warmen Boden?
Der Thermostat kann sich im Thermokopf oder im Stellantrieb befinden. Die Geräte haben eine andere Schaltung, aber das gleiche Funktionsprinzip. Der Thermokopf ist ein Thermostat, der mit Hilfe einer Flüssigkeit arbeitet: Er reagiert empfindlich auf Temperaturänderungen.
Die Servos werden vom Stromnetz gespeist. Die Flüssigkeit ist in einem Behälter enthalten. Es enthält eine Heizplatte. Das Servo ist am Verteiler installiert.


Der Dreiwegemischer ist für großflächige Heizsysteme ausgelegt. In getrennten Räumen oder in Landhäusern ist ein Zweiwegeventil an den Kollektor angeschlossen. Es wird in einem Kreislauf mit einem Hochtemperaturkühlmittel installiert. Wasser fließt nur in eine Richtung hindurch.
Relaislogik.
Einfache Relaislogik ist in Ordnung mit meinen Thermostaten. Sie können den Heizungsregler selbst zusammenbauen, zumal dies sehr einfach ist.
Für fünf Richtungen werden 6 Relais benötigt.
Die Spulen der 5 Relais werden parallel zu den Ventilantrieben geschaltet. Ihre Schließkontakte werden parallel geschaltet, um die Pumpe der Mischeinheit einzuschalten, wenn mindestens eine Richtung eingeschaltet ist.
Das sechste Relais steuert den Kessel und dient zum Entfernen von Hochspannung aus der Kontaktgruppe. Die Spule dieses Relais wird parallel zur Pumpe der Mischeinheit geschaltet.
Das Ergebnis wird ein Steuerungssystem mit zusätzlichen Ausgängen sein - es gibt mehrere Kontaktgruppen für das Relais. Mit diesen Kontakten können Sie ein Fernüberwachungssystem erstellen und Statistiken erfassen.
Das billigste Relais mit Steckdose kostet 200 reiben.
AliExpress.com Produkt - Kostenloser Versand HH54P MY4NJ Steckrelais PYF14A 12V 24V 36V 48V 110V 220V DC / AC 5A Silberkontakt 14Pins 4PDT Relaisbuchse
Plus eine Box mit einer Din-Schiene 200 reiben.
Gesamt: 6 * 200 + 200 = 1400 Rubel.
Nun, was wird noch benötigt?



























