Valtec sisteminin avantajları

Yerden ısıtma için Valtec karıştırma ünitesi özellikleri
Kuruluma başlamadan ve bir Valtec yerden ısıtma için bir karıştırma ünitesi seçmeden önce, bu tür su devresinin avantajlarını analiz etmek gerekir.
- Yüksek kaliteli malzemeler, dayanıklı bağlantı elemanları sayesinde güvenilir çalışma sağlanır.
- Modüler olarak tasarlanmış bileşenler, sızıntı riskini ortadan kaldırarak tam olarak birbirine uyar.
- Üretici, termal ve su geçirmezlik ekipmanı için gerekli olan ilgili malzemelerin üretimini sağlamıştır.
Kurulum sistemleri
Su ısıtmalı bir zemin döşemenin çeşitli yolları vardır. Genellikle, üzerine ısıtma elemanlarının monte edildiği beton bir tabana ısı yalıtım malzemesi yerleştirilir. Haddelenmiş substrat VT.HS.FP, 2 malzemeden yapılmıştır - köpüklü polietilen ve ürünün önünde bulunan metalize bir katman.


Üst kaplamanın yansıtıcılığından dolayı su ile ısıtılan zeminin verimi artar. Kurulumu basitleştirmek için, boruların kolayca monte edilebildiği malzemenin yüzeyine işaretler uygulanır. İnce bir altlık, toplam zemin yüksekliğini artırmayacaktır. Ancak özellikleri, ısıtmanın daha fazla ısı transferine katkıda bulunur.
Hesaplama talimatları
Sıcak bir zemin döşemek için bir projeyi doğru bir şekilde geliştirmek için, ana göstergelerin ortalama değerlerine odaklanarak bir ön hesaplaması gerekecektir.
Su ısıtmalı zeminin kendin yap montajı
Ana ısıtma türü olarak su tabanının rolü veya ek bir ısı kaynağı olarak kullanımı dahil olmak üzere çeşitli faktörler dikkate alınmalıdır. Kendi kendine yürütme için ayrıntılı bir hesaplama karmaşık bir süreç olduğundan, pratikte ortalama parametreler kullanılır.


Valtec karıştırma seti bağlantı şeması
- Anma gücü 90 - 150 W / m2 aralığına sahiptir. Nem oranı yüksek odalar için daha yüksek değerler seçilir.
- Döşeme adımını hesaplarken, 15–30 cm aralığına odaklanmak gerekir Bu gösterge ile, özgül ısıtma gücü ters orantılı ilişki içindedir. Yani, adım ne kadar büyükse güç o kadar azdır.


Pompa-karıştırma ünitesinin termal-mekanik diyagramı - Büyük çaplı borularla, içlerinden daha büyük miktarda soğutma sıvısı geçmesine rağmen, şapın kalınlığı, zeminde aşırı yük oluşturmamak için çok büyük olması tavsiye edilmeyen bu gösterge için bir sınırlayıcı görevi görür. Bu nedenle, 16 ila 20 mm çapında bir anti-difüzyon kaplamalı modern çapraz bağlı polietilenden yapılmış Valtec borular dikkate alınır ve bağlantı parçaları olarak Valtec pres bağlantı parçaları kullanılır.
Anahtar parametreleri belirledikten sonra, en rasyonel boru döşemesinin kesin bir ölçekte belirlendiği bir şema geliştirilebilir. Bundan sonra toplam uzunlukları hesaplanır. Aynı zamanda pompalama ve karıştırma ünitesi ile kontrol elemanlarının nereye yerleştirileceği düşünülmektedir.
Tek bir ısıtma sisteminde yerden ısıtma için iki pompalama ve karıştırma ünitesi.
Bir ısıtma sisteminde iki yerden ısıtma armatürüm var.


Onarımın ilk aşamasında hemen bir tane yaptım ve geçici olarak kurdum.
Bu karıştırıcı sıcak zeminin bir dalını çalıştırırken. Daha sonra tadilatın sonunda diğer odalara taşımayı amaçladı. Bu kolu yeni bir yerde miksere bağlamak için yere boruları döşedim.
Ancak hiçbir şey geçiciden daha kalıcı değildir.
Ve yeni bir yere aynı karıştırıcıdan bir tane daha kurdum.
Bir gün ilk karıştırma ünitesini çıkaracağım - ikinci karıştırma ünitesinin kollektörü bu branşı bağlamak için bağlantı parçalarına sahip ve borular çoktan döşendi.
Lütfen, ilk fotoğraftaki karıştırıcının, kazanda ayarlanan sıcaklıkta, 50 derece, soğutucunun besleme sıcaklığını 25 dereceden fazla sağlayamayacağını unutmayın. Fotoğraf, 60 derecelik bir kazan sıcaklığında ulaşılan ve karıştırıcının termostatik kafası 40 dereceye ayarlanmış olan 30 derecelik soğutma suyu sıcaklığını göstermektedir.
Fotoğraf, 60 derecelik bir kazan sıcaklığında ulaşılan ve karıştırıcının termostatik kafası 40 dereceye ayarlanan 30 derecelik bir soğutma suyu sıcaklığını göstermektedir.
Bu, böyle bir bağlantıyla anlaşılabilir bir durumdur.
Paradoks, bunun (25 derece) odayı nispeten hızlı bir şekilde birkaç derece ısıtmak ve ayarlanan sıcaklığı korumak için yeterli olmasıdır.
Karıştırma ünitesinin temel özellikleri
Kurulu su devresinin etkili bir şekilde çalışması için, tüm sistemin doğru bir şekilde hesaplanması ve Valtec döşeme altı karıştırma ünitesinin kite ekli talimatlarda belirtilen hükümlere uygun olarak doğru şekilde kurulması gerekir.


Karıştırma ünitesinin farklı ısıtma türlerine bağlantı şeması
Pompa karıştırma ünitesi parametreleri:
- boruların kesiti ¾ ", kollektörler - 1";
- tasarımda 12 branşman borusu var;
- pompalama sistemi 18 cm uzunluğundadır;
- sistemdeki ısıtılmış suyun sıcaklık rejimi 90 ° C'ye kadar tutulur;
- maksimum basınç değeri - 10 bar;
- verim - 2,75 m3 / s.


Valtec pompa ve karıştırma ünitesi özellikleri
Borular, Eurocone bağlantılı bir dış dişe sahiptir.
Yerden ısıtma için pompa ve karıştırma ünitesi
Kurulum
Valtec yerden ısıtma, zaten bildiğimiz gibi, ısı kaynağı olarak sıcak su kullanıyor. Bu sistemin çalışması şu şekilde gerçekleştirilir: sıcak suyun dolaşacağı zemin yüzeyinin çevresi boyunca bir boru yerleştirilir. Su, merkezi ısıtma veya bir gaz kazanı kullanılarak ısıtılabilir (ancak ikincisi tercih edilir, çünkü yerden ısıtma sisteminin çalışması su sıcaklığına, şebekedeki basınca veya merkezi ısıtmadaki mevsimsel su kesintilerine bağlı olmayacaktır. ağ).


Sıcak zeminin işiyle tam olarak başa çıkabilmesi için birkaç noktayı hatırlamak gerekir: ilk olarak, ısı yalıtımı zorunludur; ikincisi, en çok ısı ileten malzemeleri seçmeniz gerekir; üçüncüsü, boruya zarar vermemek ve ısıtacağımız yüzey alanını arttırmak için boruyu çimento şapı içine döşemek gerekir.
İşlevsellik
Pompalama ve karıştırma ünitesinin temel amacı, soğutma suyunun su devresine girdiğinde sıcaklığını, dönüş hattından suyu karıştırmak için kullanarak stabilize etmektir. Böylece, yerden ısıtma, aşırı ısınma olmadan en iyi şekilde çalışır.
Kombi tertibatı aşağıdaki servis elemanlarını içerir:
- tahliye vanaları;
- Hava boşluğu;
- termometreler.


Kombi ünitesi nasıl çalışır?
Düğümü ayarlamak için aşağıdaki organlar kullanılır:


Sınırsız sayıda yerden ısıtma branşmanını VALTEC COMBIMIX düğümüne toplam gücü 20 kW'dan fazla olmayan şekilde bağlamaya izin verilir.
- ikincil devre üzerinde, belirtilen sıcaklığı sağlamak için besleme ve dönüş boru hatlarından gerekli miktarda ısı taşıyıcılarının karıştırılmasını sağlayan bir dengeleme vanası;
- üniteye gerekli miktarda sıcak su sağlamaktan sorumlu birincil devre üzerindeki dengeleme ve kapatma vanası. Gerekirse akışı tamamen kapatmanıza olanak tanır;
- pompanın tüm kontrol vanalarının kapalı olduğu bir durumda çalışmasına izin vermek için ek bir baypasın açılmasına izin veren bir baypas valfi.
Bağlantı şeması, gerekli sayıda yerden ısıtma branşmanını pompa ve karıştırma ünitesine toplam su tüketimi 1,7 m3 / saat'i geçmeyecek şekilde bağlama olasılığı dikkate alınarak tasarlanmıştır. Hesaplama, 5 ° C'lik bir sıcaklık farkı ile soğutucunun akış hızının benzer bir değerinin 10 kW'lık bir güce karşılık geldiğini göstermektedir.
Karıştırma ünitesine birkaç dal bağlıysa, VTc.594 ve VTc.596 adıyla Valtec hattından manifold bloklarının seçilmesi önerilir.
Valtec su ısı yalıtımlı zemin
İyi bilinen "Ayaklarınızı sıcak tutun ve başınızı soğuk tutun" sözü, günümüzde çok popüler olan "sıcak yerden" ısıtma sisteminin en iyi tanımıdır. Nitekim, radyatör ısıtmasına kıyasla, yerden ısıtma, bir kişi için en rahat koşulları yaratır. Isı eşit olarak dağıtılır ve bu da optimum iç mekan ikliminin korunmasına yardımcı olur. Ek olarak, yerden ısıtmanın kullanılması, büyük ısıtma cihazlarından enerji tasarrufu yapmanıza ve yaşam alanını serbest bırakmanıza olanak tanır; bu, alanı en verimli şekilde kullanmanıza ve bir oda tasarımı seçerken görevi zorlaştırmanıza izin vermez.
Yerden ısıtma sistemini uygulayabilmek için, odanın sıcak zeminin "eşiğini" karşılayacak bir yükseklik rezervine sahip olması gerekir. Yerden ısıtma yapısının gerekli minimum yüksekliği 85 mm'dir (zemin kaplaması hariç).


Sıcak bir zeminin döşenmesi için aksesuarlar
1. Trompet
Çoğu durumda, XLPE boru kullanılır.
XLPE borular çeşitli alanlarda aktif olarak kullanılmaktadır. Avantajları:
- Sıcak su temini ve ısıtmada boru kullanımına izin veren yüksek sıcaklıklara direnç; - elastikiyet, elastikiyet, malzemenin sözde moleküler belleği (mekanik stres sonrası şeklini geri yükleme yeteneği). Çapraz bağlı polietilenden yapılmış boruların ısıtılmadan (belirli yarıçaplara kadar) ve özel bir aletle bükülebilmesine ek olarak, taşınan sıvının birkaç donma döngüsüne dayanabilirler, yayılmazlar (tersine emerler) gürültü ve titreşimler ve hidrolik şokları emer; - kimyasal ve elektriksel eylemsizlik, agresif ortama direnç (ve dolayısıyla korozyona duyarlı olmama); - iç yüzeyin düşük pürüzlülüğü (bu, hidrolik direnci azaltır, kanalların aşırı büyümesini hariç tutar); -sıradan polietilenden daha yüksek, ultraviyole ışınlarına direnç; - hijyenik (boru malzemesi çalışma sıcaklığı aralığında akışa zararlı maddeler yaymaz); - aşındırıcı aşınma ve yaşlanmaya karşı direnç; - boruların hafifliği, bunları büyük uzunlukta rulolar halinde satın alma imkanı; - kurulumun basitliği ve üretilebilirliği.
PE-X'den yapılmış boruların dezavantajları arasında yüksek bir termal doğrusal genleşme katsayısı (0.15-0.20 mm / m x ° C); güneş ışığına uzun süre maruz kalmaya duyarlılık (yukarıda söylenenlerle çelişki yoktur); kurulum sırasında verilen bükülme şeklini koruyamama (boru kelepçeler veya kelepçeler kullanılarak sabitlenmelidir).


Şu anda polietilenin çapraz bağlanması için 3 yöntem kullanılmaktadır:
-PE-Xa (peroksitler varlığında yüksek basınçlı ısıtma). Peroksit yöntemi (PEX-a), polietilenin çapraz bağlanmasına yönelik kimyasal bir yöntemdir ve organik peroksitler ve hidroperoksitler ile çapraz bağlanmayı içerir. Bu yöntemle elde edilen boru hattı, yaklaşık% 75'lik bir çapraz bağlanma derecesine sahiptir.
-PE-Xb (biri silan olan kimyasallara maruz kalma). Silan yöntemi (PEX-b) de kimyasaldır. Bu şekilde çapraz bağlanırken organosilanidler kullanılır. Bu yöntemle minimum dikiş oranı% 65 ile sınırlıdır;
-PE-Xc (bitmiş ürünün elektron ışınlaması) - Radyasyon çapraz bağlama (PEX-c), yüklü parçacıkların akışı kullanılarak gerçekleştirilir. Dikiş oranı yaklaşık% 60'tır.
Hafıza etkisi
Şekil belleği, düzenleme için çok kullanışlıdır.Boru hattının montajı sırasında bir kırılma, sıkma veya başka bir deformasyon oluşursa, boru hattını 100-120 ° C sıcaklığa ısıtarak kolayca ortadan kaldırılabilir. Ek olarak, bir PEX boru hattını bir armatüre bağlarken, fitingin oluklarında da deformasyonlar meydana gelir (Şekil 2). Soğutucu verildiğinde ve boru hattı ısındığında, bu yerlerde geri yükleme kuvvetleri ortaya çıkar. Bu çabalar nedeniyle, boru hattı bağlantıya daha sıkı oturur ve bu da bağlantının güvenilirliğini artırır.
Modern ısıtma sistemleri için, oksijenin soğutucuya girmemesi önemlidir. Penetrasyon yollarından biri, plastik boruların duvarlarından difüzyondur. Bu nedenle, ısıtma için PEX borular ek olarak etilen vinil alkol (EVOH) bazlı bir polimer gaz geçirmez katmanla donatılmıştır.
VALTEC, çapraz bağlı polietilen PE-Xb'den yapılmış PEX-EVOH polietilen borular sunmaktadır. Borunun dışı, 50 mikron kalınlığında bir EVOH anti-difüzyon tabakası ile kaplanmıştır. Borunun dış ve iç katmanları birbirine Plexar PX 3216 elastik tutkal kullanılarak yapıştırılır.
VALTEC PEX-EVOH borusunda, anti-difüzyon katmanı dışarıdan yapılır, yani boru üç katmanlı bir yapıya sahiptir: PEX-glue-EVOH.Piyasada beş katmanlı olanlar da vardır (PEX-glue- EVOH-tutkal-PEX)
Üç katmanlı bir yapıdaki EVOH'nin dış katmanının aşınmaya eğilimli olduğu yanılgısıdır. EVOH katmanının sertliği PEX katmanından önemli ölçüde daha yüksektir, bu nedenle uygun şekilde kullanılırsa dış katmana zarar gelmesi olası değildir.
6 barlık bir basınçta, bunlar için çalışma sıcaklığı 80 ° C ile sınırlıdır (bu parametrelerin aşılmaması 50 yıllık boru çalışması için bir koşuldur). Kısa bir süre için ısı taşıyıcının 95 ° C'ye kadar ısınmasına izin verebiliriz.
VALTEC PEX-EVOH boru hatları için% 68-70 polietilen çapraz bağlanma derecesi aralığının seçimi, boru hattının mukavemet özelliklerinin optimum oranı ve esnekliğinden kaynaklanmaktadır. Örneğin, bir VALTEC PEX borusu, oda sıcaklığında borunun beş çapına eşit bir yarıçap ile ve bir boru bükücü veya iletken kullanıldığında - üç çapa eşit bir yarıçap ile manuel olarak bükülebilir. % 70'den fazla çapraz bağlı boru hatları, en az yedi çaplı bir manuel bükülme yarıçapına sahip olacaktır. Bu derecede çapraz bağlanma ile boru hattında daha büyük bir bükülme ancak bir bina saç kurutma makinesi kullanılarak elde edilebilir.
2. Kollektör grubu
Yerden ısıtma için kollektörün işlevleri, soğutucunun sistem devrelerinde dağıtılması ve uygun ekipman varsa, döngülerin hidrolik olarak dengelenmesi, akışların bloke edilmesi, çalışma sıvısından havanın alınması, soğutucunun boşaltılmasıdır. VALTEC manifoldlar, nikel kaplama veya paslanmaz çelik ile yüksek kaliteli sıhhi pirinç CW617N'den yapılmıştır. Temellerine göre monte edilen manifold blokları, gerekli boru tesisatı elemanları ile donatılmıştır - kapatma, ayar valfleri, otomatik havalandırma delikleri, boşaltma valfleri. Blok bağlantıları EPDM halkalarla kapatılmıştır, başka hiçbir sızdırmazlık malzemesi gerekmez. Boru ilmeklerini bağlamak için standart Eurocone'dur. Set, duvara (veya bir kontrol kabinine) kolektör montajı için braketler içerir. Hazır VALTEC modüllerinin kullanımı - manifold blokları, pompalama ve karıştırma üniteleri - su yerden ısıtma oluşturma, zamandan, paradan, yerden tasarruf etme, tasarım ve kurulum hatalarının risklerini en aza indirme sorunlarına en basit çözümdür.


3. Pompa karıştırma ünitesi
VALTEC COMBIMIX pompa karıştırma ünitesi (VT.COMBI), ikincil devrede (dönüş hattından karıştırma nedeniyle) belirtilen soğutma sıvısı sıcaklığını korumak için tasarlanmıştır. Bu ünite ile mevcut yüksek sıcaklıklı ısıtma sistemi ile düşük sıcaklıklı yerden ısıtma devresini hidrolik olarak bağlamak da mümkündür. Ünite, ana kontrollere ek olarak, gerekli tüm servis elemanlarını da içerir: sistemin bir bütün olarak bakımını basitleştiren bir hava deliği ve bir boşaltma valfi.Termometreler, ek cihazlar ve aletler kullanmadan ünitenin çalışmasını kolayca izlemenize olanak sağlar. Sınırsız sayıda yerden ısıtma branşmanını VALTEC COMBIMIX düğümüne toplam gücü 20 kW'dan fazla olmayan şekilde bağlamaya izin verilir.
Sistem kurulumu üretici tarafından açıklanmaktadır. Tanımak için https://valtec.ru/document/article/combinix-balancing.html bağlantısını takip edin.
KURULUM
Odanın etrafına yerden ısıtma döngüleri yerleştirme yöntemleri


Düzensiz şekilli odalarda veya özel bir amaç için yılan. Bu konfigürasyonla, bu tür bir kurulum için tipik olan zemin yüzeyi ile ortam arasındaki sıcaklık farkını önemli ölçüde artırmamak için besleme borusunu dış duvarlara doğru döşemek gerekir.
Çoğu durumda kullanılan bir salyangoz, daha eşit bir sıcaklık dağılımı sağladığından (besleme borusu dönüş borusunun yanına döşenmiştir), bu da döşeme işini basitleştirmektedir, çünkü sadece 180 ° 'lik iki tur gerektirmektedir: paralel boru sayesinde döşeme.
"Yılan" düzeni ile karşılaştırıldığında, ikinci seçenek boru sayısında% 10 =% 15 tasarruf sağlar ve 180 derecelik az sayıda bükülme nedeniyle hidrolik özellikler açısından önemli ölçüde kazanır.
1-Manifold kabini, manifold ve pompa-karıştırma ünitesinin montajı
2- Zemin hazırlığı
Yüzey düzensiz olmalıdır
Duvarlardan ısı kaybını azaltmak ve deformasyonları telafi etmek için duvarların çevresi boyunca sönümleme bandı döşenir.
Isı yalıtımı için polistiren köpük serilir (şapın temel yapısının bir unsuru olması durumunda ekstrüzyon PPP döşenir.
"Başlıklar" sayesinde boru, ek olarak takılmamasını mümkün kılan güvenilir bir sabitleme ile döşenir.
Eurocone kaplinler sayesinde borular kollektöre bağlanır ve izolasyon yoğuşma oluşumunu engeller ve boruyu betonun etkilerinden korur. Yapılan bağlantıların güvenilirliğini kontrol etmek için bir basınç testi yapılır (ÖNEMLİ! Sistem kışın çalıştırılmazsa, basınç testi sırasında suyu boşaltmak veya bir antifriz sıvısı dökmek gerekir).
Bu adımlardan sonra şap dökülür ancak betonun sıkıştırmaması için boruları basınç altında bırakmak önemlidir. Beton 28 günde dayanımına, 5 günde% 75 dayanımına kavuşur.


Valtec, rahat koşullar yaratabileceğiniz ekipman sunar, ancak ekipmanı kurarken ve yapılandırırken zorluklardan korkmamalısınız, çünkü tüm malzemeler gözden geçirilebilir. Siz veya kurulumu yapacak olan kişi her şeyi sorunsuz bir şekilde hesaplayabilecek, kurabilecek ve devreye alabilecek, daha sonra evinizdeki konforun tadını çıkaracaksınız.


Kurulum Algoritması
Tüm bileşenlerin ön hesaplaması tamamlandıktan sonra, birkaç aşamanın geçişini içeren sıcak zeminin montajı doğrudan başlar.


Yerden ısıtma şeması
- Manifold kabininin önceden seçilmiş bir yerine kurulum. İçinde yüksek sıcaklık devresine bağlantının yapılacağı bir manifold bloğu ve küresel vanalı bir pompa-karıştırma ünitesinden oluşan bir modül barındırır.
- Zemin düzleminin hazırlanması. Önemli düzensizlikler varsa bunları ortadan kaldırmak için önlemler alınır. En etkili seçenek kaba bir şaptır.


Pompalama ve karıştırma ünitesinin sıcak zemine bağlantı şeması - Sönümleme bandının çevresi boyunca sabitleme, ısıtıldığında ortaya çıkan şapın olası genişlemesini telafi eden bir eleman görevi görür. Duvarlara tutturulur, böylece bitirdikten sonra kaideyi takmadan önce kesilen bir fazlalık olur.
- Gerektiğinde su yalıtımının döşendiği montaj başlıkları ile genişletilmiş polistiren plakaların düzleştirilmiş zeminine döşenerek ısı yalıtımı için ekipman.
- Önceden geliştirilmiş bir diyagram, sonraki boru düzeni için bir kılavuz görevi görür.
Bir kollektör nasıl monte edilir?
Valtec dağıtım bloğu monte edildi.Sıcak boruya halihazırda takılı akış ölçerler vardır. Soğuk hat üzerinde termal kafalar vardır, ancak ürün yalnızca sıcaklık kontrol cihazlarını takmak için çıkışlara sahip olabilir. Plastik kapaklarla korunurlar. Üretici, hangi otomasyonun kurulacağını seçmeyi mümkün kılar: bir termal kafa, bir servo sürücü.
Bazı küçük elemanları kollektör grubuna bağlamak gerekir:
- Sağ tarafta, kapama vanaları borulara bağlanır. Set 2 adettir.
- Hava tahliyesi için vanalara bir şamandıra cihazı bağlanır.
- Drenaj vanaları, boruların alt tarafındaki hava menfezlerinin karşısına bağlanır.
- Tarak uçları tapalarla kapatılır.
Önerimiz: Valtek yerden ısıtma kitine neler dahildir?
Manifolda ayrı olarak bir sirkülasyon pompası ve üç yollu veya iki yollu bir valf bağlanır. Bu cihazlar ayrı satılır. Soğuk soğutucunun girdiği borunun soluna bağlanırlar. Pirinç dişli bağlantı parçaları kullanın.
Bir kazan veya sobaya bağlı metal borulardan soğuk ve sıcak devreler çıkarılır. Kollektör grubu çıkışına bir baypas vasıtasıyla bağlanırlar. Devreler arasına sıcaklık sensörlü bir sirkülasyon pompası takılmıştır.
Isıtma sistemi test edilirken rotametre ayarı yapılır. Termovel cihazdan çıkarılmalıdır. Kırmızı halkayı, üst manşonu kullanarak rotametreyi sıfıra ayarlayın.
Daha sonra, aynı burç kullanılarak vana, büyük odalar için o, küçük odalar için o üzerine monte edilir. Rotametre parametrelerini sabitlemek için alt halka durana kadar sağa çevrilir.
Koruyucu kapağı orijinal yerine geri koyun. Değişken alanlı akış ölçerin bir tutma halkası olmayabilir. Bu durumda, boru hattının doldurma hızı sabitlenmeden ayarlanır. Vana işlevi düzenli olarak kontrol edilmelidir.
Yerden ısıtma için "Valtek" kollektörleri bir sıvı ısıtma sistemi ile kurulur. Soğutucu, düşük sıcaklıklarda donmayan su, antifriz, glikol dolgu maddeleri olabilir. Isıtma sistemi kullanılmıyorsa, soğutucunun boşaltılmasına gerek yoktur.
Dağıtım bloğundaki devre sayısı 3-12 adettir. Gerekirse, soğutucunun evdeki tüm odalara akış kapasitesini artırmak için bunlara ek ekipman bağlanabilir.


Tarak duvara sabitlenir veya bir manifold dolabına yerleştirilir. Üretici, 10 yıllık donanım garantisi vermektedir. Servis merkezleri Moskova, St. Petersburg'da bulunmaktadır. Birim 50 yıldan fazla hizmet verecek.
Gerekirse, rotametre veya termal kafa, ısıtma sistemi kapatılmadan değiştirilebilir. Programlanabilir bir termostat kullanırken, yerden ısıtma kontrol ünitesinin çalışması elektronik aletler aracılığıyla gerçekleştirilebilir.
Önerimiz: "Kombine ısıtma: sıcak zemin ve radyatörler" sisteminin özellikleri
YouTube bir hatayla yanıt verdi: Erişim Yapılandırılmadı. YouTube Data API daha önce 268921522881 projesinde kullanılmamıştı veya devre dışı bırakıldı. Https://console.developers.google.com/apis/api/youtube.googleapis.com/overview?project=268921522881 adresini ziyaret ederek etkinleştirin ve ardından yeniden deneyin. Bu API'yi yakın zamanda etkinleştirdiyseniz, işlemin sistemlerimize yayılması için birkaç dakika bekleyin ve yeniden deneyin.
- Benzer gönderiler
- Elektrikli yerden ısıtma nasıl kurulur?
- Yerden ısıtma nasıl bağlanır?
- Yerden ısıtmanın artıları ve eksileri
- Sıcak bir zemin nasıl bağlanır?
- Yerden ısıtma prensibi
- Laminat parke sıcak bir zemine döşenebilir mi?
Özelleştirme
Boruları manifoldlara bağlamak için, istenen uzunlukta kesmek için bir boru kesici, pah kırma için bir kalibratör ve bir sıkıştırmalı bağlantı parçası kullanın. Evde ayrıntılı bir hesaplama yapmak zordur, bu nedenle, pompalama ve karıştırma ünitesinin ayarını belirli bir sırayla detaylandıran talimatlar incelenmelidir.
- Termal kafa çıkarılır.
- İkincil taraftaki dengeleme vanası için kapasite formül kullanılarak hesaplanır.


Karıştırma ünitesinin iki çeşidi
kνb = kνt {[(t1 - t12) / (t11 - t12)] - 1},
burada kνt - katsayı = 0.9 valf verimi;
t1 - beslemedeki birincil devrenin su sıcaklığı, ° С;
t11 - soğutma sıvısı kaynağındaki ikincil devrenin sıcaklığı, ° С;
t12 - dönüş boru hattının su sıcaklığı, ° С.
Hesaplanan kνb değeri vana üzerinde ayarlanmalıdır.
- Maksimum fark basınç değeri 0,6 bar olarak ayarlanırken baypas vanasının istenen çalışma modunun ayarlanması.
- Yerden ısıtmanın verimli çalışması için gerekli pompa hızı ayarlanır. Bunu yapmak için, ikincil devre sistemindeki soğutucunun akış hızının değerinin yanı sıra üniteden sonra bulunan devrelerde ortaya çıkan basınç kayıplarının belirlenmesi gerekir.


Valtec karıştırma ünitesi ekipmanı
Tüketim G2 (kg / s) aşağıdaki formülle belirlenir:
G2 = Q / [4187 • (t11 - t12)],
Q, karıştırma ünitesine bağlı su devresinin toplam termal gücüdür, J / s;
4187 [J / (kg • ° С)] - suyun ısı kapasitesi.
Basınç kaybını hesaplamak için özel bir hidrolik hesaplama programı kullanılır. Anahtar kullanılarak ayarlanan pompa hızını hesaplanan göstergelere göre belirlemek için, yerden ısıtma yapısına ekli talimatlarda bulunan bir nomogram kullanılır.


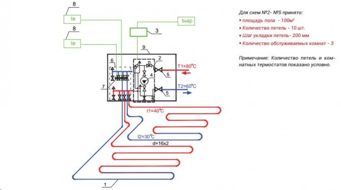
Yerden ısıtma devreleri için bağlantı şeması
- Birincil devre üzerindeki dengeleme vanasını ayarlamak için işlemler yapılır.
- Sıcaklık regülatörü, konforlu ısıtma için gereken sıcaklığa ayarlanmıştır.
- Sistemin bir deneme çalışması devam ediyor.
Sızıntı olmaması durumunda, beton bir şap yapmaya devam eder ve tamamen sertleştikten sonra zemin kaplamasını döşeyin.
Akort sayaçları ile ayar manifoldları
Yerden ısıtma kollektörlerinin ön ayarı gerekli ve önemlidir. Sistemde termostatlar, kontrolörler ve diğer otomasyon olsa bile. Ayarlamayı otomasyona emanet ederseniz, bir süre sonra tüm akışlar olabildiğince açık olacaktır. Bu yüzden sisteme başlamadan önce kollektörü kuruyoruz. Kazanı açmadan soğuk bir sistemde akış hızını ayarlayın. Döngülerin maliyetleri ayarlandıktan sonra ısıtma başlatılır - sıcaklığı kontrol etmek için.


Debimetreli Valtec manifoldun kurulumu daha kolaydır
Akış ölçer ve cihazı nedir
Akış ölçerler, daha kolay, daha doğru ve onlarla daha hızlı olan akışların ilk ayarlanması için kullanılır. Ek olarak, çalışma sırasında, kurulum sırasında ayarlananla ilişkili olarak mevcut akış oranını tahmin etmenize olanak sağlarlar. Akort etme mekaniğini anlamak için, sayacın nasıl çalıştığını ve nasıl çalıştığını bilmeniz gerekir. Yay ile desteklenen dikme valfli içi boş bir gövdedir. Yay kalibre edildi. Üstü, bir ölçekle şeffaf bir koni haline getirilir.


Valtek akış ölçer nasıl çalışır?
Akış değerlerine göre gezinebilmek ve hatta onu düzenlemek için yaya bir akış göstergesi takılmıştır. Teslimatta takılan akış ölçerler için akış göstergesi varsayılan olarak gövdenin üst kısmına takılır. Bu konumda "0" ı gösterir ve akış engellenir (yukarıdaki fotoğrafta olduğu gibi). Sayaçların bir dönüş manifolduna monte edilmesi amaçlanıyorsa, akış göstergesi alttadır.
Ayar manşonunun konumu sabitlenmiş ve sabitlenmemiş olmak üzere iki tür akış ölçer vardır. İlki daha güvenilirdir, çünkü ayarlar kaybolmaz, bu normal ayarlarda olabilir. Ama daha pahalıdırlar. Ve manifold tertibatının kendisi ucuz olmadığından, akış ölçerler genellikle sabitlenmeden kurulur.
Akış ölçerde akış nasıl ayarlanır
Ölçek, 0'dan 5'e kadar işaretler ve sayılar içerir. Sayı, akışın kuvvetini gösterir - bu, soğutucunun saniyede metre (m / s) cinsinden hareket hızıdır. Akış ayarlama prosedürü aşağıdaki gibidir:
- Koruyucu kapağı çıkarın (gevşetin). Valtec manifoldlarında kırmızıdırlar.
- Sabitleme kovanını gevşetin. Orada değilse bu adımı atlıyoruz.


Metreyi bir Tutma Halkası ile Hizalama - Akış göstergesi sıfırda durana kadar ayarlama manşonunu kaydırın.
- İstenilen değeri ayarlayarak ters yönde büküyoruz.


Akış ölçeri tutucusuz hizalama - Bir tespit kovanı varsa, durana kadar vidalayın.
- Koruyucu bir örtü takıyoruz.
Böylece, sıcak zeminin her bir döngüsünün akış ölçerlerini birer birer ortaya çıkarıyoruz. Anladığınız gibi, sabitleme manşonu olmadan biraz daha az adım vardır.Lütfen dikkat: sıfır ayarlı adımı atlamamak daha iyidir. Fazla zaman almaz, ancak kalibrasyonu kontrol etmenize izin verir.
Yerden ısıtma debimetrelerini ayarlama tekniği
Her şey kurallara göre yapılırsa, her döngüdeki akışları gösteren bir ısı mühendisliği hesaplamasına sahip olmalısınız. Bir planın var mı? Ardından plana göre değerleri ayarlayın. Değilse, konturların boyutuna göre ilerleyeceğiz. Aynı enine kesite sahip bir boru döşenmesi şartıyla, gerekli ısı transferine göre akışı değiştirmek gerekecektir. Ancak bu durumda, her döngüde borunun uzunluğunu bilmek gerekir.
Bir örneğe bakalım. Dört devremiz olsun: 90 m, 75 m'nin ikisi ve 50 m.Valtek kollektörünün debimetrelerini ayarlama prosedürü aşağıdaki gibidir:
- En uzun döngüde, 90 m uzunluğunda, akış ölçeri tamamen açın (maksimum akış gerekiyorsa) veya gereken değeri ayarlayın. Bu durumda maksimum akış hızının gerekli olduğunu varsayalım - 5 m / s. Bunu yapmak için akış göstergesini en alta indirin. 5 m / s işareti var.


Aynı uzunluk için akışlar farklı olabilir. Gereksinimlere (ana ısıtma veya ek ısıtma) veya döşemeye bağlıdır - 75 metre için gerekli debiyi hesaplayalım. Uzunluk oranına göre belirlenir: 75/90 = 0.83. İlk döngüdeki akış hızı (5 m / s), elde edilen şekil ile çarpılır. 5 m / s * 0.83 = 4.17 m / s çıkıyor. Akış göstergesini 4 m / s işaretinin hemen altındaki 75 m'lik iki döngü üzerine yerleştirdik.
- Aynı şemayı kullanarak, 50 metrelik bir devre için akış oranını hesaplıyoruz: 50/90 = 0.55. Soğutucunun gerekli hareket hızını hesaplıyoruz: 5 m / s * 0,55 = 3,7 m / s. Akış göstergesini işarete ulaşmadan biraz önce açığa çıkarıyoruz 4.
En uzun döngüdeki akış mümkün olan maksimum değerden daha düşükse, bunun üzerinde gerekli değeri ayarlayın (en az 3 m / s, en az 2 m / s). Geri kalanı bu akış hızı kullanılarak yeniden hesaplanır.
Sonra kazanı açıyoruz ve kollektörün ne kadar doğru yapılandırıldığını kontrol ediyoruz. Aynı uzunlukta ve aynı akış hızı ayarlandığında, bir devrenin çok daha iyi ısındığı ortaya çıkabilir. Bu, farklı bir istifleme modelinden kaynaklanmaktadır. Daha kötü ısınan bir devrede, büyük olasılıkla daha fazla viraj vardır veya daha diktir. Bu, soğutucunun hareket hızını azaltan hidrolik direnci artırır. Bu, daha az ısı transfer edildiği anlamına gelir. Çözüm, tüketimi biraz artırmak ve sonucu görmektir.
Su karıştırma sistemi nasıl çalışır?


Birkaç oda için karıştırma sistemi
Nispeten konuşursak, yerden ısıtma için karıştırma ünitesi şu şekilde çalışır:
Sıcak sıvı, yerden ısıtma kollektörüne ulaşır ve sıcaklığı çok yüksekse bir emniyet valfi tarafından durdurulur. Basınçtan, damper tetiklenir ve soğutulmuş sıvıyı dönüş hattından (devreden geçmiş ve soğumuş olan) geri beslemeye başlar. Sıcaklık optimum hale gelir gelmez valf tekrar kapanır. Aşağıda tartışacağımız su karışımını düzenlemenin birkaç yolu vardır.
Ayrıca, çoğu zaman manifold tertibatı sadece optimal bir sıcaklık seviyesini korumakla kalmaz, aynı zamanda dolaşımı iyileştirmek için devredeki basıncı da arttırır.
Genellikle aşağıdaki unsurlardan oluşur:
- Yukarıda bahsettiğimiz emniyet valfi. Sıcaklık çok ısınırsa karıştırmayı açar.
- Su basıncını artıran ve eşit şekilde ısıtma yapan bir sirkülasyon pompası.
Ek olarak, ünite ayrıca aşırı yük koruması için bir baypas, suyu boşaltmak için valfler ve hava delikleri içerebilir. İhtiyaçlarınıza bağlı olarak çeşitli şekillerde monte edilebilir.
Karıştırma ünitesi her zaman yerden ısıtma devresine kadar kurulur, ancak bağlantı yeri farklı olabilir: doğrudan odada, kazan dairesinde veya manifold kabinindeki başka bir odada.


























