Makaleden bir ısıtma elemanının ne olduğunu, hangi amaçlarla kullanıldığını, nasıl bağlandığını öğreneceksiniz. Ayrıca ne tür bir tasarıma sahip olduğunu da öğreneceksiniz. Kısacası, bu elektrikli bir ısıtma cihazıdır ve kısaltmanın kendisi oldukça basittir. Borulu bir elektrikli ısıtıcıdır. Bu adı, genellikle bu elemanların seramik, cam veya metal tüpler şeklinde yapılmasından dolayı almaktadır. Şimdi bu elektrikli cihazın tüm bileşenlerine daha yakından bakalım.
Eleman tasarımı
Makale, bir ısıtma elemanının bir diyagramını göstermektedir. Herhangi bir ısıtma elemanının en önemli bileşeni, tüm uzunluğu boyunca borunun içinde bulunan nikrom iplikten yapılmış ısıtıcının kendisidir. İpliğin uçları çıkış pimlerine tutturulmuştur. Nikrom ipliğin belirli bir direnci vardır, içinden bir akım geçmeye başladığında ısınır ve metal veya seramik bir tutucuya ısı verir.

Borunun yapıldığı malzemenin yüksek akım direncine sahip olması gerektiği unutulmamalıdır. Bu nedenle, konstantan veya nikrom içeren alaşımlardan yapılır. Isıtma elemanının direnci, cihazın geliştirmesi gereken güce bağlıdır.
Termeks kazanlarına hangi ısıtıcılar monte edilir?


Şirket, çeşitli üreticilerin Termeks su ısıtıcısı için ısıtma elemanları kullanıyor. İtalyan tesisine ek olarak, Çin'de elektrot üretimine başlandı. Çıkışta kontrol laboratuvarı bulunmaktadır. Düşük dirençli elemanlar reddedilir.
Evde daha iyi bir garanti için, ısıtıcıları kurmadan önce birkaç saat suda bekletilmeleri ve pasaportta belirtilen direncin karşılık gelip gelmediğini kontrol etmeleri gerekir.
Termeks su ısıtıcıları için aşağıdaki tipte ısıtma elemanları üretilmektedir:
- akışlı musluklar için 3,3, 2,5, 5,5 kW kapasiteli ısıtıcılar;
- damgalı flanşta D 64 mm - 2,0 1,5 kW, D 82 mm - 1,5 kW, D 92 mm - 1,5, 2,0 kW;
- flanşsız, somunlara tutturulmuş - 0.7, 1.3, 2.0 kW;
- sadece İtalya'da özel bir bileşime sahip magnezyum anotları.
Şirket, AZ63 artı alaşımlı anotların üretimi için geleneksel anotlardan 2 kat daha verimli olan özel bir kompozisyon geliştirdi.
Isıtıcı parametrelerinin hesaplanması
Ohm kanunu, akım gücünün ve elektrik şebekesinin voltajının çarpımına eşit olan gücü hesaplar. Başka bir deyişle, ısıtma elemanının 1000 W'lık bir güce sahip olması için, önce mevcut gücü hesaplamanız gerekir. Bilinen iki parametre vardır - güç ve voltaj (ev ağında - 220 volt). Akım, gerilime bölünen güce eşit olacaktır. 1000/220 ise, 4.55 A'ya eşit bir akım gücü elde ederiz.
İpliğin direncini belirlemek için voltajı akım gücüne bölmek gerekir. Sonuç olarak, ohm cinsinden ifade edilen ısıtma elemanı sargısının direncini elde ederiz. Daha doğrusu, 220'yi 4,55'e böleriz ve nikrom ipliğin direncinin 48,4 ohm'a eşit olması gerektiğini anlarız.


Direncin, ısıtma elemanının gücünü doğrudan etkilediği unutulmamalıdır. Direnç değeri ne kadar düşükse, ısıtma elemanının gücü o kadar büyüktür. Neredeyse tüm gücün ipliği ısıtmak için harcanacağına dikkat etmek gerekir. Bu nedenle, çoğu ısıtma elemanının verimliliği neredeyse% 100'dür. Diğer bir deyişle, ısıtma cihazı ne kadar güçlü olursa, o kadar hızlı ve daha fazla ısınır.
Teng
ben
(Taine)
Hippolyte Adolphe (21.4.1828, Vouzier, Ardennes, - 5.3.1893, Paris), Fransız filozof, estetisyen, yazar, tarihçi. 1848'den 1851'e kadar Yüksek Normal Okul'da (Paris) okudu. Fransız Akademisi Üyesi (1878). Estetik Natüralizm teorisinin kurucusu, kültürel-tarih okulunun kurucusu (bkz. Kültürel-tarih okulu).Başlıca eserler - "Critical Experiments" (1858, Rusça çevirisi 1869), O. Balzac (1858) ve Stendhal (1864) hakkında eskizler, "İngiliz Edebiyatı Tarihi" (1863-1864, Rusça çevirisi 1876), "Felsefe sanatı" ( 1865-69, Rusça çevirisi 1866, 1899). T., O. Comte'un pozitivist evrimciliğinden yola çıkarak, eleştiriyi "tarafsız" analiz etme, ahlaki ve ideolojik değerlendirmelerden kaçınma görevini kabul etti.
Metodolojisinin temeli şu üçlüdür: "ırk" (yani doğuştan gelen, "doğal" nitelikler), "çevre" (coğrafi ve iklimsel koşullar), "an" (bir "ırk" ve "çevre" nin varlığı). belirli tarihsel dönem). Triad üyelerinin etkileşimi, stillerin, türlerin ve okulların ortaya çıkışını belirler. T.'nin sanatsal çalışması, seçkinlerin halkın yaşamına kayıtsız kalmasının damgasını taşıyor. "The Pyrenees Journey" (1855), "Travel in Italy" (1866, Rusça çevirisi 1913-16), hiciv öyküsü "Parisli Davranışlar" adlı deneme kitaplarının yazarı. Frederick Thomas Grandorge'nin Hayatı ve Yansımaları (1867, Rusça çevirisi, 1880), Modern İngiltere Taslakları (1871, Rusça çevirisi, 1872), Seyahat Günlüğü (1897). 70'lere kadar konuşuyor. orta derecede liberal konumlardan T., düşmanlıkla karşılaştığı 1871 Paris Komünü'nden sonra gericiliğe doğru evrildi. Bu dönüm noktası, T. - "Modern Fransa'nın Kökeni" nin (v. 1-3, 1876-93, Rusça çevirisi, c. 1-5, 1907) ana tarihsel çalışmasına yansıdı. Eğilimli bir kaynak seçimine dayanan T.'nin çalışması, esasen Büyük Fransız Devrimi'ne, Jakobenlere ve Jakoben diktatörlüğüne karşı bir kitapçıktır.
Cit .: La Fontaine ve ses masalları, P., 1861; Sa vie et sa yazışmalar, v. 1-2, 4 е́d..P., 1908-14; Rusça başına. - Balzac, St. Petersburg. 1894; Estetiğin tarihi. Dünya estetik düşüncesinin anıtları, cilt 3, M., 1967.
Kaynak: Plekhanov G.V., Literature and aesthetics, t. 1-2, M., 1958; Lunacharsky A.V., Sobr. cit., t.8, M., 1967; Anisimov I.I., Klasiklerin yaşamı, M., 1974, s. 101-03; Aulard A., Taine, tarihçi de la devrim française. P., 1907; Lacombe P., Taine, tarihçi ve sosyolog.P., 1909.
Başkan Yardımcısı Balashov.
I. Teng.
II
(kimyasal)
Tetranitropentaerythritol ile aynı.
Kaynak: Gufo.me'de Büyük Sovyet Ansiklopedisi
Diğer sözlüklerdeki değerler
- Taine - Hippolyte-Adolphe (Taine, 1828-1893) - 19. yüzyılın 2. yarısında Fransa düşünürlerinin en seçkin ve orijinali. On'un babası bir avukattı, büyükbabası bir alt valiydi: T.'nin atalarından 17. yüzyılda bahsediliyor, birine filozof takma adı verildi. Brockhaus ve Efron'un Ansiklopedik Sözlüğü
- on - TEN, -a (veya -a), m., TENKA, -i, zh., TEN, -a, (veya -a), m., TENKA, -i, zh. On bin ruble (veya on dolar, on bin dolar). İngilizce 1010. Rusça argo'nun açıklayıcı sözlüğü
- TEN - (Taine), Hippolyte (21.IV.1828 - 5.III.1893) - Fransızca. edebiyat eleştirmeni, filozof ve tarihçi. Prof. Paris'teki École des Beaux-Arts'ta sanat tarihi (1864-84). Üye Franz. akademi (1878'den beri). T. 50-60-ler çalışır. Sovyet Tarihi Ansiklopedisi
- Teng - Tetranitropentaerythritol (a. Pentaerythrittetranitrate, nitropenta; n.Pentaerythrittetranitrat, Nitropenta; f. Tetrtanitropentaerythrol; ve. Tetranitrato de pentaeritrita), - güçlü patlatma BB. Beyaz bir kristaldir. Madencilik ansiklopedisi
- on - on, -a ve tan, -bir Yazım sözlüğü. Bir N veya iki?
- TEN - bkz. Tetranitropentaerythritol Encyclopedia of Chemistry
- Taine - Taine Hippolyte (04.21.1828, Vouzier, Ardennes, -05.03.1893, Paris) - Fransız filozof, estetisyen, tarihçi, edebiyat eleştirmeni, sosyal düşünür. Felsefi görüşlerinde pozitivist Teng, Hegel'den güçlü bir şekilde etkilenmiştir. Sosyolojik Sözlük
- TEN - Taine Ippolit (1828-93) - Fransız filozof, sanat sosyoloğu, tarihçi. Kültürel ve tarih okulunun kurucusu. Kitaplar: "Critical Experiments" (1858) - "Philosophy of Art" (1865-69) - "İngiliz Edebiyatı Tarihi" (v. 1-4, 1863-64). Büyük ansiklopedik sözlük
- on - I. on, gölge teint m. modası geçmiş. Boyama, renklendirme; renk. Protchie < desains> sadece gölgeleri, lizurleri < lizere> ve icat edilmiş desinler üzerindeki benzer resimleri nasıl kopyalayacağını veya değiştireceğini bilir ... Rus dilindeki gallikizm sözlüğü
- on - isim, eş anlamlılar sayısı: 7 patlayıcı 232 vigilante 12 nitroeter 1 pentaeritritol tetranitrat 5 pentrit 4 tan 2 tetranitropentaeritritol 4 Rusça eşanlamlılar sözlüğü
- on - yetim.on, -a Lopatin'in Yazım Sözlüğü
- Taine - Taine (Taine) Hippolyte-Adolphe (21 Nisan 1828, Vouzier, Ardennes - 5 Mart 1893, Paris) - Fransız filozof, tarihçi, sanat ve edebiyat teorisyeni. Pozitivizmin destekçisi, Hegel'den etkilendi. Yeni Felsefi Ansiklopedi
- Tain - Taine Hyppolyte (Hyppolyte-Adolphe Taine, 1828-1893) - Fransız edebiyat tarihçisi, tarihçi, XIX yüzyılın burjuva sanat eleştirisinin en büyük temsilcisi, sözde yaratıcısı. edebiyat ve sanat okumanın kültürel ve tarihsel yöntemi. Edebi ansiklopedi
- Blog
- Jerzy Lec
- Kişiler
- Kullanım Şartları
© 2005—2020 Gufo.me
İzolatör ve tüp malzemesi
Tüp ve nikrom iplik arasında çok yüksek sıcaklıklara dayanabilen bir yalıtkan bulunur. Isıtma elemanları için bir tüp yapmak için, aşınmayan malzemelerin seçilmesi gerekir. Endüstride ve günlük yaşamda en sık kullanılan bu boru şeklindeki elektrikli ısıtıcılardır.


Bir cam tüp içine yerleştirilmiş, kural olarak, çok agresif ortamlarda, örneğin çeşitli karışımların ısıtılmasının gerekli olduğu kimyasal laboratuvarlarda kullanılır. Ancak bunları ev tipi ısıtıcılarda da bulabilirsiniz. Kural olarak, kızılötesi tip radyasyon kullanan cihazlarda kullanılırlar. Isıtıcılarda seramik tüpler günümüzde çok nadir kullanılmaktadır.
Özellikleri
Elektrikli su ısıtıcıları, bu tür ürünlerin piyasada geniş bir yelpazede sunulması nedeniyle büyük talep görmektedir. Bu tür cihazlara olan talep, yüksek sıcak su tedarik maliyetinin yanı sıra bazı alanlarda sıcak suyun periyodik olarak kapatılmasından kaynaklanmaktadır.
En yeni kazan modelleri, suyun kapalı bir kapta ısıtılması nedeniyle özel bir elemana sahiptir. Dahili bir bataryadır. Böyle bir cihaza genellikle ısıtma elemanı denir. Kabul edilen kısaltmaya göre, ısıtma elemanı "borulu elektrikli ısıtıcı" anlamına gelir.
Bir cihaz, tellerin suyla temas etmemesi, ancak boruyu ısıtması nedeniyle metal bir kılıf içine yerleştirilmiş bir tel spiralden monte edilir. Isıtıcıda böyle bir parça içeride, çalışma sırasında su ile temas halindedir. Akımın ısıtma elemanından geçişinin bir sonucu olarak, kazandaki sıvı ısınır. Metal boru genellikle "paslanmaz çelik" veya bakır alaşımından yapılır. Elektrikli ısıtıcılar, her türlü su ısıtma tankının ana unsurlarıdır. Elektrik ağı, cihaz için bir güç kaynağı görevi görür.
Herkes su ve elektriğin birlikte insanlar için tehlike oluşturduğunu bilir, bu nedenle üreticiler yüksek düzeyde güvenliğe sahip cihazlar üretmeye çalışırlar.
Su ısıtıcılarına monte edilen ısıtma elemanları iki tipte olabilir. Her öğe türünün kendine özgü özellikleri vardır.
Boru çapı
Tüpler herhangi bir çapa sahip olabilir, ancak 6-24 mm aralığında çapa sahip elemanlar yaygın olarak kullanılmaktadır. İzolatörün yüksek yalıtım özelliklerine sahip olması gerektiği gerçeğinin yanı sıra, ısıyı ısıtma serpantinden tüpe etkin bir şekilde aktarması gerekir. Şimdi bir ısıtma elemanının ne olduğu ve nasıl çalıştığı hakkında konuşalım.


Isıtma elemanına güç kaynağı, izolatörlü eklerde bulunan terminaller kullanılarak sağlanır. Terminaller bir uca veya her ikisine birden yerleştirilebilir. Yerleşik sigorta koruması ile donatılmış çeşitli boru şeklindeki elektrikli ısıtıcılar vardır. Kural olarak, bu tür elemanlar bulaşık makinelerine veya çamaşır makinelerine yerleştirilir.
Termo elemanların cihazı ve uygulaması


Ortaya çıkan ısıtma borusu bükülebilir ve parça, tekneye monte edilebilecek şekilde yapılabilir.Bu durumda, üst metal kasa, iyi ısı transferine sahip bir iletkenden (çelik, bakır, alaşımlar) yapılmıştır. Su ısıtıcısı için ısıtma elemanı, kabın içine bir flanş veya elemanın her iki ucu ayrı somunlarla sabitlenebilir. Damıtılmış su dışındaki her su tuz içerir. Bazıları ısıtıldığında çözünmez hale gelir ve metal borular üzerine yerleşir. İşlem aynı zamanda, bakır borular biriktirme için bir katalizör olduğu için de meydana gelir.
Yanına daha aktif bir metal çubuk koyarsanız, agresif iyonlar onunla temas eder. Daha sonra magnezyum anot elektrodu yok edilir, gevşek bir kabukla kaplanır, ısıtma elemanı üzerinde bir tortu oluşumu için yeterli iyon yoktur. Böylece ana elemanların hizmet ömrü uzar ve magnezyum elektrotlar aşındığında yenileri ile değiştirilir. Bu nedenle, bir su ısıtıcısı için tüm ısıtma elemanları bir magnezyum anot ile donatılmıştır.


Kuru ısıtma elemanları farklı bir yapıya sahiptir. Tortuya karşı bağışıktırlar, suyla elektrokimyasal etkileşime girmezler ve zorlu ortamlarda bile aşırı büyümezler. Buna göre, anot elemanını bunlarla birlikte kurmak gerekli değildir. Cihaz, borulu elektrikli ısıtıcı olarak adlandırılamayacağı için bunlar ısıtma elemanları değildir. Bu tür elemanlar, bir su ısıtıcısının belirli bir modeli için hazırlanmıştır.
Hava ısıtması için
Bu tür ısıtma elemanları için sıcaklık 450 dereceye ulaşabilir. Bu boru şeklindeki cihazlar, evsel ve endüstriyel tesislerdeki havayı ısıtmak için kullanılır. Bu tür ısıtma elemanları, konvektörlerin, çeşitli kurutma odaları tasarımlarının, hava perdelerinin imalatının temelini oluşturur. Bu ısıtıcıların düz veya kanatlı boruları vardır. Havayı ısıtmak için bir ısıtma elemanı nedir, daha fazla düşüneceğiz.
Bu ısıtıcıların kanatları, boruya tutturulmuş çelik şeritlerden yapılmıştır. Nervürlerin kullanılması nedeniyle, elemanın yüzey alanını arttırmak mümkündür, bu nedenle, nikrom ipliği üzerindeki yük önemli ölçüde azalır ve elemanın kaynağı da artar. Aynı zamanda ısı transferi önemli ölçüde artar.
Isıtma elemanı ısıtma elemanı nedir. Isıtma elemanlarının avantajları
Diğer ısıtıcı türlerine kıyasla, ısıtma elemanlarının birçok avantajı vardır. Örneğin, ısıtıcı ile ısıtılmış ortam arasında doğrudan temas olduğunda bile çalıştırılabilirler. Ve bildiğiniz gibi, bunlar sadece sıvı ve gazlı olanlar değil, çok çeşitli seçenekler olabilir. Ortam katı bile olabilir ve içindeki basınç 4,5 atm'ye ulaşabilir. Ve bu, ısıtma elemanı için bir engel olmayacaktır.
Borulu elektrikli ısıtıcıların avantajı, titreşimler sırasında ve ayrıca önemli şok yükleri olduğunda güvenilir şekilde çalışmasıdır. Ayrıca farklı konfigürasyonları vardır. Ve ısıtma elemanlarının kabuğunda voltaj yoktur.
Ortalama başarısızlık zamanı gibi önemli bir gösterge var. Hava ortamını ısıtmak için ısıtma elemanları kullanıldığında, en az 10 bin saattir. Sıvı ortamı ısıtmak için kullanıldığında - en az 5 bin saat.
İki uçlu boru şeklindeki ısıtma elemanı, ısıtma elemanı bir metal kabuğun içindeyken böyle bir tasarıma sahiptir. Bu, örneğin, yüksek dirençli bir alaşımdan yapılmış bir bobin veya birkaç bobindir. Ayrıca kontak çubukları da vardır.
Sıkıştırılmış elektriksel olarak yalıtkan dolgu maddesi, kılıf ve ısıtma elemanı arasında bir yalıtkan görevi görür. Ortamdan nem girişini önlemek için ısıtma elemanlarının uçları sızdırmaz hale getirilmiştir. Kontak çubukları ile kılıf arasında da dielektrik izolatörler vardır.
Su ısıtıcıları
Çamaşır makinesinin ısıtma elemanını değiştirirken, tasarımının tamamen kapalı olduğunu görebilirsiniz. Çoğu zaman, bu tür ısıtma elemanları hem çamaşır makinelerinde hem de kazanlarda, ısıtma cihazlarında bulunabilir. İçlerinde su, 100 santigrat derece olan kaynama noktasına kadar ısıtılabilir. Su hacmi çok büyük ise blok tipi cihazlar kullanılır.Çoğu zaman, ısıtma elemanıyla birlikte, kazan için bir sıcaklık regülatörü kurulur.


Bir termostat yardımıyla, sıvı gerekli sıcaklığa ulaştığında ısıtma elemanını güç kaynağından ayırır. Su soğuduğu anda termostat gücü tekrar açar ve bobin ısınmaya başlar. Bu tür ısıtma elemanları, çamaşır makinelerinde kazanları, kazanları ısıtmak için kullanılır.
Cihaz ve türleri
Elektrikli ekipman alırken doğru seçimi yapabilmek için mevcut tüm çeşitlerin özelliklerini incelemek gerekir. Isıtma elemanları ya kapalı ya da açık.
Islak veya açık elemanlar, tanktaki sıvı ile doğrudan temas halinde çalışır. Elemanın konfigürasyonu klasik bir görünüme sahiptir, herhangi bir elektrikli su ısıtıcısında benzer bir detay bulunur. Bu grubun bir parçası başarısız olursa, değiştirilmesi karmaşık bir iş gerektirmez. Açık bir ısıtma elemanı, borusunun içinde magnezyum oksit ve silis kumu içerir. Bu bileşenler, ısı ileten maddelerin türüne aittir. Nikrom tel, ısıtma elemanlarının temelini oluşturur.


Üreticiler, ısıtma elemanlı çeşitli açık tip su ısıtıcıları üretirler. Ürünlerin ayırt edici özelliklerine göre ürünler sınıflandırılabilir.
- Bağlama yöntemine göre, elemanlar somunlu veya flanşlı olabilir. İkinci tip, döküm ve damgalı ürünlere bölünmüştür.
- Önemli bir nokta, bir anot soketinin varlığıdır. Somunlu cihazlarda anot bağlantısı olmayabilir veya flanş üzerinde ek bağlantı elemanları ile imal edilebilirler.
- Isıtma elemanlarının biçimi standart olarak düz veya farklı yönlerde kavisli olabilir.
- Borunun hammadde cinsine göre elementler bakır veya çelikten yapılabilir.


Açık tip öğeler aşağıdaki olumlu özelliklere sahiptir:
- ıslak ısıtma elemanlarının temel avantajı, yüksek su ısıtma oranıdır;
- bu tip ısıtma elemanına sahip ürünler düşük maliyetlidir;
- yüksek kaliteli ürünler ayrıca camsı emaye ile kaplanır, bu da parçanın tabanında korozyon ve kireç oluşumu riskini azaltır.
Islak ısıtma elemanlarının dezavantajları, düşük seviyede ürün güvenliğinin yanı sıra, borunun yüzeyinde kireç oluşumunun bir sonucu olarak ısı transferinde önemli bir düşüşü içerir. Sonuç olarak, kazandaki sıvıyı ısıtmak için daha fazla elektrik tüketilecektir. Ek olarak, şehir suyunun kalitesizliği bu tür ürünlerin hizmet ömrünü olumsuz etkilemektedir.
Kapalı tip elemanlar, suyun ısıtılmasını sağlayan özel bir seramik şişenin içine yerleştirilmesini gerektirir. Parçanın kendisi, "kuru" ısıtma elemanı adını aldığı için sıvı ile temas etmez. Şişenin yüksek güvenlik gereksinimleri vardır, bu nedenle ürün steatit veya magnezyum silikattan yapılmıştır. Isıtma elemanının üretiminde kullanılan hammadde paslanmaz çeliktir.
Bu konfigürasyon, muhafazadan ısı aktararak sıvının ısıtılmasını içerir.


Kapalı tip ısıtma elemanları aşağıdaki avantajlara sahiptir:
- cihazlar, kısa devrenin oluşmasının mümkün olmadığı için çalışma sırasında yüksek güvenlik seviyesi ile ayırt edilir;
- cihazlar kullanışlı ve kullanımı kolaydır;
- benzer tipte su ısıtma ürünleri uzun ömürlüdür;
- cihazlar ekonomiktir;
- Arıza durumunda ürünler tamir edilebilir.


Bu tür ısıtıcıların dezavantajları arasında, bir su ısıtıcısının her modeli için özel olarak kapalı tip parçaların yapılması yer alır. Bu nedenle, bir arıza durumunda, ısıtma elemanı sadece benzer bir parça ile değiştirilebilir, bu da bazen bazı zorluklara neden olur.


Esnek tip cihazlar
Bu tür tasarımlar, kalıplarda sıcak kanallı sistemlerde uygulama alanı bulmuştur.Sıcak kanal sisteminde konturu şekillendirmeniz gerektiğinde kullanışlıdırlar. Elektrikli ısıtma elemanlarının boyutları herhangi biri olabilir. Hemen hemen her ev sahibinin aşina olduğu bir tür esnek elektrikli ısıtma elemanı, sıcak bir zemin için kendi kendini düzenleyen bir kablodur. Böyle bir ısıtma elemanı, bir alan ısıtma sisteminin imalatında çok sık kullanılır.
Ayrı bir cihaz türü, güç kaynağına bağlanmak için terminallerin bir tarafta olduğu bir kartuş cihazıdır. Isıtma elemanının uzunluğu maksimum 3,5 m olabilir.Diğer tüm cihaz türlerinden temel farkı, çoğunlukla uçlu paslanmaz çelikten yapılmış kompakt bir gövdeye sahip olmasıdır.


Kartuşlu ısıtma elemanları çok yüksek bir güç yoğunluğuna sahiptir, ısıtma elemanından gelen ısı hem konveksiyon hem de temas yoluyla aktarılır. Tipik olarak, bu tür ısıtıcılar endüstride genellikle metalden yapılmış çeşitli şekillerdeki yağları ısıtmak için kullanılır. Otomotiv endüstrisinde, ayakkabılarda, gıdalarda ve dökümhanede sıklıkla cihazlar bulunabilir.
Su tipi elektrikli ısıtma elemanları çeşitleri


Geçen yüzyılın ortalarında kullanılan eski açık spiral elektrikli ocakları hatırlayalım. Böyle bir spirali temiz bir ince kum tabakasıyla kaplar ve metal bir tüpe koyarsanız, uçları bir yalıtım tapasıyla kapatın, bir su ısıtıcısı için bir ısıtma elemanı elde edersiniz. Sarılı teller su ve metal ile temas etmez, ancak bakır veya çelik boruyu ısıtır. Sonuç olarak, elektrik çarpması tehlikesi yoktur ve su, alçaltılmış, ıslak veya açık bir elektrottan ısınır.
Isıtma elemanını kireçten temizlemek için, kireç önleyici ile sıcak suya daldırılmalı veya bir sitrik asit solüsyonunda tutulmalıdır. Ardından davanın bütünlüğünden emin olun.
Diğer bir ısıtma elemanı türü, iletkenin suyla temas etmeden bir şişeye yerleştirildiği bir tasarımdır. Ve böyle bir cihaz "kuru" bir ısıtma elemanı veya kapalı olarak kabul edilir. Elemanların her birinin kendi avantajları ve dezavantajları vardır.
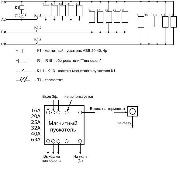
Cihazları bağlama
Cihazı alternatif voltajlı bir şebekeye bağlamak için makalede verilen şemaları kullanmalısınız. Koruma kurduğunuzdan emin olun - bir devre kesici. Ek olarak, devreyi veya elektromanyetik röleyi değiştirmek için manyetik bir marş takabilirsiniz. Sıcaklığı ayarlamanız gerekiyorsa, özel bir regülatör kurun - termostat prensibine göre çalışan hem elektronik hem de mekanik olarak kullanılmasına izin verilir. Artık bir ısıtma elemanının ne olduğunu ve türlerinin ne olduğunu biliyorsunuz ve en önemlisi, bağlantı şemalarına aşina oldunuz.
Genel özellikler ve çalışma prensibi
Radyatör ısıtma elemanı, ek veya ana ısıtma cihazı olarak kullanılabilen bir cihazdır. Cihaz, silindirik bir metal gövdeden oluşmaktadır. Ortasına bir bakır spiral veya çelik tel monte edilmiştir. İç kısımlar izolasyonludur.
Radyatörler için tasarlanmış ısıtma elemanı bir termostat ile donatılmıştır. Bu nedenle, cihaz hem ısıtma hem de sıcaklık rejimini ayarlamak için kullanılabilir.
Bu tür elektrikli cihazların çalışma prensibi oldukça basittir:
- bataryaya borulu elektrikli ısıtıcı takılı;
- ısıtma elemanı elektrik şebekesine bağlanır;
- spiraller, soğutucuya ısı verilmesi nedeniyle ısıtılır.


Bir radyatör için bir ısıtma elemanı nasıl görünür?
Cihazda regülatör varsa istenilen sıcaklığın ayarlanmasına izin verilir. Belirtilen modun seviyesine ulaşıldığında, elektrik devresi açılır ve ısıtma elemanı kapatılır. Sıcaklık ayarlanan üst sınırın altına düştüğünde, otomatik ısıtma gerçekleşir. Isıtma elemanını hemen hemen her bataryaya bağlayabilirsiniz.
Çamaşır makinesinin ısıtma elemanı nereye monte edilir?
Ev tipi yıkama ünitelerinde, çalışma elemanı yıkama tankında bulunan ve su ile doğrudan temas halinde olan ıslak ısıtma elemanları kullanılmaktadır. Lokal olarak farklı firmaların ürettiği yıkama ünitelerinde ısıtma elemanları çamaşır makinesinin hem iki yanına hem de önüne ve arkasına yerleştirilebilir.


Önden yüklemeli makinelerde, ısıtma elemanları bir yan düzenlemeye sahiptir. Suyu daha verimli bir şekilde ısıtmak için tek kural yıkama kazanının dibine yerleştirmektir. Okul fizik dersinden de en soğuk su katmanlarının altta olduğu ve ısıtıldıklarında yükseldikleri bilinmektedir. Sıvının doğal taşınımı oluşur ve daha verimli ısınır.

