Termostatların sınıflandırılması
Isıtma kazanları için sıcaklık regülatörleri, yeterince yüksek bir hassasiyetle odanın belirli bir sıcaklık rejimini sağlar. Sapmalar, kural olarak, 0,50 C - 1,00 C'yi geçmez. Çalışmaları, termostatın bir veya başka bir türe ait olduğunu fiilen belirleyen çeşitli aktüatörler aracılığıyla gerçekleştirilir. Gerçekleştirilen işlevlerin sayısı ve içeriğine göre cihazlar aşağıdaki şekilde sınıflandırılır:
- Tek işlevli (özel olarak ayarlanmış bir sıcaklığı korur).
- Çok işlevli veya programlanabilir.

Uygulama türüne göre termostatlar, ısıtma kazanına teller ve kablosuz olarak bağlanan cihazlara ayrılır. Kontrol cihazının montajı, yeterli hava akışı sağlayan erişilebilir bir yerde gerçekleştirilir. Ek olarak, elektrikli ev aletlerinin (TV'ler, ısıtma ve aydınlatma cihazları, vb.) Regülatörün yakınına yerleştirilmesinin hariç tutulması tavsiye edilir, çünkü bu, çalışmasının doğruluğunu önemli ölçüde etkileyebilir.
Programlanabilir oda kontrolörü
Bir ısıtma kazanı için programlanabilir bir termostat, istenen (rahat) sıcaklığı istenen sürede seçme yeteneği sağlar, başka bir çalışma moduna kolayca yeniden yapılandırılabilir. Cihazı bir zamanlayıcı ile donatmak, ısıtma sisteminin hafta sonları ve hafta içi işleyişi için çeşitli modeller ayarlamanıza olanak tanır. Haftanın gününe bağlı olarak belirli parametreleri destekleyebilen zamanlayıcılar vardır. Sıcaklık kontrol cihazında bu tür işlevlerin varlığı, alan ısıtma sistemini mevcut yaşam tarzına göre ayarlamanıza ve sahiplerin yokluğunda bile sıcaklık mikro ikliminin korunmasını garanti etmenize olanak tanır.
Bu kontrolör, bir bütün olarak ısıtma sisteminin yeteneklerini önemli ölçüde artıran bazı seçeneklere sahiptir:
- "Toplu İş", periyodik kapatma (birkaç saat için) ve ardından sistemin yeniden başlatılmasını sağlayan bir işlevdir.
- "Tatil". Bu seçeneğin amacı, belirli bir gün sayısı için alan ısıtma yoğunluğunu artırmak veya azaltmaktır.
- "Üst üste gelmek". Dönemlerden birinde program ayarlarını geçici olarak değiştirmenize izin veren bir görev.
Merkezi fikstür
Kural olarak, bu tip bir cihaz, tüm evin ısıtma sistemini etkin bir şekilde kontrol etmek için kullanılır ve ısıtma kazanından bir miktar uzağa yerleştirilir. Bu tür cihazlar, uzaktan çalışan bir dilatometrik termostat ile donatılmıştır. Çalışma prensibi, ortam sıcaklığını ölçmek ve dalgalanmalarına bağlı olarak ısıtma kazanını açmak (kapatmak).
Radyo yapıcı Masterkit'e dayalı çok işlevli zamanlayıcı-termostat


Bağlı bir çiftlikte, özel bir evde veya atölyede, garajda, sıcaklık değişimleri ve bu değişikliklere olası bir tepki ile ilgili birçok süreç vardır. Dahası, tepkiler oldukça çeşitli olabilir ve zamana ve takvime bağlı olabilir. Bir teraryum akvaryumuna bakmak veya yüksek sıcaklıkta bir fırında karmaşık bir kademeli ısıl işlem, evde bir ısıtma ve havalandırma sisteminin kontrolü veya sadece bir eğitim kurumunda çalmak için bir "ağabey" olabilir.
Kontrol olarak mikroişlemcili radyo-tasarımcı modülü kullanarak böyle bir sorunu çözmek zor değildir. Örneğin, Masterkit tarafından sunulan NM8036.
Cihazın temel özellikleri.
Zamanlayıcı kontrolü:
Yükü belirli bir sürede açma Haftanın belirli günlerinde, bir aydaki günlerde veya seçilen aylarda yükleri yönetin.
Sıcaklık kontrolü (termostatlama):
Soğutucu olarak kontrol Isıtıcı olarak kontrol
Çalar saat sesi + ışık (ekran arka ışığı).
1. Bağlı sıcaklık sensörlerinin sayısı: 32. 2. Uçucu olmayan gerçek zamanlı saat (tam takvim, artık yılları hesaba katarak). 3. Tüm ayarların kalıcı belleğe kaydedilmesi. Ağ ile bağlantının geçici olarak kesilmesi durumunda programın doğru çalışmasına devam edilmesi. 4. Çıktılar: a. güç triyaklarını bağlamak için opto-izole kaskad (opsiyonel - 4 optocoupler zaten kart üzerinde, harici tristör / triyak güç kaskadlarını kontrol etmek için 8 tane daha eklemek mümkündür) b. Maksimum 10mA akım ile mantık çıkışları.
5. Özel olarak geliştirilmiş yazılım ile termostatın bilgisayarın COM portu üzerinden uzaktan kontrolü. 6. Dahili yazılımı https://www.masterkit.ru sitesinden yeni sürümlerle güncelleme yeteneği. 7. Gösterge: Arka ışığın kontrastını ve parlaklığını programlı olarak kontrol etme özelliğine sahip 2 satırlı 16 karakterli LCD ekran. 8. Dahili mikro hoparlör ile ses göstergesi.
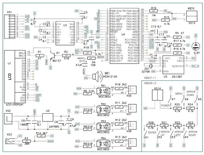
Cihazın şematik diyagramı aşağıda sunulmuştur.


Devrenin açıklaması
Termostat, Atmel Mega32 mikro denetleyiciye dayanmaktadır. Aşağıdakiler giriş-çıkış portlarına bağlanır: metinsel bir 2 hatlı gösterge, bir DS1307 gerçek zamanlı saat mikro devresi, bir MAX232IN seviye sürücüsü, optosimistörler. Klavye ünitesi ayrı bir kart olarak tasarlanmıştır. Basılan tuşun kodu, kontrolörün analogdan dijitale dönüştürücü (ADC) tarafından çözülür. Ek olarak, ADC saat yedek pilinin durumunu izler. Voltaj regülatörü LM7805 mikro devresinde yapılır. DS18B20 sıcaklık sensörleri 1 telli protokol ile bağlanır. Arka ışığın parlaklığı bir transistör anahtarı kullanılarak kontrol edilir. Bir dekuplaj kapasitörüyle bağlanan minyatür bir hoparlör ve denetleyici portuna bir sönümleme direnci kullanarak, cihaz ses sinyalleri üretebilir. Devrenin çalışabilirliği, mikrodenetleyicinin dahili programı ile sağlanır. Başlangıçta, program 1 telli veri yolunu analiz eder ve "kayıtlı" sıcaklık sensörlerini 12 bitlik bir termal dönüştürme moduna başlatır. Daha sonra diğer tüm bloklar başlatılır (metin göstergesi, RS232 portu, saat mikro devresi). Başlatma sonrasında, sistem ana döngü moduna girer. Bu modda, saatten, sensörlerden gelen güncellenmiş bilgilerin sürekli işlenmesi vardır ve ayrıca kontrol düğmelerinin durumunu sorgular. Ek olarak, zamanlayıcı kontrolünden sorumlu olan süreç sürekli çalışmaktadır.


Cihaz, programlı bir mikro denetleyici dahil olmak üzere baskılı devre kartlarına sahip bir dizi radyo elemanı şeklinde sunulur. Yapısal olarak, monte edilmiş termostat-zamanlayıcı, üç panodan monte edilmiş üç boyutlu bir modüle benziyor. En büyük "anakart" kartında, metal vida desteklerinde, iki ek kart takılır - bir gösterge ve bir klavye.
Ne kullanıldı.
Araçlar.
Radyo kurulumu için bir takım araçlar, anlaşılır bir şekilde aksesuarlı bir havya, bir multimetre. Bir mücevher dekupajı işe yaradı. Küçük çilingir aletleri. Delik delme artı matkaplar için her şey. Sıcak tutkal kullandım. Isı boruları ile çalışmak için saç kurutma makinesi inşa etmek. Yapısal lehimleme için yaklaşık 60 watt kapasiteli bir havya. Bazı yerlerde bir matkap, küçük bir gaz ocağı ve bir tornavida işe yaradı.
Malzemeler.
Radyo tasarımcısının kendisi. Elektronik anahtarlar için radyoelementler, güç kaynağı, baskılı devre kartları için folyo kaplı malzeme parçaları, farklı termal tüpler, montaj teli, bağlantı elemanları da kullanıldı. Ön panel için galvanizli çelik sac, bir parça pleksiglas.Yazıcılı bir bilgisayara erişim.
Başlangıçta, modül bir şehir apartmanında yerden ısıtma kontrol cihazı olarak kullanıldı.


Isıtılmış alanın tamamı (koridor, mutfak, banyo-tuvalet) dört bağımsız ısıtıcıdan oluşuyordu. "İnce yerden ısıtma" bir fayans yapıştırıcısı katmanına yerleştirildi. Her bir ısıtma ızgarasıyla birlikte bir DS18B20 dijital sıcaklık sensörü duvarla çevrildi. Tüm kablolar mutfaktaki özel bir dolaba yönlendirildi. Ayrıca yerden ısıtma ile ilgili olmayan bazı elektrikli bileşenler de vardı - banyodaki halojen lambaların düzgün bir şekilde açılması için bir blok (bir tiyatroda olduğu gibi, son derece düşük bir kaynağa sahiplerdi), bir kazanın bir RCD'si. Kontrol ünitesi, bir güç kaynağı olan güçlü radyatörlerde triyak anahtarlarla donatılmıştır. Kabinde iki havalandırma ızgarası ve kilitli bir kapı vardı.


Yukarıda, triyak anahtarlardan birinin şeması. Tristörlerle paralel bağlanan şekilde gösterilen RC devrelerinin dinamik özelliklerini iyileştirmek için kullanılması tavsiye edilir. Aralık ne kadar düşükse, direncin direnci direnç yüküne karşılık gelir ve daha büyük olan endüktiftir. Yüke paralel olarak bir neon lamba yakıldı. Düz bir görüş alanına yerleştirilir, işi kurmak ve izlemek için çok uygundur.
Köyde, termostat zamanlayıcı eski bilgisayar sistemi ünitesinden kasaya taşındı. Faaliyetinin ana alanı, fırındaki ısıtma elemanlarının kontrolüdür. O zamanlar, kışın da dahil olmak üzere sık sık birkaç gün gitmek zorunda kalıyordum. Evi ısıtmak çok eylemsiz bir süreçtir - geldikten sonraki ilk bir buçuk ila iki gün sonra donmak zorunda kaldım. Fırın içindeki elektrikli ısıtmanın otomatik kontrolü, makul bir elektrik tüketimi ile bunu önledi.


Kontrol ünitesi dışarıda bulunduğundan - evin bitmemiş bodrumunda, kasa yalıtıldı ve kanallardan biri dikdörtgen bir seramik kasadaki beş watt tel dirençten birkaç watt'lık küçük bir ısıtıcıyla yüklendi (fotoğraftaki ok) ). Gövdenin içinde sıfırın birkaç derece üzerinde tuttular. Isıtıcıyı değiştirmek için küçük bir kontaktör kullanıldı.
Bir süre sonra, böyle bir fırın modu artık gerekli değildi ve kontrol ünitesi, yer bataryalı bir serada kullanılmak üzere modernize edildi. Kasanın yalıtımı kaldırıldı, modül duvarlardan birine taşındı, böylece dışarıdan kullanılması uygun oldu. Kontaktör çıkarıldı, tek kanallı ısıtıcı kontrolü için güçlü bir tristör anahtarı eklendi. Anahtarların geri kalanı düşük güçtedir, yükleri düşüktür - fanlar ve muhtemelen ek aydınlatma (fideler) lambaları.


Kontrol modülü ayrı panolara demonte edilir, hepsi aynı düzlemde raflar yardımıyla sabitlenir, böylece dışarıdan kullanılması uygun olur - ekran üstte, altındaki düğmelerdir. Elbette ekranın karşısında dikdörtgen bir açıklık kesiliyor. Düz uçlu pirinç direkler basitçe galvanize çeliğe lehimlenmiştir ("lehim asidi" - çinko klorür ile iyice kalaylanmıştır). "Anakart" üzerinde, güvenilirliği artırmak için güç konektörünü, sensörlerin konektörünü çıkardı. Kablo demetinden gelen uçlar pedlerine lehimlenmiştir.


Muhafazanın önüne sabitlenmiş, termostatlı metal montaj plakası. Kör perçinler.


Ön panel renkli bir yazıcıda basılır ve bir parça pleksiglas ile kaplanır. Genel olarak, tasarımın "endüstriyel" olduğu ortaya çıktı ve bu fena değil.
Tristör anahtarı yukarıdaki diyagrama göre monte edildi. Triyak ile karşılaştırıldığında avantajlar, anahtar kristalin iki durumda "aralıklarına" atfedilmelidir - çok daha büyük bir ısı giderme alanı. Gerisi, bir triyak ile diyagrama bakın.
Termostat modülü, aygıt yazılımı sürümü 1.9'a güncellendi.Bu, cihazın birkaç daha kullanışlı işlevini kullanmayı mümkün kıldı, örneğin, analog sensörleri kullanmak en uygun hale geldi, çok yararlı bir yetenek ortaya çıktı - programın farklı aşamalarının birbirine bağımlılığı. Yeni versiyon aynı zamanda bir bilgisayar için kontrol programının alternatif bir versiyonunu da içeriyor, en kullanışlı farkı "veri toplama" modu - sensörlerin sıcaklıklarının bir dosyaya kaydedilmesi. Güncellemelerin geliştirici tarafından dağıtıldığını ve yukarıdaki bağlantılarda bulunduğunu size hatırlatmama izin verin.
Bahçe sezonuna kadar, termostat, basılı devre kartlarının ve diğer demir parçalarının boşlukları üzerindeki foto verniği kurutmak için eski bir fırından doğaçlama bir "kurutma kabini" ile yüklü yardımcı bir işle uğraşıyordu - süreç oldukça doğru bir sıcaklık aralığı varsayıyor .
Sitenin yazarı olun, kendi makalelerinizi yayınlayın, ev yapımı ürünlerin açıklamalarını metin başına ödeme ile yayınlayın. Daha fazla ayrıntı burada.
Çalışma prensibi
Türüne bakılmaksızın, termostatların tasarımı tek bir genel şemaya karşılık gelir. Cihaz 3 anahtar modülden (blok) oluşur:
- sıcaklığa duyarlı bir elemana sahip bir ısıtma kazanı için bir sıcaklık sensörü;
- ayarlar bloğu;
- kontrol ünitesi.
Sıcaklığa duyarlı elemana sahip bir termal sensör, çevredeki ortamın ısınma derecesini izler. Ortam sıcaklığındaki değişiklikler, kontrol ünitesi tarafından yakalanan elemanın fiziksel parametrelerinde değişikliklere neden olur. Kontrol ünitesi sırayla, yürütme cihazlarından birine bir sinyal iletir:
- mekanik valf;
- elektromanyetik röle;
- sinyalin sonradan işlenmesini gerçekleştiren dijital (analog) cihaz.


Ayarlayıcının işlevsel amacı, elde edilmesi termostatın çalışmasını başlatan parametre değerlerini sabitlemektir.
Bir ısıtma kazanı için bir sıcaklık kontrol cihazının montajı, bazı zorunlu koşulların zorunlu olarak gözetilmesi ile gerçekleştirilir:
- Cihaz UV radyasyonundan korunmalıdır.
- Harici sensör, sabit bir ortam sıcaklığı ile karakterize edilen yerlere monte edilir (ısıtma cihazlarına, hava akımlarına, vb. Yakınlığı yoktur).
- Sensör, üretici tarafından önerilen yüksekliğe monte edilir.
- Cihazın perde, perde, mobilya vb. İle kapatılması kabul edilemez.
Termostatik vananın düzenlenmesi
Termostatik vana (vana) olarak adlandırılan bu düzenleyici cihaz, belirli bir sıcaklıkta bir ısı taşıyıcısı elde etme sorununa en basit çözümdür. Sonuç, soğuk ve ılık suyun karıştırılmasıyla elde edilir. Soğutma sıvısı sıcaklığının kontrolü, ısıtma kazanını kontrol ederek değil, radyatördeki soğutma sıvısı akışının yoğunluğunu değiştirerek gerçekleştirilir.
Cihazın tasarımı oldukça basittir ve iki ana unsur içerir:
- Vananın kendisi (vana), aslında, ısıtma radyatörünün girişindeki açıklığı kapatan sıradan bir kapatma vanasıdır. Örtüşme, tamamen veya kısmen meydana gelir ve bu, esasen, içinden geçen soğutma sıvısının miktarını belirler.
- Soğutucunun sıcaklığı değiştiğinde genleşen özel bir sıvı (gaz) ile doldurulmuş bir termosilindirli termostatik eleman.


Ek olarak, termostatik vana, mekanik veya elektronik termostatlara etkili bir ek olarak düşünülebilir. Bu tür cihazların avantajları, düşük maliyetleri ve kullanım kolaylıklarıdır, ancak, işletim parametrelerini periyodik olarak kontrol etmeleri gerekir.
Seçim yaparken hangi parametrelere dikkat etmelisiniz?
Termal röleler, belirli sıcaklık özellikleri için yapılandırılabilir veya ayarlanabilir. Ek olarak, kontakların eşzamanlı olarak kapatılması / açılması ve bu işlevlerin ayrı ayrı gerçekleştirilmesi için cihazlar vardır.
Böyle bir cihazı satın almadan önce incelemeniz gereken bazı teknik özellikler vardır:
- cihazın tetiklendiği sıcaklık - hangi parametrelere ulaşıldığında, kontaklar açılır veya kapanır;
- sıcaklık dönüş göstergesi - bu parametreye ulaşıldığı anda, cihaz orijinal konumunu alır;
- diferansiyel - cihazın hareketsiz olduğu, yani tetikleme anından geri dönme anına kadar olan farkı temsil eder;
- anahtarlanan akım ve voltaj, "dayanıklılığın" göstergeleridir, bu nedenle, ev ağındaki akımın parametrelerinden başlayarak, biraz daha yüksek bir değere sahip bir cihaz seçmek gerekir;
- kontak direnci;
- işlemin zaman göstergesi;
- hata - bu özellik, belirtilen değerin ±% 10'u kadar bir değere sahip olabilir.
Bunlar, her termostatın sahip olduğu ana parametrelerdir. Ancak değişikliğe bağlı olarak anlamları değişebilir.
Fiyatları dikkate alırsak, her şey cihaza bağlıdır:
- Mekanik termostatlar. En basit dip tipi seçenekler yaklaşık 20 dolara mal olurken, geri ödemesi kelimenin tam anlamıyla ilk ısıtma sezonunun sonunda ölçülür.
- Programlanabilir termik röle. Bu tür rölenin fiyatları 30 dolardan başlıyor; Bu tür cihazların dezavantajları, periyodik olarak değiştirmeyi hatırlamanız gereken pillerin varlığını içerir.
Termostat seçimi aralığı oldukça geniştir ve doğal olarak fiyatları oldukça değişebilir. Ancak bu, onu sisteme entegre etmek için cihazın ucuzluğunun peşine düşülmesi gerektiği anlamına gelmez. Az ya da çok yüksek kaliteli cihazlar 2.000 rubleye mal oluyor, daha ucuz olan her şeye dikkat etmemelisiniz.
Faydalı ipuçları
Kazan için termostatın ve bir bütün olarak tüm ısıtma sisteminin yüksek kaliteli ve kesintisiz çalışmasını sağlamak için bazı nüansları hesaba katmak gerekir. Bu bağlamda, bazı faydalı ipuçları:
- Kontrol ekipmanının satın alınmasından önce, gerekli sıcaklık ve ısıtılmış odanın alanı gibi parametreleri dikkate alan bir hesaplama yapılır. Bu hesaplama, sistemin düşük verimliliğini ve ağır ekipmanı bağlarken kaçınılmaz olan elektrik kabloları ile ilgili sorunları önleyecektir.
- Termostatların çoğu ısıtma kazanı modeliyle oldukça iyi uyumluluğuna rağmen, bir üreticinin ekipmanının kullanılması sadece kurulum kolaylığı değil, aynı zamanda kullanım kolaylığı da sağlayacaktır.
- Pahalı ekipman satın alma ihtiyacı konusunda şüpheniz varsa, daha ucuz (mekanik) bir seçenek satın alın ve yeteneklerini test edin. Belki işlevselliği yeterli olacaktır.
- Termostatı kurmadan önce, büyük ısı kayıpları cihazın verimini olumsuz etkileyeceğinden, ısıtılmış bir odada ısı yalıtım önlemleri alın.


Yukarıdakileri özetleyerek, ısıtma kazanları (su devreleri, gazlı cihazlar) için termostatların, odada enerji tasarrufu, konforlu sıcaklık ve rahatlık sağlayan yeri doldurulamaz ısıtma sistemi ekipmanı olarak giderek daha fazla konumlandırıldığını söyleyebiliriz.






