Избор и монтаж на радиатори
За долната връзка се препоръчват биметални отоплителни радиатори, те са лесни за сглобяване, монтаж и ремонт. Секциите на радиатора могат да бъдат премахнати, добавени или заменени, ако са повредени.
При покупка е по-добре да се даде предимство на местните производители, важно е да се провери целостта на батерията и опаковката. Документацията трябва да бъде разбираема и написана на руски език
Преди да инсталирате, трябва да направите маркирането. това се прави с молив на стената. Това маркира точките, където ще бъдат инсталирани скобите. Дъното на радиатора трябва да е на най-малко 7 см от пода и 10 см от прозореца (ако се намира под прозореца). Разстоянията се поддържат, за да може въздухът в помещението да циркулира свободно. Разстоянието до стената трябва да бъде около 5 см.
За по-ефективна циркулация на охлаждащата течност отоплителните радиатори са монтирани с лек наклон. това също така елиминира натрупването на въздух в отоплителната система.
Когато се свързвате, е важно да следвате маркировката и да не обърквате връщането и потока. Ако е свързан неправилно, радиаторът може да се повреди и ефективността му ще намалее с повече от 60 процента.
Разграничават се следните видове долна връзка:
- едностранни тръбопроводи - тръбите излизат от ъгъла отдолу и са разположени една до друга, топлинните загуби могат да бъдат около 20 процента;
- гъвкави тръбопроводи - тръбите са свързани от различни страни. такава система има повече предимства, тъй като дължината на захранващите и връщащите линии е по-малка и циркулацията може да възникне от различни страни, топлинните загуби са до 12 процента;
Използва се и връзка отгоре надолу. но в този случай няма да е възможно да се скрият всички отоплителни тръби, тъй като охлаждащата течност ще се подава в горния ъгъл, а изходът ще бъде от противоположния долен ъгъл. Ако отоплителният радиатор е на късо съединение, връщащата линия ще бъде изведена от същата страна, но от долния ъгъл. В този случай загубата на топлина се намалява до 2 процента.
Ако планирате сами да свържете отоплителни радиатори, е важно да следвате техниките за монтаж и безопасност. По време на монтаж или ремонт, охлаждащата течност трябва да се източи, батериите са студени
Ако се съмнявате, по-добре е да се обадите на съветника или да използвате видеоурок за обучение, тъй като ще бъде трудно да поправите секциите с долната връзка. По-добре е да планирате отоплителна система с дънно отопление заедно с оформлението на къщата.
Отоплителни радиатори с долна връзка Алуминиеви радиатори за дома Стоманени панелни радиатори Отоплителни радиатори или подово отопление
Общ преглед
Стабилна права връзка отдолу с байпас за еднотръбни отоплителни системи.
За свързване към радиатори с 3/4 "външна резба (или 1/2" вътрешна с адаптери). Подходящ за централно отопление с принудително отопление.
Подходящ за всеки радиатор с долна връзка.
| Направо |
| 3/4 ″ BP x 3/4 ″ HP |
| 50 мм |
| Никелиран |
| 110 ° С |
| |
| 10 бара |
| Италия |
Заслужава ли си да използвате еднотръбна отоплителна система
При полагане на тръби често се използва двутръбна отоплителна система. Схематично той може да бъде представен под формата на 2 вериги, едната е отговорна за подаване на топла вода към радиаторите, а втората за отстраняване на охладената охлаждаща течност и подаването й към котела. Този подход ви позволява да организирате циркулацията на вода с еднаква температура във всички батерии.
Съществен недостатък на този метод за организиране на отоплението се счита за финансовите разходи на тръбите (цената на устройство за такова отопление ще бъде приблизително 1,5-2 пъти повече от тази на еднотръбното), а интензивността на труда се увеличава . Освен това тръбите ще бъдат по-трудни за маскиране.
Еднотръбната схема не предполага наличието на отделен щранг за отстраняване на охладения топлоносител, тоест ще са необходими около половината тръби. Схематично той може да бъде представен като затворен контур, а свързването на радиатори с еднотръбна отоплителна система се извършва последователно.

Сравнение на едно- и двутръбна отоплителна система
Такава система започва да се използва широко по време на строителния бум дори по времето на СССР, като същевременно са открити нейните значителни недостатъци:
основното може да се счита фактът, че последните батерии във веригата получават охлаждаща течност с температура около 30-50% по-ниска от най-близките до котела, това води до факта, че стаите се отопляват изключително неравномерно;
Забележка! Този недостатък може лесно да бъде решен чрез увеличаване на броя на секциите на последните радиатори. Но при изграждането на голям брой обекти, това ще доведе до увеличаване на изчисленията, което не е много удобно
- ще ви трябва доста мощна помпа, няма да работи за организиране на движението на охлаждащата течност чрез гравитация;
- характеризира се с големи топлинни загуби;
- стартирането на системата отнема повече време, отколкото в случай на двутръбна система;
- когато извършвате работа със собствените си ръце, рискът от въздушни задръствания по време на работа е особено висок. Просто доста често не е възможно да се издържат необходимите наклони по цялата дължина на тръбите.
Изброеният списък с недостатъци е типичен за конвенционална еднотръбна отоплителна система. В днешно време повечето от изброените недостатъци се отстраняват успешно чрез инсталиране на прости устройства. Например, вече е възможно да се регулира температурата в отделните батерии, а инсталирането на балансиращи клапани ще позволи да се постигнат почти еднакви условия на работа за всички батерии във веригата.
Предвид значителните икономии на материали, такава схема на отоплителна система определено заслужава внимание.
Описание на продукта
Стабилна права връзка отдолу с байпас за еднотръбни отоплителни системи.
За свързване към радиатори с 3/4 "външна резба (или 1/2" вътрешна с адаптери). Подходящ за централно отопление с принудително отопление.
Подходящ за всеки радиатор с долна връзка.
| Направо |
| 3/4 ″ BP x 3/4 ″ HP |
| 50 мм |
| Никелиран |
| 110 ° С |
| |
| 10 бара |
| Италия |
Еднотръбни и двутръбни отоплителни системи
В зависимост от броя на тръбопроводите системите са еднотръбни, двутръбни и гредоредни. В еднотръбна система охлаждащата течност се подава през една тръба, преминава през каналите на батерията, отделя част от топлината и се връща обратно в същата тръба. Единственото предимство на такава система е лекотата на инсталиране и минималното количество консумативи. Поради тези характеристики такава схема на монтаж се използва при изграждането на многоетажни типични къщи. Радиаторите са свързани последователно, съответно в устройства, отдалечени от котела, температурата на охлаждащата течност намалява. Ако захранването и връщането в отоплителната система се извършват от една тръба (странично свързване на отоплителния радиатор от вертикален щранг), е невъзможно да се регулира температурата на отделно устройство, тъй като стесняването или блокирането на потока ще повлияе на работа на всички следващи батерии. За да се осигури тази възможност, е необходимо да се монтира джъмпер между захранващата и връщащата тръби.
В двутръбните системи две тръби, захранващи и връщащи, се доставят отделно към всяка батерия.В същото време разходът на тръбите се увеличава, но системата работи много по-ефективно. Препоръчително е радиаторът да се свърже към двутръбна отоплителна система по диагонал, но могат да се използват и други методи за свързване в зависимост от местоположението на тръбопроводите. Двутръбната система има няколко предимства:
- Може да се използва естествена и принудителна циркулация на охлаждащата течност.
- Може да се използва схема на отоплителна връзка с всякаква сложност, като се вземат предвид архитектурните особености на сградата.
- Контролът на температурата на всяко устройство се извършва поотделно и не влияе върху работата на системата като цяло, което ви позволява да поддържате различни температури в отделните помещения.
Окабеляването на колектора (гредова система) включва подаване на охлаждаща течност към всяка батерия (или стая) директно от котела. Контролът на температурата на устройствата се извършва с помощта на регулиращи клапани на колектора. Този метод на окабеляване ви позволява да свържете отоплителна релса за кърпи или система за подово отопление към отоплителната система, независимо от батериите.


Колектор за разпределителни тръби на отоплителната система
Окабеляването на колектора ви позволява да балансирате и регулирате системата с висока степен на точност, но освен своите предимства, тя има и много недостатъци:
- Висока цена. Разходът на тръбите се увеличава няколко пъти и се изисква инсталиране на допълнително оборудване (колектор, хидравличен сепаратор).
- Тръбата се полага в замазката от едно парче; фугите в замазката не се допускат.
- Естествената циркулация не е достатъчна; за всяка верига е необходима инсталация на циркулационна помпа. Използването на електрическо оборудване прави системата зависима от захранването.
- Ограничения при избора на вида на тръбата. Обикновено се използва подсилена пластмасова тръба или XLPE. Свързването на радиатора към полипропиленови тръби, които са на достъпна цена, в този случай е невъзможно.
Начини за свързване на смесителния блок
Можете да свържете смесителния блок към отоплението и по-специално към котела по различни начини, които зависят от:
- В зависимост от вида на използвания клапан (двупосочен или трипътен)
- Относно вида на свързване на циркулационната помпа (сериен или паралелен).


За изпълнение на схемата на свързване на смесителния блок за отопление с двупосочен клапан и последователна връзка, директният поток на отоплителната система се променя от обратния и циркулационната помпа се поставя на байпаса.


Предимството на веригата е нейната компактност, минусът е намаляването на производителността.
- Въздушен слънчев колектор - какво представлява и как да го направите сами. Стъпка по стъпка майсторски клас и съвети за използване в отоплителната система (110 снимки и видеоклипа)


Монтаж на отоплителни тръби: методи за окабеляване и правила за поставяне на отоплителната система (125 снимки)


Отопление в двуетажна къща: проекти, схеми и отоплителни системи със собствените си ръце (125 снимки и видеоклипове)


Когато се изпълнява схема с трипътен клапан, използващ метода на паралелно свързване, трипосочен смесител е инсталиран над помпата.


Можете да направите без смесител, ако температурата на охлаждащата течност във всички линии е еднаква и ако котелът може да подаде охлаждаща течност, чиято температура е около 30 ° - 40 ° градуса.


Цените за смесване на отоплителни тела са различни, като започват средно от 1500 рубли и достигат 30 000 рубли, в зависимост от материала, от който са направени, оборудването с допълнително оборудване, цената зависи и от производителя и модела.


Алуминиеви радиатори Rifar с долна връзка
Rifar Alum 350 Ventil 1400 rub.
Днес, когато проектирате отоплителна система в селска къща, много внимание се обръща на рационалността и компактността на системите.Следователно, долната връзка на радиаторите е най-гъвкавият и естетичен вариант, поради факта, че всички тръбопроводи за връщане и подаване се провеждат под пода, а връзката към радиатора се извършва отдолу, което е много удобно
Смяташе се, че долната връзка ви позволява да намалите ефективността на отоплителните системи с 5%, но днес, благодарение на съвременните разработки, това мнение се промени. За такива отоплителни устройства подземните тръбопроводи са оптимални. В такива устройства за по-добро разпределение на охлаждащата течност се използват разпределителни тръби.
Най-добрият избор е радиаторът Rifair, който в случай на долна връзка е оборудван със специално термостатично устройство, разположено в корпуса на нагревателя. Радиаторите Rifair използват безшевна технология без използване на заваряване, което позволява използването на масло като топлоносител, както и различни течности против замръзване против замръзване. Благодарение на специалната лека алуминиева сплав се осигурява висока скорост на пренос на топлина, а специалният дизайн на вътрешните канали и корпуса му позволява да издържа на високо налягане.
По отношение на габаритните размери и най-добрите показатели за пренос на топлина се открояват битовите радиатори с дънна връзка Rifar, където, имайки специална компактност, те могат да отопляват доста прилични площи на помещенията. Всички модели са способни да издържат на налягане до 20 бара и температури на охлаждащата течност до 110 C.
В частни къщи и многоетажни сгради се препоръчва използването на стоманени радиатори Rifar, състоящи се от няколко панела. Отличителна черта е двуслойното екологично лаково покритие, което не отделя вредни вещества в околната среда, а специалните методи за извършване на процеса на боядисване и нанасяне на защитни слоеве надеждно защитават нагревателното устройство. В случай на долна връзка се осигурява ¾ ”външна резба. Сред предлаганите опции има голям избор от размери, където можете да изберете правилния модел за всякакви тавани и первази на прозореца.
Универсалните руски радиатори Rifar с долна връзка могат да бъдат инсталирани в отоплителни системи с медни, стоманени, металопластични и полипропиленови тръби. Всички модели са шприцовани.
Правим всичко възможно.
Всички отоплителни радиатори Rifar са технологично модерни радиатори, произведени под строгия надзор на професионалисти.
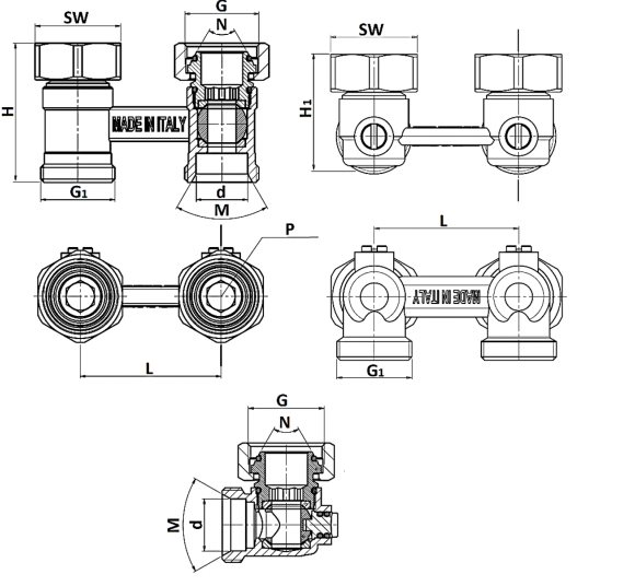
Долен ъгъл на свързване на радиатора Stout 3/4 ″ х 3/4 ″ (SVH 0004 000020)
Долен модул за свързване на радиатора Stout 3/4 ″ х 3/4 ″ ъглово (SVH 0004 000020) предназначен за свързване на радиатори със свързващи тръби, разположени в долната част на устройството, към разпределителните тръбопроводи на хоризонтална двутръбна система за отопление на вода, както и за изключване на радиатори от тръбопроводната мрежа без изпразване на отоплителната система.
Долната свързваща единица Stout 3/4 ″ ъглова (SVH 0004 000020) има разстояние от центъра до центъра 50 mm и номинален капацитет от kvs 1,8 m3 / h.
Условия на работа
Право свързване на радиатора Stout 3/4 ″ може да се използва в двутръбни отоплителни системи с топла вода с работно налягане до 10 атмосфери... Температурата на работната среда не трябва да надвишава + 120 ° C.
Структура на долната връзка за радиатора
Стаен долен модул за свързване на радиатора прав за двутръбна отоплителна система се състои от H-образно тяло (6) с вградени сферични спирателни кранове. Уредът е фиксиран върху тръбите на радиатора с съединителни гайки (7), плътността на връзката се осигурява от О-пръстени (1)монтирани на горните фитинги (2).
За свързване към тръбопроводите на отоплителната система долната част на модула Stout е снабдена с външна резба за свързване на компресионни фитинги Eurocone. Корпусът на ъгловия блок на долната връзка Stout е направен под формата на квадрат, който позволява радиаторът да бъде свързан към тръби, скрити в стените. За завъртане на сферичните кранове върху стеблото на заключващия механизъм се правят слотове за плоски предмети (например монета, отвертка, нож и др.).
Конструкция и материали
| 1 - О-пръстен на EPDM горна връзка 2 - CW614N никелиран месинг горна връзка 3 - NBR горна връзка O-пръстен 4 - PTFE сферично уплътнение 5 - CW614N месингов сферичен кран 6 - CW617N никелиран месинг корпус 7 - Гайка на горната част връзка никелиран месинг CW617N 8 - Стъблото от месинг CW614N 9 - Уплътнение на уплътнителен пръстен от EPDM |
Размери на долната връзка на радиатора Stout 3/4 ″
| L - 50 mm H - 46,5 mm H1 - 36,6 mm d - 18,1 mm P - 10,2 mm SW - 30 mm M - 60 ° N - 60 ° G - 3/4 ″ G1 - 3 / four " |
Инструкции за инсталиране на долна връзка Stout
- Долни радиаторни връзки Stout за двутръбна отоплителна система са монтирани на радиатори с долни свързващи тръби с централно разстояние 50 mm;
- Дизайнът на блока (прав или ъглов) се избира в зависимост от местоположението на тръбопроводите на отоплителната система;
- На радиаторни тръби с резба 3/4 the блоковете се закрепват с помощта на съединителни гайки с максимална сила на затягане 35 N · m;
- В случай на радиатори с 1/2 ”резбови свързващи отвори, модулите се монтират чрез адаптерни адаптери SFT-0049-000002;
- Възлите могат да бъдат свързани към пластмасови, металопластични и медни тръби с помощта на компресионни фитинги като "Eurocone";
- Ако е необходимо да се използват тръби, върху които е монтиран свързващ фитинг с плоско уплътнение, е необходимо да се използва адаптер SFT-0049-000001. Типът на фитинга се избира в зависимост от материала и диаметъра на тръбата;
- Тръбопроводните фитинги не трябва да изпитват неправилно подравняване на разклонителните тръби, неравномерно затягане на крепежни елементи. Ако е необходимо, трябва да се осигурят опори или компенсатори за намаляване на натоварването на клапана от тръбопровода;
- Отклонението на коаксиалността на тръбопроводите, които трябва да бъдат свързани, не трябва да надвишава 3 mm с дължина до 1 m плюс 1 mm за всеки следващ метър;
- След монтажа е необходимо да се проведат тестове за херметичност на съединенията в съответствие с изискванията на GOST 24054 и GOST 25136;
- При инсталиране и експлоатация на Stout заключващи и свързващи устройства използването на лостови ключове за газ е строго забранено!
Документация
- Информационен лист за продукта (отворен PDF файл)
Спецификации
| Производител | Стаут |
| Серия | SVH 0004 |
| код на продавача | SVH 0004 000020 |
| Тип | блок за свързване на радиатора |
| Екзекуция | ъглова |
| Област на приложение | отоплителни системи с топла вода |
| Назначаване | за радиатор |
| Размер на връзката | 3/4 ″ х3 / 4 ″ |
| Работно налягане | 10 бара |
| Тестово налягане | 15 бара |
| Работна температура | до + 120 ° C |
| Температура на околната среда | от -20 ° C до + 50 ° C |
| Условна честотна лента kvs | 1,8 м3 / час |
| Разстояние между свързващите тръби | 50 мм |
| Момент на затягане на факелната гайка | не повече от 35 Nm |
| Уплътнителен материал | EPDM, PTFE, NBR |
| Теглото | 267 гр |
| Живот | 10 години |
| Страна на произход | Италия |
| Страна на произход на марката | Италия |
| Официална гаранция на производителя | 2 години |
Качество на продукта
Нашата компания закупува продукти от големи доказани доставчици.
Радваме се да ви предложим качествен оригинален продукт!
HydroTeplo е официален дилър на TEREM LLC за марката STOUT
Опаковка от полипропиленови тръби
Преди да свържете алуминиеви радиатори с полипропиленови тръби, трябва да съставите диаграма на тръбите
Когато го съставяте, е важно да избягвате ненужните възли и „огъвания“ в тръбите, което ще направи работата по-надеждна
Тръбопроводите могат да се извършват както в еднотръбни, така и в двутръбни отоплителни системи, но като се вземат предвид следните нюанси:
- При първата опция се изисква инсталиране на байпас.
- При двутръбна система са необходими допълнителни свързващи елементи.
Полипропиленовите тръби могат да бъдат свързани по два начина:
- Най-надеждният е запояване. тъй като краищата на тръбите и тройника са закрепени заедно толкова здраво, че се превръщат в единна система, която не се страхува нито от високи температури, нито от повишаване на налягането. Запояването се извършва със специален инструмент.
- Ако използвате фитинги. за които не са необходими специални приспособления, трябва да сте подготвени, че те ще трябва да се затягат и редовно да се проверяват. Това се дължи на факта, че при нагряване тръбите се разширяват, постепенно отслабвайки "захвата" си. Веднага след като крепежните елементи се разхлабят, ще последва теч.
За да бъде всичко направено правилно, трябва да следвате последователността на действията:
- Проверете дали разфасовките на частта от сбруята, която отива директно към батерията, са равномерни. Нарежете тръбата отново, ако е необходимо.
- Следващата стъпка е запояване на облицовъчните части, които пасват на фитинга, разположен в горната част на радиатора. Дори начинаещ може да извърши тази процедура със специален поялник. Достатъчно е да вкарате една част от тройника в тръбата, да загреете съединението с поялник и да ги задържите, докато шевът се охлади. Това обикновено отнема не повече от 3 минути. Същият процес се извършва и с другата страна на тройника.
- Сглобяване на долната част на колана. който е свързан с долния фитинг, се извършва по подобен начин, необходими са само повече адаптери.
- Заключващото устройство е свързано към двете части на тапицерията. за които се отвива разклонителната тръба.
След свързването на спирателните кранове всички гайки се затягат, след като предварително сте завили теглича, импрегниран с уплътнител, върху резбата на фитинга.
Ако решите да инсталирате алуминиеви радиатори, важно е да знаете следното:
Както показва практиката, промяната на алуминиевите радиатори за долната връзка е в голямо търсене, особено в къщи с автономно отопление. Те изглеждат по-естетически, равномерно и бързо загряват помещението, но изискват известни познания по време на монтажа, затова се препоръчва да се доверите на тяхната инсталация на професионалисти.
Избор на място и метод за инсталиране на радиатор
Опциите за свързване на отоплителни радиатори зависят от общата отоплителна схема в къщата, конструктивните характеристики на отоплителните устройства и метода на полагане на тръбите. Следните методи за свързване на отоплителни радиатори са често срещани:
- Странично (едностранно). Тръбите за подаване и връщане са свързани от една и съща страна, като захранването е разположено отгоре. Стандартният метод за многоетажни сгради, когато захранването се извършва от щранговата тръба. По отношение на ефективността този метод не отстъпва на диагоналния.
- Нисък. По този начин се свързват биметални радиатори с долна връзка или стоманен радиатор с долна връзка. Захранващите и връщащите тръби се подават отдолу в лявата или дясната страна на устройството и са свързани чрез долната връзка на радиатора с съединителни гайки и спирателни клапани. Гайката се завинтва към долната тръба на радиатора. Предимството на този метод е разположението на основните тръби, скрити в пода, а отоплителните радиатори с по-ниска връзка хармонично се вписват в интериора и могат да бъдат монтирани в тесни ниши.
Предимството на повечето стоманени радиатори с долна връзка е вече вграденият термостатичен клапан за монтиране на термостатичната глава, така че не бива да се учудвате, че струват малко повече от радиатори със същия размер със странични връзки.
- Диагонал. Охлаждащата течност влиза през горния вход, а обратният поток е свързан от противоположната страна към долния изход. Оптималният тип връзка, който осигурява равномерно нагряване на цялата площ на батерията.По този начин правилно свържете отоплителната батерия, чиято дължина е повече от 1 метър. В този случай загубата на топлина не надвишава 2%.
- Седло. Подаването и връщането са свързани към долните отвори, разположени от противоположните страни. Използва се главно в еднотръбни системи, когато не е възможен друг метод. Загубата на топлина поради лоша циркулация на охлаждащата течност в горната част на устройството достига 15%.
При избора на място за монтаж се вземат предвид няколко фактора, които осигуряват правилната работа на отоплителните устройства. Монтажът се извършва на места, най-малко защитени от проникване на студен въздух, под отвори на прозорци. Препоръчително е да инсталирате батерия под всеки прозорец. Минималното разстояние от стената е 3-5 см, от пода и перваза на прозореца - 10-15 см. При по-малки пролуки конвекцията се влошава и мощността на батерията намалява.
Типични грешки при избора на място за инсталиране:
- Мястото за монтиране на контролни клапани не се взема предвид.
- Малкото разстояние до пода и перваза на прозореца предотвратява пълната циркулация на въздуха, в резултат на което топлообменът намалява и помещението не се затопля до зададената температура.
- Вместо няколко батерии, разположени под всеки прозорец и създаващи топлинна завеса, се избира един дълъг радиатор.
- Монтаж на декоративни решетки, панели, които предотвратяват нормалното разпространение на топлина.
Методи за циркулация на охлаждащата течност
Циркулацията на охлаждащата течност през тръбопроводите става по естествен или принудителен начин. Естественият (гравитационен) метод не включва използването на допълнително оборудване. Топлоносителят се движи поради промяна в характеристиките на течността в резултат на нагряване. Горещата охлаждаща течност, постъпвайки в батерията, охлаждайки се, придобива по-голяма плътност и маса, след което тя намалява и на нейно място влиза по-гореща охлаждаща течност. Студената вода от връщането се влива гравитационно в котела и измества вече нагрятата течност. За нормална работа тръбопроводът е монтиран под наклон от най-малко 0,5 cm на един работен метър.


Диаграма на циркулацията на охлаждащата течност в системата с помощта на помпено оборудване
За принудителното подаване на охлаждащата течност е необходимо инсталирането на една или повече циркулационни помпи. Помпата е монтирана на връщащата тръба пред котела. Работата на отоплението в този случай зависи от електрическото захранване, но има значителни предимства:
- Допускат се тръби с малък диаметър.
- Линията се инсталира във всяко положение, вертикално или хоризонтално.
- Необходим е по-малък обем отоплителна среда.
Връзки на радиатора
Производителите на оборудване за отоплителни системи са създали възли за свързване на радиатори с различни форми и предназначение.
За едностранно свързване на радиатори в системи с еднотръбно хоризонтално окабеляване се произвеждат специални двупосочни свързващи възли с вграден байпас (фиг. 94). В долната част на блока има байпас, който отделя горещата охлаждаща течност, насочвайки едната част към радиатора, а другата част обратно към основната. Връзките се произвеждат в два вида: със и без балансиращ клапан. Чрез завинтване или развиване на клапана се регулира дебитът на охлаждащата течност, изтичаща от радиатора. Регулирането на балансиращия клапан се извършва съгласно таблиците на производителя на свързващия блок. В горната част на блока е монтиран термостат, който следи температурата на въздуха в помещението и изключва подаването на охлаждаща течност към радиатора.
фиг. 94. Свързване на радиатори в еднотръбен отоплителен кръг с двупосочни свързващи възли
За двутръбни отоплителни системи производителите на отоплително оборудване са създали приблизително една и съща единица (фиг. 95). Единствената разлика е, че байпасът на двутръбния възел винаги е затворен.Това се осигурява от различни технически решения, в този случай уплътнение на стеблото на клапана. Трябва да се отбележи, че има доста производители на модули за свързване на радиатори. Фигури 94–95 показват агрегатите, други компании са приложили други технически решения, но те използват същите основни принципи: долно свързване на тръбопроводи към блока, вградени байпаси и балансиращи клапани.
фиг. 95. Свързване на радиатори в двутръбен отоплителен кръг с двупосочни свързващи възли
Има и универсални възли за свързване на радиатори (фиг. 96) с регулируем вграден байпас, предназначен както за еднотръбно, така и за двутръбно хоризонтално окабеляване. Чрез отваряне на байпасния клапан се регулира преливането на горещата охлаждаща течност във връщащата линия. Затварянето на байпасния отвор напълно изпраща цялата охлаждаща течност към радиатора. Частичното отваряне разделя охлаждащата течност на два потока: едната част отива към радиатора, другата към основната линия и тъй като конусните клапани са разположени на един прът, става възможно балансирането на отоплителния кръг, което прави потока през радиаторите повече на дистанционни отоплителни устройства и по-малко на близко разположени.
фиг. 96. Универсален блок за свързване на радиатора
За да се придаде по-естетичен вид на отоплителните радиатори, броят на свързващите възли се намалява и се използва така наречената "едноточкова" връзка (фиг. 97). Основната му характеристика се крие в използването на специална тръба, която се вкарва в радиатора. Чрез тази тръба горещата охлаждаща течност се подава далеч в радиатора, а охладената се извежда през отвора, разположен около тръбата. Или, обратно, горещата охлаждаща течност се вкарва през отвора и се изхвърля през тръбата. Тези радиаторни връзки са проектирани както за еднотръбни, така и за двутръбни хоризонтални отоплителни кръгове.
фиг. 97. Едноточкова радиаторна връзка
За някои радиатори се предвижда свързване на тръбопроводи към долната равнина на нагревателя. Производителите на отоплително оборудване и за тях са изобретили свои собствени свързващи възли. Както при страничното свързване на радиаторите, те са направени с вграден регулируем или нерегулируем байпас и балансиращ клапан (фиг. 98).
фиг. 98. Възли на свързване към долната равнина на радиатора
Основните предимства на долната очна линия
Както беше отбелязано по-рано, този метод осигурява подаване на гореща течност към радиатора от едната страна и изхода на охладената една от другата. Благодарение на това тръбите могат лесно да бъдат скрити, практически без да губят своята ефективност. А самите батерии се загряват по-бързо отдолу, отколкото отгоре поради високата скорост на циркулация на водата.
Понякога ефективността на оборудването, което се експлоатира, намалява поради проветряването на линията или нейното запушване. Но дори и след това, този метод на тръбопроводи осигурява равномерно нагряване на устройствата (ефективността не е по-ниска, отколкото при горните тръбопроводи).
Важно! Независимо кой метод на свързване е избран, по време на инсталацията трябва да се спазват редица специални изисквания. И това се отнася преди всичко за съотношението между ширината на радиатора и подобен индикатор на прозореца
Предимства и недостатъци
Предимствата на долната връзка на биметален радиатор включват:
- Естетичен външен вид.
С тази схема на свързване тръбите са по-лесни за скриване. Например това може да стане, като ги скриете под пода, в стената или под перваза. - Лесно инсталиране.
Тръбите са свързани директно, с тази опция има малко завои, завои и т.н. По този начин охлаждащата течност тече без значителни препятствия. - Цената на долната схема на свързване е по-малка от останалата;
- Долната система за свързване е по-стабилна, тоест е трудно да я дисбалансирате.


Фиг. 3 панелни модела на биметални радиатори
Недостатъци на долната връзка:
- Ако тръбите се прокарат под пода, за да се постигне естетичен вид, ще бъде много трудно да се поправи течът. Ще е необходимо да демонтирате пода. В жилищна сграда такава система не е свързана, тъй като има система за централно отопление.
- Нивото на топлопреминаване от радиатори с долната верига на захранване е малко по-малко, отколкото при други връзки.
Що се отнася до малкия топлопренос, това може да се обясни с дизайна на каналите в биметални радиатори. Горещата охлаждаща течност се подава в батерията и загрява дъното й много бързо. Горната част на батерията се загрява чрез конвекция. По този начин горната част на батерията може да не е напълно загрята и въздухът постоянно ще се събира там.
Това се отнася и за ситуацията, когато охлаждащата течност се състои от вода и антифриз (фиг. 4). Антифризът е по-тежък от водата и винаги е на дъното и водата ще се издигне нагоре. По този начин при долната схема на свързване се нарушава циркулацията на охлаждащата течност вътре в устройството. Това води до малко разсейване на топлината и неефективност на долната електрическа схема.


Фиг. 4 Циркулация на охлаждащата течност с антифриз
Как правилно да свържете биметален радиатор? Разбира се, за това трябва да имате определени знания и умения. Правилното свързване на биметално отоплително устройство се състои в спазването на някои правила. Трябва да се отбележи, че е по-добре да свържете схемата на долната тръба в началото на ремонтните дейности. Тъй като тази очна линия всъщност се изпълнява поради естетическия си вид, тръбите минават или под пода, или в стената.
Всички разстояния трябва да се спазват стриктно, например от пода до радиатора, правилното разстояние трябва да бъде най-малко 15 см, между стената и устройството най-малко 2 см.
След това, като използвате ниво, трябва точно да очертаете местата за скобите. По-добре е да инсталирате радиатора на стойка и да поставите ниво отгоре, след което можете да сте сигурни, че всички измервания са правилни. Скобите, като правило, се доставят с биметално отоплително устройство. Броят на тези закрепвания трябва да съответства на размера на уреда.


Фиг. 5 Правилни начини за свързване на тръби към биметален радиатор
За да свържете правилно тръбите, е важно да не бъркате захранващите и връщащите линии. За да предотвратите това, трябва внимателно да проучите всички надписи, тъй като на радиатора има съответна маркировка
Ако биметален отоплителен радиатор е неправилно свързан, топлопреносът намалява няколко пъти, а именно с 60%. Разбира се, моделът на отоплителното устройство също зависи от това.
Долните тръби, които са с Г-образна форма, трябва да бъдат подсилени, но само след проверка на цялата система. Това се прави, като правило, с помощта на полиуретанова пяна.
Инсталирането и свързването на биметални радиатори трябва да се извършва в защитна опаковка
Това е много важно, защото ако боята върху радиатора е повредена, може да се осъществи необратим процес. Боята ще продължи да набъбва от повреда
Ако това се случи, но трябва да закупите специална боя на основата на емайл и да обработите драскотината. Опаковката трябва да е върху радиатора, преди да се свържете.
Всички аксесоари, щепсели и кранове трябва да бъдат в комплект с радиатор, но това трябва да се провери с консултант в магазина. А именно, това е кранът на Маевски и щепселите за друг колектор. Правилно инсталирайте крана на Маевски с динамометричен ключ, за да не затегнете прекалено връзката и да не повредите крана. Връзките никога не трябва да се почистват с нищо, тъй като при стартиране на системата може да се появи теч.


Фиг. 6 Устройство на биметално устройство с долна връзка
Какво е възел от долната част?
Устройството за свързване на радиатора с долна връзка („бинокъл“) е Н-образна водопроводна арматура с два успоредни фитинга в местата за свързване на акумулатора и здрав джъмпер между тях.От едната страна на този елемент има фитинг с притисната гайка и уплътнение с вътрешна секция ¾ ", а от другата страна е фит" външна резба във фитинга.
Във всяка втулка е монтиран винтов клапан или сферичен кран, които са предназначени да регулират или спират потока на входящата охлаждаща течност; при отстраняване на радиаторите за последващия им ремонт или подмяна се използват спирателни свойства.
Отоплителното оборудване на долната връзка на радиатора дава възможност за свързване на алуминиеви или стоманени батерии с отвори за тръби отдолу, които имат външна резба. Радиаторите са свързани към тези тръби в пода или стената с помощта на ъглов или прав N-образен адаптер "американски".
Ефективност на свързване към отоплителни системи отдолу в случай, когато захранващите тръби преминават под пода, в редки случаи за запазване на естетиката на интериора, както и за удобство, те се вкарват в стените на малка височина - благодарение на ъгловият фитинг, тръбите могат да бъдат свързани към тялото на радиаторите.
В допълнение към управляващите и спирателните клапани, за да се повиши ефективността на работата, в свързващите възли на клапаните често се въвеждат външни и вътрешни байпаси, а за стабилизиране на температурния режим се използват термостати.
Какво представлява байпасът във водоснабдителната и отоплителната система? Тази част е обикновен джъмпер, благодарение на който охлаждащата течност може да се движи свободно по линията, заобикаляйки всяко оборудване.


Какво представлява модулът за връзка на радиатора
Възел за свързване на радиатора с долна връзка е Н-образна част от санитарните фитинги с два успоредни фитинга на разстояние от седалките на стоманен панелен радиатор и твърд джъмпер между тях. Типична част има от едната страна фитинг в запресована гайка с уплътнение (американски съединител) с вътрешен диаметър 3/4 ", от другата страна 3/4" външна резба е приложена към фитинга.
Във всеки от входовете е разположен спирателен сферичен кран или винтов клапан, който ви позволява да регулирате или изключвате входящия топлоносител; при изваждане на батерията по време на нейния ремонт или подмяна се използва функция за изключване.
За какво е възелът за свързване?
На външен вид възлите за свързване на отоплителния радиатор изглеждат като два сферични крана, затворени в един корпус. Може да се използва за свързване на радиатора към различни видове тръбопроводи:
За да се извърши инсталирането на радиатор, към който е свързана тръбата отдолу, са необходими следните структурни елементи:
- долен свързващ възел;
- термостатична глава (не във всички системи);
- специални адаптери, с които долният свързващ блок е свързан към тръбата.


Такива модули правят възможно инсталирането на радиатори в едно- или двутръбни отоплителни системи, ако са положени в мазета или в ниша за стена.
По правило размерите между осите на изхода и входните връзки на батерията са 5 см. Корпусът на модула за странично свързване на радиатора е изработен от месинг или бронз, уплътненията са от полимер.
Схеми за свързване на радиатора
Колко добре ще се затоплят радиаторите, зависи от начина на подаване на охлаждащата течност към тях. Има повече и по-малко ефективни опции.
Долни радиатори за свързване
Всички отоплителни радиатори имат два вида свързване - странично и долно. Не може да има несъответствия с долната връзка. Има само две тръби - входна и изходна. Съответно, от една страна, охлаждащата течност се подава към радиатора, от друга, тя се изхвърля.


Долно свързване на отоплителни радиатори с еднотръбна и двутръбна отоплителна система
По-конкретно, къде да свържете захранването и къде обратното е написано в инструкциите за инсталиране, които трябва да са налични.
Радиатори със странична връзка
При странично свързване има много повече опции: тук захранващият и връщащият тръбопровод могат да бъдат свързани в две дюзи, съответно има четири опции.
Вариант номер 1. Диагонална връзка
Такова свързване на отоплителни радиатори се счита за най-ефективно, то се приема като стандарт и по този начин производителите тестват своите отоплителни устройства и данните в паспорта за топлинна мощност - за такава връзка. Всички останали видове свързване отдават топлина по-малко ефективно.


Диагонална схема на свързване на отоплителни радиатори с двутръбни и еднотръбни системи
Това е така, защото когато батериите са диагонално свързани, горещата охлаждаща течност се подава към горния вход от едната страна, преминава през целия радиатор и излиза от противоположната, долната страна.
Вариант номер 2. Едностранно
Както подсказва името, тръбопроводите са свързани от едната страна - захранване отгоре, връщане - отдолу. Тази опция е удобна, когато щрангът преминава отстрани на нагревателя, което често се случва в апартаментите, тъй като този тип връзка обикновено преобладава. Когато охлаждащата течност се подава отдолу, такава схема се използва рядко - не е много удобно да се поставят тръби.


Странична връзка за двутръбни и еднотръбни системи
При такова свързване на радиатори ефективността на отоплението е само малко по-ниска - с 2%. Но това е само ако в радиаторите има няколко секции - не повече от 10. При по-дълга батерия, най-отдалечената от ръба няма да се загрее добре или дори да остане студена. В панелните радиатори, за да се реши проблемът, са инсталирани удължители на потока - тръби, които отвеждат охлаждащата течност малко по-далеч от средата. Същите устройства могат да бъдат инсталирани в алуминиеви или биметални радиатори, като същевременно се подобрява топлопредаването.
Вариант номер 3. Долна или седлова връзка
От всички опции, седловата връзка на отоплителните радиатори е най-малко ефективна. Загубите са приблизително 12-14%. Но този вариант е най-незабележим - тръбите обикновено се полагат на или под пода и този метод е най-оптималният от гледна точка на естетиката. И така, че загубите да не влияят на температурата в стаята, можете да вземете радиатор малко по-мощен от необходимото.


Седлово свързване на отоплителни радиатори
В системи с естествена циркулация този тип връзка не трябва да се прави, но с помпа работи добре. В някои случаи тя не е дори по-лоша от страничната. Просто при определена скорост на движение на охлаждащата течност възникват вихрови потоци, цялата повърхност се загрява и топлообменът се увеличава. Тези явления все още не са напълно проучени, поради което все още е невъзможно да се предскаже поведението на охлаждащата течност.
Долни връзки FAR (ФАРОВЕ) за радиатори
Еднотръбните и двутръбните четирипосочни възли FAR са предназначени за еднопосочно и едноточково свързване на радиатори за топла вода, което подобрява външния вид на тръбите на отоплителното устройство. Подобрява надеждността на системата чрез избягване на скрити тръбни връзки. Поради инсталирането на четирипътни възли се спестяват тръбни материали: тръби, свързващи фитинги, краища.
Класификация на възел отдолу:
2.1 Съгласно схемата за свързване
- "Отгоре надолу" едностранно: изкуство. 1440, 1442, 1457, 1575, 1585, 1590, 1595
- „Отдолу надолу“ единична точка. При тази схема топлопредаването на радиатора се намалява с ~ 10%. изкуство. 1420, 1421, 1422, 1423, 1424, 1430, 1433, 1435, 1436, 1437, 1450, 1455, 1500, 1550
2.2 По тип отоплителна система


| 1421, 1422, 1423, 1424, 1435, 1436, 1437, 1438 | |
| 1420, 1440, 1442, 1450, 1455,1473, 1500, 1550 1575, 1585, 1590, 1595 | 1430, 1433, 1457 |
2.3 Чрез метода за регулиране на топлинния режим:
- без настройка (само балансиране на системата): чл. 1575
- ръчно регулиране:
- - изкуство. 1550 има спирателни и регулиращи клапани
- - изкуство. 1450, 1455, 1463, 1473, 1500, 1550, 1585, 1590, 1595 ръчното регулиране се извършва чрез завъртане на копчето, което променя положението на стеблото на клапана: при завъртане надясно дръжката се затяга и движи клапана към затварящата страна и когато се обърне в обратната посока, тя се отваря
- автоматично регулиране: чл. 1420, 1430, 1433, 1435, 1436, 1437, 1438, 1440, 1442, 1457
|
|
|
|
| 1 | |||
| 1421 - Евроконус 3/4 ″ 1422 - М24х19 | 1423 - Евроконус 3/4 ″ 1424 - М24х19 | 1481 - Евроконус 3/4 ″ 1482 - М24х19 | 1483 - Евроконус 3/4 ″ 1484 - М24х19 |
| 1 | |||
| Ъглова долна връзка за стоманени панелни радиатори за едно- и двутръбни системи | Връзка с право дъно за радиатори от стоманен панел за едно- и двутръбни системи | Ъглова долна връзка за стоманени панелни радиатори за едно- и двутръбни системи | Връзка с право дъно за радиатори от стоманен панел за едно- и двутръбни системи |
| 1 | |||
| 1 | |||
| 1 | |||
|
|
| |
| 1 | |||
| 1435 - М24х19 1431 - М24х19 (без сонда) | 1436 - М24х19 1432 - М24х19 (без сонда) | 1437 - М24х19 1433 - М24х19 (без сонда) | LadyFAR |
| 1 | |||
| Управляващ блок за право и долно свързване за едно- и двутръбни системи | Устройство за управление на ъглово дъно за едно- и двутръбни системи | Устройство за управление на ъглово дъно за едно- и двутръбни системи | Устройство за управление на ъглово дъно за едно- и двутръбни системи |
| 1 | |||
| 1 | |||
| 1 | |||
|
|
| |
| 1 | |||
| 1420 - М24х19 | 1430 - М24х19 | 1438 - М24х19 | 1442 - М24х19 |
| 1 | |||
| Устройство за управление отдолу за еднотръбни системи | Устройство за управление отдолу за една и две тръби | Устройство за управление отдолу за една и две тръби | Устройство за управление отдолу за еднотръбни системи |
| 1 | |||
| 1 | |||
| 1 | |||
| 1 | |||
| 1440 - М24х19 | 1457 - М24х19 | 1575 - М24х19 | 1475 - М24х19 |
| 1 | |||
| Устройство за управление отдолу за еднотръбни системи | Устройство за управление отдолу за една и две тръби | Устройство за управление отдолу за еднотръбни системи | Устройство за управление отдолу за двутръбни системи |
| 1 | |||
| 1 | |||
| 1 | |||
| 1 | |||
| 1425 - М24х19 | 1428- М24х19 | 1600 | 1500 |
| 1 | |||
| Устройство за управление отдолу за една и две тръби | Устройство за управление отдолу за една и две тръби | Регулираща единица за конвектори с входящ нагоре нагревателна среда за еднотръбни системи | Блок за управление отдолу за еднотръбни системи |
| 1 | |||
| 1 | |||
| 1 | |||
| 1 | |||
| 1463 - М24х19 | 1465 - М24х19 | 1462- М24х19 | 1472 - М24х19 |
| 1 | |||
| Устройство за управление отдолу за еднотръбни системи | Устройство за управление отдолу за двутръбни системи | Устройство за управление отдолу за еднотръбни системи | Устройство за управление отдолу за еднотръбни системи |
| 1 | |||
| 1 | |||
| 1 | |||
| 1 | |||
| 1473 - М24х19 | 1590 - М24х19 | 1585 - М24х19 | 1595 - М24х19 |
| 1 | |||
| Устройство за управление отдолу за еднотръбни системи | Устройство за управление отдолу за еднотръбни системи | Устройство за управление отдолу за еднотръбни системи | Устройство за управление отдолу за еднотръбни системи |
| 1 | |||
| 1 | |||
| 1 | |||
| 1474 - М24х19 | 1464 - М24х19 | 1452 - М24х19 | 1550 - М24х19 |
| Устройство за управление отдолу за двутръбни системи | Устройство за управление отдолу за двутръбни системи | Устройство за управление отдолу за еднотръбни системи | Устройство за управление отдолу за еднотръбни системи |
| 1 | |||
| 1 | |||
| 1 | |||
| 1 | |||
| 1450 - М24х19 | 1451 - М24х19 | 1455 - М24х19 | 1456 - М24х19 |
| 1 | |||
| Устройство за управление отдолу за еднотръбни системи | Устройство за управление отдолу за еднотръбни системи | Устройство за управление отдолу за еднотръбни системи | Устройство за управление отдолу за двутръбни системи |
| 1 |
Сортирай по: Име Цена Нулиране
Ние правилно свързваме отоплителни радиатори
Независимо от вида на избраните радиатори и подходящата за тях схема на свързване е важно всичко да се изчисли и монтира правилно. Във всеки конкретен случай собствената система ще бъде оптимална.
За скъпи къщи с голяма площ е препоръчително да се свържете със специалисти, които могат да предложат най-добрия проект. Това не е въпрос за икономия.
Във всеки конкретен случай собствената система ще бъде оптимална. За скъпи къщи с голяма площ е препоръчително да се свържете със специалисти, които могат да предложат най-добрия проект. Това не е въпрос, от който да пестите.


За да инсталирате и свържете правилно отоплителните устройства в сложна дизайнерска схема, е по-добре да използвате услугите на професионалисти
За малки жилищни къщи можете самостоятелно да изберете подходяща схема и да инсталирате отоплителни устройства.Задължително е да се вземат предвид особеностите на вашия дом, правилата за инсталиране на батерии и препоръчителността за използване на определена схема.
Когато инсталирате радиатори, не забравяйте, че видът на самата батерия и тръбите трябва да са еднакви. Пластмасовите тръби, свързани към чугунени нагреватели, ще донесат много проблеми, разрушавайки отоплителната система.


Занимавайки се с самоинсталация на отоплителни батерии, не трябва да забравяте от монтажа на сферични кранове за обезвъздушаване и регулатор на входа










