A movimentação dos fluxos de ar nos dutos de exaustão da fumaça está sujeita às leis da física, porém, com a ajuda de alguns aparelhos, é possível ajustar a força de empuxo. Um desses dispositivos é um amortecedor de portão - um atributo obrigatório de um fogão doméstico ou de sauna.
Vamos descobrir que tipo de válvulas existem e se é possível construir um portão para a chaminé com as próprias mãos, se não houver um análogo de fábrica disponível.
Funções, propósito e características
Um portão é uma partição que está localizada dentro da chaminé. Repete a forma e a área de sua seção transversal e, quando fechada, sobrepõe-se quase completamente. Mudar a posição do portão permite aumentar ou diminuir a abertura do tubo da chaminé, aumentando ou diminuindo o fluxo de ar. Com a ajuda do amortecedor, você pode parar a circulação do ar depois de acender o fogão.
O portão deslizante é uma placa de metal fina que é ajustada manualmente usando um botão especial. Este último está localizado fora do tubo da chaminé para que o usuário possa ajustar manualmente a posição da placa.
Dependendo do projeto e do tipo do amortecedor, ele é instalado com uma estrutura metálica especial ou inserido no tubo e fixado com uma haste axial.
O amortecedor de chaminé executa as seguintes funções:
- aumenta a tração em condições climáticas difíceis;
- aumenta a intensidade da combustão na fornalha, aumentando o fluxo de oxigênio;
- reduz a tração quando há um zumbido forte na chaminé durante ventos fortes;
- economiza combustível reduzindo a intensidade da combustão;
- evita o vazamento de calor após o aquecimento do aquecedor.
Shiber: o que é?
Um portão é simples em termos de características de design, mas um dispositivo muito importante, que é um amortecedor para uma chaminé. Esse amortecedor fecha uma determinada seção da chaminé para garantir a segurança contra incêndio.
O amortecedor controla o fluxo de ar e a força da chama durante a combustão do combustível. Quando o combustível acaba e o fogão ou algum outro dispositivo de aquecimento está quente, o registro é fechado para que o calor permaneça no ambiente e não escape pela chaminé.
Adendo! Quando o aquecedor aquece, a tampa deve estar aberta. Assim que o processo de combustão no compartimento de combustível estiver concluído, ele deve ser empurrado para que o calor permaneça no ambiente e não escape pela chaminé para o exterior.
O dispositivo, que se tornou o assunto da nossa conversa, deve necessariamente ser instalado em todos os dispositivos de aquecimento, sem contar aqueles em que a força de tração é regulada por uma automação especial (ou seja, a utilização de um defletor e um estabilizador de peso).
Características de instalação de válvulas de gaveta
Estruturalmente, a comporta é um dispositivo de travamento com uma válvula de comporta ajustável. É graças ao deslocamento da válvula que se regula o movimento dos gases na chaminé. Pode ser instalado em chaminés redondas, quadradas e retangulares. É uma placa de metal que se move dentro do canal de fumaça de uma certa maneira.

Amortecedores de portão podem ser de dois tipos:
- Retrátil. Move-se para frente e para trás no mesmo plano.
- Swivel. Regula o acesso do ar girando em torno de seu eixo.
Além disso, as válvulas de gaveta podem ser manuais e equipadas com um atuador elétrico. O custo destes últimos é uma ordem de grandeza superior e não são usados em chaminés.
Para instalar a válvula borboleta, é necessário fazer marcações no tubo para fazer os furos de acordo com a estrutura soldada da válvula.
Para fazer isso, você precisa medir o tubo com uma fita métrica e fazer marcas para futuros orifícios. Depois de se certificar de que as marcas são simétricas, faça os furos para a futura alça giratória com uma broca.
A instalação do acelerador é a seguinte:
- Um círculo amortecedor de aço com um tubo soldado é inserido no tubo da chaminé.
- Uma haste de metal é enfiada nos orifícios perfurados no tubo através de um pequeno tubo, cuja extremidade é fixada com um parafuso e uma porca.
- A extremidade da haste é dobrada usando o alicate de alça giratória.
Em seguida, você pode instalar a estrutura resultante no tubo da chaminé. Para isso, o primeiro pedaço de tubo é colocado no tubo do forno de aquecimento do forno, sobre o qual é instalada uma estrutura com amortecedor de deslizamento. O próximo pedaço de tubo de metal é colocado no portão. Todas as juntas são seladas com selante de silicone líquido.
A instalação de uma comporta retrátil em uma chaminé de alvenaria ocorre durante o processo de alvenaria. Para isso, após 6 a 8 fiadas de tijolos, é aplicada uma camada de argamassa de cimento para alvenaria, sobre a qual é instalada a armação de arame com o lado aberto para o executor. A trava deve ser inserida na estrutura e colocada em um estado fechado.
De cima, a moldura é coberta com argamassa e o tijolo continua a ser disposto de acordo com o esquema padrão.
- Portão retrátil horizontal. A placa no interior do portão estende-se, para a qual se ajusta a secção transversal da chaminé. Normalmente, este tipo de válvula é usado para instalação em chaminés de tijolo. Freqüentemente, pequenos orifícios são feitos na superfície da placa para que, mesmo na posição fechada da comporta, ela não bloqueie 100% o canal de fumaça. Isso está em conformidade com os regulamentos de segurança contra incêndio. A vantagem desse tipo de dispositivo é a facilidade de instalação.
- Portão giratório. Também é chamada de “válvula de estrangulamento”, que é uma placa de metal fixada em um eixo giratório. O eixo, por sua vez, é montado dentro do duto da chaminé. Este dispositivo possui um disco rotativo removível, mas com o uso prolongado pode se tornar inutilizável. No entanto, o esquema do mecanismo rotativo permite que você mesmo o conserte e substitua. A vantagem desse tipo de dispositivo é a facilidade de uso. Este tipo de portão não requer monitoramento constante por parte do dono da casa.
Devido à complexidade do design com as suas próprias mãos, o mecanismo rotativo é menos utilizado para colocar uma lareira ou recuperador de calor.
O projeto do portão é necessário para fogões a lenha e dispositivos de aquecimento que operam com qualquer combustível sólido.
Portanto, para uma caldeira a gás, a solução mais prática seria instalar um mecanismo rotativo. A temperatura dos gases que saem é menos baixa do que quando se trabalha com combustível sólido, portanto, a operação de tal mecanismo será mais conveniente.
Válvula na chaminé isolada
Mas é melhor recusar-se a instalar o mecanismo rotativo no banho. O fato é que ele deixa passar parcialmente de uma forma fechada. E quando aberto, esse mecanismo é difícil de limpar.
Feito de aço inoxidável, o mecanismo de corrediça não cobre completamente a chaminé, mas ao mesmo tempo exclui a possibilidade de puxar línguas de fogo através do cinzeiro para dentro da sala.
Existem três opções para instalar o portão.
- Instalando um amortecedor em uma inserção de lareira. Para isso, o portão é montado a uma distância de 1 metro do dispositivo de aquecimento, o que garante um funcionamento simples.
- A opção "tubo a tubo" envolve a combinação do portão com outros elementos da estrutura de aquecimento sem o uso adicional de fixadores.
- Instalação de válvula gaveta em tubo de ventilação. Mas esta opção é geralmente usada para proteger o motor do ventilador de superaquecimento durante a operação.
Sugerimos que você se familiarize com o registro cadastral de um banho
Mas mesmo que o kit acabado vá sem este elemento, o portão pode ser facilmente feito com suas próprias mãos, escolhendo a versão mais ideal do mecanismo para você.
Como qualquer solução de engenharia, o portão tem várias vantagens e desvantagens.
Prós:
- Possibilidade de controle de tração;
- Economia de combustível;
- Os amortecedores ajudam a reter o calor.
Desvantagens:
- Dispositivos dificultam a limpeza das chaminés;
- Se instalada incorretamente, a comporta pode entalar e afetar adversamente o movimento dos gases;
- Para um ajuste correto, é necessário ter um certo conhecimento na área de sistemas de combustão.
O amortecedor retrátil permite ajustar a seção de trabalho da chaminé, o amortecedor rotativo apenas abre ou fecha o tubo. Claro, alguns truques são possíveis - como fixar o porco em uma posição intermediária de diferentes maneiras, mas o equipamento de fábrica não prevê isso. Além disso, a comporta rotativa complica a limpeza mecânica do tubo.
Como fazer um portão de chaminé com as próprias mãos
É melhor fazer e instalar você mesmo o portão no processo de colocação de uma lareira ou de instalação de uma chaminé de metal.


Você também pode fazer e instalar se a chaminé de aço já estiver instalada, mas o amortecedor não foi fornecido nela. Dependendo do diâmetro e da forma da seção transversal da chaminé, do material de execução, é possível fazer uma válvula retrátil e borboleta.
Observação! Para uma chaminé de tijolo, um amortecedor retangular retrátil em uma ranhura especial é mais adequado. Para um tubo de metal, você pode escolher qualquer opção.
Instrução para a fabricação de um portão retrátil
Para a fabricação de um amortecedor deslizante simples, são necessárias chapas de aço galvanizado ou inoxidável com espessura de 2-2,5 mm. Fazer guias em torno do perímetro da chaminé exigirá fio de 6 mm de espessura.
Recomendamos que você se familiarize com: Válvula de esfera feita de aço inoxidável - critérios de seleção e métodos de instalação


Para completar o trabalho, você precisa de equipamentos e ferramentas:
- Moedor ou tesoura para metal;
- disco de esmerilar para rebarbadoras;
- brocas e limas para metal;
- marcador para marcação.
É aconselhável fazer todo o trabalho em um torno especial ou máquina de bancada. Se a forma da chaminé for retangular, você pode fazer o amortecedor de deslizamento mais simples simplesmente cortando um pedaço de chapa de aço do tamanho necessário. Recomenda-se soldar o cabo ou fazer um pequeno orifício para facilitar o ajuste da comporta.
Antes de iniciar o trabalho, medimos a área e a forma da secção da chaminé, com um marcador fazemos marcas numa folha de cartão de acordo com as mesmas. Para fazer a moldura, dobramos o fio no formato da letra P, que coincide em largura e comprimento com a seção transversal da chaminé. Recortamos a aba de acordo com o padrão de papelão com um amolador, processamos as bordas com um disco de amolar.
Importante! A largura da estrutura de arame deve ser 2-3 mm maior do que a placa da porta para que o amortecedor se mova livremente e não fique preso durante a expansão térmica do metal.
Instruções de fabricação do acelerador
Levará mais ferramentas e tempo para fazer uma válvula de gaveta rotativa. Na maioria das vezes, esse tipo de portão é usado para uma chaminé de metal para lareiras modernas e fogões de metal independentes.
Um conjunto de ferramentas para o trabalho:
- Búlgaro;
- furar;
- alicate;
- máquina de solda;
- bússola;
- roleta;
- marcador para marcação.
Para fazer um portão, é necessária uma chapa de aço de até 3 mm de espessura, um tubo inoxidável com diâmetro interno de 6 mm, fixadores (parafusos, porcas) 8 mm, uma barra de metal.
- Primeiro meça o diâmetro interno do tubo de combustão com uma bússola.
- Segundo ele, desenhe um círculo na chapa de aço.
- Corte um círculo com um moedor.
- Coloque o fragmento cortado no tubo e verifique a estanqueidade. Se necessário, retrabalhe o obturador com um disco de esmeril.
- Coloque um tubo de metal com 6 cm de diâmetro no círculo do centro e faça marcas nele, recuando 3 mm de cada lado do círculo.
- Corte o tubo com um moedor.
- Na seção de tubo obtida, fure as roscas até 6,8 mm em ambos os lados.
- Faça furos para soldagem no círculo de aço (um - no centro, dois - 1 cm da borda em lados opostos).
- Solde o tubo roscado ao círculo de aço.
Recomendamos que você se familiarize com: O que você precisa saber para construir um dossel de um tubo profissional com suas próprias mãos
A válvula gaveta está pronta, falta instalá-la no tubo da chaminé.
Os principais tipos de válvulas de gaveta
Sendo o principal regulador da tiragem no interior da chaminé, o amortecedor regula a combustão do combustível. Para reduzir o empuxo e diminuir a intensidade da chama no forno, basta cobrir a válvula gaveta. Para aumentar o impulso, ao contrário, é necessário abri-lo.
Na verdade, um portão é uma placa de metal regular que permite ajustar o empuxo.
Pode ser instalado tanto em sistemas de caldeiras de parede simples como em sistemas de caldeiras de parede dupla.


Se não utilizar lareira com recuperador de calor, então durante este período a válvula gaveta deve estar na posição fechada.
Via de regra, a válvula é instalada no trecho inicial da chaminé (no primeiro metro), pois é esse trecho que fica sem isolamento.
Mas no troço de uma chaminé bem isolada, pelo contrário, não se recomenda a instalação de válvula. Especialmente quando se trata de tubos de circuito duplo. Quando o metal do tubo interno e externo se expande, a válvula de gaveta pode emperrar.
Portanto, as principais tarefas da válvula gaveta são:
- Função reguladora da tiragem da chaminé.
- Sobreposição parcial da seção da chaminé.
- Regulador da intensidade de combustão da chama no forno.
Hoje, existem duas maneiras principais de instalar um portão em uma chaminé:
- Instalação em inserção de lareira. Esta opção de instalação implica a localização do produto de portão nas imediações do equipamento de aquecimento. Como regra, neste caso, a distância do portão ao aquecedor é de 1 metro. Este arranjo é muito conveniente para regular a válvula.
- Conexão com outros elementos do sistema de aquecimento. Neste caso, não há necessidade de utilizar elementos de fixação adicionais, pelo que esta opção é bastante comum. Essa instalação também pode ser chamada de "tubo a tubo".
As opções acima para o uso de válvulas para chaminés e sistemas de ventilação são utilizadas em todos os lugares. É interessante notar que hoje você pode encontrar uma grande variedade de fogões e lareiras que se diferenciam do ponto de vista construtivo. Essa variedade de dispositivos de aquecimento também influenciou a variedade de amortecedores de deslizamento.
- Instalação de válvula em área isolada. A expansão térmica pode fazer com que o amortecedor emperre;
- Instalação de peça de ferro fundido em chaminé de metal (o ferro fundido pesa muito);
- Usar aço muito fino ou aço inoxidável com baixo teor de níquel para a fabricação da válvula. Esse produto deforma-se rapidamente sob a influência de gases quentes e pode queimar;
- Instalação de portão com superfície irregular;
- Instalação de válvula sem furo para liberação de monóxido de carbono;
- Instalação de puxadores que não permitem rastrear a posição da válvula (aplica-se a elementos rotativos).
O que é isso?
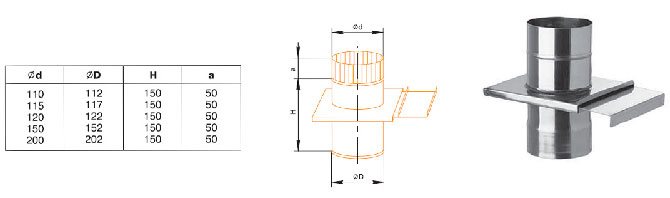
O portão é uma válvula de aço comum, que se instala numa tubagem no interior da divisão, e se encontra junto à fornalha (lareira, recuperador de calor) a uma distância de até 1 metro. O portão é um sistema retrátil horizontal que altera a secção transversal da chaminé. Além dos portões de fogão convencionais, essa válvula de gaveta é instalada nos sistemas de chaminé de caldeiras de aquecimento de parede única.


Amortecedor de portão redondo à esquerda e portão rotativo à direita
Amortecedor com janela de inspeção
Um amortecedor corretamente calculado e instalado permite que você use o sistema de aquecimento na sala de forma eficiente e com capacidade total. Os especialistas não recomendam isolar adicionalmente o tubo onde se encontra a válvula, uma vez que este local está sujeito a forte aquecimento e, por isso, a comporta frequentemente bloqueia. Tal dispositivo não é instalado em locais onde o suprimento de ar de suprimento é injetado. O design é ideal para um fogão ou lareira.
Existe outro tipo de amortecedor - no eixo (mecanismo rotativo), localizado dentro do tubo. Mas dificilmente pode ser chamado de portão de pleno direito, já que fecha completamente o tubo, além disso, tem má reputação devido à sua má qualidade. Este tipo de válvula freqüentemente queima as costuras soldadas. Depende do fabricante, a melhor compra é um amortecedor rotativo de aço inoxidável.


Portão da chaminé faça você mesmo
Existem mestres que conseguem fazer um retentor no acelerador com as próprias mãos, mudando e fixando a posição por meio de uma corrente. Tal dispositivo pode ser usado para aquecimento a gás, o que protegerá contra o escape acidental da chama do forno.
Dicas para escolher uma válvula gaveta
Deve ser lembrado que a seleção correta de um elemento como um amortecedor de portão afetará no futuro não só o indicador de tiragem, mas também a segurança do sistema de aquecimento, do qual a chaminé faz parte. A instalação do portão é feita em qualquer modelo de lareiras e fogões, exceto os mais modernos, nos quais existe um defletor.
As principais recomendações para a seleção de comportas deslizantes para comunicação de gases de combustão são as seguintes:
- se o dispositivo de aquecimento funciona devido ao processamento de gás, é melhor comprar um modelo de válvula rotativa. Isso se deve ao fato de que tais modelos excluem a possibilidade de bloqueio completo do duto da chaminé. Assim, o sistema de aquecimento ficará mais seguro. A chaminé, que retira os produtos da combustão do fogão a gás, deve ser fechada em pelo menos 40% durante o funcionamento;
- existem sistemas de aquecimento que não funcionam de forma permanente (periódica). Um amortecedor fechado instalado em tal estrutura de aquecimento, via de regra, permite a passagem do vapor durante a distribuição, e um amortecedor aberto contribui para a formação de uma grande quantidade de fuligem no tubo, que está localizado abaixo da placa;
- É altamente desencorajado o uso de elementos rotativos para instalação em chaminés de sauna.
Um dispositivo rotativo é a opção mais adequada para um sistema que consome gás
Os especialistas recomendam que você meça cuidadosamente a seção transversal do duto da chaminé antes de comprar um produto de portão. Talvez isso seja o principal que deve ser feito antes de comprar um portão.
Oferecemos a você que se familiarize com a área de churrasco com sauna e gazebo
Existem 3 opções de localização do amortecedor em relação à chaminé:
- Colocação na fornalha de lareira ou recuperador de calor;
- Fixação tubo a tubo;
- Instalação em tubo de ventilação.
Considere as 2 primeiras opções:
- Colocando a válvula na fornalha da fornalha, ou na saída
Neste caso, o amortecedor está localizado a uma altura não superior a 1 m da fornalha, em uma seção não isolada do tubo. Este local é conveniente para o ajuste do flap.
Aplicável a chaminés de metal. Esta opção de instalação não requer fixadores adicionais. Ao adquirir um sistema pronto, a válvula deve ser instalada estritamente de acordo com as instruções do fabricante.
Ajustar o empuxo com um portão é bastante simples. Mudando a posição no sentido de aumentar a lacuna, aumentamos o fluxo de ar para o fogo e a chama se inflama com mais força. Reduzimos a folga - o empuxo é reduzido. A veneziana é fechada depois que a chama se extingue completamente - assim o forno esfria muito mais rápido.
O que é e para que serve?
Existem várias opções padrão para a colocação do portão. A válvula é instalada na fornalha de um fogão ou lareira. Esse arranjo é frequentemente usado, porque.é conveniente para ajustar a posição da placa no tubo. O dispositivo é inserido no tubo a uma altura não superior a 1 m do topo do compartimento de aquecimento em uma área não isolada.
O amortecedor é instalado de acordo com o princípio de um tubo em outro. Isso é feito no caso de uma chaminé de metal. Como padrão nos sistemas de fábrica, a válvula gaveta vem completa com tubos, sua instalação não requer fechos adicionais. O produto é montado de acordo com as instruções do fabricante.
Para simplificar o trabalho de aquecimento, são instalados obstáculos ao fluxo de aquecimento, para os quais é necessária uma comporta na chaminé. Ele executa as funções:
- Obstrui parcial ou totalmente a passagem na tubulação, o que permite abrir a saída da fumaça do forno ou interromper seu movimento para fora. Quando o forno está desligado, o raspador está na posição fechada.
- A válvula regula a tiragem na tubulação. A placa aberta aumenta a tração e a posição fechada permite menos fluxo de ar, o que economiza lenha e carvão. O impacto no fluxo de ar ocorre como resultado de uma diminuição ou aumento da seção transversal da chaminé.
- Com a ajuda da peça, a intensidade da combustão no forno é alterada - o grau de aquecimento da sala é regulado.
É possível responder à pergunta sobre o que é um portão considerando seus aspectos positivos. O registo retém o calor na lareira ou recuperador de calor, quando seleccionada a posição correcta, a energia do combustível é utilizada para aquecer o interior da divisão e não sai. A economia de combustível é um fator importante para os proprietários de casas. O trinco regula a tiragem, não apaga o fogo da lareira.
O uso de um portão na construção de um canal de fumaça tem várias desvantagens:
- Após a instalação do dispositivo, é difícil limpar o espaço interno do tubo de depósitos de carbono e fuligem, pois o amortecedor impede a passagem do rufo.
- O portão fica sujo rapidamente e requer manutenção periódica. Sua superfície superior é resfriada pelo ar externo fornecido, e o plano inferior é aquecido por correntes quentes da boca do forno. O contato de 2 temperaturas diferentes leva ao aparecimento de gotas de condensação, o que contribui para a destruição rápida do amortecedor.
- Um portão montado incorretamente causa muitos problemas durante o uso: ele fica preso, fluxos de calor não contabilizados passam pelas ranhuras à esquerda.
- Para instalar o amortecedor por conta própria, é necessário um conhecimento mínimo de como o portão funciona.
A válvula serve por diferentes períodos de tempo em condições variáveis de operação. O prazo de uso sem falhas é influenciado pelo tipo de material usado para o corpo e a placa. O aço inoxidável com até 3 mm de espessura resistirá de 7 a 9 anos sem substituição, o ferro fundido durará de 12 a 14 anos.
Válvula de gaveta de aço inoxidável liso, polida durante a fabricação, coleta pouca fuligem, mas acumula com o tempo. A limpeza periódica do acessório é necessária para que a parte móvel não emperre. Lubrificantes anticorrosivos são usados para tratar as partes friccionadas da comporta.


Portão de aço inoxidável (Foto: Instagram / ventilyciy.dumoxod.kondicioner)
Variedades Shiber
Retrátil
Portão deslizante
O portão deslizante é considerado o mais conveniente e confiável de usar. É uma placa lisa com um pequeno orifício longitudinal que se desloca ao longo das ranhuras da chaminé. É montado na posição horizontal, a força de tração é regulada pelo movimento da placa, que diminui ou aumenta a seção transversal do tubo. Este tipo de válvula destina-se a fornos de tijolo, embora também possa ser utilizada em chaminés de tubos de aço.
Portão com prato
Portão giratório. A placa é visível, que regula a tração
O portão giratório é uma placa de metal com uma guia soldada no centro. É instalado dentro da chaminé, enquanto a ponta da guia deve ser retirada. O empuxo é ajustado girando a placa em torno de seu eixo.Este projeto é menos confiável, pois com o tempo o dispositivo de soldagem se solta e a aba se solta. O portão giratório é usado em chaminés de aço.
Não menos importante é o material com o qual as válvulas são feitas.


Portões de ferro fundido
O ferro fundido é um material muito resistente e durável, tradicionalmente utilizado na fabricação de válvulas de fogão. O portão de ferro fundido tem apenas uma desvantagem - muito peso.
Portão de ferro fundido para fogões de sauna, lareiras
Portão de ferro fundido
Aço inoxidável
Conjunto de portão de aço de alta qualidade
O aço inoxidável não tem medo da corrosão, dura muito, pesa pouco e não reduz a eficiência do forno. A superfície lisa e polida da corrediça de aço inoxidável evita o acúmulo de fuligem para facilitar a limpeza. Esses portões podem ser de qualquer projeto e podem ser instalados em chaminés de tijolo e aço.
Portão de aço em forno de tijolos
Como um portão caseiro é feito
O portão não pode apenas ser instalado, mas também projetado por você. Na maioria das vezes, essa necessidade surge quando um aquecedor de fogão antigo está sendo reequipado. Já existe uma chaminé na casa, mas o seu desenho não permite a escolha de uma válvula standard.


Desenho do portão
Uma vez que durante a operação a válvula é exposta aos efeitos agressivos de altas temperaturas, condensação e outras emissões negativas dos gases de combustão, o aço inoxidável continua sendo o material ideal para sua fabricação. Primeiro, você precisa soldar uma moldura na qual a veneziana será instalada. As armações de canto com larguras de prateleira de 35–45 mm são adequadas para armações.
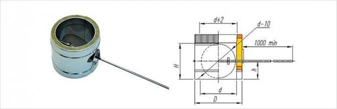
Mais adiante no quadro, um orifício é feito para o eixo. Para estruturas de pivô retas, a perfuração é realizada no centro das partes paralelas; para pivô angular, os orifícios são perfurados diagonalmente. Buchas feitas de pequenas seções de tubo são soldadas. Eles devem ser posicionados de forma que o eixo possa girar livremente.
O amortecedor em si é cortado nas dimensões exigidas em chapa de aço com 2-3 mm de espessura. A placa em branco é inserida na estrutura e soldada ao eixo. A folga entre a moldura e a aba não deve ser superior a 1 mm. Para manter o amortecedor em uma posição totalmente fechada, um limitador é soldado e um botão de controle da comporta é anexado ao eixo.
É aconselhável instalar um elemento decorativo de madeira no cabo. Proporcionará não só apelo visual, mas também garantirá segurança, já que a comporta fica muito quente durante o aquecimento do forno.
Recursos de instalação
- Ao instalar o portão na fase de assentamento de tijolos, a moldura é colocada a uma altura de 6 a 8 fileiras da base do tubo;
- A moldura deve ser nivelada sem se sobrepor ao contorno da chaminé;
- Em chaminés de aço inoxidável, a válvula é montada com tecnologia tubo a tubo. É necessário combinar suas dimensões com o diâmetro do canal;
- Uma nuance importante - o amortecedor é instalado em uma seção não isolada da chaminé;
- A altura da fornalha ao portão não deve exceder 1m (para dutos de metal);
- A altura do tubo do chão à válvula é de -1,8 - no máximo 2m (para tijolos);
- O amortecedor nas ranhuras deve mover-se livremente;
Instalando um portão em uma chaminé de tijolos


Amortecedor do portão instalado O amortecedor do portão é dimensionado de acordo com o diâmetro da chaminé onde será instalado. O amortecedor é instalado na fase inicial do dispositivo de chaminé.
- A primeira fila de tijolos para a chaminé está disposta.
- Nos tijolos laterais da segunda linha, as ranhuras são cortadas ao longo da espessura da válvula de gaveta.
- Um orifício de passagem é cortado no tijolo da frente para acomodar a alça do amortecedor.
- Não são necessários grampos para proteger o portão, ele permanece no lugar graças a um ajuste confortável.


Chaminé de tijolo com amortecedor deslizante
Para a instalação, é retirada uma peça acabada de ferro fundido ou aço inoxidável. As ranhuras nos tijolos são feitas com moedor com círculo de pedra.Após instalar o amortecedor, é necessário inspecionar a chaminé para excluir a ocorrência de trincas. Se forem encontradas lacunas, elas devem ser cobertas com uma solução de argila chamotte.
Outro método de montagem é adequado para uma válvula borboleta, é chamado de tubo em um tubo. Uma estrutura que representa um fragmento de tubo é inserida em uma chaminé com o diâmetro correspondente.
Observação! A instalação não tem meios de fixação e a própria parte é presa devido a um ajuste confortável à superfície do canal.
Características do serviço de portão
Um portão feito de chapa de aço inoxidável é geralmente polido para uma lisura perfeita. A fuligem se instala mal, mas ainda assim se instala. Portanto, ele precisa ser limpo periodicamente.
A válvula horizontal pode ser limpa simplesmente puxando-a ao máximo e aplicando uma solução especial. Giratória - limpa através da chaminé com uma escova de plástico especial. Você também deve monitorar o movimento livre do amortecedor ao longo das guias. É permitido lubrificá-los periodicamente com um composto anticorrosivo.
Tipos e designs
O dispositivo deslizante é influenciado por vários fatores: temperatura, dimensões do tubo, condições de fluxo. A construção é baseada em uma folha de metal de diferentes espessuras, movendo-se ao longo da cavidade ranhurada, guiando os cantos.
Dependendo da base, os portões são fechados, descartáveis. Eles servem para restringir o movimento dos fluxos de ar.
Existe uma classificação dos dispositivos de acordo com o princípio de funcionamento, dependendo do tipo de acionamento: manual, pneumático, hidráulico, elétrico. Os portões estão disponíveis com designs retos e oblíquos. A primeira opção é um amortecedor clássico. Projetado para sistemas de fornecimento de ar forçado e ventilação de exaustão.
O amortecedor de chaminé está disponível em várias versões.
Retrátil


Representa uma moldura redonda ou retangular com uma placa. A placa se estende e se retrai, ajustando assim a seção transversal da chaminé.
Esta opção é mais frequentemente usada com dutos de tijolo e cerâmica. Para vedação incompleta e para evitar envenenamento por monóxido de carbono, é feito um pequeno orifício na placa. A principal vantagem dessa opção é a facilidade de instalação.
Um amortecedor rotativo ou acelerador (também conhecido como porco) é uma placa de aço ou ferro fundido girando em torno de um eixo. Eixo - uma haste de metal soldada no interior da chaminé. Utilizado em chaminés de aço.
Sugerimos que você se familiarize com Como fazer um teto em uma sauna a vapor com as próprias mãos, qual é a altura do teto admissível em uma sauna, características do isolamento da estrutura, uma foto e vídeo detalhados
Ele difere em menos confiabilidade - com o tempo, a fixação de soldagem da placa e do eixo enfraquece. Você deve se recusar a instalar um amortecedor rotativo no banho - mesmo em uma forma fechada, este tipo de amortecedor permite a entrada parcial do vapor.
Além disso, as comportas diferem no material (os mais comuns são o aço inoxidável e o ferro fundido) e na forma como são ajustadas.
Como funciona o portão
Estruturalmente, a comporta é um dispositivo de travamento com uma válvula de comporta ajustável. É graças ao deslocamento da válvula que se regula o movimento dos gases na chaminé. Pode ser instalado em chaminés redondas, quadradas e retangulares. É uma placa de metal que se move dentro do canal de fumaça de uma certa maneira.
Amortecedores de portão podem ser de dois tipos:
- Retrátil. Move-se para frente e para trás no mesmo plano.
- Swivel. Regula o acesso do ar girando em torno de seu eixo.
Além disso, as válvulas de gaveta podem ser manuais e equipadas com um atuador elétrico. O custo destes últimos é uma ordem de grandeza superior e não são usados em chaminés.



















