Considere conectar um elemento de aquecimento trifásico por meio de uma partida magnética e um relé térmico.

FIG. 1 elemento de aquecimento é conectado por meio de um trifásico contator com contatos normalmente fechados MP (Fig. 1). Ele controla a partida do termostato TP, cujos contatos de controle são abertos quando a temperatura no sensor é inferior à ajustada. Quando é aplicada uma tensão trifásica, os contactos dos arrancadores são fechados e o elemento de aquecimento é aquecido, sendo os aquecedores ligados de acordo com o esquema "estrela".
FIG. 2 Quando a temperatura definida é atingida, o relé térmico corta a energia para os aquecedores. Assim, o controlador de temperatura mais simples é realizado. Para tal regulador, você pode usar o relé térmico RT2K (Fig. 2), e para a partida - um contator de terceira magnitude com três grupos para abertura.
O RT2K é um relé térmico de duas posições (liga / desliga) com um sensor de fio de cobre com uma faixa de ajuste de temperatura de -40 a + 50 ° С. Obviamente, o uso de um único relé térmico não permite manter a temperatura necessária com a precisão necessária. Ligar todas as três seções do elemento de aquecimento a cada vez leva a perdas de energia desnecessárias.
FIG. 3 Se implementarmos o controle de cada seção da resistência através de uma partida separada conectada com seu próprio relé térmico (Fig. 3), então é possível realizar uma manutenção de temperatura mais precisa. Portanto, temos três partidas, que são controladas por três relés térmicos TP1, TP2, TP3. As temperaturas de resposta são selecionadas, digamos como t1 elektronchic.ru
Objetivo dos elementos de aquecimento
Para que servem os elementos de aquecimento com termostatos? Com base nisso, são projetados sistemas de aquecimento autônomo, caldeiras e aquecedores instantâneos de água. Por exemplo, os elementos de aquecimento são montados diretamente nas baterias, como resultado do que nascem seções que podem funcionar de forma independente, sem uma caldeira de aquecimento. Alguns modelos estão focados na criação de sistemas anticongelantes - eles mantêm uma temperatura positiva baixa, evitando o congelamento e consequente rompimento de canos e baterias.
Com base em elementos de aquecimento, armazenamento e aquecedores de água instantâneos são criados. A compra de uma caldeira não está disponível para todas as pessoas, portanto, muitos montam por conta própria usando componentes separados. Ao cortar um elemento de aquecimento com um termostato em um recipiente adequado, obtemos um excelente aquecedor de água do tipo armazenamento - o consumidor precisará equipá-lo com um bom isolamento térmico e conectá-lo ao abastecimento de água.
Os elementos de aquecimento para aquecer água com um termostato são necessários não só para criar um equipamento de aquecimento de água, mas também para repará-lo - se o aquecedor estiver avariado, compramos um novo e substituímo-lo. Mas antes disso, você precisa entender as questões da escolha.
Seleção de elemento de aquecimento
Ao escolher um elemento de aquecimento, você precisa prestar atenção a alguns detalhes. Só neste caso, você pode contar com uma boa compra, aquecimento de alta qualidade, durabilidade e compatibilidade do modelo selecionado com tanque de aquecimento de água, caldeira ou bateria de aquecimento.
Forma e tamanho
Dezenas de modelos de elementos de aquecimento são apresentados à escolha dos compradores. Têm vários formatos - retos, redondos, em forma de "oito" ou "orelhas", duplos, triplos e muitos outros. Ao comprar, você deve se concentrar no uso do aquecedor. Modelos estreitos e retos são usados para embutir em seções de radiadores, uma vez que não há espaço suficiente dentro.Ao montar um aquecedor de água, deve-se prestar atenção ao volume e forma do tanque e, com base nisso, escolher um elemento de aquecimento adequado. Em princípio, quase qualquer modelo funcionará aqui.
Se for necessário substituir o elemento de aquecimento em um aquecedor de água já em funcionamento, você deve adquirir um modelo idêntico - só neste caso você pode contar com o fato de que vai caber no próprio tanque.
Poder
Se não for tudo, depende muito da potência. Por exemplo, pode ser a taxa de aquecimento. Se você estiver montando um aquecedor de água de pequeno volume, a potência recomendada é de 1,5 kW. O mesmo elemento de aquecimento será capaz de aquecer volumes incomensuravelmente grandes, mas fará isso por um longo tempo - com uma potência de 2 kW, pode demorar 3,5 - 4 horas para aquecer 100-150 litros de água (não ferver, mas em média 40 graus).
Se você equipar um aquecedor de água ou um tanque de água com um poderoso elemento de aquecimento de 5 a 7 kW, a água aquecerá muito rapidamente. Mas surgirá outro problema - a rede elétrica doméstica não resistirá. Se a potência do equipamento conectado for superior a 2 kW, é necessário instalar uma linha separada do quadro elétrico.
Proteção contra corrosão e incrustação
Ao escolher elementos de aquecimento para aquecer água com termostato, recomendamos prestar atenção aos modelos modernos equipados com proteção contra escala. Recentemente, surgiram no mercado modelos com revestimento de esmalte. É ela quem protege os aquecedores dos depósitos de sal. A garantia de tais elementos de aquecimento é de 15 anos. Se não houver modelos semelhantes na loja, recomendamos comprar aquecedores elétricos de aço inoxidável - eles são mais duráveis e confiáveis.
A presença de um termostato
Se você está montando ou consertando uma caldeira ou deseja equipar uma resistência com resistência, escolha um modelo com termostato embutido. Ele vai economizar eletricidade, ligando apenas quando a temperatura da água cair abaixo de uma marca predeterminada. Se não houver regulador, você mesmo terá que monitorar a temperatura, ligando ou desligando o aquecimento - isso é inconveniente, antieconômico e inseguro.
Como conectar um elemento de aquecimento a um termostato
Agora você sabe como e por quais parâmetros os aquecedores são selecionados. Mas como a conexão é feita? Para conectar um elemento de aquecimento a um termostato, você deve escolher um fio com isolamento confiável. Também prestamos atenção à seção transversal - deve ser tal que o fio possa fornecer potência total ao aquecedor e não derreter. Por exemplo, para um aquecedor de 3 kW, a seção transversal do fio deve ser de pelo menos 2,5 mm. Recomendamos escolher cabos com condutores de cobre para conexão.
Duas maneiras de conectar o elemento de aquecimento a três fases.
"Trifásico" costumava ser algo não muito necessário e compreensível para um homem comum da rua, mas hoje em dia tornou-se uma necessidade para uma casa privada. É necessário principalmente para aquecimento com eletricidade. Uma vez que uma caldeira elétrica tem uma grande potência (na maioria dos casos, mais de 6 kW), ao usar uma fase, será necessário instalar a fiação com um cabo de grande seção transversal do condutor. Isso será caro, especialmente se os núcleos dos cabos forem feitos de cobre. Em uma rede trifásica, as seções transversais dos condutores serão visivelmente menores, por este motivo, a maioria das caldeiras elétricas modernas são conectadas à "trifásica". Agora vamos falar sobre os esquemas básicos para conectar elementos de aquecimento a essa rede.
Estrela.
Este método é usado se o elemento de aquecimento for projetado para 220 V. Além disso, a "estrela" requer que um fio neutro seja trazido da blindagem. Para esclarecimento, considere a seguinte figura:
Nesse caso, em vez de dois jumpers, haverá um. E será conectado a zero, e as três pontas livres restantes serão conectadas às fases correspondentes. Se você olhar para a porca do bloco de cima, ela terá a seguinte aparência:
Triângulo.
Este método é usado para conectar elementos de aquecimento projetados para 380 V. Se você de repente decidir colocar elementos de aquecimento projetados para 220 V com um "triângulo", eles simplesmente queimarão. Não perca este ponto importante. A principal diferença entre um "triângulo" e uma "estrela" é a ausência de um condutor neutro. Existem apenas 3 fases e nada mais. Para entender melhor o que está em jogo, veja abaixo:
Na foto, tudo parece simples e claro, mas se você começar a conectar os contatos na porca do bloco, você obtém o seguinte:
Parece complicado, mas na verdade não difere de forma alguma da imagem superior. As linhas coloridas e os números aqui indicam as fases e as letras indicam os elementos de aquecimento do bloco.
Como funciona e como escolher
O elemento de aquecimento com termostato embutido tem uma estrutura simples, composta por duas partes, um elemento de aquecimento e um sensor de temperatura conectado a um controlador de temperatura. Mas, mesmo aqui, existem vários recursos que afetam significativamente a capacidade de manutenção e a vida útil do dispositivo.
- A primeira coisa a se olhar quando for comprar é o gabinete. Um elemento de aquecimento mais durável será feito de cobre e terá uma cor nobre correspondente, a opção mais barata geralmente é feita de "aço inoxidável resistente a ácidos". Não há como ter certeza de quão resistente esse aço inoxidável realmente é na loja, então dê preferência à versão em latão da caixa. O diâmetro externo do tubo geralmente é de 13 mm, mas também existem opções finas e de baixo consumo de energia - 10 e até 8 mm cada;
- Marcando. Como estamos considerando um elemento de aquecimento para um aquecedor de água, deve-se certificar-se de que na marcação, antes da designação da tensão de operação de 220V, apareça a letra “P”, denotando trabalho em água e soluções alcalinas fracas;
- Poder. Deve-se ter em mente que ao conectar-se a uma rede doméstica regular, você não deve usar um elemento de aquecimento, mais potente do que 2,5 kW - isso sobrecarrega a fiação comum. Se você planeja conectar um elemento de aquecimento mais potente com um termostato, coloque um cabo separado da blindagem com a seção apropriada para o local de instalação.
- O sensor de temperatura está localizado em um tubo separado e, se necessário, é retirado junto com o termostato. A evidência é um pivô. Em seu interior contém um termopar que, quando aquecido, ativa o mecanismo do termostato. Freqüentemente, a falha do sensor térmico força o elemento de aquecimento a desligar em baixas temperaturas.
Âmbito de aplicação.
O elemento de aquecimento com termostato é um dispositivo universal e é usado como elemento de aquecimento para:
- Organizações temporárias de aquecimento elétrico. Para isso, através de um encaixe especial é inserido em um registro ou em uma bateria de ferro fundido;
- Água aquecida do chuveiro. Para tal, basta ter um recipiente em cujo corpo é feito um orifício junto ao fundo, no qual é inserido o elemento de aquecimento;
Em geral, um elemento de aquecimento com termostato é a fonte mais barata de calor e água quente no estágio de instalação. O custo do dispositivo começa em $ 5 (modelo Ariston de 2 quilowatts), e um conjunto de conexões adequadas (junta e porca) não custará mais de $ 1.
Dispositivo aquecedor de água
O projeto de um elemento de aquecimento elétrico para aquecimento ou aquecimento de água é bastante simples:
- corpo em aço ou plástico;
- abriga um tanque de água de aço inoxidável;
- um elemento de aquecimento é instalado no tanque.
De acordo com o desenho de Ariston, a água dez é uma espiral com uma concha. Esta bobina é retirada e selada com um pó dielétrico com uma certa embalagem, na maioria das vezes óxido de magnésio. Portanto, o período de operação depende da estabilidade do filme e da temperatura máxima configurada. Nas unidades de aquecimento atuais, certamente são instalados termostatos - dispositivos que regulam a temperatura, desligam o aquecimento ou ligam os elementos de aquecimento, dependendo da temperatura desejada.
Também termostatos podem ajudar você a economizar muito, por não permitirem que o aparelho funcione em vão, se a temperatura desejada for atingida, portanto, aquecendo a água até o valor ajustado, ele desliga.Se for realizado o trabalho conjunto de água com eletricidade, neste caso, é necessário se preocupar com um sistema de segurança confiável, que seja garantido pelo regulador. Em caso de problemas ou avarias, desliga o sistema de aquecimento. Em tais elementos de aquecimento de água, há o seguinte procedimento operacional:
- o fluxo de água fria flui através do tubo para a bobina de aquecimento ou através de várias dessas bobinas;
- então o termostato regula a temperatura da água;
- a saída terá água quente na temperatura exigida.
desvantagens
Em princípio, o preço do aparelho termina com todas as suas vantagens e começam as desvantagens:
- Antieconômico. Em princípio, esta não é uma "doença" do elemento de aquecimento em si, mas sim dos dispositivos que são montados com a sua ajuda. Na maioria das vezes, são registros de aquecimento artesanais e aquecedores de água caseiros. Tanto a primeira quanto a segunda não fornecem pelo menos algum tipo de conservação de energia, portanto, as contas de luz serão absurdamente enormes;
- Fragilidade. Devido à proximidade do termopar com os elementos de aquecimento, o elemento de aquecimento com termostato embutido muitas vezes realiza um ciclo liga / desliga, o que afeta negativamente toda a automação e a desativa após um máximo de 2 anos de uso. É verdade que o lado positivo é que a automação muda sem problemas e a necessidade de remoção do elemento térmico;
- Incapacidade de ajustar a temperatura com precisão. O botão do termostato dá uma ideia aproximada de qual será a temperatura de saída. Novamente, a proximidade do sensor de calor e da bobina de aquecimento torna o ajuste preciso quase impossível;
- Sem proteção contra umidade. Considerando que esse elemento de aquecimento é frequentemente instalado em um banheiro para fornecer água quente, você terá que cuidar da proteção contra respingos e colocá-lo em um local de forma que a água não entre em seu corpo.
Em geral, um elemento de aquecimento com termostato resolve duas questões que lhe são colocadas:
- Segurança temporário aquecimento
- Segurança temporal abastecimento de água quente
Não recomendamos o uso deste dispositivo como fonte de calor permanente e preferimos produtos de maior qualidade e mais econômicos.
Vídeo.
Um exemplo de como os elementos de aquecimento podem ser usados para organizar um aquecimento muito barato.
Comentários:
Stas
O dispositivo é a coisa certa se você precisa fazer rapidamente um radiador elétrico a partir de um radiador convencional. Este projeto ajudou muitas vezes. Em vez de um plugue inferior, esse dispositivo é aparafusado e a bateria é preenchida com água. Tudo. bateria elétrica pronta
Denis
Stas, então não é um radiador elétrico, mas um consumidor de energia. A eficiência tende a zero e não há transferência de calor.
Stas
Denis, eu não discuto. Eu escrevi rapidamente. Aqueles. quando se trata não de uma conexão permanente, mas de uma cabana temporária. Para construtores em uma sala de estar fora de temporada, por exemplo. Você não vai comprar um convector elétrico por um mês se o aquecimento central for ligado em um mês? E sentar no frio também não é uma opção.
Denis
Não sei por que o autor não gostou do elemento de aquecimento de aço inoxidável - na minha experiência, as opções de latão e aço inoxidável servem para o mesmo
Deixe um comentário cancelar a resposta
Postagens semelhantes


Prós e contras do aquecedor de água plano horizontal.


Por que escolher um aquecedor a seco


Mudamos os elementos de aquecimento do aquecedor de água Termeks. Instruções passo a passo


Como instalar um aquecedor elétrico de água.
Dispositivo de elemento de aquecimento.
O elemento de aquecimento é um elemento de aquecimento elétrico feito de um tubo de metal de parede fina (casca), cujo material é cobre, latão, aço inoxidável e aço carbono.No interior do tubo, existe uma espiral de fio de nicromo, que possui uma alta resistência elétrica específica. As pontas da espiral são conectadas a fios de metal, que conectam o aquecedor à tensão de alimentação.


A espiral é isolada das paredes do tubo por um enchimento eletricamente isolante comprimido, que serve para remover a energia térmica da espiral e a fixa com segurança no centro do tubo ao longo de todo o seu comprimento. Óxido de magnésio fundido, corindo ou areia de quartzo são usados como enchimento. Para proteger o enchimento da penetração de umidade do ambiente, as extremidades do elemento de aquecimento são seladas com um verniz resistente ao calor e à umidade.
Os cabos do aquecedor são isolados das paredes do tubo e rigidamente fixados com isoladores de cerâmica. Os fios de alimentação são conectados às extremidades roscadas dos terminais com porcas e arruelas.


O elemento de aquecimento funciona da seguinte maneira: quando uma corrente elétrica passa ao longo de uma espiral, ela, aquecendo, aquece o enchimento e as paredes do tubo, através do qual o calor é irradiado para o ambiente.
Ao aquecer meios gasosos para aumentar a transferência de calor dos elementos de aquecimento, eles são usados nervuras
feito de material com boa condutividade térmica. Como regra, a fita de aço corrugado é usada para nervuras, enrolada em uma espiral no revestimento externo do elemento de aquecimento.


O uso de tal solução construtiva ajuda a reduzir as dimensões gerais e a carga atual do aquecedor.
Esquemas de inclusão de elementos de aquecimento em rede monofásica.
Aquecedores elétricos tubulares são projetados para um valor específico potência
e
estresses
portanto, para garantir o modo de operação nominal, eles são conectados à rede de alimentação com a tensão adequada. De acordo com GOST 13268-88, os aquecedores são fabricados para tensões nominais:
12
,
24
,
36
,
42
,
48
,
60
,
127
,
220
,
380 V
, no entanto, os elementos de aquecimento mais amplamente usados são projetados para tensões de 127, 220 e 380 V.
Considere as opções possíveis para conectar o elemento de aquecimento a uma rede monofásica.
2.1. Conectando em uma tomada.
Elementos de aquecimento com capacidade de no máximo 1 kW (1000 W) podem ser conectados com segurança a uma tomada por meio de um plugue convencional, uma vez que a maior parte das chaleiras e caldeiras elétricas com as quais aquecemos água têm essa potência.
Por meio de um plugue comum, você pode ligar paralelo
dois elementos de aquecimento, mas ambos os aquecedores devem ter uma potência de no máximo 1 kW (1000 W), pois quando conectados em paralelo, sua potência total aumenta para 2 kW (2000 W). Assim, você pode ligar vários aquecedores, mas a potência total deles não deve ser superior a 2 kW, e para conectar na tomada, deve-se usar um plugue mais potente.


Há uma situação em que vários aquecedores projetados para uma tensão operacional de 127 V estão espalhados pela casa, a mão não se levanta para jogá-los fora e você não pode ligá-los à rede doméstica. Neste caso, os aquecedores ligam consistentemente
, o que torna possível aplicar tensão aumentada a eles. Quando dois aquecedores com tensão de 127 V são conectados em série, sua potência permanece a mesma e a resistência total é duplicada. Por exemplo, quando dois aquecedores de 500 W são ligados, sua potência total será de 1000 W.
Características significativas de dez
Teng para aquecimento ou aquecimento de água é importante usar nos casos em que é necessário aquecer rapidamente uma divisão, é necessário um sistema de aquecimento auxiliar ou pretende-se reduzir os seus custos. É permitida a inclusão de elemento de aquecimento ou calefação de água na rede somente quando este estiver na água. Uma explosão pode ocorrer quando a bobina aquecida é lançada na água.
O principal perigo para o elemento de aquecimento e o termostato é sais dissolvidos em água... Isso ocorre durante o aquecimento da água e a hidrólise dos sais, o que leva à formação de depósitos na superfície dos tubos, e muitas vezes os sais também interagem com os materiais da unidade.Portanto, o dispositivo contém um ânodo de magnésio, que se dissolve com o tempo e protege o dispositivo.
No mercado, você pode comprar elementos de aquecimento a seco Ariston com ajuste. Eles são colocados em um frasco de proteção, e então não interagem com a água, portanto, eles funcionam muito mais do que dispositivos de aquecimento comuns. Se houver dificuldades com a qualidade do fornecimento de energia ou com o fornecimento de energia, neste caso, o mais correto é conectar um regulador ou uma fonte de alimentação ininterrupta. A instalação de um aquecedor ou aquecedor de água requer o exame da fiação da casa e o projeto de seu limite de resistência.
Independentemente do tipo de aquecedor elétrico de água, seu o desempenho mais alto chega a 3 kW, mas o fio elétrico deve ser projetado para uma carga considerável. Portanto, é aconselhável instalar uma única linha de alimentação. Ao conectar, aterre o aquecedor de água de aquecimento ou o aquecedor de água Ariston com um único fio.
Uma opção impecável para ligar um elemento de aquecimento com termostato para aquecimento ou aquecimento de água é alimentá-lo através de um disjuntor de segurança RCD. Se o elemento de aquecimento falhar, ele desligará o dispositivo da rede. Seguindo as instruções de uso e segurança técnica, é claro, pode-se dar continuidade ao período de operação, porém, ainda existem condições que atrapalham o funcionamento do aparelho:
- processos de corrosão de revestimento;
- sua ruptura como resultado de um poderoso superaquecimento;
- quedas frequentes na tensão elétrica;
- despressurização geral do tubo.
Diagrama de conexão
Uma vez que o dispositivo tem contato direto com água, deve haver proteção contra choque elétrico. corrente - RCD (ou diffavtomat) e curto-circuito por meio de disjuntor (AB). Devido à falta de proteção embutida do RCD contra sobrecorrente e inércia natural AB, ele deve ter uma classificação de corrente pelo menos um nível superior (25 A em conjunto com um disjuntor de 16 amperes).
O termostato (TP), ou termostato, desempenha um papel importante no equipamento de aquecimento. É um dispositivo versátil que controla os sistemas de aquecimento. Seu design pode ser diferente, a função é a mesma: o TP estabiliza a temperatura de um determinado ambiente por um determinado período de tempo. Você precisa saber como conectar um termostato para que ele cumpra corretamente seu propósito.
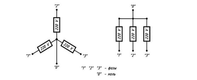
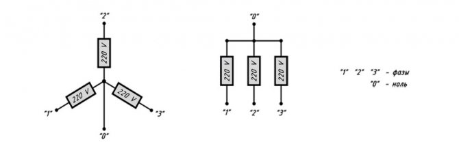
Conexões em estrela.


Como exemplo, vamos imaginar um circuito "estrela", que é composto por três aquecedores elétricos.
A fase correspondente é fornecida ao segundo terminal (2) de cada um dos aquecedores. As primeiras conclusões (1) dos elementos de aquecimento estão conectadas com a formação simultânea de um ponto comum, que é chamado de zero ou neutro. Esse tipo de conexão de carga é de três fios.


Conexão de três fios é aconselhável usar em uma tensão de operação de 380 volts. A seguir, propomos considerar o diagrama de fiação da conexão de três fios de elementos de aquecimento a uma rede elétrica trifásica. Neste caso, a alimentação e o desligamento da tensão ocorrem graças a disjuntores tripolares.


No diagrama apresentado, pode-se observar que os cabos localizados no lado direito das resistências elétricas estão conectados às fases A, B e C, e os cabos localizados à esquerda estão conectados no ponto zero. Entre os terminais que estão à direita e o ponto zero, a tensão de operação é de 220 volts.
Tipos de termostatos
Basicamente, existem 3 tipos de termostatos:
- Placa bimetálica;
- Par termoelétrico;
- Sensor infravermelho.
Placa bimetálica
Sob a influência do aquecimento ou resfriamento, a placa dobra em uma direção ou outra. Assim, fechando ou abrindo os contatos que fornecem eletricidade aos elementos de aquecimento. A placa é uma tira de duas camadas soldada de dois metais com diferentes coeficientes de expansão térmica. Por causa disso, quando aquecido, as forças de expansão "forçam" a placa a dobrar.
Par termoelétrico
O elemento é um suporte em forma de V feito de liga de metal sensível ao calor.Uma corrente fraca flui pelo fio. Conforme a temperatura muda, a resistência do condutor muda, o que afeta as características da corrente. Este fator atua através do circuito de controle no relé de alimentação do aquecedor.
Áreas de aplicação dos termostatos
Na vida cotidiana, um exemplo de uso de termostato pode ser uma máquina de lavar. Um sensor térmico conectado a um elemento de aquecimento no tanque "monitora" o nível de aquecimento da água. No carro, o termopar do sistema de refrigeração "direciona" o modo de ligar a ventoinha do radiador.
Um regulador de temperatura é necessariamente embutido em vários aquecedores de ambiente com um nível de complexidade suficiente. Nenhum sistema de piso radiante está completo sem o TR de estado sólido. Na geladeira, o termostato é parte integrante. Em todos os PCs e laptops, os sensores de temperatura ligam os ventiladores, evitando o superaquecimento do hardware. Ar condicionado, fornos de microondas, fornos elétricos - todos eles têm termostatos. Vários esquentadores, caldeiras elétricas, caldeiras a gás incluídos no sistema de aquecimento de edifícios e estruturas funcionam apenas em conjunto com unidades de comando termostático.
Conectando e instalando o termostato
Existem duas opções de conexão conhecidas para o termostato. Essas são maneiras de conectar fios sólidos e dois núcleos.
Conectando o cabo de dois fios ao termostato
Um fio de dois núcleos é usado quando o TR necessita de alimentação total da rede elétrica para o funcionamento de um sistema de controle fechado para o modo de aquecimento de um determinado volume. Esses são circuitos integrados baseados em microprocessadores.
Os dados recebidos do sensor na forma de uma mudança na intensidade da corrente, os valores de resistência são analisados pelo dispositivo. Como resultado, os comandos são enviados para o iniciador do elemento do aquecedor com um intervalo de tempo predeterminado e um limite de limite para o aquecimento de um espaço específico.
Observação! Um exemplo de conexão de um fio de dois fios é um diagrama de como conectar o termostato à bomba de circulação de uma caldeira de aquecimento de água.
Conectando o cabo de núcleo único ao termostato
Um cabo de um núcleo é usado no diagrama de conexão dos termostatos no caso em que o próprio dispositivo é instalado em uma interrupção no fio de fase que leva ao terminal positivo do elemento de aquecimento. Ou seja, o cabo funciona como uma interrupção de fase na corrente de alimentação dos elementos de aquecimento.
Elemento de aquecimento e rede monofásica. O que parafusar o quê?
Este caso é típico de dachas e antigas casas de aldeia. Primeiro, você precisa entender de maneira geral o que está em jogo e a maneira mais fácil de fazer isso é olhando para a seguinte figura:
Portanto, uma rede elétrica monofásica possui dois condutores - zero e uma fase. A própria imagem mostra duas maneiras de ligar a carga - paralela e sequencial. Esses métodos diferem em como a tensão inicial é dividida entre os elementos. Na maioria dos casos, os elementos de aquecimento são conectados em paralelo para não perder energia útil, o circuito sequencial só é adequado para vários casos específicos. Um bloco preparado para conexão a uma fase terá a seguinte aparência:


Também vale a pena prestar atenção na escolha do cabo, mas vamos tocar nesse ponto um pouco mais tarde, e agora vamos passar para as três fases.
Opções de conexão
- Para o sistema de piso radiante;
- Para o elemento de aquecimento;
- Para o aquecedor.
Conectando o termostato ao sistema de aquecimento por piso radiante
Um termostato de piso radiante padrão está incluído no conjunto de entrega com instruções detalhadas para conectar o dispositivo ao sistema de aquecimento por piso radiante. Você mesmo pode conectar o TR, usando as designações sob os blocos de terminais.
Na parte de trás do regulador, existem três pares de tomadas de terminais para fios. O primeiro par é para conectar um cabo de rede de dois núcleos. Soquete "L" - fase, "N" - zero.
O segundo par de tomadas destina-se à ligação às saídas de piso radiante - L1 e N1. O quinto e o sexto terminais são usados para conectar ao sensor de temperatura.
Os reguladores de temperatura do piso podem ser conectados à tomada ou montados na parede. O sensor de temperatura pode ser embutido no corpo do dispositivo ou instalado na extremidade do cabo remoto.
No primeiro caso, é medida a temperatura do ar dentro da sala. Na segunda versão, o sensor mede o grau de aquecimento do revestimento do piso acabado.
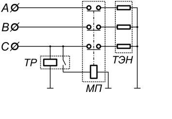
Conectando o termostato ao elemento de aquecimento
A ligação do termostato a uma resistência elétrica deve ser feita através de uma partida magnética. Isso se deve ao fato de que a potência do regulador está longe de ser comparável à potência dos elementos de aquecimento.
Uma partida magnética (MP) é necessária ao controlar um termostato com vários dispositivos de aquecimento ao mesmo tempo. O MP é cortado no fio da fase em paralelo com o termostato. Os modos de operação tenov são regulados por um termostato, a corrente de alimentação passa pelo MP. Isso possibilita o uso de uma rede elétrica trifásica, que permite a operação de elementos de aquecimento de alta potência.
Muitos TRs são equipados com microprocessadores eletrônicos, que fornecem, adicionalmente, indicadores do nível de umidade, pressão e tempo necessário para atingir os valores dos parâmetros ajustados.
Conectando o termostato ao aquecedor
Existem termostatos mecânicos e eletrônicos. Recentemente, os segundos modelos estão substituindo ativamente suas contrapartes mecânicas. O uso de eletrônica moderna possibilita um controle mais eficaz do regime de temperatura em um determinado ambiente.
TR para aquecedores de ambiente é embutido na caixa dos aquecedores de ar ou retirado para longe dos dispositivos de aquecimento. O regulador, em primeiro lugar, é conectado à rede elétrica, depois através do circuito de controle é conectado diretamente ao sensor de temperatura.
Informações adicionais. Os aquecedores infravermelhos são conectados a um termostato na maioria das versões por meio de uma partida magnética. Para fazer a conexão correta do dispositivo, você deve seguir rigorosamente os pontos das instruções em anexo.
Os recursos de como os dispositivos de controle de temperatura são conectados dependem do tipo de dispositivos de aquecimento. Esta pode ser uma conexão de um ou dois núcleos de piso radiante TP. A conexão de um termostato bifásico aos elementos de aquecimento de corrente trifásica é realizada apenas por meio de um arrancador magnético. Para aquecimento de água, o termostato é cortado diretamente no radiador. Em cada caso, existe um circuito separado para conectar o termostato.
CONECTANDO O TENSIONADOR DA CALDEIRA ELÉTRICA
Para uma caldeira elétrica, você pode escolher várias opções de conexão, mas neste caso consideraremos conectar os elementos de aquecimento a seco a uma rede trifásica com uma tensão de 220 Volts do tipo "estrela". Devido à alta potência dos aquecedores tubulares secos, é importante que os fios de alimentação estejam firmemente conectados a eles. Portanto, é recomendado seguir estritamente o diagrama de fiação para os terminais do elemento de aquecimento de acordo com as instruções.


Ao conectar os fios de fase aos terminais das resistências elétricas, em primeiro lugar, aparafuse a porca m4. Depois disso, é necessário aplicar uma arruela e colocar a ponta do anel da fiação de alimentação. Em seguida, uma arruela é novamente sobreposta e uma arruela de pressão é colocada em cima dela. Tudo isso é fixado com uma porca m4.
O fio que será conectado à fase neutra é apertado com um parafuso m8. Ele estará localizado no jumper entre os pinos dos orifícios do aquecedor.
Depois de conectar os fios, o corpo do aquecedor e os fios de conexão do elemento de aquecimento devem ser aterrados. Normalmente, para caldeiras, existe um parafuso de aterramento no lado esquerdo do bloco da resistência elétrica, ao qual deve ser conectado o condutor de aterramento.
Como chave de aterramento de proteção, você pode usar um condutor separado do sistema de compensação equipotencial adicional ou retirá-lo do terminal de aterramento da unidade de controle.


Após as obras acima, podemos assumir que a conexão do elemento de aquecimento da caldeira elétrica está concluída. Agora só falta instalar a caixa de proteção no bloco do trocador de calor.
Para controlar as temperaturas da água e do ar, especial sensores térmicos
... No painel principal da unidade de controle da caldeira elétrica existem dois reguladores marcados - "ar" e "água". Cada um dos reguladores possui sua graduação com um código digital, que indica a temperatura medida em graus Celsius. Graças a esses reguladores, você pode definir facilmente os valores térmicos necessários do refrigerante. O regulador funciona segundo o princípio de regulação, quando a temperatura da caldeira eléctrica atinge os valores que foram configurados nas opções, o elemento de aquecimento pára de aquecer, e à medida que os valores caem abaixo do nível pretendido, os dispositivos de aquecimento vai começar seu trabalho novamente.
Assim, é possível automatizar o funcionamento da caldeira elétrica. O operador só precisa definir os valores dos indicadores necessários e o trabalho posterior será realizado automaticamente. O aquecimento da sala será mantido ao nível necessário sem intervenção humana.
Sensores de temperatura facilitam muito o funcionamento da caldeira elétrica. O sensor de controle de temperatura da água está localizado diretamente no trocador de calor em um assento especial. Como alternativa, você mesmo pode instalá-lo fixando-o no tubo de aquecimento.
O sensor que determina a temperatura do ar funciona da mesma forma. Ele é instalado em uma sala para medir a temperatura geral. Uma caldeira elétrica aquece o refrigerante até que o ar da sala atinja os valores de temperatura desejados.
Vários tipos e modelos de caldeiras elétricas podem diferir em seu layout interno, presença de funções adicionais, automação e muitos outros. etc. Mas, apesar da diferença em todas as modificações possíveis, a colocação da cablagem eléctrica, a selecção do tipo e secção transversal do cabo, a protecção automática, bem como as ligações à rede não mudam.
Dicas de instalação
Algumas dicas:
- Antes de comprar um TR, você precisa se certificar de que as características do regulador e dos elementos de aquecimento são compatíveis.
- Você precisa escolher a instalação do dispositivo no local mais acessível.
- Na hora de decidir pela compra de um aparelho, deve-se avaliar a viabilidade econômica da utilização de um modelo específico de termostato.
- Se você não tem experiência suficiente na instalação de tais dispositivos, então é melhor procurar ajuda de especialistas.
A pessoa às vezes não sabe sobre o número de dispositivos de controle térmico que a cercam. Eles se tornaram parte da vida cotidiana. Sua operação traz economias significativas nos custos de energia.
Conexão delta


Com uma conexão delta, os cabos das resistências elétricas são conectados uns aos outros em ordem sequencial. De acordo com o diagrama de conexão de três aquecedores elétricos tubulares, a conexão é realizada na seguinte ordem: a primeira saída do aquecedor # 1 é conectada à primeira saída do elemento de aquecimento # 2; o segundo terminal do dispositivo # 2 é conectado ao segundo terminal do dispositivo # 3; o segundo terminal do aquecedor # 1 é conectado ao primeiro terminal do dispositivo # 3. Como resultado dessa conexão, deve haver três braços - "a", "b", "c".


Em seguida, a fase correspondente é alimentada para cada ombro: fase A no ombro "a", fase B no ombro "c" e fase C no ombro "c".
Leis em vigor ao conectar aquecedores de acordo com o tipo de "triângulo":
A Elemag possui ampla experiência na produção de sistemas de aquecimento. Para todas as dúvidas sobre a compra ou conexão de aquecedores elétricos, entre em contato conosco por telefone ou e-mail. Nossos especialistas podem aconselhá-lo sobre a escolha de uma conexão de elemento de aquecimento adequada. As conexões STAR e TRIANGLE são usadas em nossa produção de elementos de aquecimento a seco e blocos de metal elétricos tradicionais de elementos de aquecimento.


