Функции на управляващия клапан

Регулиращите клапани се използват в тръбопроводите на отоплителната система
Съгласно общоприетата класификация, регулиращият клапан за отопление се отнася до елементите на спирателните кранове, включени в тръбопроводите на системата. Основната му цел е да отвори и затвори канала за преминаване на охлаждащата течност директно през батериите. Съвременните изисквания за подреждането на тръбопроводите предписват задължителното оборудване на отоплителните системи с заключващи елементи от различни видове.
Тяхното присъствие позволява да се изключи движението на охлаждащата течност при авария и да се извършат операции за отстраняване на неизправности, без да се отстранява течността от тръбите. В допълнение, чрез ограничаване на обема на циркулиращата среда е възможно да се поддържа комфортно разпределение на температурата в частна къща или апартамент.
Независимо от вида на отоплителната система, способността за управление на топлинните потоци ви позволява да намалите дебита и да балансирате разпределението на налягането в него. В допълнение, регулиращите елементи се използват в специални устройства, отговорни за поддържането на фиксирано ниво на температурата.
Проблеми с отоплението с топла вода
Писахме по-рано, че добрата отоплителна система е доста скъпа. Сега нека поговорим защо тези разходи не винаги са оправдани. Например, система, която работи перфектно през цялата зима, изведнъж започва да работи неправилно с пристигането на пролетта. Тази статия ще се фокусира върху хидравличното регулиране на отоплителните системи и как да го направи осъществимо, дори и за неспециалист.
Балансирането е необходимост или прекалено много?


Измервателни и изчислителни устройства Всяка отоплителна система трябва да бъде хидравлично регулирана преди доставката на клиента. Тази работа изисква определено ниво на умения и донякъде прилича на настройка на пиано. Стъпка по стъпка капитанът настройва отоплителните устройства (радиатори) и щранговете на системата, докато постигне тяхното координирано взаимодействие.
Хидравличното регулиране на отоплителната система е преразпределението на топлоносителя (водата) върху затворените участъци на системата (експертите казват "по циркулационните вериги"), така че обемът (или "дебитът") на водата да тече през всеки радиатор и през всяка верига е не по-малко от изчислената. Експертите често наричат този процес „балансиране“, „подравняване“ или „настройка“.
За да може системата надеждно да осигури пълен комфорт в къщата, тя трябва да бъде внимателно балансирана във всички нейни съставни части: котел, радиаторна мрежа и контролна верига. И колкото по-сложна е системата, толкова по-точно и по-трудоемко балансиране тя изисква.
В момента проблемът с балансирането се усложнява от две обстоятелства. Първата е липсата на опитни майстори в много строителни и сервизни фирми. Второто е постоянното усложняване на отоплителните системи, тяхното насищане с елементи на сложна автоматизация, които строителите трябва да овладеят по пътя си.
Изглежда, че именно тези устройства трябва автоматично да осигуряват баланса на частите на системата. Нищо подобно! Автоматизацията може да работи нормално само в хидравлично балансирана система, а не обратно. Освен това системата трябва не само да бъде балансирана, но и да се коригира до оптималните параметри, така че да не претоварва автоматиката, да създава най-добрите условия за работа за нея.
Тази работа се извършва под формата на определена верига от прости регулаторни действия с помощта на специални балансиращи и измервателни устройства.На пазара такива устройства се предлагат от следните компании: TAHYDRONICS (Швеция), OVENTROP, HEIMEIER (Германия), HERZ (Австрия), CRANE (Англия), DANFOSS, BROEN (Дания). Новото, което те внасят в балансиращата технология, което преди беше възможно само за опитни майстори.
С какво не могат да се справят термостатите
За да „укротите“ отоплителната система, трябва да разберете как във всеки конкретен случай да използвате в своя полза двата основни закона на хидравликата, които се подчиняват на потока вода в системата. Първият от тях казва, че водата тече предимно там, където има по-малко хидравлично съпротивление на нейното движение. Същността на втората може да бъде изразена по следния начин: "Преливането в едната област означава, че има недопълване в другата." Следователно за контрол на потока на охлаждащата течност по веригите на системата се използват различни регулиращи клапани.
В съвременните системи за това най-често се използват термостатични клапани, които автоматично регулират потока на водата в съответствие с показанията на температурен датчик. Чрез усилията на рекламата в съзнанието на клиентите и, за съжаление, много строители-практици, се затвърди погрешната идея, че термостатите и други „камбани и свирки“ под формата на програмисти и др., Инсталирани на радиатори, сами ще осигурят необходимото разпределение на водата и по този начин създава достатъчен комфорт в дома, което прави излишното пълно балансиране на системата. Всичко това далеч не е така!
На практика въпросът се усложнява от факта, че действителното съпротивление на веригите, параметрите на тръбите, фитингите и устройствата, инсталирани в системата, рядко съвпадат с изчислените. По време на монтажа е възможно да се промени дължината на тръбите, радиусите на огъване, да се намали площта на потока на тръбите по време на заваряване или при полагане под замазка и др. Засяга разпределението на потока и гравитационното налягане на водата, което зависи от нейната температура и височината на радиаторите.
Термостатите не са в състояние да компенсират влиянието на всички отклонения от дизайна и да осигурят пълно балансиране на системата. Защо така? Принципът на работа на термостата може лесно да бъде обяснен с помощта на модела на добре познатия регулатор на нивото на водата в тоалетното казанче. Само нивото на водата в него трябва да се разглежда като ниво на стайната температура, изходящият поток - като топлинни загуби от помещението, а входящият поток означава разсейването на топлината на радиатора. Когато нивото намалее, поплавъкът повдига уплътнителния конус на клапана пропорционално на спада на нивото. Равновесието настъпва, когато топлинните загуби от помещението са равни на разсейването на топлината на радиатора.
Ако няма топлинни загуби (например през пролетта), тогава нивото се повишава и клапанът се затваря (ниво H3). Когато топлинните загуби са най-големи (през зимата), клапанът е напълно отворен (ниво H0). Всъщност, през пролетта, когато консумацията на топлина и следователно топла вода е малка, термостатът трябва да бъде покрит. В този случай, за да се поддържа обичайната точност на контрол на температурата от 0,5 ° С, вентилът за управление на термостата трябва да бъде преместен с точност от около пет микрометра, което е практически трудно да се направи. Следователно основният контрол на топлопредаването на радиаторите обикновено се извършва чрез промяна на температурата на водата, подавана към радиатора, по различни начини, когато температурата на въздуха се променя. Термостати се използват за регулиране на температурата в помещението с точност 0,5C спрямо дадено ниво. В този случай дебитът през термостата се настройва с точност от 10-15%, което не е подходящо за висококачествено балансиране.
Трудността при балансирането се дължи на факта, че циркулационните вериги взаимно си влияят (теоретиците казват „те са интерактивни“). Това означава, че когато, например, дебитът в дадена верига намалява с помощта на клапан, спадът на налягането, приложен към други вериги, а оттам и потокът през тях, се увеличава и обратно. Поради това в системи, дори такива, оборудвани със сложна автоматизация, но регулирани само с помощта на термостати (често срещана опция), могат да възникнат различни проблеми.Например проблемът с „сутрешния старт“ след нощния режим на отопление при по-ниска температура. В такава система някои термостати ще се отворят повече при балансиране, други по-малко. На сутринта, след командата от програмния блок: "Увеличете температурата до ...!", Всички термостати са напълно отворени. След това през радиатора (веригата) с най-малко "затегнатия" термостат, дебитът ще се увеличи повече от този на другите (в края на краищата той има най-ниското съпротивление). Това означава, че някои радиатори няма да получат необходимия дебит (задейства се законът "operelive"). Освен това, увеличаването на потока през „препълнен“ радиатор, да речем, ще удвои неговия топлопренос само със 7-12%. Това означава, че клапанът му скоро няма да се затвори до нивото на настройка. През цялото това време „недостатъчно запълненият“ радиатор ще отоплява лошо помещението. Термостати с така наречената „наситена“ характеристика на потока (за двутръбни системи) помагат да се справят с такава неприятност. тези, при които повдигането на клапана до пълно отваряне само леко увеличава потока през него над номиналния. Подобни термостати се предлагат от HEIMEIER, TA и OVENTROP.
Освен това. При топло време (например през пролетта) всички термостати са покрити още повече, а някои са принудени да работят, като са много покрити. Рискът от запушване на такива термостати е много висок предвид качеството ни на вода. В същото време промените в стайната температура със същите 0.5C причиняват големи промени в потока. Те от своя страна променят температурата в помещението с повече от 0,5 ° С и работата на такъв термостат става нестабилна, т.е. температурата в помещението започва да варира (какъв комфорт има там).
Друга възможна неприятност е шумът (свистенето) в клапаните. Всяко излишно външно нагряване, например зимното слънце в прозорците, голям брой гости и т.н., води до факта, че силно покритите термостати са покрити още повече, почти изцяло. Тук в тях може да възникне свистене (и дори да се засили в радиаторите). Освен това в системи, в които има други помпи във веригите с по-голям капацитет от помпата на котела, излишният поток във верига може да доведе до образуването на „паразитна“ точка на смесване на вода от котела и връщане на вода от веригата . Тази точка ще действа като "щепсел" в начина на пренос на топлина от котела към системата и разходите за гориво ще бъдат неефективни.
Всички тези нещастия неизбежни ли са? Разбира се, че не. Всичко зависи от действителните хидравлични параметри на системата. Но вероятността от тези проблеми при частично или лошо балансирани системи е голяма. Така че, за да се гарантира потокът на охлаждащата течност през устройствата дори и при най-силен студ и да не изнемогва от топлината през пролетта, се препоръчва да се въведат балансиращи клапани (клапани) и равномерни клапани за поток, налягане и байпас в различни комбинации в системата, в допълнение към термостатите.сложността на системата. Те гасят излишното спадане на налягането, което е вредно за работата на термостатите, а после последните работят при най-добрите условия за тях и с най-голяма ефективност. Освен това поддръжката на такива системи е опростена, тъй като причините за нарушаването на работата му изчезват. Възникналите неизправности се откриват и отстраняват лесно, без да причиняват дългосрочни неудобства на жителите.
Различните системи изискват различни балансиращи клапани. По принцип точността на управлението на потока по време на балансирането трябва да бъде най-малко 7%. Балансиращите клапани от TA, OVENTROP и HERZ осигуряват тази точност.
Балансиращите клапани струват $ 25-65, а регулаторът на налягането или потока е $ 120-140, в зависимост от размера и фирмата.
Възможно ли е да се направи без тях? В съвременните градски къщи с много обширни отоплителни системи това е практически невъзможно, а в дачи е възможно.Но качеството на осигуряване на комфорт ще се влоши значително. Колкото по-сложна е системата или колкото повече отклонения от дизайна (толкова по-лошо е качеството на инсталацията), толкова по-голяма е необходимостта от инсталиране на балансиращи устройства в нея.
Балансирането на еднотръбни, двутръбни системи и системи за водоснабдяване с топла вода има свои собствени характеристики, които трябва да бъдат обсъдени отделно.
Балансиращи устройства
Секционен балансиращ клапанБалансиращи клапани
са двупосочни клапани с променлив отвор и с допълнителни разклонения преди и след отвора. При тези кранове можете да измерите спада на налягането в клапана и от него да определите водния поток. За да направите това, използвайте специални графики, номограми, различни видове плъзгащи правила или електронни измервателни устройства.
Регулатори на налягането
са пропорционални регулатори с плавно регулиране на налягането от 5 до 50 kPa. Те се използват в сложни системи и се монтират в тръбата за връщане. Те поддържат зададеното диференциално налягане в термостатите.
Регулатори на потока
автоматично ограничете потока до зададената стойност в общия диапазон от 40-1500 l / h, поддържайки спада на налягането в клапана на ниво от 10-15 kPa.
Електронни измервателни и изчислителни устройства (IVP)
различни компании доставят приблизително еднакъв набор от основни функции. В допълнение към измерването на дебита и диференциалното налягане в управляващите клапани, те ви позволяват да определяте настройки за различни видове клапани, както и да извършвате системни изчисления. Те са скъпи, до $ 3500, но за фирми, специализирани в монтаж и пускане в експлоатация и сервизна поддръжка, това е много полезно нещо, тъй като значително намалява разходите за труд за проектиране, балансиране и последваща поддръжка на системи. И така, 2 човека за 2-3 часа балансират системата от 5-6 щанда с 30-40 радиатора. Appribor може да бъде нает от дилъри.
Техника на балансиране


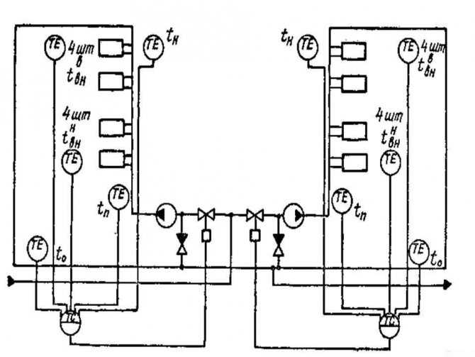
Обща схема на отоплителна система, използваща балансиращи клапани Цялата система е разделена на отделни части (модули), така че потокът в тях може да се регулира от един балансиращ вентил, монтиран на изхода на всеки модул. Такъв модул може да бъде отделен радиатор (това е най-добрият, но скъп вариант), група стайни радиатори, цял клон или щранг с всичките си клонове (или дори цяла сграда с централно отопление). Какво прави? Първо, всякакви промени в работата на елементи в модула, например изключване на един радиатор, практически няма да повлияят на работата на други модули. На второ място, всякакви промени в потока или налягането извън модула не променят пропорциите на потока през неговите елементи. Оказва се, че модулите могат да бъдат балансирани един спрямо друг. Освен това. Всеки модул може да бъде част от по-голям модул (като кукла за гнездене). Следователно, след балансиране на радиаторите на клона, например, чрез регулиране на термостатите, този клон може да се разглежда като вид модул със собствен балансиращ клапан, монтиран на изхода на този клон. След това модулите, състоящи се от разклонения, се балансират един срещу друг с помощта на общ клапан, монтиран на щранга. Всеки щранг с всичките му разклонения се счита за още по-голям модул. Така модулите (от щранговете) отново се балансират помежду си, използвайки балансиращия им клапан, монтиран на връщащата основна линия. Практиката показва, че най-добри резултати се получават, когато загубата на налягане в балансиращия клапан на "затегнатия" модул е 3-4 kPa.
Такива клапани са монтирани по такъв начин, че прав участък на тръбата преди и след него не е по-кратък от пет диаметъра на тръбата, в противен случай турбулентността на потока значително намалява точността на управление.
Подготвителна работа.
Същността на тези произведения е внимателно да планирате целия процес. Съгласно проекта, изчислените дебити за всички консуматори на топлина са изяснени и ако са закупени други радиатори, тогава дебитите през тях трябва да бъдат коригирани. Всички клапани и кранове са отворени. Проверете правилната работа на помпите. Системата се изплаква старателно, пълни се с обезвъздушена вода и въздух, отстранен от нея. Загрейте системата до проектната температура и отстранете въздуха отново.
Балансиращ метод на компенсация
Има два метода за балансиране с помощта на балансиращи клапани: пропорционален и компенсиращ. Последният се разработва въз основа на първия и се използва по-често, тъй като С това системата може да бъде балансирана и пусната в експлоатация на части, без да се балансира тези части след приключване на инсталирането на цялата система. При извършване на работа през зимата това е много значително предимство. За двутръбни системи с радиатори, оборудвани само с термостати, балансирането с помощта на IVP устройството се извършва, както следва. За пояснение ще трябва да се позовем на разположението на щрангове, клонове и радиатори на въображаема отоплителна система.
Избираме „най-студения“ или отдалечен щранг, например щранг 2S, а на него и най-отдалечения клон. Нека е клон на втория етаж. Нека го наречем „справка“. Зададохме изчислените стойности за настройка на главите на термостата (за проект). Определяме с помощта на устройството (но също така и според номограмата) отчитането на скалата за настройка на клапана 2-2B, при което дебитът през този клапан ще бъде равен на общия поток през клон 2 и спада на налягането през клапанът ще бъде 3 kPa. Ние настройваме клапана 2-2B към тази стойност на скалата. Свързваме IVP устройството с 2-2V клапан. След това, чрез регулиране на клапана на щранга 2S, постигаме стойността p = 3kPa на клапана 2-2B. Това означава, че изчисленият воден поток сега преминава през "еталонния" клон.
След това регулираме радиаторите на клон 1 по същия начин, само че „усукваме” балансиращия му клапан 2-1B според подканите на IVP устройството, докато свързаното към него устройство покаже изчисления дебит за този клон. Проверяваме стойността на p на клапана 2-2B на "еталонния" клон. Ако тя се е променила, тогава с 2S клапан я довеждаме до стойността p = 3kPa. След това правим същото и на останалите клони, от своя страна, всеки път регулирайки стойността на p на клапана 2-2B на "еталонния" клон на стойност p = 3 kPa. След като приключите с балансирането на един щранг, преминете към друг и направете всичко по същия начин, разглеждайки riser2 като „референтен“. На неговия 2S клапан задаваме изчисления дебит и след това, когато регулираме други щрангове, постоянно го поддържаме за този щранг, използвайки общ 1K клапан на връщащата линия. След балансиране на всички щрангове, р стойността, измерена при последния 1К клапан, ще покаже прекомерното налягане, развито от помпата. Чрез намаляване на този излишък (чрез регулиране или смяна на помпата), ще намалим консумацията на топлина за отопление на улицата. Виждате колко просто и формално всичко е до краен предел. Следвайте указанията и качеството на системата е гарантирано.
В нашия фоторепортаж накратко говорихме за балансиране на двутръбна система с два щранга, оборудвани с балансиращи клапани от OVENTROP.
Редакторите биха искали да благодарят на OVENTROP за помощта при организирането на фотография и TAHydronics за предоставените материали.
Видове регулиращи клапани и техните параметри
Видовете специални спирателни кранове за контрол на подаването на топлина към радиатора включват:
- регулатори, направени под формата на клапанни механизми с термични глави, задаващи фиксирана температура;
- сферични кранове;
- специални балансиращи клапани, ръчно контролирани и инсталирани в частни къщи - с тяхна помощ е възможно равномерно отопление на интериора на къщата;
- изпускателни въздушни клапани - ръчните механизми на Маевски и по-усъвършенстваните автоматични вентилационни отвори.


Топка


С термична глава


Кран на Маевски


Балансиране
Списъкът се допълва от пробни регулатори на клапани, използвани за промиване на батерии и източване на вода. Същият клас включва и възвратен клапан, който предотвратява движението на охлаждащата течност в обратна посока в мрежи с принудителна циркулация.
Индикаторите, характеризиращи работата на всеки тип спирателни кранове, включват:
- стандартни размери на устройства, чрез които те се съчетават със специфични видове радиатори;
- налягане, поддържано в работни режими;
- пределна температура на носителя;
- производителност на продукта.
За правилния избор на спирателен вентил ще е необходимо да се вземат предвид всички параметри в съвкупност.
Как да създадете и добавите налягане към отоплителната система
За създаване или добавяне на налягане в отоплителната система се използват няколко метода.
Кримпване
Изпитване под налягане - процесът на първоначално пълнене на отоплителната система охлаждаща течност с временно създаване на налягане, надвишаващо работното.
Внимание! За новите системи, по време на въвеждане в експлоатация, главата трябва да бъде 2-3 пъти повече нормално, а по време на рутинните проверки увеличаване на с 20-40%.
Тази операция може да се извърши по два начина:
- Свързване на отоплителния кръг към водопроводната тръба и постепенно пълнене на системата до необходимите стойности с управление на манометър. Този метод няма да работи, ако налягането във водоснабдителната система не е достатъчно високо.
- Използване на ръчни или електрически помпи. Когато в схемата вече има охлаждаща течност, но няма достатъчно налягане, се използват специални помпи под налягане. Течността се излива в резервоара на помпата и главата се довежда до необходимото ниво.


Снимка 1. Процесът на кримпване на отоплителната система. В този случай се използва ръчна помпа за изпитване на налягане.
Проверка на отоплителната мрежа за течове и течове
Основната цел на изпитването под налягане е да се идентифицират дефектни елементи на отоплителната система в максимален работен режим, за да се избегнат аварии по време на по-нататъшна работа. Следователно следващата стъпка след тази процедура е проверка на всички елементи за течове. Контролът на плътността се извършва чрез спада на налягането в рамките на определено време след изпитването под налягане. Операцията се състои от два етапа:
- Студена проверка, по време на която веригата се пълни със студена вода. В рамките на половин час нивото на налягане не трябва да пада повече от с 0,06 МРа. След 120 минути есента трябва да бъде не повече от 0,02 МРа.
- Гореща проверка, се извършва същата процедура, само с гореща вода.
Според резултатите от есента, заключение за херметичността на отоплителната система... Ако проверката бъде премината, нивото на налягане в тръбопровода се нулира до работни стойности чрез отстраняване на излишната охлаждаща течност.
Принципът на действие на нагревателните кранове


Използването на спирателни кранове в отоплителната система
По-удобно е да разгледате принципа на действие на крана, като използвате примера на сферичен кран. За да го контролирате, достатъчно е да обърнете агнешкото на ръка. Същността на такъв механизъм е следната:
- Когато механичната дръжка на крана се завърти механично, импулсът се предава на спирателния елемент, направен под формата на топка с отвор в средата.
- Поради плавното въртене, препятствие се появява или изчезва по пътя на потока на течността.
- Той или напълно блокира съществуващия проход, или го отваря за свободното преминаване на охлаждащата течност.
Не е възможно да се регулират обемите течност, постъпваща в батериите, чрез сферичен кран.
Клапан, който ви позволява да направите това, по своя принцип на действие се различава значително от сферичния аналог. Вътрешната му структура позволява плавно затваряне на отвора на прохода за няколко завъртания. Веднага след смяна на балансирането, положението на клапана се фиксира, за да не се нарушат случайно настройките на устройството. По правило такива кранове са инсталирани на изхода на радиатора.
Асортиментът от вентилни продукти включва проби с разширена функционалност, които дават възможност за допълнителни възможности за регулиране на потока на охлаждащата течност.
Главно меню
Здравейте приятели! Тази статия е написана от мен в съавторство с Александър Фокин, ръководител на маркетинговия отдел на Teplocontrol OJSC, Сафоново, Смоленска област. Александър е добре запознат с дизайна и работата на регулаторите на налягането в отоплителната система.
В една от най-често срещаните схеми за отоплителни точки на сграда, зависими, с асансьорно смесване, регулаторите на налягането с пряко действие RD "след себе си" служат за създаване на необходимото налягане пред асансьора. Нека разгледаме малко какво е регулатор на налягането с пряко действие. На първо място, трябва да се каже, че директно действащите регулатори на налягането не изискват допълнителни източници на енергия и това е несъмненото им предимство и предимство.


Принципът на действие на регулатора на налягането се състои в балансиране на налягането на настройващата пружина и налягането на отоплителната среда, пренесено през мембраната (мека мембрана). Мембраната получава импулси на налягане от двете страни и сравнява разликата им с предварително зададената, зададена чрез подходящото компресиране на пружината с регулиращата гайка.
Автоматично поддържано диференциално налягане съответства на всяка скорост. Отличителна черта на мембраната в регулатора на налягането след себе си е, че от двете страни на мембраната действат не два импулса от налягането на охлаждащата течност, както в регулатора на диференциалното налягане (дебит), а един и атмосферното налягане присъства на другата страна на мембраната.
Импулсът на налягането на RD "след себе си" се взема на изхода от клапана по посока на движението на охлаждащата течност, поддържайки определеното постоянно налягане в точката на приемане на този импулс.
С увеличаване на налягането на входа на пътеката за рулиране, тя се покрива, предпазвайки системата от свръхналягане. Настройката на RD на необходимото налягане се извършва с регулиращата гайка.


Нека разгледаме конкретен случай. На входа на ITP налягането е 8 kgf / cm2, температурната графика е 150/70 ° C и преди това сме направили изчислението на асансьора и сме изчислили минимално необходимата налична глава пред асансьора, тази цифра се оказа 2 kgf / cm2. Наличната глава е разликата в налягането между подаването и връщането нагоре по течението на асансьора.
За графика на температурата от 150/70 ° C минимално необходимата налична глава, като правило, в резултат на изчислението е 1,8-2,4 kgf / cm2, а за графика на температурата от 130/70 ° C, необходимата налична глава обикновено е 1,4 - 1,7 kgf / cm2. Нека ви напомня, че цифрата се оказа 2 kgf / cm2, а графиката е 150/70 ° С. Обратно налягане - 4 kgf / cm2.
Следователно, за да се постигне необходимото налично налягане, изчислено от нас, налягането пред асансьора трябва да бъде 6 kgf / cm2. И на входа към точката на нагряване, напомням ви, налягането е 8 kgf / cm2. Това означава, че RD трябва да работи по такъв начин, че да облекчи налягането от 8 до 6 kgf / cm2 и да го поддържа постоянно „след себе си“, равно на 6 kgf / cm2.
Стигаме до основната тема на статията - как да изберем регулатор на налягането за даден случай. Нека веднага да обясня, че регулаторът на налягането се избира според неговата производителност. Пропускателната способност е обозначена като Kv, по-рядко означението KN. Пропускателната способност Kv се изчислява по формулата: Kv = G / √∆P. Пропускателната способност може да се разбира като способността на пътеката за рулиране да преминава необходимото количество охлаждаща течност при наличие на необходимия постоянен спад на налягането.
В техническата литература се среща и концепцията за Kvs - това е капацитетът на потока на клапана в максимално отворено положение. На практика често наблюдавах и наблюдавам, рулещата пътека се избира и след това се купува според диаметъра на тръбопровода. Това не е напълно вярно.
Нека направим нашето изчисление по-нататък. Цифрата за дебита G, m3 / час е лесна за получаване. Изчислява се по формулата G = Q / ((t1-t2) * 0,001).Ние задължително имаме необходимата цифра Q в договора за доставка на топлинна енергия. Да вземем Q = 0,98 Gcal / час. Графиката на температурата е 150/70 C, следователно t = 150, t2 = 70 ° C. В резултат на изчислението получаваме цифра от 12,25 м3 / час. Сега е необходимо да се определи диференциалното налягане ∆P. Какво означава това число като цяло? Това е разликата между налягането на входа към точката на нагряване (в нашия случай 8 kgf / cm2) и необходимото налягане след регулатора (в нашия случай 6 kgf / cm2).
Правим изчисление. Kv = 12,25 / √ (8-6) = 8,67 m3 / h. В техническите и методическите ръководства се препоръчва тази цифра да се умножи с още 1.2. След умножаване по 1,2 получаваме 10,404 м3 / ч.
И така, имаме капацитета на клапана. Какво трябва да се направи по-нататък? След това трябва да определите RD на коя компания ще закупите и да разгледате техническите данни. Да приемем, че сте решили да закупите RD-NO от Teplocontrol OJSC. Отиваме на уебсайта на компанията https://www.tcontrol.ru/, намираме необходимия регулатор RD-NO, разглеждаме техническите му характеристики.


Виждаме, че за диаметър от dy 32 mm, производителността е 10 m3 / h, а за диаметър du 40 mm, производителността е 16 m3 / час. В нашия случай Kv = 10.404 и следователно, тъй като се препоръчва да се избере най-близкият по-голям диаметър, тогава избираме - dy 40 mm. Това завършва изчислението и избора на регулатора на налягането.
След това помолих Александър Фокин да ни разкаже за техническите характеристики на регулаторите на налягането RD NO JSC "Teplocontrol" в отоплителната система.
По отношение на, RD-NO на нашето производство. Всъщност имаше проблем с мембраните: качеството на руската гума оставяше много да се желае. Но вече 2 години и половина правим мембрани от материала на компанията EFBE (Франция) - световният лидер в производството на мембранни тъкани от каучукови тъкани. Веднага след като материалът на мембраните беше заменен, оплакванията от тяхното разкъсване на практика спряха.
В същото време бих искал да отбележа един от нюансите на дизайна на мембранния монтаж при RD-NO. За разлика от руските и чуждестранните аналози на пазара, RD-NO мембраната не е формована, а плоска, което позволява да бъде заменена с всяко парче гума с подобна еластичност (от автомобилна тръба, конвейер и т.н.), когато счупва се.
Като правило е необходимо да поръчате „родната“ мембрана от регулатори на налягането на други производители, като правило. Въпреки че си струва честно да се каже, че руптурата на мембраната, особено когато се работи върху вода с температури до 130 ° C, е заболяване, като правило, на вътрешните регулатори. Чуждестранните производители първоначално използват високо надеждни материали при производството на мембраната.
Маслени уплътнения.
Първоначално дизайнът на RD-NO имаше уплътнение на салниковата кутия, което представляваше флуоропластични маншети с пружина (3-4 броя). Въпреки цялата простота и надеждност на дизайна, периодично те трябваше да се затягат с гайката на уплътнението, за да се предотврати изтичането на средата.


Като цяло, въз основа на опита, всяка опаковка на пълнежа има тенденция към загуба на херметичност: флуорен каучук (EPDM), флуоропласт, политетрафлуоретилен (PTFE), термично разширен графит - или поради проникването на механични частици в зоната на пълнежа, от "несръчен монтаж", недостатъчна чистота на обработка на стъблото, термично разширение на части и т.н. Всичко тече: Danfoss (каквото и да казват) и Samson с LDM (въпреки че това е изключение тук), аз обикновено мълча за домашните контролни клапани. Въпросът е само кога ще тече: през първите месеци на работа или в бъдеще.
Затова взехме стратегическото решение да изхвърлим традиционната опаковъчна жлеза и да я заменим с духал. Тези. използвайте така нареченото „уплътнение с маншон“, което дава абсолютна плътност на пълнежа. Тези. плътността на кутията за пълнене сега не зависи от температурните промени или от проникването на механични частици в областта на стъблото и т.н.- това зависи изключително от ресурса и цикличната издръжливост на използвания духал. Освен това, в случай на повреда на духалото, е осигурен резервен уплътнителен пръстен от PTFE.
За първи път приложихме това решение върху регулатори на налягането RDPD, а от края на 2013 г. започнахме да произвеждаме модернизирания RD-NO. По този начин успяхме да впишем духалото в съществуващите корпуси. Обикновено най-големият (и всъщност единственият недостатък) на клапаните с духало е увеличените габаритни размери.
Въпреки това, ние вярваме, че приложеният духал не е напълно подходящ за решаване на тези проблеми: ние смятаме, че техният ресурс няма да бъде достатъчен за всички предписани 10 години работа на регулатора (които са посочени в GOST). Затова сега се опитваме да заменим използваните тръбни духалки с нови мембранни (все още малко хора ги използват), които имат няколко пъти по-дълъг ресурс, по-малки размери с по-голяма „еластичност“ и т.н. Но досега за годината на производство на духал тип RD-NO и за 4 години производство на RDPD не е имало нито едно оплакване за разкъсване на духалото и изтичане на средата.
Бих искал също така да отбележа дизайна на ненатоварена клетка на клапана RD-NO. Благодарение на този дизайн той има почти перфектна линейна реакция. А също и невъзможността за изкривяване на клапана в резултат на проникването на всякакви боклуци, плаващи в тръбите.
Монтаж и настройка на клапани


Инсталиран е балансиращ клапан за регулиране на потока на охлаждащата течност по пътя към котела
При инсталиране на нерегулируеми сферични кранове се използват прости схеми, които позволяват свободното им поставяне върху полипропиленови клонове от щранга още преди да влязат в батериите. Поради простотата на дизайна, инсталирането на тези продукти е възможно сами. Такива спирателни кранове не се нуждаят от допълнително регулиране.
Много по-трудно е да се монтират вентилни устройства на изхода на отоплителните батерии, където се изисква регулиране на обема на потока. Вместо сферичен кран, в този случай е монтиран контролен клапан за отопление, чието инсталиране ще изисква помощта на специалисти. Можете да направите това самостоятелно само след внимателно изучаване на инструкциите за инсталиране.
В зависимост от разположението на устройствата и разпределението на отоплителните тръби е възможно да се избере специален ъглов клапан, подходящ за радиатори с декоративно покритие. При избора на продукт се обръща внимание на стойността на ограничаващото налягане, обикновено посочена на калъфа или в паспорта на продукта. С малка грешка тя трябва да съответства на налягането, развито в отоплителната мрежа на многоетажна жилищна сграда.
Препоръчително е да се придържате към следните препоръки:
- За монтаж на радиатори трябва да изберете висококачествени кранове от дебелостенни месинги, образуващи връзка с съединителна гайка - американска. Неговото присъствие ще позволи, ако е необходимо, бързо да изключите аварийната линия без излишни ротационни операции.
- На еднотръбен щранг ще трябва да се инсталира байпас, инсталиран с леко отклонение от основната тръба.
Въпросът с инсталирането на балансиращ клапан, който изисква специални настройки за регулиране, е още по-труден за решаване. В тази ситуация не можете да правите без помощта на специалисти.
Принцип на действие


Принципът на действие се основава на комбинация от функциите на балансиращ клапан, регулатор на водния поток и калибратор на диференциално налягане, който променя положението, когато зададеното налягане се увеличава или намалява.
- Двуредови регулатори на водния поток. Състоят се от турбулентна дроселна клапа и клапан за диференциал с постоянно налягане. С намаляване на налягането в изходната хидравлична линия, макарата на клапана, изместена, увеличава работната междина, което изравнява стойността.
- Трипосочни регулатори на водния поток. Успоредният на регулирания дросел клапан за освобождаване на налягането работи в режим на преливане.Това прави възможно изхвърлянето на излишъка в кухината над макарата, когато налягането на изхода се увеличава, което води до неговото изместване и изравняване на стойностите.
Повечето регулатори на водния поток са класифицирани като клапани с директно действие. RR с непряко действие са структурно по-сложни и по-скъпи, което прави използването им рядко. Дизайнът включва контролер (програмируем), контролен клапан и сензор.
В каталозите на някои производители са представени комбинирани модели с допълнителната възможност за инсталиране на електрически задвижващ механизъм, който е функционално еквивалентен на клапан и механизъм за управление. Позволява ви да постигнете оптимален режим с ограничен разход на вода.
Когато купувате устройства на уебсайтовете на доставчиците, често се предоставя калкулатор със следните полета за попълване - важни идентификационни данни:
- Необходим разход на вода (m3 / h).
- Прекомерен диференциал (потенциални загуби при регулатора).
- Налягане пред устройството.
- Максимална температура.
Алгоритъмът за изчисление улеснява избора и ви позволява да проверите устройството за кавитация.





