Елементи на отоплителния кръг на колектора
Радиационното отопление на частна къща е структура, състояща се от няколко основни елемента:
- Котел за отопление
... Това устройство е началната точка, тъй като от него горещата охлаждаща течност е насочена към тръбопроводи и радиатори. Мощността на отоплителния блок трябва да съответства на топлопредаването на отоплителното оборудване. Има следният нюанс: радиалното разположение на отоплителната система, за разлика от други опции за полагане на тръбопровода, има по-голяма степен на топлинни загуби, което със сигурност трябва да се вземе предвид при изчисляване на параметрите на оборудването. - Циркулационна помпа
... Според особеността на своето устройство, радиалното разпределение на отоплението е от затворен тип и за неговата работа се изисква принудителна циркулация на топлоносителя. За тази цел е инсталирана специална помпа, която създава определено налягане и изпомпваща течност. В резултат се осигурява необходимия температурен режим, който гарантира ефективната работа на системата за топлоснабдяване.
Когато избирате циркулационна помпа за лъчисто отопление, трябва да обърнете внимание на редица параметри, включително дължината на тръбопроводите и материалите за производство на радиатори. Освен това мощността на помпата не е една от най-важните й характеристики; трябва да се вземе предвид скоростта, с която ще се изпомпва течността.
Този параметър показва обема на охлаждащата течност, транспортирана от циркулационното устройство за единица време.
Освен това мощността на помпата не е една от най-важните й характеристики; трябва да се вземе предвид скоростта, с която ще се изпомпва течността. Този параметър показва обема на охлаждащата течност, транспортирана от циркулационното устройство за единица време.
Колекционер
(нарича се още гребен). Също така е важен елемент от радиалното разпределение на отоплителната система. На гребена е възложена функцията на разпределително устройство, предназначено за централизирано подаване на отоплителни радиатори с охлаждаща течност (за повече подробности: "Разпределителен гребен на отоплителната система - предназначение и принцип на действие").
Лъчистата верига на отоплителната система винаги съдържа разнообразие от термостатични или спирателни и регулиращи елементи. Те осигуряват необходимата консумация на носителя на топлинна енергия във всеки клон на конструкцията. Инсталирането на термометри и въздухоотводници, работещи в автоматичен режим, ще помогне да се създадат допълнителни условия за по-ефективна работа на отоплителната конструкция без излишни разходи.
Колекционерите на вътрешния пазар се предлагат на потребителите в широк диапазон. Изборът на конкретно устройство се основава на броя на проектираните отоплителни кръгове или свързани радиатори. Гребените се изработват от различни материали - може да са месинг или стомана, както и полимерни продукти.
Шкафове
... Контурът за лъчисто отопление изисква всички елементи, включени в него, да бъдат разположени в специални конструкции, оборудвани за тях. Разпределителен колектор за отопление. спирателни кранове, тръбопроводите трябва да се поставят в колекторни шкафове с опростен дизайн. И двете са вградени стени в ниша и външни, но в същото време се отличават с функционалност и практичност.

Как да организираме лъчева система
Най-важният елемент в организацията на такива системи е колекторният монтаж. Ако е необходимо да се извърши окабеляване на всеки от етажите, ще трябва да поставите по един на всеки от етажите.


Принудителна циркулационна помпа
По време на процеса на полагане колекторите се поставят в специални шкафове, в които е възможно да се регулира работата на системата. При полагане се изисква да се осигури минималният брой тръбни съединения, което значително увеличава безопасността и стабилността на оборудването.
Също така е необходимо да изберете правилния отоплителен котел, като се вземат предвид мощността, разходите за топлина и електрическа енергия, ефективността, като се вземат предвид топлинните загуби от системата. Независимо от вида гориво, което котелът консумира по време на процеса на отопление, необходимостта от изчисление е задължителна.
Избор на помпа с принудителна циркулация
Основното приложение на радиалните вериги на отоплителните системи за дома е хоризонтално разположение, с подаване на охлаждащата течност от дъното. За да се осигури възможността за функциониране, се изисква да се използва циркулационна помпа, която осигурява принудителна циркулация на охлаждащата течност по клоните на мрежата.
Използването на помпа може значително да намали температурната разлика между входа и изхода на веригата. В резултат на това ефективността на гредовата система се увеличава значително, осигурявайки по-голяма компактност и по-ниски материални разходи.
Има няколко параметъра за избор на този тип единица:
- производителност;
- височина на главата.
За да изберете правилната помпа, трябва да вземете предвид ширината на лумена на тръбата, дължината и нивото на височината спрямо самата помпа. Всички изчисления се правят предварително.
Метод на свързване без помпа
Работата на системата може да бъде осигурена без закупуване и свързване на помпа и редица устройства за отстраняване на излишния въздух, но в същото време се изисква да се спазват определени условия, които са изключително трудни за изпълнение. Необходимо е да изберете тръби с голям диаметър и да монтирате разширителния резервоар на максималната височина от пода.
Този метод може да се използва в помещения с малки размери, за да осигури достатъчно топлина в стаята. Изборът между принудително или естествено водоснабдяване обаче се изисква дори по време на процеса на изчисление.
Правилото е да се монтира циркулационна помпа
Има редица препоръки за правилното инсталиране на помпата:
- Помпите за мокро захранване са инсталирани хоризонтално.
- Устройството с термостат не трябва да се приближава възможно най-близо до горещи повърхности, за да се избегнат изкривени показания.
- Монтажът обикновено се извършва на възвратните секции на системата, за да се осигури нормалната работа на системата, за да се предотврати превишаването на температурните показатели. Редица съвременни помпи също могат да бъдат инсталирани в близост до котела и да работят без проблеми при високи температури.
- Ако няма механизъм за елиминиране на излишния въздух в отоплителния кръг, определено трябва да изберете помпа с възможност за отстраняване на газове.
- Препоръчително е да го монтирате възможно най-близо до разширителния резервоар.
- Преди инсталацията е препоръчително да почистите системата от всички твърди фракции.
- Преди да стартирате радиационната система, определено си струва да проведете предварителен тест с вода.


Монтаж на циркулационна помпа
Избор на разпределителен колектор
Това устройство има второ име - разпределителен гребен. Получил го е за своята функция - подаване на течност, която провежда топлина към всеки отделен нагревателен елемент, радиатори, топъл под и други. Също така охлаждащата течност се връща в определени отвори по обратния път, след което котелът се подава или се смесва със съдържанието на тръбите, за да се намали температурата.


Разпределителен колектор
Броят на едновременно поддържаните тръби достига 12. В някои модели за сложни лъчисти отоплителни системи на двуетажна къща техният брой може да бъде по-голям. Всеки колектор се задейства от сферичен кран, който позволява регулирането на потока на течността към всеки радиатор.Това е необходимо за регулиране на количеството охлаждаща течност, което преминава по клоните.
Избор на тръби
Има редица аспекти, които определят експлоатационните характеристики на бъдещия тръбопровод. Струва си да изберете, след като решите къде ще бъде монтирана мрежата: под маскиращо покритие или в циментова замазка.
В процеса на работа ще е необходимо да се огъват тръбите по определен начин, под нестандартен ъгъл. Поради тази причина е желателно да се използва материал с достатъчна степен на гъвкавост, за да не се увеличава броят на фугите. XLPE тръбите се считат за най-добрият вариант.


Тръби
Освен това конструкцията трябва да има слой от херметичен материал. В противен случай най-малките частици кислород, съдържащи се в охлаждащата течност, могат да излязат. В резултат се наблюдава ръждясване на котела и радиаторите.
Също така, трябва да обърнете внимание на следните точки:
- Радиалното прокарване не изисква използването на тръби със стандартен диаметър. Оптималният просвет е от 24 до 32 милиметра.
- Струва си да изберете продукти, които са достатъчно защитени от механични повреди. Най-често те се изсипват с цимент, докато се изисква да се избегне прекомерен натиск върху мрежата.
Това изисква проверка на целостта и свързването на всички тръбни елементи. Тогава можете да започнете. Това е необходимо за предотвратяване на течове по време на работа.
Шкафове и блокове на колектори
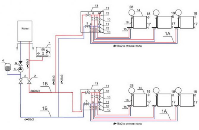
В апартамент с хоризонтално радиално разпределение на отоплението (по подовете на частни къщи) са подредени разпределителни колектори (подаване и "връщане"), които събират всички захранващи и връщащи тръбопроводи на техните изходи. Те се поставят в метални шкафове със специален дизайн, често вградени в преградите на санитарните помещения и отварящи се вътре в тях. Възможна е и инсталация на разпределителни колектори в специално подредени стенни ниши. Доста често колекторният блок се комбинира с измервателния блок на топлинната енергия в един колекционен шкаф.


Шкаф за колектори с блок за измерване на топлината.
Колекторите могат да бъдат цялостни, представляващи участъци от дебели тръби с разклонителни тръби или сглобени върху тройници. Материалът за тези устройства може да бъде:
- пластмаса;
- никелиран месинг;
- мед;
- неръждаема стомана.
Много известни производители на отоплително оборудване (VALTEC и др.) Произвеждат готови колекторни блокове, които комбинират захранващи и връщащи колектори, ръчни регулиращи клапани (на захранващия колектор), термостатични клапани (на връщащия колектор), автоматични вентилационни отвори, дренажни клапани и монтажни скоби.


Пълен колекторен блок.
Задачата за индивидуално регулиране на топлинния режим на всеки един радиаторен клон на отоплителната система на колектор-лъч се решава чрез настройка на клапани с вградени разходомери. Клоновете са с различна дължина и охлаждащата течност има тенденция да тече по най-краткия път с минимално хидравлично съпротивление. По-интензивно тече около къси клони, затопляйки по-силно монтираните там радиатори.
Регулиращите клапани на захранващия колектор променят потока на водата (антифриз), стесняват номиналните им проходи при къси съединения и се разширяват при дълги. Настройката е трудоемък процес и регулиращият клапан не е предназначен за бързо изключване или отваряне на потока на охлаждащата течност през веригите. Тази функция се изпълнява от термостатични клапани.
Термичните клапани на колектора - „връщане“ - са клапани, които плавно спират потока ръчно или автоматично. Лъчистата отоплителна система е лесно хидравлично балансирана.
Важни моменти за инсталиране
По правило в частна къща се отделя подходящо помещение за котелното помещение, в което се намират всички основни елементи на отоплителната система. Първият етап от инсталацията на системата е инсталирането на отоплителния котел.След инсталирането на котела се монтират входящият и изходният колектори. Тези елементи на системата трябва да бъдат лесно достъпни. Също така е необходимо да се монтира клапан на Маевски на изходящия колектор.
В лъчиста отоплителна система не се препоръчва комбинирането на "топъл под" с отоплителен кръг на един и същ колектор, тъй като те имат различни работни температури.
Характеристики на лъчистата отоплителна система у дома
Има обаче още един момент, който не бива да се пренебрегва. Това е настройка или регулиране. Извършва се точно при регулирането на крановете, разположени на колектора. Но си струва да се каже, че такава система е неудобна, тъй като през цялото време е необходимо да се регулират режимите, което не винаги е възможно да си позволите чисто физически. Освен това, ако имате доста голяма сграда, тогава е по-добре да откажете тази идея.
Костерът е първият пряк потомък на радиационното отопление и руската печка е ярък пример за това. Голям, заемащ значително количество пространство, той е бил в състояние да отоплява къщата с инфрачервеното си излъчване или по прост начин с жива топлина. Ако в стаята е топло, тогава излъчването на топлина като такова не се появява, човекът се чувства комфортно. И ако в него в по-голяма степен има студени стени, таван и други интериорни предмети, именно върху тях се предават инфрачервени лъчи, излъчвани от човек. Със сигурност всеки може да си спомни втрисането, преминаващо през тялото, изглежда, в топла стая. Това е радиален топлообмен, на принципа на който е изградена лъчистата отоплителна система на къща.
Преглед на схеми и компоненти на отоплителната система
На първия етап е необходимо да се избере принципът на действие на отоплителната система. Дори преди 20-25 години практически нямаше алтернатива - те направиха гравитационна отворена система. Следователно въпросът за това как правилно да се монтира отоплението беше сведен до избора на диаметъра на стоманените тръби и техния правилен наклон. Но появата на пазара на основните елементи на затворена система значително разшири избора на верига.
Гравитационна отоплителна система
Гравитационна схема за отопление
Основният източник на отоплителна вода за него е котел на твърдо гориво (възможна е работа на дизелов двигател или отработено масло). Монтирането на газови модели не е възможно, тъй като нормалната им работа предполага повишено налягане в тръбите. Възможно е самостоятелно сглобяване на отоплителна система с газов котел. Но в този случай се използва тяло с твърдо гориво, в което е монтирана специална газова горелка.
Преди да инсталирате правилно отопление в частна къща, трябва да изберете основните му компоненти. В допълнение към котела са задължителни следните елементи:
- Тръби. За този тип отопление можете да използвате пластмасови модели (полипропилен, металопластика) или стомана. Най-добре е да изберете голям диаметър - от 40 мм. По този начин общото хидравлично съпротивление може да бъде намалено;
- Разширителен резервоар. Необходимо е да се стабилизира системата в случай на прегряване на охлаждащата течност;
- Спирателни клапани. Неговото инсталиране е задължително, тъй като по време на ремонт или поддръжка ще е необходимо да се изключи потокът на охлаждащата течност в определен участък от системата;
- Грим. Изисква се за добавяне на охлаждаща течност. За да се оптимизира, той често се включва в дизайна на разширителния резервоар.
Комплект радиатори за еднотръбна отоплителна система
Гравитационната система в повечето случаи е направена еднотръбна (Ленинград). За да монтирате правилно отоплителния радиатор, е необходимо да инсталирате байпас на всеки от тях. Това също трябва да се вземе предвид при закупуване на компоненти и съставяне на обща схема за инсталиране.
В допълнение към тези компоненти се изисква инсталирането на манометри. Ако това устройство не е предвидено в конструкцията на котела, то трябва да бъде инсталирано на изходната тръба.
За да се монтира отоплителен радиатор, е необходимо да се осигури наличието на кран на Маевски в него.Необходимо е да се премахне задръстванията на въздуха в системата.
Схема на отоплителна система с принудителна циркулация
Затворен отоплителен кръг с котел на твърдо гориво
Много по-трудно е да се инсталира отоплителна система с принудителна циркулация. Разликата се крие в създаването на повишено налягане в линията. Това допринася за увеличаване на дължината на тръбопроводите и оптимален температурен режим за работата на цялата система.
Пълният комплект на тази схема е най-добре да се разгледа на примера на тръбопровода на котел на твърдо гориво. Тъй като в повечето модели на газ, по-голямата част от компонентите са част от конструкцията (циркулационна помпа, разширителен резервоар и др.). Следователно, за да монтирате отоплителната система сами, освен котела, системата задължително трябва да съдържа:
- Циркулационна помпа. Това ще създаде необходимото ниво на налягане на охлаждащата течност;
- Затворен разширителен резервоар. Служи като компенсатор, когато налягането в системата се повиши над критичното;
- Група за сигурност. Частично дублира функциите на разширителния резервоар. Ако показанията на налягането са твърде високи, тогава вентилационният отвор и изпускателният клапан ще го намалят, премахвайки излишния въздух и охлаждащата течност от системата;
- Спирателни клапани;
- Грим.
Как сами да монтирате отоплителна система от затворен тип и най-важното - кое разположение на тръбите да изберете? Експертите препоръчват да се инсталира двутръбен, тъй като радиаторите в този случай ще бъдат свързани паралелно, което ще осигури равномерно разпределение на температурата в цялата система.
Много по-лесно е да инсталирате отоплителна система с принудителен тип, отколкото с естествена циркулация. Освен това първият е единственият вариант за къщи със средна до голяма площ.
Какви са видовете отоплителни системи за жилищна сграда
В зависимост от монтажа на топлинния генератор или местоположението на котелното:
- Автономна система в апартамент, където отоплителният котел е монтиран в отделна стая или в кухнята. Разходите за закупуване на котел, радиатори и свързаните с тях тръбопроводни материали се връщат бързо, тъй като такава автономна система може да се регулира въз основа на вашите собствени съображения относно температурния режим в къщата. Освен това индивидуалният тръбопровод не губи топлина, а, напротив, помага за отопление на помещенията, тъй като е положен през апартамента или около къщата. Не е необходимо да се приспособява отделен котел за реконструкция на централизирано отопление - след като схема за отопление бъде изготвена и внедрена, тя ще работи за цял живот. И накрая, вече работеща верига може да бъде допълнена с паралелни или последователно свързани вериги, например "топъл под";
- Възможността за индивидуално отопление, което е предназначено да обслужва цялата жилищна сграда или целия жилищен комплекс, е мини котелно помещение. Пример са старите котелни къщи, обслужващи блока, или нови комплекси за една или повече къщи с различни източници на енергия - от газ и електричество до слънчеви панели и термални извори;
Схемата за централизирано отопление в многоетажна сграда е най-честото работно решение на проблема до момента.
Схеми за отопление в зависимост от параметрите на работната течност:
- Отопление с обикновена вода, в тръбите на която охлаждащата течност не се нагрява над 65-70C. Това е разработка от областта на системите с нисък потенциал, но най-често старите схеми работят с температура на работната течност, достигаща 80-105C;
- Парно отопление, където в тръбите не се движи топла вода, а пара под налягане. Такива системи остават в миналото и днес те практически не се използват за доставка на топлина и отопление на всякакъв тип жилищни сгради.
Въз основа на диаграмата на тръбите:
- Най-често срещаната е еднотръбна отоплителна система за многоетажна сграда, където както захранващите, така и връщащите тръби са една нишка на отоплителната мрежа. Такава схема все още може да се намери в сградите "Хрушчов" и "Сталин", но на практика тя има голям недостатък: батериите или радиаторите, свързани последователно във веригата, не осигуряват равномерен топлопреминаване - всяко следващо отоплително устройство ще бъде малко по-студено , а последният радиатор в тръбопровода ще бъде най-студеният. За поне приблизително еднакво разпределение на топлината в помещенията, всеки радиатор, следващ веригата, трябва да бъде оборудван с по-голям брой секции. Освен това в еднотръбна отоплителна схема в пететажна сграда е невъзможно да се използват радиатори, които не съответстват на проектните параметри, и устройства за регулиране на топлопреминаването - клапани и др. регулиране;
- Схемата на Ленинградка е по-перфектно решение, но според същата еднотръбна схема. В тази схема има байпас (джъмпер за тръби), който може да свърже или разкачи допълнителни отоплителни устройства, като по този начин регулира преноса на топлина в помещението;
По-усъвършенствана двутръбна отоплителна система в жилищен блок започва своето съществуване с изграждането на сгради по проекта на така наречената "Брежневка" - панелна къща. Подаването и връщането на потока в такава схема работят отделно, така че температурата на работната течност на входовете и изходите на апартаменти в 9-етажна сграда винаги е еднаква, както при радиаторите или батериите. Друг плюс е възможността за инсталиране на регулиращ автоматичен или ръчен клапан на всяко отоплително устройство; Схемата на гредата (колектора) е най-новата разработка за нетипични жилища. Всички отоплителни устройства са свързани паралелно и като се има предвид фактът, че това е затворена OO система в жилищен блок, тръбопроводите могат да бъдат направени скрити. Когато се изпълнява лъчевата схема, всички регулиращи устройства могат да ограничат или увеличат подаването на топлина по измерен начин.
Избор на колектор
Лъчистата отоплителна система включва колектор (гребен). Този елемент прилича на тръба. Той има дюзи за вход и изход на охлаждащата течност. За лъчевата схема трябва да се инсталират два вида колектори.


Първият от тях ще бъде входящият гребен. Към него е свързана помпа, както и разпределителен клапан за охлаждащата течност. Тя може да бъде три- или двупосочна. Клапанът включва термометър. Той е инсталиран в корпуса на колектора. Устройството предава информация на клапана. Той отваря или затваря амортисьора, смесвайки гореща течност във веригата.
Изходящият колектор събира охладения топлоносител, който се връща в котела. Нагревателят го загрява отново. Освен това на този разклонителен тръбопровод може да се инсталира контролер за балансиращ поток. Колекторната група осигурява стабилността на системата. Тя отговаря за оптимизирането и балансирането на отоплението на охлаждащата течност в системата.
Предимства и недостатъци
Радиалното разпределение на отоплителната система има следните предимства пред тройника:
- подаване на охлаждаща течност към всички радиатори с еднаква температура;
- бързата циркулация на охлаждащата течност ви позволява бързо да затоплите цялата къща;
- възможността за поддръжка и ремонт на един радиатор, като същевременно се поддържа функционалността на всички останали;
- възможност за задаване на отделен температурен режим за всяка стая и бързо управление на този режим;
- липсата на скрити връзки намалява риска от течове под пода или в стените;
- скритият монтаж на тръби подобрява естетическото впечатление, създавано от интериора;
- удобство и бързина на инсталиране на системата.


Лъчистата отоплителна система е удобна и бърза за инсталиране
Има и недостатъци на такава електрическа схема:
- висока цена на материали и оборудване;
- общата дължина на тръбите е няколко пъти по-голяма, отколкото при схемата на тройника;
- допълнителна площ (или отделна стая) е необходима за настаняване на колектори на всеки етаж.
Като цяло, по-високата цена на материалите и инсталацията бързо се отплаща за икономии и лекота на използване.
Единична хоризонтална тръба


Най-простата версия на еднотръбна хоризонтална отоплителна система с долна връзка.
Когато създавате отоплителна система за частна къща със собствените си ръце, еднотръбната схема на окабеляване може да бъде най-печелившата и най-евтината. Той е еднакво подходящ както за едноетажни къщи, така и за двуетажни къщи. В случай на едноетажна къща изглежда много просто - радиаторите са свързани последователно - за да се осигури постоянен поток на охлаждащата течност. След последния радиатор охлаждащата течност се изпраща през еднокомпонентна тръба за връщане към котела.
Предимства и недостатъци на схемата
Като начало ще разгледаме основните предимства на веригата:
- лекота на изпълнение;
- чудесен вариант за малки къщи;
- спестяване на материали.


Еднотръбна хоризонтална схема за отопление е отлична възможност за малки помещения с минимален брой стаи.
Схемата е наистина много проста и ясна, така че дори начинаещи могат да се справят с нейното изпълнение. Той осигурява серийно свързване на всички инсталирани радиатори. Това е идеална електрическа схема за отопление за малка частна къща. Например, ако това е едностайна или двустайна къща, тогава няма много смисъл да се "огражда" по-сложна двутръбна система.
Разглеждайки снимката на такава верига, можем да отбележим, че връщащата тръба е еднокомпонентна тук, тя не минава през радиаторите. Следователно такава схема е по-икономична по отношение на разхода на материали. Ако нямате допълнителни пари, такова оформление ще бъде най-оптималното за вас - ще спести пари и ще ви позволи да осигурите на къщата топлина.
Що се отнася до недостатъците, те са малко. Основният недостатък е, че последната батерия в къщата ще бъде по-студена от първата. Това се дължи на последователното преминаване на охлаждащата течност през батериите, където тя отделя натрупаната топлина в атмосферата. Друг недостатък на еднотръбната хоризонтална верига е, че ако една батерия се повреди, цялата система ще трябва да бъде изключена наведнъж.
Въпреки определени недостатъци, такава схема за отопление продължава да се използва в много малки частни къщи.
Характеристики на монтажа на еднотръбна хоризонтална система
Създавайки отопление на вода за частна къща със собствените си ръце, еднотръбна хоризонтална схема на окабеляване ще бъде най-лесната за изпълнение. По време на инсталационния процес е необходимо да се монтират отоплителните батерии и след това да се свържат с тръбни секции. След свързването на последния радиатор е необходимо да завъртите системата в обратна посока - желателно е изходната тръба да минава по противоположната стена.


Еднотръбна хоризонтална схема за отопление може да се използва и в двуетажни къщи, всеки етаж е свързан паралелно тук.
Колкото по-голям е вашият дом, толкова повече прозорци има и толкова повече радиатори има. Съответно, топлинните загуби също се увеличават, в резултат на което става значително по-хладно в последните стаи. Можете да компенсирате спада на температурата, като увеличите броя на секциите на последните радиатори. Но най-добре е да монтирате система с байпаси или с принудителна циркулация на охлаждащата течност - ще говорим за това малко по-късно.
Подобна схема за отопление може да се използва за отопление на двуетажни къщи. За това се създават две вериги радиатори (на първия и втория етаж), които са свързани паралелно една на друга. В тази схема на свързване на батерията има само една връщаща тръба, тя започва от последния радиатор на първия етаж. Там е свързана и връщаща тръба, спускаща се от втория етаж.
Инсталационни характеристики
Всяка радиална отоплителна система за жилище се проектира и инсталира индивидуално, в зависимост от площта на къщата, броя на стаите, избрания топлоносител и радиатори, както и други условия.
Има обаче общоприета инструкция, която всеки инсталатор следва.
На първо място, трябва да се отбележи, че радиалните тръбопроводи никога не се правят в градските апартаменти. Това се дължи на факта, че подаването на охлаждаща течност във високите сгради се извършва чрез вертикални щрангове, свързващи всички апартаменти - от първия етаж до последния.


Невъзможно е да се инсталира колектор в апартамент, тъй като горните етажи ще останат без отопление
В резултат на свързването на мощни колектори топлата вода няма да достигне до помещенията, разположени по-горе, което ще наруши работата на отоплителната мрежа. Жителите ще се оплакват от сервизната организация, която рано или късно ще ви принуди да демонтирате колекторите и да се върнете към системата за отопление на тройниците.
Забележка! Горното не се отнася за случаите, когато за отопление на апартамента се използва автономен котел. Той самостоятелно загрява охлаждащата течност, която ще бъде достатъчна, за да отговори на нуждите на дома, без да засяга интересите на съседите.
Когато организирате лъчисто отопление в частна къща, трябва да обърнете внимание на следните нюанси:
- На колекторите, които подават и източват вода за батериите, трябва да се монтират клапани, за да се предотврати образуването на въздушни брави. По време на работа целият въздух, останал в системата, ще изтече през тях навън.


На връщащите тръбопроводи трябва да се монтират клапани за изпускане на въздух.
- Отоплителният кръг трябва да бъде оборудван с разширителен резервоар, чийто обем е 10% от количеството топлоносител, циркулиращо през тръбите. Препоръчително е да купувате мембранни контейнери от затворен тип.
- Препоръчително е резервоарът да се монтира на тръбопровода, който свързва изходния колектор към котела. Това се дължи на факта, че запечатаният разширителен резервоар не обича турбулентните водни потоци и най-малко вероятно е те да се появят на връщащата линия.


На снимката - мембранен разширителен резервоар за отоплителна система
- За разлика от разширителния резервоар, местоположението на циркулационните помпи не е толкова важно. Но също така е препоръчително да ги свържете към тръба, която премахва охладената охлаждаща течност. В този случай оборудването ще работи за по-дълъг период от време.
- По време на монтажа трябва да се внимава валовете на електрическите помпи да са разположени строго хоризонтално. В противен случай поради изкривявания лагерите бързо ще се повредят и ще трябва да смените или поправите оборудването.
Лъчистата отоплителна система за двуетажна къща е най-добрият избор
В момента просто не е възможно да се намери по-ефективна и икономична система за подово отопление за двуетажни частни селски къщи, отколкото двутръбна гредова схема. След като сте избрали правилно оборудването, както и сте изчислили всички нюанси и сте извършили инсталацията, както се изисква от инструкциите, можете да осигурите комфорт и уют в къщата.
Важно е да се посочи фактът, че традиционните радиатори са основните отоплителни устройства в радиална двуконтурна система. Независимо от размера и материала (и може да бъде както от чугун, така и от алуминий), такива устройства трябва да бъдат инсталирани правилно:
Независимо от размера и материала (и може да бъде както от чугун, така и от алуминий), такива устройства трябва да бъдат инсталирани правилно:
- Отоплителните батерии трябва да се монтират само под отворите на прозорците;
- Всички отоплителни радиатори трябва да бъдат монтирани на една и съща височина;
- Ребрата на батерията са разположени само вертикално - в противен случай нормалната циркулация на охлаждащата течност ще бъде невъзможна;
- Задължително е да се осигури дренажна система, чрез която охлаждащата течност ще бъде заменена.


Двутръбна отоплителна система за къща с два етажа
Котелът също означава много (вижте как да изберете газов котел за отопление)
За нормалната работа на двуконтурната система е важно да изберете модерни и ефективни котли. Подобна техника (и дори оборудвана с автоматизация) ще направи възможно осигуряването на оптимално отопление на всяка стая на двуетажна къща, значително спестявайки гориво и финанси и получавайки топла вода
Отоплителната система на двуетажна сграда на двутръбен лъчист отоплителен кръг е не само доста ефективна и ефективна, но и взискателна за първото пускане в експлоатация.
Така например, преди да започнете директна работа, важно е правилно да балансирате системата, да регулирате потока на течността за всеки контур на захранващия и връщащия тръбопровод. Това е единственият начин за постигане на икономия на гориво, осигуряване на възможно най-високо ниво на отопление
Общи изисквания за монтиране на окабеляване на лъчи
С колекторно окабеляване, често срещан метод за полагане на тръби в пода в замазка, чиято дебелина е 50-80 мм. Шперплатът се полага отгоре, покрит с довършително подово покритие (паркет, линолеум). Тази дебелина на замазката е напълно достатъчна за свободното "монолиране" на вътрешното апартаментно (вътрешнофирмено) радиално разпределение на отоплителната система. Възможно е да се поставят тръби отвън по стените под декоративни первази, което неминуемо ще увеличи дължината на тръбопроводите. Известни варианти за полагане на тръби за гредово окабеляване в пространството на подгънатия (окачен) таван, в жлебовете.


Свързване на радиатори със схема колектор-лъч.
Използвани металопластикови или омрежени полиетиленови тръби (PEX-тръби), положени в гофрирана тръба или в топлоизолация. Тук тръбите PEX имат неоспоримо предимство. Според SNiP само постоянните фуги могат да бъдат „монолитни“ в бетон. Тръбите PEX се свързват посредством опънати фитинги, които са постоянни връзки. Усилените пластмасови тръби използват компресионни фитинги с съединителни гайки. „Монолизиране“ им означава нарушаване на SNiP. Всяка разглобяема тръбна връзка трябва да бъде достъпна за поддръжка (затягане).
Дори и без фитинги, не всяка металопластична тръба е уникално подходяща за полагане в подова замазка. Продуктите на производителите страдат от сериозен дефект: слоеве от алуминий и полиетилен се разслояват под въздействието на многократно променящата се температура на охлаждащата течност. В края на краищата металът и пластмасата имат различни коефициенти на обемно разширение. Следователно лепилото, което ги свързва, трябва да бъде:
- вътрешно здрави (сплотени);
- лепило за алуминий и полиетилен;
- гъвкав;
- еластична;
- топлоустойчив.
Тези изисквания не са изпълнени от всички лепила, дори и на известни европейски производители на металопластикови тръби, които се разслояват с течение на времето, вътрешният слой от полиетилен в такава тръба "се срутва", намалявайки напречното му сечение. Нормалната работа на системата е нарушена и е почти невъзможно да се намери мястото на неизправността - обикновено те "грешат" при неизправности на термостати, помпи и други продукти с движещи се части.
В светлината на горното препоръчваме на читателите да обърнат внимание на металопластичните тръби VALTEC, които използват американското лепило на концерна DSM, което осигурява здравината на връзката метал / пластмаса, сцеплението и пълното отсъствие на разслояване.
Модерни отоплителни системи
От времето на руската печка е минало доста време и въпреки че е идеален вариант за лъчисто отопление у дома. но понастоящем инсталирането му в градски апартамент е глупост.Но технологиите се развиват и всеки ден, така че всички отоплителни системи, включително лъчистите, инсталирани както в частни къщи, така и в апартаменти, са най-вече най-модерните и адаптирани към нуждите на всеки човек.
Отоплителните системи, на първо място, са разделени според начина, по който тръбите се подават от колектора към радиаторите. Това са няколко типа системи, като;
- Еднотръбна;
- Двутръбна;
- Лъч;
Принципът на лъчистото отопление е, че окабеляването от колектора, основния разпределител на охлаждащата течност, е предназначено за всеки радиатор поотделно. Това е най-значимият плюс в тази система - радиаторите могат да се включват и изключват, поотделно или като група.
Освен това вентилът за подаване на топлина може да се регулира. Например, ако кухнята не изисква такова количество топлинно излъчване, поради работата на домакински уреди, които служат като допълнителен източник на топлина, тогава вентилът може да се завинтва. Това може да се направи, така че топлината да тече в кухнята, но не в същото количество, както в другите стаи. Същото може да се направи и с онези помещения, които не се използват по предназначение, но те трябва да се поддържат топли. Чрез регулиране на подаването на топлина се увеличава и икономията на гориво. и поради това показанията на топломера също са приятни.
Система за подово отопление
Както мнозина може би са забелязали, лъчиста отоплителна система е монтирана на същия принцип като водния под. На теория е възможно да се свърже топъл под с радиатори чрез един гребен. Този метод ще бъде особено търсен от тези, които искат да инсталират подово отопление в някои стаи и радиатори в други.
Ако изградите лъчиста система с подово отопление, тя ще работи. Но имайте предвид, че подовото отопление е нискотемпературна система, а радиаторите са високотемпературна система.
Ако не мислите за контрол на температурата, тогава в единия случай ще бъде горещо с топли подове в стаята, в другия случай ще бъде студено с радиатори. Имайте това предвид.
Има още едно странично положително свойство на отоплителната система на колектора. А именно, удобен топъл под. Факт е, че когато се монтират лъчисти отоплителни системи, разпределителят се монтира по-близо до щранговете или центъра на помещението. В този случай тръбопроводите от разпределителя до радиатора в 99 процента от случаите преминават през коридори, влизат в стаите през врати.
Да, тръбите в този случай са изолирани с тръбна изолация в един слой. Но много монтажници знаят, че изолацията от 6-9 мм позволява да преминат до 30 процента от топлината.
Ето защо там, където преминават тръбите на лъчистата отоплителна система на къщата, подовете не са студени, а комфортно топли. С една отоплителна система хващаме две птици с един камък. Получаваме надеждна отоплителна система без фуги в строителните конструкции и удобни топли подове.
Как се отоплява многоетажна сграда?
- Принципът на работа на асансьорната единица
- Относно отоплителната система на многоетажна сграда
Отоплителната система на многоетажна сграда е от особен интерес, може да се разгледа на примера на стандартна пететажна сграда. Необходимо е да се разбере как функционират отоплението и водоснабдяването в такава къща.


Схема за отопление на двуетажна къща.
Пететажната сграда е с централно отопление. къщата има отоплителна мрежа, има клапи за вода, може да има няколко отоплителни тела.
В повечето домове отоплителният блок е заключен, за да се постигне сигурност. Въпреки факта, че всичко това може да изглежда много сложно, отоплителната система може да бъде описана с прости думи. Най-лесният начин е да вземем за пример пететажна сграда.
Схемата за отопление на къщата е следната. След водните клапани има кални уловители (може да има един уловител на кал). Ако отоплителната система е отворена, след клапаните за кал, клапаните са разположени през връзките, които стоят от обработката и подаването.Отоплителната система е направена по такъв начин, че водата, в зависимост от обстоятелствата, не може да бъде взета от задната страна на къщата или от захранването. Работата е там, че системата за централно отопление на жилищен блок работи на вода, която е прегрята, водата се подава от котелно помещение или от ТЕЦ, налягането му е от 6 до 10 Kgf, а температурата на водата достига 1500 ° C . Водата е в течно състояние дори при много студено време поради повишеното налягане, така че не кипи в тръбопровода с образуването на пара.
Когато температурата е толкова висока, захранването с топла вода се включва от задната страна на сградата, където температурата на водата не надвишава 700 ° C. Ако температурата на охлаждащата течност е ниска (това се случва през пролетта и есента), тогава такава температура не може да бъде достатъчна за нормалното функциониране на БГВ, тогава водата за БГВ идва от подаването към сградата.
Сега можете да разглобите отворената отоплителна система на такава къща (това се нарича отворен прием на вода), тази схема е една от най-често срещаните.
Анализ на аргументите "за" и "против"
Нека започнем с минусите. В допълнение към разхода на материал, който оказва влияние върху цената на проекта, има нужда от инсталиране на колекторен шкаф, който ще изисква допълнително пространство.
Тук свършват недостатъците на лъчевата система и започва редица предимства:
- опростен дизайн и монтаж, в системата се използват тръби със същия диаметър;
- при скрит монтаж няма връзки в стените и пода;
- висока скорост на монтаж поради минималния брой връзки;
- разширяване на функционалността чрез инсталиране на клапани, сензори, вентилационни отвори и термоглави за автоматизиране на работата на отоплителната система;
- контрол на температурата във всяка отделна стая с помощта на механични елементи или автоматика;
- възможността да се отреже всеки радиатор, без да се спира процесът на отопление;
- равномерно отопление на всички помещения.
Външният контролен панел ви позволява да програмирате работата на отоплението, включително автоматично регулиране в зависимост от метеорологичните условия навън. Благодарение на инсталираните сензори, всички обитатели могат да задават всякакви параметри, които са удобни за тях, намирайки се в определена стая.


Излъчващата система е материално скъпа по отношение на изпълнението, но изпреварва всички останали възможности по отношение на гъвкавостта на настройките и осигуряването на ефективността на цялото отопление
По този начин радиалното разположение на окабеляването ви позволява да постигнете висока управляемост на отоплителната система и да постигнете оптимален дебит на охлаждащата течност.
Видове лъчиста отоплителна система
Визуална схема на отоплителна система в частна къща.
Лъчиста отоплителна система в частна къща може да бъде инсталирана както с принудителна, така и с естествена циркулация на топлоносителя. В момента системата за естествена циркулация се използва много рядко, тъй като изисква използването на тръби с много голям диаметър, което не е много удобно за частна къща. В допълнение, тази система е оборудвана с разширителен резервоар, чието инсталиране е необходимо в най-високата точка на двуетажна къща, което отново не е много удобно. Но в същото време лъчиста отоплителна система с естествена циркулация ще помогне да се спести инсталация, тъй като не се нуждае от допълнително скъпо оборудване (помпи, температурни сензори, отвори за въздух и др.).
Колекторната отоплителна система с принудителна циркулация е най-широко използвана; нейното основно предимство е изкуствената циркулация на топлината през тръбите. За тези цели в захранващата или връщащата линия е инсталирана специална помпа. Принудителната циркулация позволява да се намали температурната разлика между входа и изхода на водата, а също така опростява самата отоплителна система, което я прави по-компактна и помага да се избегнат ненужни загуби на материали.Тази отоплителна система е абсолютно независима от проекта на къщата и местоположението на отопляемите помещения в нея. Хидравличното съпротивление на тръбопровода и дължината на клоните не играят специална роля. И благодарение на инсталирането на съвременни автоматични устройства, можете да променяте температурата в зависимост от метеорологичните условия и индивидуалните желания на жителите. Всички тези предимства правят тази система универсална.
Избор на тръби за отоплителната система
Най-често за инсталиране на отоплителни системи в двуетажни къщи са металопластикови тръби. Това се дължи главно на факта, че върху продуктите от полимерни материали не се отлага утайка и те са устойчиви на корозия. Доста ниска цена е друго предимство на металопластичните тръби. Всички връзки се извършват без използване на заваряване с помощта на резбови или пресови връзки, което максимално улеснява монтажа. Независимо от това, такива тръби имат един недостатък - висок коефициент на топлинно разширение, който, ако се използва неправилно, може да доведе до течове.
Плюсове и минуси на лъчиста отоплителна система
Недостатъците на радиалното отопление в къщата включват:
- голям брой материали и в резултат на това по-висока цена;
- необходимостта от специално място за колекторния блок.
Предимствата на лъчевата система са:
лекота на монтаж поради малкия брой свързващи елементи; скрито полагане на тръби в пода; хидравлична стабилност, което е особено важно при използване на внос санитарен фаянс; възможност за изключване на всеки радиатор поотделно, докато всички останали работят както обикновено; контрол на температурата във всяка отделна стая; балансирана система, всички помещения се отопляват равномерно.
При разработването на проект за лъчиста отоплителна система е необходимо да се детайлизира възможно най-много, това значително ще опрости инсталацията и ще помогне да се избегнат проблеми в бъдеще. Трябва също така да се отбележи, че действителните разходи винаги ще надвишават планираните, това трябва да се вземе предвид при съставянето на сметката. Но въпреки всичко лъчистата отоплителна система е високоефективна и способна да създаде максимален комфорт в жилищното пространство.
Плюсове и минуси на гредовата система
Най-добре е да претеглите всички плюсове и минуси, преди да инсталирате отоплителната система и да решите предварително коя система ще ви подхожда най-добре. Разбира се, лъчевата система има свои собствени характеристики, които също трябва да бъдат взети под внимание.
Предимства на лъчевата система
Но всичко по-горе губи значението си на фона на общите достойнства на отоплителната система от лъчист тип. За много кратък период от време, правилно проектирана и инсталирана лъчева система:
- Той ще се изплати с лихва. Освен това все още има много полезни и удобни функции;
- Когато се използва лъчиста отоплителна система, е възможно да се разграничи подходът към отоплението във всяка стая. Този подход ви позволява по-ефективно да разпределяте топлината във вашия дом, което води до много големи икономии на енергия;
- Тази система е удобна и с това, че по време на нейния ремонт можете да получите безпрепятствен достъп до тръбните връзки, което ускорява идентифицирането на проблемите и тяхното отстраняване;
- В традиционната отоплителна система не е много лесно да се скрият тръбите. Гредовата система позволява тръбите да бъдат скрити от погледа или в стени, или под подове. Ако тази система е инсталирана правилно, тогава никакви възли и окабеляване няма да бъдат забележими;
- Правилното радиално разположение ви позволява ефективно да разпределяте топлината по цялата площ на вашия дом.
Недостатъци на лъчевата система
- Тази система може би има само един недостатък - тя е по-голям брой елементи в нейния дизайн. По-специално - тръби. Също така използва повече фитинги;
- Големият брой елементи в дадена система може да увеличи разходите за ремонт.Конвенционалната отоплителна система има по-ниски прогнозни разходи и е по-евтина за ремонт.
Лъчистата отоплителна система на частна къща изисква по-правилен подход при свързване на всички отоплителни устройства, тъй като нарушаването на правилата за свързване е изпълнено с чести повреди на системата като цяло.
Разновидности на окабеляване на лъчи
Метод 1. С принудителна циркулация на водата
Преди това радиална отоплителна система, оборудвана с помпи, които изпомпват вода, не беше много популярна поради високата цена на частите. Но сега цената на оборудването е спаднала значително и все повече хора го избират.
Основната разлика от гравитационната схема е, че течността (вода или антифриз) тече от котела към батериите и обратно не поради разликата в температурата и налягането, а с помощта на помпи.
Това постига следните предимства:
- няма ограничение за геометрия и брой стаи в жилищното строителство;
- отоплението може да бъде инсталирано във всяка зона на помещенията;
- за свързване на радиатори и колектори могат да се използват тръби с всякаква дължина, положени без наклон.


Един от елементите на радиална отоплителна система с принудителна циркулация е помпа
Съвет! Въпреки факта, че циркулационната помпа може да бъде инсталирана във всяка точка на системата, препоръчително е да направите това на връщащия колектор преди подаване на охлаждащата течност към котела. Там температурата на течността е най-ниската, което има положителен ефект върху експлоатационния живот на оборудването.
Метод 2. С естествена циркулация на водата
В този случай охлаждащата течност се движи поради гравитацията: нагрятата вода става по-малко плътна и по-лека, поради което тя се измества до горната точка на системата, след което, когато се охлажда, тече през колекторите и радиаторите и след това се връща към нагревателя.
Системата за гравитационно отопление има следните характеристики:
- Инсталирането изисква отворен разширителен съд в най-високата точка. Той компенсира топлинното разширение на охлаждащата течност и предотвратява увеличаването на вътрешното налягане в тръбопроводите.
- Излъчващата отоплителна мрежа с естествена циркулация не изисква инсталиране на скъпо електрическо оборудване, което значително намалява очакваните разходи за работа.
- Нагряването с естествена циркулация е напълно нелетливо. Дори при прекъсване на електрозахранването, което често се случва в летните вили или в селските райони, няма да останете без топлина.
Гравитационната отоплителна система не използва помпи
Разпределение на радиационната тръба
Колекторната (радиална) отоплителна система има своите положителни аспекти, като простота и стабилност на работата. Когато има възможност да го приложите, тогава експертите отдават предпочитание точно на такова разположение на тръбите без колебание.
Каква е схемата на лъча
В колекторната верига всеки радиатор е свързан с дълги тръбопроводи към един разпределителен колектор - оттук и името на системата.
Произходът на второто име "лъч" - дълги греди от тръби, разминаващи се от един център в различни посоки към радиаторите.
Самият колектор е свързан директно към котела, към електрическата мрежа.
В най-простите системи (до 4 радиатора) колекторът може да бъде заменен с няколко тройници, лежащи върху основата (в топлоизолатор), а балансирането може да се извърши върху радиатори, които могат да бъдат с различен дизайн и да се свързват по различни начини.


Как се прави балансирането
Балансиращите кранове се инсталират по-често на колектора - с тяхна помощ се регулира дебитът на охлаждащата течност, така че температурата на радиаторите да е приблизително еднаква.
Ако гредите са с приблизително еднаква дължина, балансирането изобщо не е необходимо.Със значителна разлика в дължината на връзките, такива клапани се поставят на най-късите разклонения, така че да е възможно да се повиши тяхното хидравлично съпротивление и по този начин да се изравни дебитът на всички устройства.
На самите радиатори с автоматизиран котел е възможно да се монтират термични глави - регулатори, които автоматично поддържат желаната температура в помещението, което е удобно за потребителите.
С котел без автоматизация такова оборудване, което независимо блокира движението на охлаждащата течност, не може да бъде инсталирано в системата.
Освен това на радиаторите са монтирани спирателни кранове, които осигуряват възможност за ремонт. Същите клапани са монтирани на колектора, ако не са монтирани балансиращи клапани.
Схема на свързване на колектор за 3 радиатора към отоплителната система, радиатори от различен тип ...


Къде може да се приложи лъчевата схема?
Обхватът на схемата на лъча е ограничен. Трябва да бъдат изпълнени следните условия.
- Възможност за полагане на тръбопроводи под пода или под обшивката на тавана (за втория етаж). Системата се прави на етапа на строителство или основен ремонт, преди зашиването (запълването) на подовете.


- Възможността за инсталиране на колектор в централната част на къщата. Ако разликата в дължините на връзките е повече от 3 пъти, тогава балансирането също трябва да бъде много дълбоко. Това води до общо увеличаване на хидравличното съпротивление на системата, прекомерен разход на електроенергия и инсталиране на по-мощни помпи. В такива случаи е по-изгодно да се откаже от схемата на лъча.
Но често се среща ситуацията, когато е възможно да се положат тръби под пода и да се монтира колектор в центъра. Поради това често се използва колекторната верига.


Подовите конвектори обикновено са радиално свързани. Повече за устройствата за подово отопление
Решете за вида на радиаторите
Естетично приятно е помещение, в което радиаторите са свързани отдолу и тръбите са скрити под пода. Но в същото време трябва да вземете решение за вида на радиаторите и свързващия блок. Опцията, препоръчана от специалистите, е сложни радиатори с долна връзка и вградена горна термична глава. Но това са скъпи опции.


Възможно е да се достави „нормален“ радиатор с различни точки на свързване.


Има свързващи възли с долна термична глава, опции с горен регулатор. Може да се използва без термоглава, но със спирателни (балансиращи) клапани. В схемата на лъча минимализмът е приемлив и ефективен - само свързващият блок е на радиатора, а балансиращите кранове са на колектора.


Друга възможност са конвенционалните радиатори, свързани диагонално (захранване отгоре, връщане отдолу) с конвенционални тръбопроводи с кранове и термична глава.
Какви тръби и фитинги се използват
Под пода трябва да са само твърди парчета тръби. За полагане могат да се използват металопластични тръби, доставени в намотки, както и полимерни многослойни PEX и PERT с кислородна бариера. Но експертите са единодушни, че металопластиката с алуминиев слой е най-надеждната опция както по отношение на якостта, така и на устойчивостта на проникване на кислород.
За да няма големи остатъци от заливите, препоръчително е предварително да се изчислят всички дължини на магистралите, след което да се вземат заливите в магазина. Покупката на заливи от 50 метра по правило води до допълнителни разходи.


Възможно е да оставите под обшивката само кримпващи тройници за метал-пластмаса, които експертите наричат "вечни". Не се допуска директно свързване на тръби.


Приложими диаметри
Като правило, система, която включва до 5 радиатора, е свързана от котела (от разклонителната линия) с диаметър 20 mm за металопластика. Ако има 5 или повече радиатори, тогава ще са необходими 26 mm (32 за полипропилен), но площта, отопляема от колектора, не трябва да надвишава 120 - 150 квадратни метра.
Ако площта е повече от 120 квадратни метра, тогава най-вероятно ще ви трябват големи диаметри на колекторната връзка, но това вече се анализира от специалисти, правят се изчисления.
Всеки радиатор от колектора е свързан с 16 мм металопластикови тръби, като правило. В някои случаи, когато дължините на гредите са повече от 40 метра, се препоръчва да се направят с диаметър 20 mm, за да се намали общото хидравлично съпротивление.
Например, хидравлична схема на свързване за колекторна система. Приложени 26 mm (от котела), 20 mm за колектора, 16 mm за радиатора.


Инсталационни характеристики
Скритото полагане на тръби води до задължително допълнително условие - тяхната топлоизолация. Отоплителните кабели могат да се нагреят до +80 и +90 градуса C. Въздействието на такива температури както върху дървените елементи, така и върху замазката не е желателно. Трябва да се инсталира топлоизолационна преграда, за да се намали скоростта на топлопреминаване, така че да има време да се разсее от конструкцията. В продажба можете да намерите специални капаци от разпенен полиетилен за скрито полагане на тръби.


За монтажа на металопластика се изискват определени умения. Изключително важно е да се подготви правилно краят на тръбата с калибратори, преди да се монтира върху уплътнението на фитинга. Като правило се използват кримпващи (по-надеждни) фитинги, свързването на греди с фитинги на радиатори и колектори не е сгъваемо.


Процедурата за монтиране на лъчевата схема
Първо, радиаторите са инсталирани във всички стаи. Тяхното положение, като правило, на едно и също ниво се проверява с ниво (ниво на водата). Наклон - кота към крана на Маевски или хоризонтално. Мощността на устройствата се избира според топлинните загуби - как да изберем радиаторите според мощността На радиаторите са монтирани щепсели, които свързват възлите (долна връзка) на термичната глава, кранове, към които се намират преходните фитинги за метал -пластмасови са свързани.
Колекторната кутия е монтирана и колекторът е монтиран. Обикновено се избират най-простите и най-евтините разпределители, оборудвани със спирателни (сферични) кранове с 16 mm изходи и 3/4 връзка. Изображението показва колектор в комплект с отвори за въздух и манометър.


На колектора са монтирани фитинги за металопластика - американски.


Връзката на самия колектор към котела (към тройниците на тръбопровода от котела) може да бъде скрита под пода или по стените. След това колекторът е свързан с двойка греди - "подаване и връщане" 16 mm с всеки нагревател.


За самоинсталация, когато не е възможно да се използват клещи за кримпване и съответно кримпване на фитинги, можете също да инсталирате компресионни фитинги, докато самата инсталация се извършва с обикновени ключове. Използването на такива фитинги в тази система е възможно, тъй като те са отворени за контрол и са на разположение.
Характеристики и елементи на оформлението на лъча
Подходяща е най-оптималната отоплителна система, използваща радиация, особено за жилищни сгради или частни къщи с повече от един етаж и много стаи. Това значително увеличава ефективността на работата на цялото оборудване като цяло, гарантира висококачествено топлоснабдяване и значително намалява количеството топлина и енергийни показатели.
Принципът на действие на лъчистата отоплителна система е доста прост, но има някои особености. Например, ако сградата има няколко етажа, тогава се предполага инсталирането на колектор на всеки етаж. Освен това в много случаи са инсталирани не един, а няколко колектора и тръбопроводите вече са от тях, както и организацията на директно и обратно подаване на охлаждащата течност. Също така си струва да се отбележи фактът, че лъчистото отопление на къща работи ефективно само ако къщата е добре изолирана. поради което се получават най-малките загуби на топлина. Ако къщата е изолирана отвътре. и отвън - няма да има проблеми с отоплението на принципа на инфрачервеното лъчение.Ако, напротив, цялата топлина ще отиде за отопление на стени, прозорци, подове и т.н.
Но само по себе си лъчистата отоплителна система е сложен дизайн. комбиниране на основни и допълнителни елементи, необходими за висококачествена работа. Това може да включва;
- Котел. което е почти основният елемент. Именно от него се подава топлина към тръбите, а през тръбите към радиаторите.
- Кръгова помпа. което създава определено налягане в тръбите, с помощта на което охлаждащата течност циркулира и се поддържа оптималната комфортна температура в помещенията. Той също така гарантира ефективната работа на цялата отоплителна система;
- Колекторът (или по друг начин - гребенът) е друг най-важен елемент в лъчистата отоплителна система. Той е като че ли централен и именно от него идва равномерното подаване и разпределение на топлината във всички помещения на къщата;
- Шкаф. където всички нагревателни елементи трябва да бъдат скрити. Шкафът на колектора скрива самия разпределителен колектор. тръби и клапани. Това е доста прост дизайн, но много функционален и практичен. Те могат да бъдат разположени както отвън, така и вградени в стената;
Разлики от двутръбна система


Двутръбна отоплителна система
Автономните отоплителни системи стават все по-популярни сред хората. Те имат много всякакви опции за окабеляване. Доскоро се използваха конвенционални автономни отоплителни системи, но напоследък те бяха заменени от лъчисти системи. Наричани са още популярно колекционер. Името говори само за себе си, тъй като поотделно всеки радиатор е свързан директно към колектора, който разпределя охлаждащата течност. С тази връзка на радиаторите - те са напълно независими един от друг. В лъчиста отоплителна система могат да се използват и други отоплителни устройства, които също не зависят от радиаторите в тази система. Тук радиаторите са свързани паралелно с колектора. Като правило колекторът е монтиран някъде в отдалечена част на стаята, или се крие в стена, или в специален шкаф. Колекторът понякога е доста голям. Всичко зависи от площта на отопляемото помещение. Лъчевата система улеснява ремонта на счупен радиатор, без да спира цялата система. Радиаторът, който се нуждае от ремонт, трябва просто да бъде изключен от отоплителната система и демонтиран.
В конвенционалната отоплителна система се използва двутръбна система. Нарича се още тройник. За инсталирането на тази схема на автономно отопление са необходими много по-малко тръби, отколкото за радиални. Но допълнителните разходи на тръбите в лъчевата система са повече от компенсирани от икономии на енергия. Излъчващата отоплителна система най-ясно разкрива своя икономически ефект в жилищни помещения с голяма площ, особено в многоетажни частни сгради.
Каква е разликата между кабелното окачване и радиалното
Подобна инсталация е доста сложна, което увеличава риска от повреди в случай на грешки при монтажа или внезапно спадане на налягането в отоплителната система.
Разположение на лъча
Лъчиста отоплителна система включва полагане на тръби от всеки радиатор до специално разпределително устройство - колектор или, както се нарича още, гребен. Естествено, дебитът на тръбите тук се увеличава значително. В допълнение към тръбите, всеки радиатор ще се нуждае от собствени спирателни кранове - клапани, термостати, тройници и други малки части, а някои от тях трябва да бъдат инсталирани на двете тръби - захранване и връщане.
Но въпреки голямата консумация на компоненти, такава система дава възможност, в случай на авария, бързо да изключите всеки радиатор, група, отделна стая или цял под. Отоплителната система може да продължи да работи и да отоплява помещенията през това време.
В допълнение, при радиално прокарване тръбите обикновено са скрити под подовото покритие, независимо от неговия материал.
Това дава допълнителен шанс да направите пода топъл, което е толкова важно в къщи, където мазето не е изолирано. Тръба от едно парче, без фуги, изработена от омрежен полиетилен и положена под пода, елиминира риска от течове, а всички ремонти, ако е необходимо, се извършват директно на връзките на радиатора или в колектора
Коментари (1)
25 януари 2016 г.
Автор: Мария
За първи път чувам за лъчевата система. Всъщност е трудно. И ако една от тръбите се напука? Иди и я потърси по-късно.
Отговор
30 януари 2016 г.
Автор: Wad
Такава система не е проста.Методът на лъча ми се струва не печеливш, особено за тези апартаменти, където трябва да отделите много усилия за обновяване. Определено бих отказал подобно начинание.
Отговор
08 февруари 2016 г.
Автор: Алексей
Може би предимството на такава система е лекотата на използване, но инсталирането е твърде сложно. Мисля, че за такава работа са необходими доказани специалисти, в противен случай ще се измъчите по-късно, за да коригирате недостатъците.
Отговор
13 февруари 2016 г.
Автор: Арчи
Мария, всъщност никой не е имунизиран от това, всичко, което можете да си купите, са наистина надеждни материали, без да пестите пари за себе си! но приятелят ми е спестил толкова много от отопление до момента, все още го разхлабва.
Отговор
21 март 2016 г.
Автор: Таня
Всъщност отоплението не е толкова лесно. Най-добре е да се вземат само висококачествени материали, за да не се плащат много пари за допълнителни ремонти, но за гредовия чувам за първи път. Modet всъщност се опитайте да го направите сами. Плащаме много за отопление много, може би това ще помогне да спестим парите си. Да го направите по този принцип, но малко по-лесно.
Отговор
02 април 2016
Автор: Инна
Хайде тази лъчева система. Не виждам причина да променя всичко само защото е по-изгодно. Нашата система е напълно подходяща за мен. Всичко е просто, без никакви проблеми. И след това отново да извършите ремонта. Не е изгодно.
Отговор


















