Дълга история
Финландската компания Harvia е основана в средата на миналия век и оттогава повече от 60 години произвежда дървесина сауна печки Harviaизвестни с превъзходното си качество, издръжливост и стилен дизайн. Безопасните и удобни дизайни на Harvija ви позволяват да създадете истинска финландска сауна, където пожелаете.
Разпознаваем стил, отлично качество и надеждност отличават всички продукти на финландския производител. Печките за сауна Harvia са чудесен начин да оцените полезното въздействие на истинската финландска сауна върху човешкото тяло: в крайна сметка не е тайна, че нежната топлина на сауната е много полезна за профилактика на много заболявания и общо здраве.
Ползите от Harvia
Фурните Harvia са лидери на пазара и имат свои собствени дизайнерски характеристики. Основните предимства на тези отоплителни устройства включват:
- за производството на фински печки за сауни Harvia се използват само високотехнологични сплави, които съдържат много хром;
- пещите са изработени от стомана, която е изключително издръжлива;
- през целия оперативен период отличният външен вид не се губи;
- трайност;
- всеки клиент може да избере за себе си камина с корпус от неръждаема стомана или тяло, боядисано в желания цвят. За боядисване се използва висококачествена боя, която служи и като защита на повърхността от различни външни влияния;
- брикетите от торф или дърва за огрев ще служат като гориво, чиято консумация може да бъде спестена чрез специална система за циркулация на въздуха;
- фурните са безопасни за използване. Нагряването не причинява изгаряния на кожата и дихателните пътища. Получава се идеален климат за всички процедури в сауната;
- стомана с висока якост се използва за производство на комини;
- процесът на изгаряне на горивото се контролира от наличието на чугунени врати с топлоустойчиви стъклени прозорци;
- абсолютно всички продукти са сертифицирани и подлежат на задължителен контрол за спазване на необходимите изисквания;
- за всеки дизайн можете да изберете модел с подходящ външен вид;
- в сравнение с други компании, Harvia предоставя гаранция за продукт за 2-3 пъти по-дълъг период.
За всяка баня печката е нейният централен елемент и е нейното „сърце“ в цялата конструкция. За да бъде почивката във ваната спокойна и удобна, печката трябва да е с високо качество, тъй като пряко влияе върху създадената атмосфера. Най-добрият вариант за едно незабравимо преживяване е печката за сауна Harvia.
Защо печка за сауна Harvia?
Предимствата, които всеки модел на Harvia има, са очевидни: тези конструкции са изненадващо издръжливи, бързо се загряват и задържат топлина за дълго време, което спестява гориво. Те също са лесни за инсталиране и използване и при тяхното производство се използват само висококачествени и нетоксични материали. Внимателно обмислен дизайн и оригинални технологии осигуряват оптимална работа на нагревателите: те не прегряват и в същото време не се охлаждат преди време, поддържайки желаната температура в парната баня. В допълнение, идеалната циркулация на въздуха в печките прави микроклимата в сауната възможно най-удобен за човек. Широка гама от модели ще позволи на всеки купувач да избере точно това, от което се нуждае.
Някои хора ще харесат скромните размери и мощност на дървените пещи Harvia за изгаряне на дърва, които придават неописуем чар на домашната сауна, докато други ще изберат нагревател за тежък режим за отопление на голяма и просторна обществена сауна. Широкият ценови диапазон прави оборудването на Harvia достъпно за всеки портфейл.
Невъзможно е да не споменем външния вид на оборудването на Харви. Дизайнерите на компанията справедливо се гордеят със своите разработки: печките изглеждат много привлекателни благодарение на елегантния си дизайн. В същото време външната красота на това оборудване се комбинира успешно с тяхната функционалност. И благодарение на обработката на някои модели фурни Harvia със специална огнеупорна боя, те запазват страхотния си вид дълги години след покупката.
Настолен електрически нагревател за сауна Harvia Profi L20 (18-30 m3, 20 kW) (без контролен панел)
Производител: Харвия, Финландия
Модел: Profi L20
Код на продавача: HRL200400
Настолен електрически нагревател за сауна Harvia Profi L20 (18-30 m3, 20 kW) (без контролен панел) - предназначени за монтаж в големи сауни. Нагревателят е подходящ както за семейни, така и за обществени сауни. Мощността на печката позволява да се инсталира в големи сауни на скъпи хотели, фитнес клубове, спа центрове, курорти и здравни центрове. Нагревателят загрява цялата парна баня бързо и равномерно. Този модел е предназначен за интензивна употреба, което позволява на печката да отоплява парна баня с обем до 30 м3 през целия ден.
Нагревателят се управлява от дистанционното управление Harvia C-260 (закупува се отделно), което се състои от блок за управление, захранващ блок и термостат. Дистанционното управление е инсталирано на сухо място извън парната баня (например в съблекалнята). Към контролния панел е свързан температурен сензор, с помощта на който в сауната се поддържа избраната температура.
Сензорът и устройството за защита от прегряване се намират в специална кутия, която е инсталирана над нагревателя. Ако температурата в сауната се повиши твърде висока, предпазителят се задейства и нагревателните елементи автоматично се изключват. Основните причини за прегряване са: твърде плътно натъпкани камъни, неправилен монтаж на печката, лоша вентилация.
Фурната се включва с натискане на бутона на контролния панел. След това нагревателят ще работи за програмираното от вас време и след това автоматично ще се изключи (ако не се изключи ръчно по-рано). Възможно е и забавено стартиране на включването на пещта. Това означава, че фурната ще започне да работи сама след определеното от вас време. Например, ако отидете на тричасова разходка и искате да вземете парна баня след нея, трябва да изберете режима "отложен старт" и да зададете числото "2" на дисплея. Това означава, че след два часа нагревателят автоматично ще се включи и ще започне да се загрява. Времето за отопление на сауната е приблизително един час. Така сауната ще бъде готова за пара след три часа.
Печката е фиксирана към пода с два крака. Тъй като нагревателят на сауната се нагрява много по време на работа, препоръчително е да се използва защитна ограда, за да се избегне случаен контакт с горещи повърхности. Този модел не е предназначен за монтаж в ниша.
Спецификации електрическа фурна Harvia Profi L20:
| Име на параметър | Единици | Стойност на параметъра |
| Тип пещ | — | електрически |
| Дистанционно | — | дистанционно (C-260) |
| Размер на парна баня | м3 | 18-30 |
| Минималната височина на парната баня | mm | 2100 |
| Мощност | kw | 20 |
| Групова мощност (група I / II) | kw | 10 |
| Волтаж | AT | 400V 3N ~ |
| Напречно сечение на свързващия кабел | mm2 | 5×2,5 |
| Напречно сечение на нагревателния кабел | mm2 | 5×2,5 |
| Напречно сечение на кабела към контролния панел | mm2 | 5×10,0 |
| Напречно сечение на кабела към сензора | mm2 | 4×0,25 |
| Общи предпазители | НО | 3×35 |
| Предпазители (група I / II) | НО | 3×16 |
| Тегло на камъните | Килограма | 100 |
| Тегло на пещта | Килограма | 60 |
| Размери (ширина х дълбочина х височина) | mm | 500x900x730 |
Схема на контролния панел Harvia C-260 за печка Harvia Profi L20:

1. Главен превключвател 2. Седмичен таймер 3. Ръчен бутон 4. Дисплей 5. Температурен регулатор 6. Сигнална лампа (температура на сауната) 7. Сигнална лампа (време за включване) 8. Сигнална лампа (фурна включена)
Минимални безопасни разстояния при инсталиране на печката Harvia Profi L20:


Размери A мин.: 160 mm
Детайлизиране електрически фурни Harvia Profi L20:


1-12. Нагревателен елемент - ZSK-732 (1750 W, 240 V)
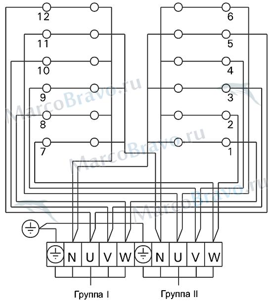
Схема на свързване на фурна Harvia Profi L20:


Диаграма на циркулацията на въздуха в парната по време на работа на печката Harvia Profi L20:


1. Вход за въздух. 2. Вариант на въздушния отвор с механична вентилация. 3. Изход за въздух. 4. Допълнителна вентилация за сушене (не работи по време на отопление и работа на сауна). 5. Ако вентилационният отвор се намира в банята, пространството между вратата и пода трябва да бъде най-малко 5 см. Необходима е принудителна (механична) вентилация.
Пример за правилното поставяне на камъни в електрическа фурна Harvia Profi L20:


За печката са подходящи камъни с диаметър 4-8 см. В печката могат да се поставят само камъни, специално проектирани за тази цел. В този случай камъните трябва изцяло да покриват нагревателните елементи, но без да създават пързалки. Камъните са подредени спретнато и не много плътно, за да не пречат на циркулацията на въздуха във фурната. Ако между нагревателните елементи не се побират големи камъни, не използвайте сила, за да ги притискате. Не трябва да се използват леки, порести и керамични камъни със същия размер. Забранено е включването на печката без камъни. Това може да доведе до пожар.
Серията Legend е легендата на пазара на печки за сауни!
Компанията Harvia произвежда печки на дърва за бани и електрически печки, както и различно оборудване: парогенератори, камини, комини и др. Но това беше печка за сауна от дърва от висок клас като Harvia Legend, която донесе на финландския производител истинската слава. И това не е изненадващо, тъй като фурната Harvia Legend е не само изключително атрактивна на външен вид, но и икономична, удобна за използване и екологична. Посещението на сауна, оборудвана с такова оборудване, оставя незабравими спомени.
Печки за изгаряне на дърва Harvia
Печката на дърва Harvia Legend е мрежеста печка, отличителна черта на която е наличието на голям обем камъни, способни да излъчват по-мека топлина. Такава печка е идеална за сауни, където през лятото необходимата температура се генерира за един до два часа.
Производителят е известен именно с факта, че неговите модели имат такъв дизайн, който позволява да се постигнат отлични показатели за въздушния поток. Поради това мнозина се оплакват - казват, че фурната се загрява твърде бързо, като по този начин изсушава въздуха. Фурната обаче е създадена за такива цели.
Ако ще инсталирате дървена печка harvia за баня, по-точно за руска баня, тогава не можете да направите без изграждането на тухлен екран за омекотяване и натрупване на топлина. За да ускорите процеса на нагряване на камъни, можете да използвате груба фракция, която ги разпространява рядко, позволявайки на въздушните потоци да циркулират свободно.


Хората, които разбират тънкостите на руската баня, съветват, когато полагате камъни в някой от моделите на печки Harvia (Legend 240 Duo, Legend 300, Legend 150), да поставят стоманени тръби за захранване на горещи камъни с вода. Така парата ще бъде достатъчно лека и топла. Ако нанесете вода върху камъните по обичайния начин, тогава получената пара ще излезе тежка и мокра. Ситуацията ще бъде частично подобрена чрез подаване на вода към мрежата отстрани - благодарение на малък слой камъни, парата се отделя върху сушата.
Печката на дърва Harvia се произвежда в няколко варианта за парни бани с различни вътрешни обеми. Всички модификации са оборудвани с дистанционна камина, изработена от топлоустойчиви стомани и имат защитно покритие под формата на дебел слой боя. Моделите Duo имат широка стъклена врата, която прави възможно наблюдението на огъня, като по този начин до известна степен комбинира печката с камина. Като цяло печката с камина на дърва се използва все по-често. Особеността на използваната чаша е, че върху нея не се натрупват сажди, тоест тя винаги остава чиста.
Harvia 20 Duo и 36 Duo са разновидности на печки за сауни от 8-20 м3 - първият модел и до 14-36 м3 - вторият.Те са оборудвани и с дистанционен тип камина, голяма врата, стъкло с огнеупорни свойства. Има функция за завършване на пещта с шарнирен резервоар за вода от неръждаема стомана. Според прегледите, печките Harvia 20 Duo са способни да затоплят парна баня от 6,8 м3 до 100 ° C за 40-50 минути, когато навън е топло, а дебелата стомана от 10 мм отгоре на печката не променя формата си при нагряване .
Поставяме печката и правим комин: идеалната схема за Harvia
Преди да инсталирате печката Harvia, трябва да я разтопите добре - дори навън. Факт е, че първите половин час ще изгорят консервационна мазнина и специална черна боя, която става още по-трайна след първата топлинна обработка. И ако за първи път печката е наводнена във ваната, тогава ще отнеме много време да се проветри. Следователно онези снимки, на които печката пуши точно пред банята, в средата на градината, не трябва да са изненадващи.
В сравнение с други печки за сауна, Harvia може да се постави малко по-близо до стената и други предмети, отколкото обикновено е позволено - всичко това благодарение на корпуса си. Но във всеки случай разстоянието от печката до най-близкия горим материал е най-малко 50 cm.
Тухлен екран
Необходимо е да излеете плоча под печката и да поставите тухлен екран - ако е издигнат до самия таван, тогава няма нужда от допълнителна защита на стените. И още по-добре за печките Harvia да построят не само параван, но и цяла тухлена зидария в предварително изрязан участък от стената - той ще носи както комина, така и конзолата. А за по-голяма надеждност самата тухлена зидария може да бъде подсилена с контрафорси.


Сега правим основата за печката за сауна: поставя се кофраж, полага се армираща мрежа за зидария и всичко се излива с хоросан.
Сглобяване и свързване на комина
След това се монтира тавански проход - 64x64 см, между дървените греди. Той трябва да бъде разположен така, че разстоянието до конструкциите, които ще се изгарят, да остане най-малко 250 mm със защита - това е според нормите.
Пайът от гредите към тръбата е както следва: Rockwool фолио (130 мм) + фолио + минерит върху метална рамка + експандирана глина. Следващата стъпка е да се поставят вентилационните кутии и таванът на парната баня е напълно изолиран.


Мнозина спорят за това коя тръба трябва да се вземе за печките за сауна Harvia. Някой съветва Ермак, някой е доволен от марката - същата марка като фурната.
Важно е само да запомните, че комините на Harvia са скъпи и са изработени от хранителна керамика, което, разбира се, е трайно, но не е много практично, ако избухне пожар. Ето защо, засега най-опитните служители на баня се съгласяват, че най-подходящият комин за печката Harvia е „Вулканът“. И е по-добре да се осъществи подаването и оттичането на вода към топлообменника с гофрирана тръба.


Малък съвет: по време на монтажа на тръба от неръждаема стомана, връзката на керамични и стоманени тръби трябва да бъде запечатана със специална лента върху керамично влакно, а отгоре трябва да се постави топлоустойчив уплътнител. Тогава няма да се получи конденз. Също така, преди да инсталирате основната защита, кутията за преминаване на тръбата трябва да бъде зашита отдолу с лист минерит, с предварително изрязан за тръбата. И вече в самата кутия - попълнете малка експандирана глина. Ако в бъдеще е необходимо да се инспектира и почисти комина на печката, една от двете тръби ще трябва да бъде премахната, докато втората, която води до керамичния блок, ще остане неподвижна. За удобство на целия процес първата тръба може да се вкара по-дълбоко в комина - по този начин ще бъде по-лесно да се премахне тази, която е прикрепена към дюзата на печката за сауна.
Така че, ако всичко е направено технологично правилно, чисто новата Harvia ще ви радва с мека пара, добра топлина и добра работа в продължение на много години напред. Това е финландско качество!