| Фиг. един ... Положение на аксонометричните оси. |
Единните изисквания за изпълнение на строителни чертежи гласят следното:
„... диаграмите на системите се изпълняват в аксонометрична челна изометрична проекция в мащаб 1: 100 или 1: 200, възлите на веригите са в мащаб 1:10, 1:20 или 1:50 . "
Положението на аксонометричните оси е показано на фиг. 2.
Позволено е да се използват челни изометрични проекции с ъгъл на наклон на оста y от 30 ° и 60 °.
Фронталната изометрична проекция се извършва без изкривяване по осите x, y, z. Определянето на положението на осите е показано на фиг. един.
Системните диаграми се изпълняват в аксонометрична фронтална изометрична проекция в мащаб "- казва параграф 3.2.1 от GOST 21.602-79. В учебната литература по строителния чертеж те обясняват: „аксонометричните схеми се изпълняват във фронтална изометрия със система от лява ос и коефициент на изкривяване по осите, конвенционално взети като единица, което прави възможно използването на метрична скала при конструиране.
ПОРЪЧКА ЗА ИЗПЪЛНЕНИЕ НА ЗАДАЧАТА
Вътрешен дизайн на студено водоснабдяване
Проектирането на водоснабдяването на жилищна сграда се извършва в съответствие с изискванията на SNiP 2.04.01-85 и SNiP 2.04.03-85.
2.1.1 Вътрешно водоснабдяване
Водоснабдителната система включва следните елементи: вход, водомер, вътрешна водопроводна мрежа (разпределителни мрежи, щрангове, връзки към водопроводни кранове) и инсталации за повишаване на водното налягане в мрежата.
2.1.2. Избор на системата и веригата на вътрешния студ
ВиК
1. В зависимост от първоначалните данни в работата са възможни следните вътрешни водоснабдителни системи на сградите:
а) вътрешна система за водоснабдяване с питейна вода, захранвана директно от градската мрежа без усилващи устройства (H gar
2. Има само един вход за сграда със задънена мрежа на вътрешна водоснабдителна система, тъй като е разрешено временно прекъсване на водоснабдяването.
Входът на сградата е положен в централната й част с наклон 0,005 от сградата и свързан с водопроводната мрежа с помощта на медицинска сестра. Проектиран е от чугунени водопроводни тръби d = 32 mm съгласно ГОСТ 5525-61.
Дължината на втулката трябва да бъде възможно най-малка, а диаметърът на нейните тръби се определя чрез изчисление. Дължина на входа ℓ
= 15 m
(тръбата е запечатана в мястото на преминаване през фундамента на сградата с помощта на метална втулка d = 250 mm и вложки в пръстеновидната междина на смолената нишка и мазна ментова глина). В точката на свързване на входа към външната мрежа е предвиден кладенец за поставяне на свързващите и спирателни клапани.
Дълбочината на входа се определя в зависимост от дълбочината на тръбите на уличната водопроводна мрежа и дълбочината на замръзване на почвата.
Входът е положен с наклон от сградата над дренажните тръби и далеч от тях на разстоянията, препоръчани от SNiP 2.04.01-85.
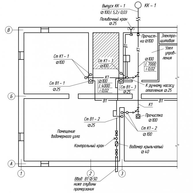
3. Устройството за измерване на водата и водомерите се намират близо до външната стена, непосредствено след въвеждането на тръбите в сградата, в централната част на мазето, температурата в която е 2 ° C. Избраната зона е достъпна за проверка, отчитане на брояча и ремонт на място.
Във вътрешните водоснабдителни системи, като правило, се използват високоскоростни измервателни уреди: лопатка или турбина. Измервателните уреди са монтирани само хоризонтално; турбина - във всяка позиция. От всяка страна на измервателния уред трябва да има прави тръбни участъци, върху които са монтирани клапани или клапани.
Трябва да се монтира дренажен клапан между измервателния уред и втория (според водния поток) клапан, клапан.Ако има един вход към сградата, на измервателния уред е подредена байпасна линия с клапан, която се запечатва в обичайното време в затворено положение. Устройството на водомера е показано на фиг. 2.
Фиг. 2
... Блок за измерване на вода и основните му елементи.
1
- водомер (водомер);
2
- заключващо устройство към водомера;
3
- устройство за изключване след водомера;
4
- контролно-изпускателен клапан;
5
- запечатан затворен клапан на байпасната линия;
6
- байпасна линия;
7
- главен тръбопровод.
2.1.3. Устройство за вътрешна водоснабдителна мрежа
Когато проектирате водопроводна мрежа, трябва да се стремите към най-късата дължина на тръбопроводите. Основната линия е положена под тавана на мазето с наклон 0,002 към водомера. На главната линия, в местата за концентрация на санитарни устройства (в санитарни помещения), са монтирани 5 щранга, необходими за разпределяне на водата по етажите на сградата.
Осигурено е открито полагане на щрангове. Водопроводите за кранове и уреди за вода са положени на 0,25 м над пода.
Спирателните клапани са монтирани в основата на всеки щранг; на всяка връзка към тоалетното казанче; на клонове към всеки апартамент; пред външни кранове за поливане. Вътрешната водоснабдителна система предвижда две кранове за напояване, по една на всеки 60–70 м от периметъра на сградата, разположени в нишите на външните стени на сградата.
Вътрешната магистрална мрежа, щрангове и връзки към устройства и кранове за напояване са проектирани от галванизирани стоманени тръби за подаване на газ GOST 3242-75.
Райерите са разположени в баните.
Как да отразя всички елементи на комуникация в чертежа
За да се справите с такава задача, ще ви е необходима програма за създаване на графични чертежи, скици и диаграми. Можете да отворите всеки от арсенала от програми за изграждане, допълнен с такава функция, или този, с който сте запознати.
Преди да развиете перспективен изглед, изгответе план на сграда, апартамент или друга стая с комуникационни мрежи.

Рисуването на всичко не е толкова трудно, особено ако имате опит с инженерни програми. Скицата отразява всички тръби, показани на плана на къщата. Те се прехвърлят в електронен вариант на аксонометричната диаграма и се отразяват под ъгъл от 45 градуса.
Важно! Това правило не се прилага за хоризонтални участъци. Редовете остават непроменени.
Външна канализация
Пластмасовите тръби също се използват за оборудване на външната част на канализационната система. Те се полагат в изкоп, чиято дълбочина надвишава дълбочината на замръзване на почвата (по-подробно: "Външно канализационно устройство - опции на инсталационна схема"). Дъното на изкопа е покрито с плътен слой пясък, след което върху него са положени тръби (тук трябва да запомните необходимостта да наблюдавате наклона). Ревизионните люкове трябва да бъдат монтирани на тръбните връзки. Няма да навреди да се монтира възвратен клапан в тръбопровода, който ще предотврати връщането на отпадъчните води във вътрешната канализационна мрежа.
Как да се показват структурни елементи по електронен път
Най-бързият начин за изграждане на чертеж е чрез клониране на цялата схема. За да направите това, изберете командата "Вмъкване", след което интегрираното изображение се обръща. За да бъде изпълнена функцията, тя получава стойност от 45 градуса (число е записано в програмата).
След като са подготвили основата в електронната версия, където щранговете са маркирани на плана, те поставят символи под формата на точки. Начертана е вертикална линия, която да отразява всички етажи в сградата. За по-добро възприемане подовите панели са отразени в диаграмата.


Важно! Не правете прекалено дългите плочи. Възползвайте се от разликата.
Особеността на аксонометричната канализационна схема е отразяването на всички елементи на санитарните устройства: писоари, тоалетни, мивки, стълби и други устройства за извършване на хигиенни процедури.
Какво е отразено в диаграмата?
В аксонометричния чертеж на канализационната система те трябва да показват:
- Входове за тръби в къщата.
- Окабеляване на разпределителната система в сградата (щрангове и клонове от тях до всеки етаж).
- Заключващи и регулиращи клапани.
- Редуциращи пръстени за тръби с различен диаметър на техните съединения.
- Точки за спускане от системата (тройници с тапи).
- Кранове: поливни и пожарни единици.
- Канализационно оборудване, точки за измерване на вода, контролни и измервателни уреди и други компоненти на санитарната и водопроводната линия.
Аксонометрична диаграма - тръбопровод
| Монтажни чертежи на работното място на OGUR и изглед. |
Аксонометричната диаграма на тръбопроводите не е съставена в мащаб, а в съответствие с приблизителната пропорционалност на всички тръбопроводи, включени в нея, за яснота на изображението.
На аксонометричната диаграма на тръбопровода, която обикновено се използва като изпълнителни подробни чертежи на тръбопроводи, трябва да се посочат: диаметър и дебелина на стената на тръбите; местоположението на опори и окачвания, заварени съединения, като се посочват марките на заварчиците, изпълняващи тези съединения; разположение на фитинги, продухващи и дренажни устройства; номериране на точки за наблюдение на пълзенето.
| Аксонометрична диаграма на тръбопровода, блока, колоните, кондензаторите и охладителя - 5 възли. |
За всяка аксонометрична диаграма на тръбопровода се съставя консолидирана спецификация на материалите, която показва разхода на тръби, гладки и заварени завои, фитинги, фланци, преходи, тапи, крепежни елементи и уплътнения.
Какво е изобразено на аксонометрични диаграми на тръбопроводи.
Паспортът е придружен от чертежи на котелното (стопилка, надлъжно и напречно сечение), а за котлите за топла вода - в допълнение, аксонометрична диаграма на тръбопроводите на котелното помещение.
Паспортът е придружен от чертежи на котелното (план, надлъжно и напречно сечение), а за котлите за топла вода, в допълнение, аксонометрична диаграма на тръбопроводите на котелното помещение.
Паспортът е придружен от чертежи на котелното (план, надлъжно и напречно сечение), а за котлите за топла вода, в допълнение, аксонометрична диаграма на тръбопроводите на котелното помещение.
| План на жилищна сграда с входове за водоснабдяване и отоплителна мрежа. |
Чертежите за санитарни устройства в сградите се изготвят въз основа на общи архитектурни и строителни чертежи - планове на фасади и секции и съдържат етажни планове с прилагане на тръбопроводи и оборудване, необходимите участъци, аксонометрични диаграми на тръбопроводи и въздуховоди, щрангови диаграми , отделни възли и части и други чертежи ...
Госпортехнадзор на СССР, на който организацията, извършваща тяхната инсталация, представя: паспорт на тръбопровод, съдържащ данни за неговите експлоатационни параметри, резултати от проучването и др .; сертификат за производство на тръбопроводни възли; аксонометрична диаграма на тръбопровода.
За да регистрира тръбопровода, инсталационната организация представя на местните власти на СССР Госгортехнадзор: паспорт на тръбопровод, съдържащ данни за неговите характеристики, експлоатационни параметри и резултати от проучването; сертификат за качество на производството на монтажни възли на тръбопроводи; сертификат за качество на монтажа на тръбопроводи; аксонометрична диаграма на тръбопровода.
За да регистрира тръбопровод за пара и топла вода, инсталационната организация представя на местните власти на СССР Госгортехнадзор следната документация: паспорт на тръбопровода, съдържащ данни за неговите характеристики, експлоатационни параметри, резултати от проучването и др .; сертификат за качество на производство на тръбопроводни възли; сертификат за качество на монтажа на тръбопроводи; аксонометрична диаграма на тръбопровода.
Чертежите трябва да бъдат ясни и ясни, а за внесените инсталации трябва да има чертежи с руски превод.Оформлението на технологичните тръбопроводи на турбинната зала е изчертано в перспектива. Преди да започне инсталирането на хладилния агрегат, в машинното отделение се публикуват аксонометрични диаграми на тръбите, които се използват за монтаж, пускане в експлоатация и пускане в експлоатация на системата.
Какви данни се въвеждат в чертежа
Въвеждането на следните показатели, описващи водоснабдителната система, е задължително при изграждането на аксонометрична диаграма. Тази информация включва:
- Обозначението на щранговете (обикновено зоната на водещата линия).
- Нивото на пода на всеки от етажите на помещението, границата на хоризонталния клон (по осите на тръбопровода), височината на отводните точки (маркировки по щранговете).
- Диаметри на системните елементи.
- Ъгли на наклон на тръбопроводите (с посочване на индекса на наклона).
- Размери (дължина) на всеки от независимите участъци на тръбопровода, които включват щрангове и хоризонтални разклонения в милиметри.
- Координиращи измерения (информация от вторичен характер).
- Обозначаване на възли с цел детайлизиране на чертежа.


В допълнение към редица основни данни към диаграмите е приложена придружаваща документация, включително спецификация за материали и оборудване.
Аксонометрия на водоснабдяването, отоплението, канализацията
Според GOST 2.317-2011 всички аксонометрични диаграми, свързани със санитарни системи за водоснабдяване, канализация, отопление, са изградени във фронтална диметрична (наклонена) изометрия с лява координатна система.


Съответно размерите по оста z и x ще бъдат без изкривяване, а по оста y наполовина.
Какво общо има този чертеж с тръбите и водопровода, ще попитате? Сега си представете, че равнините по аксонометричните оси са стените на вашата къща или апартамент. ВиК тръби, водопроводи, канализационни и отоплителни тръби преминават по стените, вертикално или хоризонтално. Това означава, че можем да начертаем тръбни пътеки в аксонометрията, без да показваме самите стени.
Това ще даде много ясни чертежи за това как и къде да инсталирате водопроводната инсталация. Освен това водопроводната арматура се прилага към аксонометричната диаграма в символи, прилагат се диаметри на тръбите, правят се обяснения, съставят се таблици за материали и оборудване за диаграмите. В резултат на това имате в ръцете си подробно ръководство за това как да инсталирате водопроводни инсталации в къща (апартамент), като практически премахвате грешките при монтажа.
Характеристики на скица дизайн
Тук вниманието е фокусирано върху отражението на устройствата. Ако един елемент се изкачи върху друг и това се случва в повечето случаи, тогава се изчертава пунктирана линия, показваща изместването на водопроводния елемент, за да се подобри визуалният ефект.


Аксонометричната диаграма на водоснабдителната система трябва да включва показания на всички диаметри на тръбите. Ако тоалетната чиния не е маркирана на изхода, тогава се взема диаметър 50 mm, ако има такъв, минималният диаметър трябва да бъде 100 mm. Тези цифри са важни за запомняне. За щрангове в 90% от случаите се използва индикатор от 100 мм. Наклоните в подобен диаметър ще бъдат 0,02, с индикатор 50 mm, зададен е ъгъл на наклон 0,03.
Ако вече сте приложили всички елементи, маркирайте изходите, чийто диаметър е по-голям от този на щранговете, като наклон се приема числото 0,02.
На последния етап от съставянето на аксонометрията се правят специални маркировки въз основа на характеристиките на обекта и строителния план. Тук те отбелязват нивото на замръзване на почвата, местоположението на основата, както и други фактори, влияещи върху редакциите.


Аксонометрична диаграма
| Работни чертежи на тръбопроводни възли. |
Аксонометричните диаграми и работни чертежи на технологични тръбопроводи, като правило, се разработват за обекти с голям брой тръбопроводи и сложни технологични окабелявания, за тръби с номинален диаметър 50 mm и повече.
Аксонометрична диаграма на газопровода (фиг.51) допълва планове и участъци и представлява мрежа от тръбопроводи, изтеглени без стени. Диаграмата обикновено се рисува без скала и поради това не може да се използва за изчисляване на дължините на тръбите. Схемата определя посоката на тръбопроводите спрямо плана и участъка, определя диаметрите на тръбите. Според схемата те получават представа за цялата мрежа, положението на клапаните, частите и взаимното свързване на елементи.
Аксонометричните диаграми дават визуално представяне на местоположението на водопроводите в сградите, диаметрите на тръбите и посоката на наклоните им, местоположението на преходни съединители, спирателни кранове, задвижки, кранове и други фитинги на тръбопроводите, както и като местата, където водата се оттича от водоснабдителните системи.
| Аксонометрична диаграма на сложен възел на тръбопровод (челна коса изометрия. |
Такива аксонометрични диаграми са доста лесни за изпълнение; те обаче са много полезни за поддържане на сложни тръбни възли и за избягване на конструктивни грешки.
| Планове за канализационна мрежа. |
Аксонометрични диаграми на канализационни мрежи не се правят, но се правят разрези по канализационните тръби, които захранват всеки канален канал. На фиг. 228 е показан чертеж на разрез през канализационните тръби на канализационния щранг KS-P.
Аксонометричните диаграми на захранващите и връщащите тръбопроводи (горно и долно окабеляване) са показани на фиг. Диаграмите показват спирателни клапани, задвижки, преходни съединители и въздушен колектор, а диаметърът на тръбите в милиметри е посочен. Наклоните на тръбите са обозначени със стрелки. Основният щранг завършва с въздушен колектор, който събира въздух от отоплителната мрежа.
Ако в проекта са налични аксонометрични канални диаграми, те не трябва да се съставят отново. В този случай е препоръчително само да се направят необходимите корекции на проектните схеми, поради направените измервания.
Пример за аксонометрична диаграма на изпускателна вентилационна система на VZ дърводелски цех на учебно-производствено предприятие е показан на фигура 18.29. Системата осигурява засмукване от три машини и пода. Вентилаторът за прах от типа TsP7 - 40 No. 5, версия B с мощност 7 5 kW, осигурява работата на системата, изпускането на дървени стърготини и стърготини в циклона от типа Ts-800 и въздух в атмосферата.
Начертана е аксонометрична диаграма на мрежата с начертани циркулационни тръби. В същото време в жилищни сгради с няколко етажа до 4 включително (ако подовите радиатори не са проектирани) трябва да се осигурят само главни циркулационни тръби; във всички останали случаи циркулацията се извършва и в щрангове.
| Планове I (a и II (b етажи, план на мазето (c и тавански план (d с чертежни елементи на отоплителната система)) (римските цифри в кръговете са номерата на щранговете. |
Начертайте основна аксонометрична диаграма на отоплителната система. Щангите, които закриват чертежа, могат да бъдат преместени и диаграмата показва целта.
Съгласно аксонометричната диаграма и Приложение 3 се определят коефициентите на локални съпротивления за всеки участък. Местното съпротивление се отнася до съседните области, където скоростта на въздуха е по-голяма.
Характеристики на чертежите
Когато съставяте аксонометрична диаграма, обърнете внимание на следните точки:
- ВиК и други устройства, свързани към щранговете и разпределителната мрежа, се отразяват само когато в приложената документация няма необходими схеми.
- Нулевата маркировка (нивото на първия етаж) се показва на щранговете, като се изчертава тънка хоризонтална линия. В случай на детайлизиране на проекта, всеки от възлите на чертежа се разглежда отделно, отразявайки го в увеличен мащаб.
- Ако е необходимо, скиците на схеми и чертежи на водоснабдителни мрежи и канализационни системи включват символи за спирателни и регулиращи клапани, кранове за напояване и други елементи на системите.
Какви данни се посочват при съставяне на диаграма
Диаграмата на водната мрежа на сградата показва:
- изображение и маркиране на щрангове;
- мястото, където тръбопроводът е свързан със сградата;
- подов клон на окабеляването;
- спирателни и контролни клапани;
- височината на нивото на местоположението на водопроводните инсталации;
- размери на участъците на тръбопровода (в mm);
- маркировки на пода на всички етажи;
- водомер в сутерена;
- кранове за поливане.
На диаграмите, използвайки водача, е посочен диаметърът на тръбите, дюзите, които се използват при промяна на размерите на окабеляването. Необходимо е да се отбележат местата на изпускане на вода, пожарни хидранти, уреди.
Аксонометрични чертежи на отоплителни и вентилационни клонове
При работа с комунални мрежи изчисленията и графичната визуализация са важни компоненти на работата по проект за изграждане на жилищна сграда. В допълнение към плана на къщата и нейната фасада, пакетът от документи, необходими за изграждане, се допълва от аксонометрична диаграма за комуникация. На него можете визуално да изучавате определена мрежа: водопровод, отопление, вентилация. Използването на такива чертежи е особено важно при подреждането на сложни системи. Наличието на перспективен изглед на отоплителния проект опростява работата на монтажниците в процеса.






























