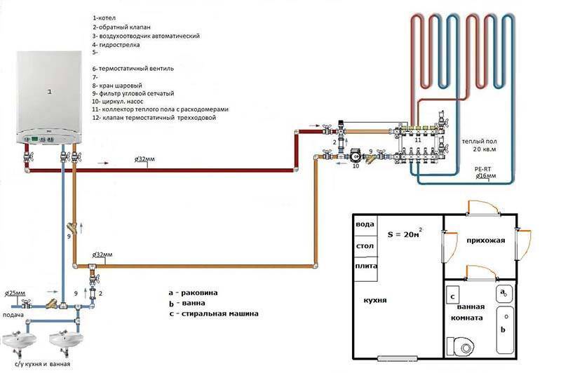
Защо имате нужда от колектор
Всъщност колекторът е тръба с отвори за входа и изхода на охлаждащата течност, нарича се още разпределителна и смесителна единица. Функцията на устройството е да поддържа необходимото ниво на температурата в системата и да контролира водния поток.
Устройството е предназначено за смесване на водата, идваща от котела, където се нагрява, с охладената течност, идваща от връщащото устройство, до необходимото ниво за подово отопление. Всъщност в котел охлаждащата течност обикновено се затопля до +90 градуса, а за топъл под е висока температура.
Необходими са +40 - 45 градуса, така че не можете да правите без колектор. Ако водата тече директно от източника на топлина във веригите, това ще доведе до прегряване на системата и нейния отказ.
В допълнение, веригите имат различна дължина и имат различни изисквания за топлинна енергия. Следователно е необходим специален блок между котела и тръбопровода, който ще разпределя потоците гореща вода по контурите.
Как може да се монтират водни подове?
Подовете с топла вода могат да се полагат по различни начини - подови настилки и използване на бетониране. Нека разгледаме по-отблизо всеки от тях.
- Бетониращите тръби, през които циркулира охлаждащата течност, се полагат по необходимия начин върху подготвената основа и се изливат с бетонна замазка. Основните недостатъци: трудоемка "мокра" работа, голямото тегло на системата и сложността на нейното демонтиране.
- Метод на полагане. Той включва полагане на тръби в специално сглобена настилка.
Може да се състои от пластмасови модули или дървени блокове с канали, подготвени в тях за монтаж на тръби. В продажба можете да намерите и дървени монтажни модули. Основният недостатък е, че системата отнема повече време за затопляне от бетона.

Видове и принцип на работа
Колекторните устройства се различават по материала, от който са направени - месинг, пластмаса или неръждаема стомана. А също и по типа на клапана:
- С двупосочно - конструктивната характеристика е непрекъснато нагряване на охлаждащата течност. Нагрятата вода се подава постоянно, а спирателните клапани регулират нейния обем. В резултат на това повърхността се загрява равномерно, докато прегряването на системата не е възможно. Но този модел не е подходящ за помещения с площ над 200 м2.
- С трипосочно - универсално оборудване, препоръчително за големи помещения. Технологията позволява монтаж със серво задвижване и различна автоматизация. Клапанът е способен да създава оптимално работно налягане, да регулира нивото на температурата и количеството на доставената охлаждаща течност.
Изгледи
Освен това има 4 вида колектори:
- Обикновено - тръба със спирателни клапани, имаща вътрешна и външна резба. Моделът е евтин, но няма функция за конфигуриране на системата. За да инсталирате такъв колектор на топли подове, са необходими допълнителни елементи.
- Оборудван с изходи от клапан за регулиране и клапани за свързване на вериги - китайско устройство. Не е необичайно конструкцията да изтече, но ремонтът не е труден, достатъчно е да смените уплътнението. Разстоянието между тръбите за подаване и връщане не отговаря на европейските стандарти, поради което се изискват различни тела.
- С регулиращи клапани и евроконуси - скъп модел. Той няма сферични кранове, но има фитинги и регулиращи клапани, върху тях може да се монтира серво, който ще регулира температурата в линията.
- С разходомери - те са разположени на захранващата тръба на колектора, а гнездата за серво задвижвания са разположени на гърба.Такова устройство е предназначено за подово отопление с различни дължини на вериги, наличието на разходомери ви позволява да регулирате обема на охлаждащата течност във всяка верига.


Всеки модел е оборудван с отвори за изпускане на вода и въздух.
Принцип на действие
Общият принцип на функционирането на агрегата, независимо от вида на клапана (дву- или трипътен), е да се разпредели водният поток по контурите на отоплителния под, който циркулира под въздействието на помпата. Количеството охлаждаща течност, влизащо във всеки клон, се регулира механично или автоматично - от серво задвижване.
Процесът на работа изглежда така:
- Нагретият до 60 - 80 градуса топлоносител се подава от източника към гребена през термостатичния вентил;
- Потокът на охладената вода от обратния поток идва от разпределителя;
- Спирателният клапан има глава, която регулира температурата на течността;
- Смесените два потока се подават в смесителна помпа, след което водата се разпределя по тръбопроводите.
Когато степента на нагряване на охлаждащата течност в линията се понижи до необходимото ниво, се смесва загрята вода от източника, за това е отговорен дву- или трипътен клапан.
Как се намират отделите за събиране?
За системата за подово отопление можете да инсталирате един общ колектор или да монтирате отделно устройство пред всеки отоплителен кръг. В този случай всеки колектор трябва да бъде оборудван с термостати, разходомер и три основни елемента:
- Смесителен клапан, който определя степента на нагряване на топлоносителя в отоплителния кръг.
- Спирателен вентил за балансиране на радиатора, свързващ колектора към отоплителната система. Отваря и при необходимост затваря подаването на вода към веригата.
- Преливен клапан. Той е отговорен за постоянното налягане в тръбите, за което насочва излишната охлаждаща течност в байпаса.
Схемите за сглобяване могат да бъдат много различни. Например за система с една радиаторна тръба се изисква байпас. Освен това тя винаги трябва да е отворена, така че излишъкът от гореща охлаждаща течност ще се изхвърля директно в радиатора.
Ако има цикъл за връщане, байпасът не е необходим. Ако отопляемата площ е малка, колекторното отделение може да бъде поставено във вторичния кръг.
Устройство на шкафа на колектора
Шкаф за колектори - конструкция, която включва помпа-смесител и блок колектор.
Помпа-смесител
Този уред е предназначен за разреждане на нагрятата вода, течаща във водната подова линия, с отработения, охладен топлоносител. Работните колела на помпата са отговорни за процеса на смесване.


Именно помпата доставя в системата течността, разредена до необходимата степен. Той, движейки се през тръбите, отделя топлина в помещението и охлаждането се връща в смесителния блок.
Температурният режим се регулира с помощта на балансиращи клапани, с тяхна помощ също се регулира потокът на отпадъчните води в тръбите. За да отоплявате малка стая, спирателните кранове трябва да бъдат отворени; ако помещението е малко, затворете.
Тази колекторна верига за подово отопление е снабдена с термична глава, която отговаря за нивото на температурата в системата. Той отваря или затваря щепсела за подаване на топла вода. Когато потокът на охлаждащата течност спре, байпасният клапан се отваря и течността се движи през свободния байпас.


С прост метод за обвързване на колектора се извършва ръчно регулиране на температурата. За автоматизиране на процеса се използва серво задвижване с термостат. Серво задвижването получава сигнал от термостата за нивото на температурата в помещението и въз основа на този индикатор отваря или затваря клапата на връщащия колектор, като по този начин регулира циркулацията на водата в пода.
Основните показатели, характеризиращи помпеното и смесителното устройство:
- работно налягане - максимална стойност 10 бара;
- ниво на температурата - +90 градуса (максимум);
- температурен диапазон - от 20 до 60 градуса.
Блок на колектора
Шкафът на колектора е снабден с блок, отговорен за регулиране на водния поток, който влиза в пода на пода и се връща обратно.
Технически показатели:
- диаметър на продукта - 1 или 1,25 инча;
- брой кранове - от 3 до 12;
- налягане (работна стойност) - 10 бара;
- максималното ниво на нагряване на охлаждащата течност е +100 градуса.
В колекторния блок има два реда байпаси... Единият, така нареченият директен ред, е отговорен за регулирането на обема на горещата охлаждаща течност, а другият (обратно) регулира охладената вода.


Какво трябва да се направи преди започване на инсталацията?
Компетентното подреждане на топъл воден под изисква внимателна подготвителна работа. В хода им трябва да се вземат предвид всички малки неща, от които впоследствие ще зависи ефективното функциониране на конструкцията:
Най-добре е проектът на бъдещата система да бъде поверен на специалисти, тъй като е доста трудно да се правят независими изчисления.
Ще бъде необходимо да се определи дължината на тръбата, стъпката на нейното инсталиране и мощността на отоплителния кръг, ако има няколко, а след това за всеки поотделно. Това отчита много нюанси и параметри. Има специални програми за изчисление, които много хора използват.
Трябва обаче да разберете, че недостатък в изчисленията ще доведе до намаляване на ефективността или просто невъзможност за функциониране на цялата система.Оборудването за подово отопление трябва да бъде с високо качество, произведено и закупено от надеждна компания, която дава добри гаранции.
Ще бъде по-евтино да платите за висококачествен продукт, отколкото да похарчите много пари за скъпи и отнемащи време ремонти по-късно. За да се сведе до минимум топлинното натоварване на замазката и да се предотврати нейното напукване, системата трябва да бъде разделена на секции от повече от 40 квадратни метра. м. Основата за подово отопление трябва да бъде внимателно подготвена.


Той трябва да бъде чист и изравнен, не се допускат разлики над 5 мм. За да се предотврати загубата на топлина, върху подготвената основа трябва да се разстила топлоизолационен слой с височина от 3 до 15 см, в зависимост от работната температура на охлаждащата течност. Това могат да бъдат специални топлоизолационни материали или постелки, предназначени за топъл воден под. Последните могат да бъдат оборудвани с фитинги за тръби, така наречените шефове, което е много удобно.
По периметъра на помещението и между монтажните зони се полага амортисьорна лента, която може да компенсира температурните колебания на замазката.
Подложките на шефа, предназначени за водно подово отопление, са много удобни. Те не само функционират като топлоизолатор, но и фиксират тръбите на място.
При съставяне на схема за полагане трябва да се избягва голям брой тръбни съединения, които носят потенциалната опасност от течове под пода. Най-добре е да се оборудва най-сигурният вариант, където връзките са налични само на изхода и входа на колектора. В този случай дължината на еднокомпонентната тръба не трябва да бъде повече от 90 m, в противен случай температурата на циркулиращия топлоносител може да спадне.


Правилен монтаж на колектора за подово отопление
Събирането на закупен фабрично произведен колектор е прост процес. Включено:
- разпределител с ротаметри, той е свързан към захранването - има 2 или повече изхода за вериги;
- връщащ колектор с термични клапани вместо разходомери;
- автоматични вентилационни отвори;
- кранове с тапи за подаване и оттичане на вода от подово отоплително тяло;
- термометри на входа и на изхода;
- спирателни сферични кранове и скоби.
При закупуване на устройството, неговата пълнота може да бъде променена, като се започне от бюджета и начина на свързване към котела. Допустимо е да се монтира разпределител без ротаметри или 1 термометър, а не 2.
Процес на изграждане
Фабричното устройство е направено така, че всеки да може да го монтира със собствените си ръце. Тоест, по-често разпределителните части се продават вече сглобени, само контурите на подовото отопление трябва да бъдат свързани към тях и трябва да бъдат свързани части, които са от второстепенно значение.
Оборудването трябва да се сглобява на етапи:
- Устройството се изважда от опаковката. При фабричните модели тръбите за подаване и връщане вече имат разходомери и клапани. Ако възелът е разделен на няколко части, тогава те трябва да бъдат усукани заедно.


- Колекторът е фиксиран върху скобата, което ще позволи по-нататъшно сглобяване с голямо удобство.


- Останалите части са свързани - вентилационен отвор, клапани, тапи и контролни устройства.


- Сферичните кранове са монтирани на връщащия колектор.


Циркулационната помпа и клапаните трябва да бъдат фиксирани след фиксиране на уреда към стената.
Какво е необходимо за сглобяване на основния дистрибутор за TP?
Сортовете, оборудването и предназначението на отделните възлови елементи на колекторите вече са описани в статията "Избор на колектор за топъл под: видове, оборудване". Ето защо тук ще припомним накратко, че за сглобки от различните му видове ще са ви необходими:
- чифт основни гребени (моноблок или композит) за подаване и връщане на охлаждащата течност;
- двупосочни сферични кранове. Два от тях ще трябва да прекъснат подаването и връщането от основния (радиаторен) отоплителен кръг. Останалите могат да се използват като спирателни кранове на входа / изхода на контурите за подово отопление към съответния гребен;
- ръчни клапани - ротаметри за балансиране на дебита на нагревателния агент във всеки клон. Те обикновено се монтират на захранващия колектор за всяка ТР верига;
- термостатични клапани, ръчни или управлявани от контролер със серво задвижвания;
- циркулационна помпа, която е препоръчително да закупите в комплект от готова смесителна група, заедно с кранове за свързване, байпас, филтър за кал и др. Трябва да се отбележи, че когато инсталирате колектор за топъл под със собствените си ръце по опростена схема, можете да направите без помпа, като използвате само автоматичен трипътен клапан или двупосочен тип Unibox;
- контролни устройства - манометри, термометри;
- групи за сигурност;
- фитинги и различни свързващи елементи за закрепване на тръби за подово отопление към колектори и др.
Монтаж на колектора за подово отопление
След като сте събрали основните елементи, можете да преминете към инсталирането и свързването на колектора за подово отопление. Процесът се състои от няколко стъпки:
- Местоположение и местоположение на инсталацията. Стандартната височина на колекторното закрепване на стената от основата на пода е 500 - 1000 mm, не трябва да се монтира отдолу, тъй като ще бъде трудно да се свържат подовите тръби към него. Освен това трябва да се постави така, че дължината на всички бримки да е еднаква и да има свободен достъп до него, за предпочитане в средата на стаята.
- Инсталиране на колекторен шкаф. На планираната площадка се монтира колекционен шкаф, обикновено размерът му е 1 на 1 м, с дебелина на стената 12 см. Може да се постави в оборудвана ниша или да се фиксира директно върху стената. Повърхността на стената трябва да е равна, в противен случай конструкцията може да се повреди.
- Закрепване на гребена в кутията. Шкафът е оборудван със специални водачи, те могат да бъдат преместени на необходимото разстояние, това зависи от дължината на колектора. Те имат крепежни елементи - болтове, с помощта на които устройството е фиксирано в кутията.


- Монтажът на помпата и клапаните (дву- или трипътни) се извършва съгласно планираната схема. На захранващата тръба, която минава от котела, първо се монтира клапан с термична глава, след което помпата се монтира върху фланци с съединителни гайки, тя трябва да се постави между клапана и колектора. Невъзможно е да се монтира помпата пред спирателните клапани, тогава вентилът няма да функционира и водата няма да тече правилно.


Свързване на TP към колектора
Необходимо е да се свържат контурите на подовото отопление към крановете на гребена, като се използва резбова връзка под Eurocone. По-често Eurocone е с диаметър 17 mm, докато подовият маркуч е 16 mm.Следователно ще трябва да го калибрирате за този размер. Тогава:
- необходимо е да поставите съединителната гайка на тръбата, да поставите компресионния пръстен и тягата;


- ръчно свържете края на маркуча към фитинга на гребена;


- накрая затегнете с два ключа - единият фиксира шестоъгълника върху фитинга, а другият затяга връзката.


Настройка на колектора
Процесът на настройка на колектор за водно подово отопление се извършва съгласно следните инструкции:
- отстраняване на капачката от клапаните;
- фиксиране на клапана с шестоъгълник;
- определяне на броя на оборотите за конкретна верига;
- превъртане на клапана с изчисления брой пъти.
Останалите контури на подово отопление също могат да се регулират.


Срокът на експлоатация и качеството на пода зависи от това колко точно е направена настройката.
Смесителни клапани
В зависимост от желания ефект има различни методи за свързване. Всеки от тях непременно предполага инсталиране на смесителни клапани. Тези устройства са необходими за свързване на топла и студена вода. Последният се захранва от отоплителния кръг, първият от котела. Системата може да се регулира автоматично или ръчно, което изисква допълнителна инсталация на контролния серво. Има два вида смесителни клапани.
Двупосочно серво
Това серво се нарича още серво за подаване. Основната му разлика от конвенционалните клапани е способността да провеждат вода само в една посока. Ако вентилът е сглобен неправилно, той започва да функционира неправилно и бързо се повреди.


"Хранене" - провежда вода само в една посока
Като затваряща част за него се използва топка или специален прът. Регулирането се извършва или чрез завъртане на топката, или чрез преместване на стеблото. За извършване на тези манипулации се използват електрически задвижвания.
Най-популярният начин е термостатичната глава, снабдена с воден сензор, който редовно следи температурата на топлоносителя. Вземайки предвид получените данни, главата включва или изключва клапана. И така, от обратния поток охлаждащата течност се подава редовно, а от котела само при необходимост.
Принципът на действие на устройството обяснява основното предимство на колектора, който е снабден с клапан за подаване. Подовете с това оборудване не прегряват, което значително увеличава техния експлоатационен живот. Ниската производителност на клапана създава плавно регулиране на температурата на охлаждащата течност, значителни скокове в този случай са изключени.
Захранващите клапани се характеризират с лесна инсталация и последваща работа. Те доста често се срещат в схемата на самостоятелно изработени колектори за подово отопление, но имат някои ограничения в приложението си. Не се препоръчва да се инсталират двупосочни устройства в системи, които работят в помещения, по-големи от 250 квадратни метра.
Трипосочни системи
Трипосочните елементи са подредени по различен начин. Това оборудване интегрира работата на байпасен захранващ клапан и байпасен клапан. Клапанът се състои от тяло с един вход и два изхода. За регулиране се използва или въртяща се топка, или специално стъбло.
Особеността на този тип устройства е, че регулиращата част напълно спира потока и разпределя входящата вода, смесвайки я. Температурата се регулира автоматично, за това клапанът има задвижваща система, която приема сигнали от различни сензори.


Такива клапани имат серво задвижвания
По правило трипътните клапани са оборудвани със серво задвижвания, които се управляват от термостатични сензори или контролери с компенсация на времето.Серво задвижването активира заключващия механизъм, който се настройва в необходимото положение, за да се получи необходимият индикатор за нагрятата охлаждаща течност и обратния поток.
Контролерите с компенсация на времето са необходими, за да регулират мощността на системата според времето. Например, по време на силно застудяване, стаята ще започне да се охлажда много по-бързо, тоест ще бъде много по-трудно за отоплителната система да свърши работата.
За да се улесни задачата, е необходимо да се увеличат разходите за топлоносителя и да се увеличи температурата. Основните недостатъци на трипосочните елементи включват значителна производителност. При тези условия дори лекото изместване на регулирането може да доведе до рязка промяна в температурата на водата.
Трипосочните елементи се използват за колектори, монтирани в помещения, по-големи от 250 кв. m и системи с голям брой вериги. Нещо повече, те се използват за конструкции, които са оборудвани с метеорологични сензори, които определят необходимата температура на пода, отчитайки атмосферните условия.
Може ли да се монтира колектор под нивото на топъл под - например в мазето?
Има моменти, когато разпределителният и смесителният блок трябва да бъде инсталиран не на пода на топъл под, а отдолу, например, ако котелното е в мазето или просто не искате да разваляте интериора на апартамента .
Такова окабеляване е допустимо, инсталирането на колектора се извършва в същата последователност, както обикновено. Проблемът е само един - автоматично обезвъздушаване на въздушните маси от линията не е възможно, ако отворът за въздух е разположен върху гребена.
Изход - монтаж на въздушен отвор на връщащата тръба между гребена и подовите панти, а пред него е монтирано заключващо устройство със спирателен вентил. Достъпът до отвора за въздух е задължителен.
За ваша информация! Тъй като за всеки клон на пода е необходим вентилационен отвор, струва си да се обмисли целесъобразността на монтажа на колектора под нивото на топъл под.
Подът с топла вода се отнася до модерна отоплителна система, идеална за обзавеждане в частни къщи. С правилното инсталиране на "пая" на пода и колектора, конструкцията е в състояние да осигури комфортни условия в стаята.
Устройство с двупосочни захранващи клапани
Сглобката с два клапана на колектора има следните характеристики:


Комплект колектор с двоен клапан
- студената и горещата охлаждаща течност се смесват постоянно. Това предотвратява прегряване на устройството и удължава живота му;
- температурните промени са плавни, тъй като двупътните клапани имат малък капацитет на потока;
- не се използват в малки помещения, чиято площ е по-малка от 200 кв. м.
Предимства на използването на колектори при подово отопление
Устройствата, които се инсталират сглобени с всички допълнителни елементи, осигуряват следните предимства:


Как да съберем колектор за топъл под
- икономия на енергия в сравнение с традиционните отоплителни системи (средно с 30-50%);
- висока безопасност поради липсата на елементи от отворен тип, които могат да се превърнат в източник на пожароопасна ситуация;
- експлоатационният живот на колекторната група е няколко десетки години. Само тръбопроводи подлежат на периодична подмяна;
- осигурени са оптималните параметри на микроклимата в отопляемото помещение.
















