Друга класификация
За някои се правят специални видове елементи. Какво е специален фланец? Това са един и същ хардуер, но за да бъде удобна работата, дизайнът им е леко модифициран. Те също могат да бъдат заварени, разхлабени, отлити, резбовани. Само върху тях се изрязват канали или се заваряват издатини. За тяхното производство първо се разработват специални чертежи и се отливат форми. Такъв хардуер се прави по поръчка на предприятия.
Отдалеч огромни и дълги магистрални тръбопроводи (газ, вода, нефт, пара) изглеждат твърди и непрекъснати линии. Но си струва да се приближите и ставите на тръбите стават забележими. Тук е отговорът на въпроса какво е фланците. Те са различни: кръгли и квадратни, стоманени плоски заварени или стоманени фланци. Но всички са много важни, за да се гарантира безопасността на тръбопроводите.
Производство на фланец
За производството се използват различни марки стомана: 13XFA, 20 / 09G2S, 12X18H10T, 15X5 M и други. Освен това те могат да бъдат стоманени или неръждаеми. Използваната технология е различна. Производителите използват коване, щамповане, отливане. За всеки метод се използва специално оборудване и формуляри. Когато пускат своите продукти, производителите внимателно проверяват тяхното качество. Прилагайки специални тестове в работата си, служителите от отдела за контрол на качеството ги проверяват за здравина и надеждност. Фланците също са тествани за устойчивост на влага.
Какво е? Тъй като те са крепежни елементи и участват в свързването на метални части, които могат да влязат в контакт с вода, е важно те да не корозират. Ето защо се използват водоустойчиви метални сплави.
Производителите често покриват повърхността на фланеца с допълнителен защитен слой.
Височина на проекция
Ако погледнете чертежа на стоманен фланец, той има няколко параметъра, включително височината на издатината. Той е обозначен с буквите H и B, може да се измерва във всички видове продукти, с изключение на този, който има скул. Трябва да се помни следното:
- модели с клас на налягане 150 и 300 ще имат височина на издатина 1,6 мм;
- модели с клас на налягане 400, 600 900,1500 и 2000 имат височина на раменете 6,4 мм.

С перваза и депресия
В първия случай доставчиците и производителите на части вземат предвид повърхността на издатината, във втория случай повърхността на издатината не е включена в посочения параметър. В части от брошури тези цифри могат да бъдат посочени в инчове, където 1,6 мм е 1/16 инча и 6,4 мм е ¼ инча.
Работно налягане
Това е налягането, с което течността (газ, пара и др.) Се транспортира през системата. Следователно, колкото по-високо е работното налягане в системата, толкова по-високи якостни характеристики е необходимо да се изберат крепежни елементи. На свой ред необходимите якостни характеристики на крепежните елементи се осигуряват от правилния избор на материал, режими на термична обработка и т.н. По този начин, в температурния диапазон от -40 до + 400 ° C и при налягания до 100 kgf / cm2, препоръчително е да се използват крепежни елементи от стомана 35, докато увеличаването на налягането до 200 kgf / cm2 изисква използването на крепежни елементи от стомана 20Х13.
Фланец - снимка уикипедия
Фланцово свързване на газова тръба Фланцова тръба, глух фланец, О-пръстен.
Фланец (от немски Flansch) е плоско парче квадратна, кръгла или друга форма с отвори за болтове и шипове, служещо за здрава (възли на дълги строителни конструкции, например ферми, греди и др.) И плътна връзка на тръби, фитинги за тръбопроводи, свързващи тръби помежду си, с машини, апарати и контейнери, за свързване на шахти и други въртящи се части (фланец връзка).
Тръби и фитинги за тръбопроводи
Фланците се използват по двойки (комплект).Дизайнът на фланците в съответствие с GOST 12820-80 и GOST 12821-80 се регулира от GOST 12815-80 и зависи от работното налягане, за което се изчислява фланецът или връзката на фланеца:
- Изпълнение 1 - със свързващ перваз.
- Изпълнение 2 - с перваз.
- Изпълнение 3 - с куха.
- Изпълнение 4 - с трън.
- Изпълнение 5 - с жлеб.
- Изпълнение 6 - за уплътнение на лещата.
- Изпълнение 7 - за уплътнение с овална секция.
- Изпълнение 8 - с шип за флуоропластично уплътнение.
- Изпълнение 9 - с жлеб за флуоропластично уплътнение.
Фланците се различават по видове: плоски фланци с яка, свободни на заварения пръстен, фланци на съдове и апарати.
Руските стандарти регулират налягането на средата на тръбопроводите и свързващите части, както и на свързващите фланци на фитингите, свързващите части на машини, разклонителните тръби на устройствата и резервоарите за номинално налягане на Pу от 0,1 до 20,0 MPa (от 1 до 200 kgf / cm2)
Общи методи за производство на фланец:
Продуктивен метод за производство на фланци е щамповането на фланци в затворени матрици, този метод прави възможно производството на фланци до DN 700 PN 2,5 MPa. Фланците с по-голям диаметър се изработват от валцувани пръстени или по CESL методи.
Производствените разходи за плоски фланци с диаметър до DN 2200 позволяват да се намали рязането на ламаринени ленти, последвано от нагряване и валцуване върху фланцов огъващ елемент. За този метод ултразвуковото откриване на дефекти на заварени шевове е задължително. Тази технология позволява да се намалят производствените разходи с 50-70%, за разлика от производството на фланци от плътен лист.
Напоследък, във връзка с прехода на много руски предприятия към оборудване, произведено по американски и немски стандарти (ANSI / ASME, DIN / EN), има нужда от нестандартни "преходни" фланци. На "преходните" фланци свързващата повърхност е направена съгласно стандарта за внос, а "яката" (полата) част на фланеца съгласно GOST (за руския размер на тръбопроводите).
Стандартни размери на плосък фланец
Точните параметри на всички стандартни размери на фланците, в зависимост от номиналното налягане, са представени в GOST 12820-80. Основните размери варират в следните диапазони:
- вътрешен диаметър на отвора: от 10 mm до 1000 mm;
- външен диаметър: от 75 mm до 1175 mm;
- най-голяма дебелина: от 8 mm до 25 mm;
- номинално тегло: от 0,25 кг до 52,58 кг.
Строителство на сгради
За свързване на отделни малки по размер строителни конструкции в цели огромни конструкции, например ферми, греди и др., Във възлите на опънатите конструкции се използват болтови фланцови връзки със следните профили [1]:
- отворен профил - T-греди, I-греди, сдвоени ъгли;
- затворен профил - кръгли и квадратни тръби.
org-wikipediya.ru
Геометрия и специфично тегло на продуктите
Важен параметър, който определя геометрията, е номиналният отвор на продуктите. Както вече беше отбелязано, той се обозначава с буквите "DN" и има индикатори от 10 до 200. Това се отнася до избора на необходимата част: когато потребителят знае DN, всички други размери се присвояват на фланеца автоматично. Например за модел DN 50 височината на вдлъбнатината ще бъде 57-59; DN 80 тази цифра е 89-91 и DN 100 - 108-110, където първата фигура показва вътрешния диаметър на тръбата или разклонителната тръба, а втората показва външния диаметър.


Чертеж на плосък фланец
Друг важен показател е теглото на фланците. Това зависи не само от обема, размера и височината, но и от неговата геометрия, материал на изработка. Струва си да се даде пример: фланец съгласно ГОСТ 12820-80 с DN 100 от плосък тип има тегло 2,85 кг, докато фланец със същия диаметър, но от тип яка съгласно ГОСТ 12821-80, има тегло от 4,4 кг. От това следва, че фланците с яка са по-тежки от плоските части.
Характеристики на дизайна на фланеца
В Русия се използват 3 вида свързващи фланци на тръбопроводи, които се различават структурно. Параметрите се задават от GOST.Типичната класификация на използваните стоманени фланци е включена в няколко стандарта:
- GOST 12820-80 се използва за плоски заварени части. Елементът се "поставя" на тръбата с последващи закрепващи закрепващи елементи. Връзката се осъществява с два шева в съединението. Инсталирането е трудоемко, но осигурява особено надеждна докинг станция.
- GOST 12821-80 се използва за стандартизиране на заварени челно части (друго име е фланец с яка). При сглобяването на връзката краят на тръбата и яка на основната част се съединяват. За здраво положение на частите заваряването се извършва с един шев.
- GOST 12822-80 се използва за свободни части на пръстена. Пакетът включва допълнителен елемент - пръстен с диаметър, равен на фланеца. Дизайнът се характеризира с лесна инсталация, която ефективно се използва на труднодостъпни места. Типът на връзката се използва, когато се изискват чести ремонти. Особеността на инсталацията се състои в заваряването на пръстена със свободното поставяне на фланеца, който може лесно да се върти върху тръбата.
По-рядко се използва GOST стандартизацията, приета за резбови фланци, изолационни видове за подводни тръбопроводи и други. Тези форми на тръбни връзки имат специално предназначение и са рядкост.
Като част от изискванията на GOST, се определят характеристиките и параметрите за всеки тип фланци:
- Условен пас.
Измерва се в милиметри и показва разликата в диаметрите между фитинга и тръбата. Параметрите не съвпадат и са важни за стоманени плоски фланци и елементи със заварен пръстен. За типовете съединителни части този параметър е без значение. За номиналния проход се използва символът DU, използвайки индексите A и B, където буквата A означава диаметъра на детайла, а B означава тръбите, изразени в милиметри.
- Редицата от дупки.
Параметърът задава разликата в размерите между свързващите отвори. В някои случаи за дупките се използват различни параметри на диаметрите, изразени в милиметри. Частите се произвеждат по подразбиране по ред 2 по подразбиране.
- Условен натиск.
Индикаторът изразява максимално допустимото налягане, способно да издържи връзката без възникване на течове и разрушаване. Параметърът се влияе от вида на частта, материала на производството, диаметъра, ширината на свързващата повърхност. Физическите параметри и тяхното влияние върху индикатора за максимално налягане се определят от GOST. При използване на данните се вземат предвид разликите в размера на обозначението на налягането.
- Работна температура.
Параметърът е необходим за определяне на граничната стойност на налягането. Физическата взаимозависимост на налягането и температурата на транспортираната течност трябва да се вземе предвид при преминаване на високотемпературна среда през тръби. Изчислената линейна интерполация влияе върху възможностите за свързване на фланеца, които намаляват с увеличаване на работните температури. В GOSTs връзката между температурите и налягането се установява за всеки тип фланец.
Какво представляват фланците
Обикновено се използват по двойки. Казано по-просто, това е кръгла или квадратна закопчалка, в която се вкарва тръба или друг тръбен елемент. Следващата тръба се вкарва в другия фланец, след което двете крепежни елементи се закрепват заедно с болтове. За това са предвидени голям брой отвори по външния периметър на детайла. Други видове продукти се поставят в края на тръбата. Съединението на тръбата и фланеца е заварено. По този начин той е свързващ елемент за тръбопроводи, резервоари, съдове, шахти, инструменти и т.н. За него също трябва да изберете правилните фланцови крепежни елементи (болтове, гайки, шайби, шипове), чийто вид и якост пряко зависят от едно и също налягане, температура и тип на транспортираната среда.
Фланцови приложения
Самият фланец не е свързващ елемент: неговата задача е да поддържа крепежните болтове и да гарантира плътността на това съединение. Като заключващи или свързващи елементи, фланците се използват в комуникациите на системата за жилищно-комунални услуги, петролната и химическата промишленост, горивната и газовата промишленост. Достатъчно здрава и издръжлива фланцова тръбна връзка се използва и за монтаж на измервателна система. Различни технологии и видове материали, използвани за производството на фланци, позволяват успешно експлоатация дори на системи, които провеждат агресивни среди под високо налягане.


Фланцови стоманени тръбопроводи
За монтажа на тръбопроводи обикновено се използват дискове от същия материал като основните елементи. Това гарантира равномерност на товара и застраховка срещу повреда на елементи в резултат на температурни спадове по шевовете на материали с различна топлопроводимост. Съответно, фланцовото свързване на полиетиленови тръби се извършва в подобен възел, но за стоманени тръби може да се използва фланец от чугун, алуминий, месинг, бронз. Лидер обаче е карбоновият стил - евтин, лесен за работа и практичен материал.
Описание на изолационните фланцови връзки, предназначение на IFS.
Изолационно фланцово съединение е структура, често използвана в тръбопроводите, състояща се от три фланца, между които паронитово уплътнение PON-B се използва като изолационен уплътнител. Фланците са свързани помежду си с помощта на шипове, които от своя страна също са изолирани от фланеца с помощта на флуоропластични втулки. Дизайнът на изолационната фланцова връзка включва също три винта за свързване на електрически инструменти.
Изолационният фланец е тръбен елемент, предназначен за защита на тръбопровода от разсеяни токове - така наречената електрохимична корозия. Проблемът с електрохимичната корозия е остър при работата на тръбопроводи, положени под земята. Бездомните течения, проникващи в тръби, които нямат надеждна изолация, са безопасни на входа, но създават опасна анодна зона на изхода, в която металът постепенно се разрушава под въздействието на електрически ток. Впоследствие в системата могат да се появят пукнатини, които могат да доведат до течове и аварии в тръбопроводната система.
При производството на IFS се използват шисти от стомана 09g2s, уплътнения и втулки, направени от флуоропласт, хардуер от стомана 40x (съгласно GOST 12816).
Случаи, когато е инсталиран IFS:
• на клоновете на участъци от тръбопроводи от главния тръбопровод;
• в близост до обекти на вероятни източници на бездомни течения, такива обекти могат да бъдат електрически подстанции, трамвайни депа, ремонтни бази;
• при инсталиране на тръбопровода, ако частите му са изработени от различни метали;
• да се изключи изолиран тръбопровод от различни потенциално опасни конструкции или на входа на такива съоръжения;
• на изхода на тръбопроводната система от територията на доставчика и на входа й на територията на потребителя;
• на вертикални издигнати участъци на входове и изходи на газоразпределителни пунктове и газоразпределителни станции.
Изолационната фланцова връзка е направена от два фланца, произведени в съответствие с GOST 12820-80 или GOST 12821-80.
В конструкция, при която се използват фланци съгласно GOST 12820-80, към фланците се заваряват стоманени тръби, за да се осигури неразделимо сглобяване на връзките. Това позволява заваряване на фуги без страх от прегряване, загуба на херметичност или загуба на електроизолационни свойства.
Общи изисквания за ремонт на фланцови връзки на оборудване и тръбопроводи променлив ток
Ремонт или други работи (включително заваряване) с разглобяеми съединения на оборудването и тръбопроводите под налягане не се допускат, освен при специални операции за дистанционно презареждане на горивни възли без изключване на реактора с помощта на специални машини или механизми.
При извършване на ремонтни дейности, свързани с декомпресията на оборудването и тръбопроводите, трябва да се вземат мерки за изключване на замърсяването на вътрешните кухини или проникването на чужди предмети там.
Запечатването на разглобяемите съединения на оборудването и тръбопроводите трябва да се извършва в съответствие с производствените инструкции, като се използва специален инструмент, който изключва възможността за създаване на неприемливи напрежения в крепежните елементи. Стойностите на затягане за щифтове с контролирано извличане трябва да бъдат формализирани с актове и да бъдат въведени в специални формуляри.
Ремонтът на тръбопроводните фланци и фитинги се състои от
при отстраняване на дефекти по уплътняващите повърхности (огледала), премахване на овалността на отворите за шпилки и подмяна на счупени или дефектни шпилки с нови.
След разглобяване фланцовите огледала се почистват от стари уплътнения, графит и следи от корозия до метален блясък. Почистването се извършва със скрепер. Чистотата на повърхността на огледалата се проверява за драскотини и удари от стъргалото.
След като разглобите фланците, не забравяйте да смените уплътненията. Не можете да поставите старо уплътнение, дори ако състоянието му е напълно задоволително.
Единични дълбоки дефекти, образувани на огледалото на фланеца в резултат на разрушаването му от струя пара или вода в случай на повреда на уплътнението (ерозионни канали), както и различни прорези и кухини, се елиминират чрез електрическо топене с предварителна селекция на дефектът механично. Заварените места се почистват и смилат.
Вижте фланцовата шлифовъчна машина и инструмента за притискане фиг. 11.9
Страница 1
Паралелизмът на фланците се определя чрез измерване на пролуките между фланците по периметъра им с помощта на габарит. Проверката на степента и еднородността на затягането на болтовете се извършва чрез измерване на тяхното удължение с помощта на микрометър или индикатор. За всеки 100 mm от дължината на шипа се допуска удължаване от 0 03 до 0 - 15 mm. Окончателното затягане на гайките на всички фланцови съединения, включително съединенията на капаците с корпусите на клапаните, с изключение на съединенията с метални уплътнения, се извършва при загряване на тръбопровода преди пускане в експлоатация при налягане, не по-голямо от 0 4 - 0 5 MPa. Мустаковата връзка се заварява, ако е необходимо, в следната последователност, както е показано на фиг. 4.4. В същото време, преди започване на заваряването върху мустаците, трябва да се извършат всички необходими тестове на продукта, да се провери неговата работоспособност и да се изключи необходимостта от рязане и повторно заваряване. Когато заварявате мустаци, заваряваните части трябва да бъдат компресирани от силата, посочена в техническата документация, която може да бъде осигурена или чрез затягане на определен брой шипове с зададения въртящ момент, или чрез използване на специално оборудване за връзване на два фланца. Мустаците, като правило, трябва да бъдат заварени по метода аргон-дъга. Изискванията за заваряване, контрол на заваръчния шев и последващата му проверка трябва да отговарят на инструкциите на техническата документация за всеки конкретен продукт.
Паралелността на фланците се проверява с помощта на хидравлично ниво или дебеломер. В този случай клапанът трябва да бъде монтиран с долния фланец върху хоризонтална опора.
Успоредността на фланците един с друг и краищата на тръбите се проверява със сонда. В същото време проверете дали няма пролука между носещите повърхности на фланеца и гайките. При условията на монтаж несъответствието на тръбопровода не трябва да се елиминира чрез счупване на оста във фланцовата връзка. Когато се подготвя фланцова връзка за монтаж, първо фланците се валцуват от тръбите, след това се измива консервантът и се проверява състоянието на резбите върху тях.За да се сглобят фланцовите връзки на тръбните кабелни елементи, тръбите се полагат и подсилват върху открити, проверени и подсилени опори. В този случай между краищата на допиращите се тръби остава минимална междина, през която може да се вкара лещата. Преди да поставите лещата на място, един или два щифта се поставят предварително във фланците. Обективът, изтрит с чист парцал, се проверява и, ако няма повреди по него, се монтира между двата фланца с помощта на специални клещи. След инсталирането на лещата тръбите се събират заедно и напълно притискат лещата между краищата на тръбите с шипове.
Паралелността на фланците на устройството по време на сглобяването се проверява с манометър.
Допустимите отклонения от паралелността на фланците при сглобяване на фланцови съединения при работно налягане до 16 tegs / sr1 трябва да бъдат: не повече от 0 2 mm за тръби с външен диаметър до 108 mm и не повече от 0 3 mm за тръби с диаметър над 108 mm.
Допустимите отклонения от паралелността на фланците при сглобяване на фланцови връзки при работно налягане до 16 kg / cm2 трябва да са не повече от 0 2 mm за тръби с външен диаметър до 108 mm и не повече от 0 3 mm за тръби с диаметър над 108 mm.
Допустимите отклонения от паралелността на фланците и сглобяването на фланцови връзки при работно налягане до 16 kgf / cm трябва да бъдат: не повече от 0,2 mm за тръби с външен диаметър до 108 mm и не повече от 0,3 mm за тръби с диаметър над 108 мм.
При сглобяването на маслената линия е необходимо: да се осигури успоредност на фланците чрез изстъргване или изравняване чрез нагряване на тръбата до температура 300 - 400 C; инсталирайте картонни уплътнения с вътрешен диаметър с 2 - 3 mm по-голям от вътрешния диаметър на фланеца.
Когато се сглобяват фланците, фланците трябва да са успоредни. Стойностите на допустимите отклонения (в mm) за всеки 100 mm от номиналния диаметър на тръбопровода, в зависимост от категорията на тръбопровода, са дадени по-долу.
При сглобяване на фланцови връзки се допускат отклонения от успоредността на фланците на всеки 100 mm от номиналния диаметър; за тръбопроводи от 3-та категория - 0 1 mm, 4-та категория - 0 2 mm. Изправянето на изкривяването на фланците, когато те са свързани чрез затягане на болтовете или шпилките, както и премахването на процепа чрез инсталиране на клинови разделители не е разрешено.
Поради необходимостта от точно подравняване на комуникационните елементи и успоредността на фланците, за да се осигури правилното им затягане, перпендикулярността на осите на фитингите или спазването на посочения ъгъл се проверяват с помощта на специални шаблони, направени за закрепване към реброто от ламарина.
Фланците се използват широко за надеждно и плътно свързване на тръби, шахти, различни въртящи се части и компоненти на устройства и машини. Най-често срещаният начин за инсталиране на фланец на тръба е заварен.
Изолационни фланцови връзки на газопровода
Централен склад и монтажна зона
поз. Ридж, ул. Sputnik / ул. Курган, 330-37-01, 246-53-78
LLC "Stroykomplekt" е сертифициран производител на IFS (изолационна връзка на газопроводи, изолационна фланцова връзка). Сертификат за съответствие № С-RU.АE56.B.00987 TP 0681219, издаден от сертифициращия орган. Валиден от 06.06.2011 до 05.06.2016. ...
Възможна е специална поръчка за производството на компоненти и IFS (изолационна фланцова връзка, изолационна връзка на газопроводи) с DN до 300.
IFS (изолираща фланцова връзка), изолираща връзка на газопроводи) е здраво закрепена връзка на две секции на тръбопровода, която с помощта на електрически изолационно уплътнение и втулки предотвратява преминаването на електрически ток по тръбопровода. IFS (изолационна фланцова връзка, изолационна връзка на газопроводи) се състои от три фланца. Като уплътнител-изолатор между тях е използвано паронитно уплътнение PON-B. Свързването на фланците се осигурява от щифтове, които са изолирани от фланеца чрез флуоропластични втулки.Предвидени са три винта за свързване на електрически измервателни уреди в конструкцията IFS (изолационна фланцова връзка, изолационна връзка на газопроводи).
Техническа характеристика:
Номинално налягане на средата (PN) 10, 16, 25 kgf / cm2 Температура на средата: от -30 до 250 ° С Устойчивост при напрежение 1 kV, не по-малко от 5 MΩ
Отговаря на GOST 12816-80 Сертификат № ROSS RU.AYU96.B03259 от 04/12/05 Лиценз № AYu96.V00415 от 05/07/01
Фиг. 1 Изолираща фланцова връзка
Техническо описание:
IFS (изолационно съединение на газопроводи, изолиращо фланцово съединение) е здраво плътно свързване на две секции на тръбопровода, което посредством електрически изолиращо уплътнение и втулки предотвратява преминаването на електрически ток по тръбопровода. Дизайнът на IFS (изолационна връзка на газопроводи, изолационна фланцова връзка) е показан на фиг. 1. IFS (изолационна връзка на газопроводи, изолационна фланцова връзка) се състои от три фланца (поз. 1 и 3). Като уплътнение между тях се използва паронитно уплътнение PON-B (т. 5). Връзката на фланците (поз. 1 и 3) е закрепена с болт (поз. 4), който е изолиран от фланеца (поз. 1) чрез флуоропластична втулка (поз. 2). Предвидени са три винта (т. 6) за свързване на електрически измервателни уреди в конструкцията на IFS (изолационна връзка на газопроводи, връзка на изолационен фланец).
Предимства на заварен фланец
Фланцовите връзки са вид подвижен метод за закрепване. Използването на метални дискове позволява, ако е необходимо, да разглобявате участъка на тръбопровода за рутинна поддръжка. Заварените фланци, за разлика от резбовите аналози, осигуряват по-висока надеждност на връзките и са икономически изгоден начин за свързване на тръби с други продукти.
Монтажът на фланцови дискове и тяхното закрепване към тръбата може да се извърши чрез:
- ръчно дъгово заваряване;
- полуавтоматичен.
Резултатът с най-добро качество се осигурява чрез устойчиво заваряване. Фланцовото свързване е наличен метод за монтаж. Голямо разнообразие от стандарти и материали, от които са изработени фланците, ви позволява да изберете най-добрите опции за висококачествена разглобяема връзка. Фланците за заваряване се използват навсякъде във всички области на индустриалното производство.
Класове на налягане във фланеца
Частите, произведени съгласно стандартите Asme (Asni), винаги се характеризират с редица параметри. Един от тези параметри е номиналното налягане. В този случай диаметърът на продукта трябва да съответства на неговото налягане в съответствие с установените проби. Номиналният диаметър се обозначава с комбинация от буквите "ДУ" или "DN", след което има число, характеризиращо самия диаметър. Номиналното налягане се измерва в "RU" или "PN".


Чертеж на фланец с различни обозначения
Класовете на налягане на американската система съответстват на преобразуването в MPa:
- 150 psi - 1,03 MPa;
- 300 psi - 2,07 MPa;
- 400 psi - 2,76 MPa;
- 600 psi - 4,14 MPa;
- 900 psi - 6,21 MPa;
- 1500 psi - 10,34 MPa;
- 2000 psi - 13,79 MPa;
- 3000 psi - 20,68 MPa.
Преведено от MPa, всеки клас ще посочи налягането на фланеца в kgf / cm². Класът на налягане определя къде ще се използва избраната част.
Съединителни уплътнения
При избора на уплътнение за фланцова връзка е задължително да се вземе предвид естеството на средата, с която ще работи тръбопроводът. Вземат се предвид и следните параметри: температура, налягане, околна среда. Фланцовото уплътнение може да бъде подвижно или неподвижно. В зависимост от това се използват ниско топящи се уплътнения, паронит, каучук и други материали. За плоски фланци те се запечатват с помощта на гофрирани или метални уплътнения, които са меко подплатени.
Много важен параметър при свързване на фланец към тръбопровод е силата, с която се компресира уплътнението. Обикновено се измерва в стотици килонутони.
Ако говорим за това какви размери имат уплътненията, тогава отбелязваме, че те са предназначени да осигурят сглобяването на блока, като се вземат предвид повърхностите, които заема самото уплътнение. Когато центрирате целия монтаж, не трябва да има екструзия на уплътнение. Допълнителни конструкции на фланец могат да се използват за по-добро закрепване на уплътнението към фланеца. По-специално, шип и жлеб на две повърхности, противоположни една на друга, могат да бъдат някаква брава. Той не само предпазва уплътнението, но и увеличава уплътнението на фугата.
Фланцови сортове
На официалния сайт на нашата компания е представен виртуален каталог, в който всички продадени фитинги са поставени според тематичните раздели. В него е отделено отделно място за фланци, които се различават помежду си не само по модификация, но и по следните параметри:
- по метода на монтаж;
- по обхват на приложение;
- върху материалите, използвани при тяхното производство;
- по параметри на работа.
Днес нашите клиенти са на разположение плоски и ходови фланци. Те се използват активно от стопански субекти, специализирани в производството и добива на полезни изкопаеми.
Характеристики на фланците за яка
В процеса на производство на фланци за яка, производителите използват високоякостна стомана с различни маркировки като основна суровина. Готовите продукти могат да издържат на налягане от 1-10 МРа и могат да работят при различни работни температури, поради което се класифицират, както следва:
- марка стомана № 20 и 25 - фланецът ще изпълнява възложените му функции при температури до - 30 градуса;
- конструкционни стоманени класове - фланците могат да се експлоатират при изключително ниски температури до - 70 градуса.
Характеристиките на дизайна на фланерите на яката включват наличието на пресечени издатини на повърхността им. Функцията на този елемент е да осигури херметична тръбна връзка.
Технически възможности на плоските фланци
Плоските фланци се произвеждат в производствена среда с високотехнологично оборудване и съвременни технически стандарти. Готовите продукти напълно отговарят на държавните норми и стандарти и се продават за продажба заедно с придружаващата документация и съответните сертификати. Основната цел на плоските фланци е да осигурят разглобяеми тръбни връзки по време на монтажа на тръбопроводи и блокове за управление на спирателни кранове и системи. Трябва да се отбележи, че въпреки възможността за бърз демонтаж на такива фланци, тяхното използване гарантира най-плътната връзка за инженерни комуникации. Тези фитинги могат да изпълняват своите функции в продължение на много десетилетия при широк температурен диапазон: от + 300 до - 70 градуса. Посетителите на уебсайта на компанията TK Engineering имат достъп до различни модификации на плоски стоманени фланци, които са направени от следните видове:
- топлоустойчив;
- неръждаема;
- легирани и др.
Ние също така предлагаме:
Плоски стоманени фланци
Функции и характеристики на фланец за свързване
Какво представлява фланецът на тръбата? Това е плоска стоманена плоча с пръстеновидна (по-рядко квадратна или правоъгълна) форма. В средата има отвор върху него, където се вкарва крайният участък на тръбата. Ръбовете на плочата са оборудвани с няколко отвора, разположени на еднакво разстояние един от друг: болтове или щифтове са резбовани през тях и затегнати с гайки.
Фланцовите тръбни връзки са добра алтернатива на заваряването и съединителите, с възможност за бърз монтаж и демонтаж. Монтажът е придружен от заваряване на крайната част и проходния фланец един към друг. Освен това двете плочи се изтеглят една с друга с помощта на ключове с подходящ размер. За големи фланци при затягане са необходими рамена на тръбите.


За да се направи докингът херметичен, се използват гумени или флуоропластични уплътнителни уплътнения. Освен това, ако има нужда от припокриване на определени участъци от тръбопровода за ремонт, се предвижда да се използват специални тапи, наречени уплътнения. По този начин тръбопроводите могат да бъдат свързани към различни устройства и технологични резервоари: това са главно топлообменници. За това краят на тръбата е снабден със заварен фланец, който е свързан с всмукателната тръба на блока.
Фланците по тип приложение са разделени на следните типове:
- Отделни участъци от тръбопроводи, съединяващи се един с друг. Проектиран за налягане от 0,1 - 20 MPa (GOST # 12815).
- Осигуряване на възможност за свързване на тръбопроводи с оборудване и контейнери (GOST # 28759).
За изчисляване на фланцовите връзки има специална литература със съответните таблици.
От какво са направени?
Фланците са направени от стомана. В зависимост от работното налягане, температурата и вида на транспортираната среда (пара, газ, нефт, вода) те се произвеждат или от специална сплав, или от конвенционални класове въглерод и неръждаема стомана.
Основни видове:
- най-често срещаните са конвенционалните плоски заваръчни фланци;
- стоманените фланци са по-трайни и удобни;
- за монтаж на труднодостъпни места най-често се използва свободен фланец на заварения пръстен;
- нестандартни фланци, които се изработват по индивидуални чертежи за конкретна поръчка.
Помислете за най-популярните опции за продукти.
Производство на фланец: технология и материали
Фланците обикновено са направени от нисколегирана въглеродна стомана, която е устойчива на корозия. Ако се използва чугун, се използват следните марки: SCh15, SCh20, ковък чугун KCh30-6; високоякостен чугун VCh 40 и VCh 45.
Що се отнася до фланците от тип 01-04, за тяхното производство може да се използва ламарина. В случай, че шевовете са заварени по цялата секция, фланците също могат да бъдат заварени. За продуктите от тип 11 обаче не се използва ламарина. Тук се използват щамповани заготовки или изковки.
Фланците, които се изработват чрез коване, щамповане, валцуване с горещ метал, отговарят максимално на съвременните оперативни изисквания. Най-добре е, когато след горещо щамповане продуктите се подлагат на допълнително термично втвърдяване.
Чугунните фланци са по-малко деформирани. С тях обаче трябва да се работи внимателно, като се има предвид, че чугунът е крехък материал. Например, при затягане на крепежни елементи трябва да се спазва прагът на сила, за да не се счупи чугунът.
Типове фланци
И така, фланецът е преди всичко хардуер. В зависимост от приложението тези части могат да бъдат плоски, яка, безплатни. Дизайнът не е много по-различен. Фланците на яката имат малка конусовидна издатина. Често се нарича яка. Този тип фланец се използва, когато частите трябва да бъдат заварени челно. Тази издатина помага за плътно свързване на тръбните фитинги заедно. Те са необходими и когато тръбопроводите се доставят към резервоари или друго техническо оборудване. Основното предимство на тези фланци е, че те могат да се използват няколко пъти. Този хардуер е направен от трайни материали и това им позволява да се използват при работа, където температурата варира от -253 до +600 градуса по Целзий.


Какво представлява плосък фланец? Това е хардуер, който прилича на плосък диск с дупки. Използва се, когато трябва да свържете части от фитинги, шахти, съдове, тръбопроводи, устройства и други подобни. С този елемент можете плътно да закрепите части от тръбопроводите.
Разхлабен фланец - какво е това? Тази гледна точка не се различава много от изброените по-горе. Състои се от две части: правилен фланец и пръстен
Важно е те да са направени от един и същ материал и да имат еднакъв диаметър и налягане. Те се използват там, където работата е най-трудна, където монтажът е труден.
Поради двете части връзката ще бъде плътна и здрава. Първо се свързва конвенционален фланец (той е заварен), а след това другият пръстен може безопасно да се завърти по време на работа.
Степента на херметичност на връзките
Най-важното изискване за свързването на тръбопровода с фитингите е плътността. Струва си да се отбележи, че загубата на уплътняване на фланцовите връзки не се дължи на обективни недостатъци, а поради ненавременна и небрежна поддръжка. За да се гарантира, че връзките на тръбопровода са винаги плътни, е важно редовно да затягате държачите на фланеца. Разбира се, не трябва да забравяме и за уплътненията.
Надеждност, възможност за многократна инсталация, приложение при различни температурни условия - всичко това, а не само се отнася до предимствата на въпросната връзка. Може да се използва за свързване на тръбопроводи с почти всякакъв диаметър (от 10 до 1800 мм).
Имайте предвид, че огромен брой фланцови разновидности не объркват специалистите. Напротив, те имат много възможности за създаване на качествени връзки. Различни варианти за дизайн, стандартни продукти, общи технически изисквания ни позволяват да изпълняваме работа на най-високо ниво.
Днес в Русия има стандартен GOST 33259-2015 Фланцови клапани, връзки с номинално налягане до PN250. Размери, дизайн, общи технически изисквания. Този документ заменя GOST, които са били използвани преди това.
По-специално, GOST 33259-2015 изброява 6 вида фланци. Първите четири елемента имат следното име: стомана, плосък фланец.
Що се отнася до стоманените плоски фланци за заваряване, те се поставят върху тръбата и след това се заваряват към нея.
Разхлабените фланци се характеризират с факта, че диаметърът на вътрешния участък е по-голям, отколкото на тръбата във външния диаметър. Следователно заваряването на тръбопровода се извършва лесно, което означава, че инсталирането става лесно.
Плоският стоманен фланец върху заварен пръстен, освен самия фланец, има и пръстен, който съвпада с фланеца по отношение на номиналния диаметър. Чрез заваряване можете да фиксирате не само пръстена, но и да оставите фланеца свободен. Този метод на фиксиране е полезен при инсталиране на фланцови връзки на места, където е много трудно да се достигне, с необходимостта от честа подмяна и ремонт на клапани.
За да се използват стоманени, плоски фланци от свободен тип, краят на тръбата трябва да бъде подготвен върху фланеца. Той се деформира до равна, упорита повърхност. Тези фланци се използват най-добре на цветни тръбопроводи.
Когато стоманени, плоски фланци от свободен тип са монтирани върху скоба, скоба се поставя под заваряване вместо затворен пръстен.
Стоманеното челно съединение е съединено от единичен заваръчен шев, който свързва края на тръбата с краищата на фланеца. Вътрешният му диаметър е точно същият като този на тръбата.
Въз основа на GOST 33259-2015, за типове 01.02, 11 и 21, са предвидени 2 серии размери. Първият ред се счита за предпочитан.
Как се прави фланцова връзка?
Когато е необходимо да се свържат две части на тръбопровода, се използва заваряване на стоманен фланец към тръбата. Такава фиксация се нарича фланцова връзка и в бъдеще дава възможност за разглобяване на тръбопровода, за да се извърши ремонт. За да разберете как се извършва сглобяването, трябва да разгледате подробно процеса:
- За свързване на два елемента се използват плоски части, които имат отвор в центъра, където е поставен краят на тръбата.
- По периметъра на пръстена има дупки - в тях се вкарват крепежни елементи: болтове или болтове с гайки.
- Връзката ще бъде разглобяема, така че да бъде запечатана с помощта на уплътнения. Фланцовата връзка е проектирана да свързва две тръби или да свързва тръба към резервоар, оборудван с входяща тръба с фланци.


Илюстративен пример за фланцова връзка
Фланецът може да бъде направен със собствените си ръце - такъв детайл е идеален за острие за машина за заточване на предмети.
Инструменти за производство на съединения
За да направите независимо свързването на две тръбни части, трябва да подготвите инструменти.По принцип това е оборудване, предназначено за затягане на болтови съединения по обиколката на фланците:
- ръчен ключ;
- гаечен ключ;
- пневматичен гаечен ключ;
- хидравличен динамометричен ключ;
- болт обтегач хидравличен тип.


Докинг на тръби
Освен това ще се изисква специален лубрикант, който се нанася върху двете повърхности, за да се избегне триенето между частите и да се осигури лекота на въртящия момент. Последователността на работа е проста: първо затегнете първия болт, след това продължете да затягате този, който е диагонално на 180 градуса от първия. След това те отиват до болта, разположен под ъгъл от 90 градуса от втория, а от него към противоположния.
Съвети от майсторите
Има редица полезни препоръки от професионални майстори, които ще ви помогнат да се справите с фланцова връзка за първи път:
- Ако частите имат 4 отвора, тогава болтовете трябва да бъдат затегнати напречно.
- Повърхността на конструкцията трябва да бъде обезмаслена и проверена за корозия и ръжда.
- Препоръчително е да се използват само нови уплътнения и те трябва да се монтират строго в центъра.
- Моментът на затягане на болтовете трябва да бъде еднакъв - това е единственият начин да се осигури надеждна и плътна връзка на фланеца.


Свързани тръби с фланци
За да се премахне фланеца в бъдеще, се използват специални машини, които помагат за пробиването му и разхлабването на болтовете. Трудно е да се отстраняват части ръчно, поради което се използват пневматични инструменти.
Свързването на тръби с фланци е удобен и надежден начин за съединяване на две части. Това помага в бъдеще да се извърши ремонтът на тръбопровода чрез премахване на свързващите елементи, докато заваряването няма да позволи извършването на тази процедура. Той е избран точно в съответствие с условията на работа, температурата и диаметъра на тръбата.
Инструменти
51 гласа
+
Глас за!
—
Против!
Надеждността на всяка система зависи от надеждността на най-слабото звено в системата. Заварените съединения на стоманени тръби са надеждни и се използват в повечето случаи. Но възникват ситуации, при които използването на заварено съединение е невъзможно. Свързване на различни фитинги, осигуряване на сгъваема връзка, възможност за предотвратяване и ремонт на тръбни фитинги, както и работни възли на единици, свързване на различни тръби: чугун-пластмаса, чугун-стомана, стомана-пластмаса, стомана-азбестоцимент, пластмаса азбестов цимент и решаването на много повече технологични проблеми. Фланцовата връзка трябва да гарантира надеждността и дълготрайността на работата на такива връзки. По принцип конструкциите на фланеца включват двойка фланци и уплътнение и пръстени, които са закрепени с болтове или шипове.
Съдържание
- Фланци - общи характеристики на видеото
- Характеристики на дизайна на фланеца
- Обозначение на фланеца
- Фланцови уплътнения
- Затягащи фланцови връзки видео
Фланци - общи характеристики
За унифицирането на продуктите и възможността за използване на тези продукти в различни страни по света без допълнителна обработка е въведена ясна класификация на фланцовите връзки. Понякога един и същ фланец в различни класификации ще има различни обозначения.
Основните класификации, използвани в света:
- ГОСТ - стандартът, приет в СССР и действащ в постсъветското пространство;
- DIN - немски стандарт, валиден в Европа;
- ANSI / ASME е американски стандарт, валиден в САЩ, Япония и Австралия.
Има стандарти за преобразуване на таблици, които показват кой стандарт отговаря на даден фланец.
За производството на фланци се използват различни материали:
- излято желязо;
- ковък чугун;
- въглеродни стомани;
- неръждаеми стомани;
- легирани стомани;
- полипропилен.
Полипропиленовите фланци са широко разпространени през последното десетилетие. Те се използват главно за монтаж на системи без налягане, свързване на PE тръби с метални тръби, свързване на фитинги за тръби, върху които е монтиран фланец. Фланци като метални фланци се правят чрез отливане или щамповане.


Фланците също са разделени по видове:
- плосък (GOST 12820-81);


- яка (GOST 12821-81);


- разхлабени фланци на заварения пръстен (GOST 12822-80);


- фланци за съдове и апарати (GOST 28759.2-90);


- пръстен (GOST 12836-80).


Разрешено е да се произвеждат квадратни фланци, които имат поне 4 отвора за болтове или шипове. Такива фланци могат да се използват в системи с максимално налягане не повече от 4,0 МРа.
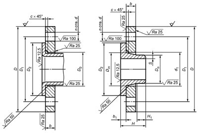
Според номенклатурата и съответно ГОСТ 12815-80, фланците на фитингите и фитингите за тръби имат девет основни версии на уплътняващата повърхност:
- интернет доставчик. 1 - със свързващ перваз, най-често срещаната версия на фланците, има специален свързващ перваз под формата на фаска под ъгъл от 45 °
- интернет доставчик. 2 - подобен по дизайн на предишния модел, само свързващият перваз върви под ъгъл от 90 °;
- интернет доставчик. 3 - с вдлъбнатина от вътрешната страна и издатина от външната страна под ъгъл 45 °;
- интернет доставчик. 4 - с трън;
- интернет доставчик. 5 - с жлеб под формата на пръстеновидна проба;
- интернет доставчик. 6 - под уплътнението на лещата е избрана фаска отвътре;
- интернет доставчик. 7 - за уплътнение с овално сечение, пръстеновидна проба във формата от крайната страна;
- интернет доставчик. 8 - с шип за флуоропластично уплътнение;
- интернет доставчик. 9 - с жлеб за флуоропластично уплътнение.


Фланците на съдовете и апаратите имат свои собствени изисквания за производителност, посочени в GOST 28759.2-90, а за плоски заварени фланци - в GOST 28759.390
Характеристики на дизайна на фланеца
Фланците, както всяка тръба или спирателен вентил, имат няколко конструктивни характеристики. Когато избирате и декодирате обозначението на фланците, тези характеристики трябва да бъдат известни.
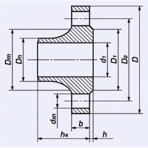
Условен пас
Номинален отвор на фланеца е вътрешният диаметър на тръбата, фитинга или спирателния вентил, към който е заварен фланецът. Той се взема на базата само на номиналния диаметър на тръбата.
За плоски заварени фланци с номинален отвор 100, 125, 150, в зависимост от версията, е посочена буквата (A, B, C) - от нея зависи външният диаметър на тръбата, ако буквата не е посочена, буква А се счита по подразбиране.
Редове
Всички геометрични размери на фланеца ще зависят от номиналния размер. Същият фланец със същия номинален отвор може да бъде направен по два начина - ред1 и ред2. Те се различават в различните централни разстояния между свързващите отвори, както и в някои случаи в различен диаметър на свързващите отвори. По подразбиране фланците се правят в ред 2.
Налягане
Важно свойство на фланцовата връзка е способността да поддържа налягането в системата без течове и разрушаване на системата. Този показател е обозначен като условно налягане. Индикаторът за номинално налягане зависи от геометричните размери на фланеца, материала на производството, конструкцията и уплътнителното уплътнение.
Важно: Когато поръчвате фланци, не забравяйте, че има различни размери на налягането: в kgf / cm2, Pa (MPa), atm., Bar. Поради това е необходимо да се посочи точно за какъв натиск трябва да бъде проектиран този продукт.
Температура
Температурата на работната течност ще стане температурата на фланеца, трябва да се отбележи, че параметрите на налягането и температурата са взаимозависими. С повишаване на температурата максималното налягане, при което работи фланцовото съединение, ще спадне. Зависимостта може да се изрази чрез линейна интерполация. Връзката между работната температура и налягането за всеки фланец е дадена в специални таблици и GOST.
Обозначение на фланеца
Всеки от видовете фланци има свое специфично обозначение, ние ще разгледаме всеки от тях.
Плоски заваръчни фланци
Нека вземем пример за обозначението на плоски заварени фланци:
Фланец 1-65-25 09G2S ГОСТ 12821-80
Плосък заварен фланец версия 1 с номинален отвор (DN) - 65 mm, проектиран за номинално налягане 25 kgf / cm2, изработен от стомана 09G2S в съответствие с ГОСТ 12821-80.
Когато избирате фланец за флуоропластично уплътнение след цифрата Du, посочете буквата F.
Фланци за яка
Фланец 1-1000-100 ст. 12x18n10t ГОСТ 12821-80
Означава фланец от версия 1, с номинален отвор 1000, проектиран за налягане от 100 kgf / cm2, изработен от стомана 12x18n10t, която е структурна неръждаема стомана.
За квадратни фланци допълнително е посочено името - квадратен фланец.
Както и при плоски фланци, когато използвате флуоропластично уплътнение, посочете буквата F.
Разхлабени фланци на заваръчния пръстен
Обозначението на свободните фланци, както и на плоските фланци е малко по-различно. Тъй като този продукт използва заварен пръстен, обозначението на фланеца включва и обозначение на пръстена, например:
Фланец 50-6 ST20 ГОСТ 12822-80
Пръстен 1-50-6 ST 35 GOST 12822-80
Тук: 50 - номинален отвор, номинално налягане 6 kgf / cm2, фланецът е направен от стомана st20, пръстенът е направен от стомана st35.
За условен пасаж 100, 125, 150 трябва също да посочите буквата (A, B, B), по подразбиране - A.
Фланцови уплътнения
Уплътняването на единица или съединение под прекомерно налягане, често в агресивна среда, играе важна роля при проектирането на фланцово съединение.


В зависимост от вида на използвания фланец или иго, конструкцията, налягането, температурата, химичните свойства на средата, като уплътнителни уплътнения се използват следните:
- KShch (7338-77) - технически киселинно-алкален каучук;
- MB (7338-77) - гума, устойчива на масло и бензин;
- Т (7338-77) - техническа топлоустойчива гума;
- PON (481-80) - паронит с общо предназначение;
- PMB (481-80) - устойчив на масло и бензин паронит;
- Азбестов картон;
- Флуоропласт-4.
Затягащи фланцови връзки
Затягането на фланцовите връзки е ключът към монтажа на фланеца. За да се постигне максимално уплътнение, всички части трябва да бъдат точни.
Подготовка на елементите
Почистете и обезмаслете повърхностите на фланеца, проверете за драскотини, вдлъбнатини и вдлъбнатини. Проверете за корозия на самия фланец и на крепежните елементи - болтове и гайки. Отстранете прорезите от резбата, можете също така да "забиете" всеки болт и гайка по протежение на резбата. Смажете резбите или болтовете на болтовете. Подгответе и монтирайте уплътнението. Уверете се, че е инсталиран правилно, трябва да бъде центриран.
Важно: Не използвайте стари уплътнения, ако не е възможно да се замени уплътнението, могат да се монтират няколко стари уплътнения.
Последователност на затягане
Правилният ред на затягане на болтовете ще гарантира, че фланецът е здраво и правилно поставен. За да направите това, леко засенчете първия болт, изберете следващия болт от противоположната страна, затегнете също леко. Третият болт, който затягате, е на четвърт оборот (90 °) зад първия или близо до този ъгъл. Четвъртият е срещу третия. Продължете последователността, докато всички болтове бъдат затегнати. Когато затягате фланците с приставка с 4 болта, използвайте техника на кръстосване.
Въртящ момент
За да се получи най-течащата връзка, болтовете трябва да имат правилния момент на затягане. Стягащото напрежение трябва да бъде равномерно разпределено по фланеца. По време на затягане, сила на опън действа върху болта, противоположен на силата на затягане на съединението. Прекомерната сила на затягане може да оголи резбите на болта или да счупи самия болт.
За регулиране на затягащия момент се използват различни техники на затягане:
- хидравличен опъващ механизъм;
- хидравличен динамометричен ключ;
- пневматичен гаечен ключ;
- ръчен динамометричен ключ.
В краен случай можете да използвате затягане на ръката, но е по-добре професионалистът да работи по този начин.
Независимо от избрания метод на затягане, въртящият момент, с който се затягат гайките, трябва да отговаря на спецификациите на продукта.
След инсталиране на фланеца и стартиране на системата, през първите 24 часа работа е възможна загуба на момент на затягане до 10%. Това е присъщо на всяка болтова връзка поради вибрации, свиване на уплътнението и температурни промени.
След ден-два допълнително затегнете резбовите връзки към зададения въртящ момент, съгласно спецификацията.
От какво е направена частта
В индустрията се използват стоманени фланци, но стоманата, от която е направена частта, също варира. Маркирането на стоманените фланци ще определи при какви условия е най-добре да се използва дадена част:
- Стомана 20 е най-използваната суровина. Това е въглеродна стомана, части от нея се използват за сглобяване на фитинги по магистрали, където външната температура не е по-ниска от –40 градуса, а вътрешните показатели не са по-високи от +475 градуса.
- Стомана 09g2s - стомана от сплави на никел, хром и молибден, предназначена за заваряване. Продуктите от този материал могат да се използват при външна температура от –70 градуса.
- 12Х18Н10Т - криогенна стомана. Части, изработени от този материал, могат да се използват в агресивна среда, например с основи и киселини. Допустимата температура е от - 196 градуса до +350 градуса.
- 10Х17Н13М2Т - устойчива на корозия обикновена стомана. Крепежни елементи от него се използват в особено екстремни условия, тъй като той остава устойчив на корозия под напрежение. Работни температури от -196 до +600 градуса.
- 15Х5М - нисколегирана топлоустойчива стомана. Такива продукти имат висока устойчивост на окисляване при температури от + 600-650 градуса.
Тези марки са най-използваните, но производителите използват и други суровини освен тях. Има модели от полипропилен - те са предназначени за свързване на полипропиленови тръби с метални клапани. Работната температура на такъв материал е много по-ниска - +80 градуса. В комплект може да им се продава яка за фланец - специална част за създаване на фланец връзка от полипропилен.


Полипропиленов фланец
В допълнение към стоманата и пропилена се използват два вида чугун - ковък и сив. Частите, изработени от ковък чугун, се използват при работни температури от -30 до +400 градуса, а от сив чугун - при температури от -15 до +300 градуса.
Фланци
Производител: LLC "Liskimontazhkonstruktsiya"
Най-често срещаният тип свързване на спирателни, регулиращи клапани, филтри и друго технологично оборудване към тръбопроводи е фланцова връзка. Предимства: възможността за многократно монтиране и демонтиране на тръбопровода, надеждността на уплътняващите фуги и възможността за затягането им, голяма здравина и годност за много широк диапазон от налягания и проходи.
Недостатъци: възможността за разхлабване на затягането и загубата на херметичност с течение на времето, значителна трудоемкост на сглобяването и разглобяването, големи размери и тегло, особено с увеличаване на налягането и номиналния отвор.
Фланцовите връзки на тръбопроводи и фитинги за номинални налягания от PN 1 до PN 200 са стандартизирани от GOST 54432-2011.
Фланците, използвани за свързване на фитинги, оборудване и инструменти към газопроводи, трябва да отговарят на GOST 54432-2011.


Фиг. 1.1. Типове фланци
Забележка. Фланците от тип 21 са елемент от фитинги, оборудване или фитинги за тръби и не се произвеждат отделно.
Видовете фланци са показани на фиг. 1.1, и дизайна на уплътняващите повърхности на фиг. 1.2.


Фиг. 1.2. Дизайн на запечатващи повърхности
Забележка. Уплътняващите повърхности на версии L и M се използват за флуоропластични уплътнения.
Приложимостта на фланците с номинален диаметър DN в зависимост от номиналното налягане PN за всеки тип фланец е дадена в табл. 1.1
Таблица 1.1. Приложимост на фланеца
| Тип фланец | Номинално налягане PN, kgf / cm2 | Номинален диаметър DN | ||||||||||||||||||||||||||
| DN 10 | DN 15 | DN 20 | DN 25 | DN 32 | DN 40 | DN 50 | DN 65 | DN 80 | DN 100 | DN 125 | DN 150 | DN 200 | DN 250 | DN 300 | DN 350 | DN 400 | DN 450 | DN 500 | DN 550 | DN 600 | DN 700 | DN 800 | DN 900 | DN 1000 | DN 1200 | DN 1400 | ||
| Тип 01.Стоманени плоски заварени фланци | PN 1 | х | х | х | х | х | х | х | х | х | х | х | х | х | х | х | х | х | х | х | х | х | х | х | х | х | х | |
| PN 2.5 | х | х | х | х | х | х | х | х | х | х | х | х | х | х | х | х | х | х | х | х | х | х | х | х | х | х | ||
| PN 6 | х | х | х | х | х | х | х | х | х | х | х | х | х | х | х | х | х | х | х | х | х | х | х | х | х | х | ||
| PN 10 | х | х | х | х | х | х | х | х | х | х | х | х | х | х | х | х | х | х | х | х | х | х | х | х | х | х | ||
| PN 16 | х | х | х | х | х | х | х | х | х | х | х | х | х | х | х | х | х | х | х | х | х | х | х | х | х | |||
| PN 20 | х | х | х | х | х | х | х | х | х | х | х | х | х | х | х | х | х | х | х | х | ||||||||
| PN 25 | х | х | х | х | х | х | х | х | х | х | х | х | х | х | х | х | х | х | х | х | х | х | ||||||
| Тип 02. Разхлабени стоманени фланци на заваръчния пръстен | PN 1 | х | х | х | х | х | х | х | х | х | х | х | х | х | х | х | х | х | х | х | ||||||||
| PN 2.5 | х | х | х | х | х | х | х | х | х | х | х | х | х | х | х | х | х | х | х | |||||||||
| PN 6 | х | х | х | х | х | х | х | х | х | х | х | х | х | х | х | х | х | х | х | х | ||||||||
| PN 10 | х | х | х | х | х | х | х | х | х | х | х | х | х | х | х | х | х | х | х | х | ||||||||
| PN 16 | х | х | х | х | х | х | х | х | х | х | х | х | х | х | х | х | х | х | х | х | ||||||||
| PN 25 | х | х | х | х | х | х | х | х | х | х | х | х | х | х | х | х | х | х | х | х | ||||||||
| Тип 03 Тип 04. Разхлабени стоманени фланци на фланеца и на скобата за заваряване | PN 6 | х | х | х | х | х | х | х | х | х | х | х | х | х | х | х | х | х | х | х | х | |||||||
| PN 10 | х | х | х | х | х | х | х | х | х | х | х | х | х | х | х | х | х | х | х | х | ||||||||
| PN 16 | х | х | х | х | х | х | х | х | х | х | х | х | х | х | х | х | х | х | х | х | ||||||||
| PN 25 | х | х | х | х | х | х | х | х | х | х | х | х | х | х | х | х | х | х | х | х | ||||||||
| Тип 11. Стоманени фланци за челен заваръчен шев | PN 1 | х | х | х | х | х | х | х | х | х | х | х | х | х | х | х | х | х | х | х | х | х | х | х | х | х | х | |
| PN 2.5 | х | х | х | х | х | х | х | х | х | х | х | х | х | х | х | х | х | х | х | х | х | х | х | х | х | х | ||
| PN 6 | х | х | х | х | х | х | х | х | х | х | х | х | х | х | х | х | х | х | х | х | х | х | х | х | х | х | ||
| PN 10 | х | х | х | х | х | х | х | х | х | х | х | х | х | х | х | х | х | х | х | х | х | х | х | х | х | х | ||
| PN 16 | х | х | х | х | х | х | х | х | х | х | х | х | х | х | х | х | х | х | х | х | х | х | х | х | х | х | ||
| PN 20 | х | х | х | х | х | х | х | х | х | х | х | х | х | х | х | х | х | х | х | х | ||||||||
| PN 25 | х | х | х | х | х | х | х | х | х | х | х | х | х | х | х | х | х | х | х | х | х | х | х | х | х | |||
| Тип 21. Фланци от лята стомана (подсилващи тела) | PN 6 | х | х | х | х | х | х | х | х | х | х | х | х | х | х | х | х | х | х | х | х | х | х | х | х | х | х | |
| PN 10 | х | х | х | х | х | х | х | х | х | х | х | х | х | х | х | х | х | х | х | х | х | х | х | х | х | х | ||
| PN 16 | х | х | х | х | х | х | х | х | х | х | х | х | х | х | х | х | х | х | х | х | х | х | х | х | х | х | ||
| PN 20 | х | х | х | х | х | х | х | х | х | х | х | х | х | х | х | х | х | х | х | х | ||||||||
| PN 25 | х | х | х | х | х | х | х | х | х | х | х | х | х | х | х | х | х | х | х | х | х | х | х | х | х | х | ||
На фиг. 1.3 и в табл. 1.2 показва размерите на уплътняващата повърхност на фланеца в зависимост от версията.


Фиг. 1.3. Размери на уплътняващите повърхности на фланците за номинално налягане PN 10, PN 16, PN 25
Таблица 1.2. Размери на уплътнителните повърхности на фланеца за номинално налягане PN1, PN2.5, PN6, PN10, PN16, PN25 в съответствие с ГОСТ 54432-2011
| DN | PN, kgf / cm2 | D2 | D3 | D4 | D5 | D6 | D7 | D8 | D9 | D10 | D11 | b2 | з | h1 | h2 | h3 | h4 | h5 | ||||
| Ред 1 | Ред 2 | Ред 1 | Ред 2 | Ред 1 | Ред 2 | Ред 1 | Ред 2 | |||||||||||||||
| DN 10 | PN 1 | 33 | 19 | — | — | 18 | — | 30 | — | — | — | — | 18 | 30 | — | 2 | 4 | 3 | — | 4 | 3 | |
| PN 2.5 | 24 | 29 | 34 | 23 | 35 | |||||||||||||||||
| PN 6 | ||||||||||||||||||||||
| PN 10 | 41 | 24 | 34 | 23 | 35 | 23 | 35 | |||||||||||||||
| PN 16 | ||||||||||||||||||||||
| PN 25 | ||||||||||||||||||||||
| DN 15 | PN 1 | 38 | 23 | — | 33 | — | 22 | — | 34 | — | — | — | — | 22 | 34 | — | 2 | 4 | 3 | — | 4 | 3 |
| PN 2.5 | 29 | 39 | 28 | 40 | ||||||||||||||||||
| PN 6 | ||||||||||||||||||||||
| PN 10 | 46 | 29 | 39 | 28 | 40 | 28 | 40 | |||||||||||||||
| PN 16 | ||||||||||||||||||||||
| PN 25 | ||||||||||||||||||||||
| DN 20 | PN 1 | 48 | 33 | — | 43 | — | 32 | — | 44 | — | — | — | — | 32 | 44 | — | 2 | 4 | 3 | — | 4 | 3 |
| PN 2.5 | 36 | 50 | 35 | 51 | ||||||||||||||||||
| PN 6 | ||||||||||||||||||||||
| PN 10 | 56 | 36 | 50 | 35 | 51 | 35 | 51 | |||||||||||||||
| PN 16 | ||||||||||||||||||||||
| PN 25 | ||||||||||||||||||||||
| DN 25 | PN 1 | 58 | 41 | — | 51 | — | 40 | — | 52 | — | — | — | — | 40 | 52 | — | 2 | 4 | 3 | — | 4 | 3 |
| PN 2.5 | 43 | 57 | 42 | 58 | ||||||||||||||||||
| PN 6 | ||||||||||||||||||||||
| PN 10 | 65 | 43 | 57 | 42 | 58 | 42 | 58 | |||||||||||||||
| PN 16 | ||||||||||||||||||||||
| PN 25 | ||||||||||||||||||||||
| DN 32 | PN 1 | 69 | 49 | — | 59 | — | 48 | — | 60 | — | — | — | — | 48 | 60 | — | 2 | 4 | 3 | — | 4 | 3 |
| PN 2.5 | 51 | 65 | 50 | 66 | ||||||||||||||||||
| PN 6 | ||||||||||||||||||||||
| PN 10 | 76 | 51 | 65 | 50 | 66 | 50 | 66 | |||||||||||||||
| PN 16 | ||||||||||||||||||||||
| PN 25 | ||||||||||||||||||||||
| DN 40 | PN 1 | 78 | 55 | — | 69 | — | 54 | — | 70 | — | — | — | — | 54 | 70 | — | 2 | 4 | 3 | — | 4 | 3 |
| PN 2.5 | 61 | 75 | 60 | 76 | ||||||||||||||||||
| PN 6 | ||||||||||||||||||||||
| PN 10 | 84 | 61 | 75 | 60 | 76 | 60 | 76 | |||||||||||||||
| PN 16 | ||||||||||||||||||||||
| PN 25 | ||||||||||||||||||||||
| DN 50 | PN 1 | 88 | 66 | — | 80 | — | 65 | — | 81 | — | — | — | — | 65 | 81 | — | 2 | 4 | 3 | — | 4 | 3 |
| PN 2.5 | 73 | 87 | 72 | 88 | ||||||||||||||||||
| PN 6 | ||||||||||||||||||||||
| PN 10 | 99 | 73 | 87 | 72 | 88 | 72 | 88 | |||||||||||||||
| PN 16 | ||||||||||||||||||||||
| PN 25 | ||||||||||||||||||||||
| DN 65 | PN 1 | 108 | 86 | — | 100 | — | 85 | — | 101 | — | — | — | — | 85 | 101 | — | 2 | 4 | 3 | — | 4 | 3 |
| PN 2.5 | 95 | 109 | 94 | 110 | ||||||||||||||||||
| PN 6 | ||||||||||||||||||||||
| PN 10 | 118 | 95 | 109 | 94 | 110 | 94 | 110 | |||||||||||||||
| PN 16 | ||||||||||||||||||||||
| PN 25 | ||||||||||||||||||||||
| DN 80 | PN 1 | 124 | 101 | — | 115 | — | 100 | — | 116 | — | — | — | — | 100 | 116 | — | 2 | 4 | 3 | — | 4 | 3 |
| PN 2.5 | 106 | 120 | 105 | 121 | ||||||||||||||||||
| PN 6 | ||||||||||||||||||||||
| PN 10 | 132 | 106 | 120 | 105 | 121 | 105 | 121 | |||||||||||||||
| PN 16 | ||||||||||||||||||||||
| PN 25 | ||||||||||||||||||||||
| DN 100 | PN 1 | 144 | 117 | — | 137 | — | 116 | — | 138 | — | — | — | — | 116 | 138 | — | 2 | 4,5 | 3,5 | — | 6 | 5 |
| PN 2.5 | 129 | 149 | 128 | 150 | ||||||||||||||||||
| PN 6 | ||||||||||||||||||||||
| PN 10 | 156 | 129 | 149 | 128 | 150 | 128 | 150 | |||||||||||||||
| PN 16 | ||||||||||||||||||||||
| PN 25 | ||||||||||||||||||||||
| DN 125 | PN 1 | 174 | 146 | — | 166 | — | 145 | — | 167 | — | — | — | — | 145 | 167 | — | 2 | 4,5 | 3,5 | — | 6 | 5 |
| PN 2.5 | 155 | 175 | 154 | 176 | ||||||||||||||||||
| PN 6 | ||||||||||||||||||||||
| PN 10 | 184 | 155 | 175 | 154 | 176 | 154 | 176 | |||||||||||||||
| PN 16 | ||||||||||||||||||||||
| PN 25 | ||||||||||||||||||||||
| DN 150 | PN 1 | 199 | 171 | — | 191 | — | 170 | — | 192 | — | — | — | — | 170 | 192 | — | 2 | 4,5 | 3,5 | — | 6 | 5 |
| PN 2.5 | 183 | 203 | 182 | 204 | ||||||||||||||||||
| PN 6 | ||||||||||||||||||||||
| PN 10 | 211 | 183 | 203 | 182 | 204 | 182 | 204 | |||||||||||||||
| PN 16 | ||||||||||||||||||||||
| PN 25 | ||||||||||||||||||||||
| DN 200 | PN 1 | 254 | 229 | — | 249 | — | 228 | — | 250 | — | — | — | — | 228 | 250 | — | 2 | 4,5 | 3,5 | — | 6 | 5 |
| PN 2.5 | 239 | 259 | 238 | 260 | ||||||||||||||||||
| PN 6 | ||||||||||||||||||||||
| PN 10 | 260 | 239 | 259 | 238 | 260 | 238 | 260 | |||||||||||||||
| PN 16 | ||||||||||||||||||||||
| PN 25 | 274 | |||||||||||||||||||||
| DN 250 | PN 1 | 309 | 283 | — | 303 | — | 282 | — | 304 | — | — | — | — | 282 | 304 | — | 2 | 4,5 | 3,5 | — | 6 | 5 |
| PN 2.5 | 292 | 312 | 291 | 313 | ||||||||||||||||||
| PN 6 | ||||||||||||||||||||||
| PN 10 | 319 | 292 | 312 | 291 | 313 | 291 | 313 | |||||||||||||||
| PN 16 | ||||||||||||||||||||||
| PN 25 | 330 | |||||||||||||||||||||
| DN 300 | PN 1 | 363 | 336 | — | 335 | — | 335 | — | 357 | — | — | — | — | 335 | 357 | — | 2 | 4,5 | 3,5 | — | 6 | 5 |
| PN 2.5 | 343 | 363 | 342 | 364 | ||||||||||||||||||
| PN 6 | ||||||||||||||||||||||
| PN 10 | 370 | 343 | 363 | 342 | 364 | 291 | 313 | |||||||||||||||
| PN 16 | ||||||||||||||||||||||
| PN 25 | 389 | |||||||||||||||||||||
| DN 350 | PN 1 | 413 | 386 | — | 406 | — | 385 | — | 407 | — | — | — | — | 385 | 407 | — | 2 | 5 | 4 | — | 6 | 5 |
| PN 2.5 | 395 | 421 | 394 | 422 | ||||||||||||||||||
| PN 6 | ||||||||||||||||||||||
| PN 10 | 429 | 395 | 421 | 394 | 422 | 394 | 422 | |||||||||||||||
| PN 16 | ||||||||||||||||||||||
| PN 25 | 448 | |||||||||||||||||||||
| DN 400 | PN 1 | 463 | 436 | — | 456 | — | 435 | — | 457 | — | — | — | — | 435 | 457 | — | 2 | 5 | 4 | — | 6 | 5 |
| PN 2.5 | 447 | 473 | 446 | 474 | ||||||||||||||||||
| PN 6 | ||||||||||||||||||||||
| PN 10 | 480 | 447 | 473 | 446 | 474 | 446 | 474 | |||||||||||||||
| PN 16 | ||||||||||||||||||||||
| PN 25 | 503 | |||||||||||||||||||||
| DN 450 | PN 1 | 518 | 489 | — | 509 | — | 488 | — | 510 | — | — | — | — | 488 | 510 | — | 2 | 5 | 4 | — | 6 | 5 |
| PN 2.5 | 497 | 523 | 496 | 524 | ||||||||||||||||||
| PN 6 | ||||||||||||||||||||||
| PN 10 | 530 | 497 | 523 | 496 | 524 | 496 | 524 | |||||||||||||||
| PN 16 | ||||||||||||||||||||||
| PN 25 | 548 | |||||||||||||||||||||
| DN 500 | PN 1 | 568 | 541 | — | 561 | — | 540 | — | 562 | — | — | — | — | 540 | 562 | — | 2 | 5 | 4 | — | 6 | 5 |
| PN 2.5 | 549 | 575 | 548 | 576 | ||||||||||||||||||
| PN 6 | ||||||||||||||||||||||
| PN 10 | 582 | 549 | 575 | 548 | 576 | 548 | 576 | |||||||||||||||
| PN 16 | 609 | |||||||||||||||||||||
| PN 25 | ||||||||||||||||||||||
| DN 600 | PN 1 | 667 | 635 | — | 661 | — | 634 | — | 662 | — | — | — | — | 634 | 662 | — | 2 | 5 | 4 | — | 6 | 5 |
| PN 2.5 | 649 | 675 | 648 | 676 | ||||||||||||||||||
| PN 6 | ||||||||||||||||||||||
| PN 10 | 682 | 651 | 677 | 650 | 678 | 648 | 676 | |||||||||||||||
| PN 16 | 720 | |||||||||||||||||||||
| PN 25 | ||||||||||||||||||||||
| DN 700 | PN 1 | 772 | 737 | — | 763 | — | 736 | — | 764 | — | — | — | — | 736 | 764 | — | 5 | 5 | 4 | — | 6 | 5 |
| PN 2.5 | 751 | 777 | 751 | 778 | ||||||||||||||||||
| PN 6 | ||||||||||||||||||||||
| PN 10 | 794 | 751 | 777 | 751 | 778 | 751 | 778 | |||||||||||||||
| PN 16 | ||||||||||||||||||||||
| PN 25 | 820 | |||||||||||||||||||||
| DN 800 | PN 1 | 878 | 841 | — | 867 | — | 840 | — | 868 | — | — | — | — | 840 | 868 | — | 5 | 5 | 4 | — | 6 | 5 |
| PN 2.5 | 856 | 882 | 855 | 883 | ||||||||||||||||||
| PN 6 | ||||||||||||||||||||||
| PN 10 | 901 | 851 | 877 | 850 | 878 | 855 | 883 | |||||||||||||||
| PN 16 | ||||||||||||||||||||||
| PN 25 | 928 | |||||||||||||||||||||
| DN 900 | PN 1 | 978 | — | — | — | — | — | — | — | — | 5 | 5 | 4 | — | — | — | ||||||
| PN 2.5 | 961 | 987 | 960 | 988 | ||||||||||||||||||
| PN 6 | ||||||||||||||||||||||
| PN 10 | 1001 | |||||||||||||||||||||
| PN 16 | ||||||||||||||||||||||
| PN 25 | 1028 | |||||||||||||||||||||
| DN 1000 | PN 1 | 1078 | — | — | — | — | — | — | — | — | 5 | 5 | 4 | — | — | — | ||||||
| PN 2.5 | 1062 | 1092 | 1060 | 1094 | ||||||||||||||||||
| PN 6 | ||||||||||||||||||||||
| PN 10 | 1112 | |||||||||||||||||||||
| PN 16 | ||||||||||||||||||||||
| PN 25 | 1140 | |||||||||||||||||||||
| DN 1200 | PN 1 | 1295 | — | — | — | — | — | — | — | — | 5 | 5 | 4 | — | — | — | ||||||
| PN 2.5 | 1262 | 1292 | 1260 | 1294 | ||||||||||||||||||
| PN 6 | ||||||||||||||||||||||
| PN 10 | 1328 | |||||||||||||||||||||
| PN 16 | ||||||||||||||||||||||
| PN 25 | 1350 | |||||||||||||||||||||
| DN 1400 | PN 1 | 1510 | — | — | — | — | — | — | — | — | — | — | — | — | — | — | 5 | 5 | 4 | — | — | — |
| PN 2.5 | 1462 | 1492 | 1460 | 1494 | ||||||||||||||||||
| PN 6 | ||||||||||||||||||||||
| PN 10 | 1530 | |||||||||||||||||||||
| PN 16 | ||||||||||||||||||||||
| PN 25 | 1560 | |||||||||||||||||||||
Фиг. 1.4. Стоманен плосък заварен фланец (тип 01) и монтажна схема. Фиг. 1.5. Разхлабен стоманен фланец на заварения пръстен (тип 02) и монтажна схема


Фиг. 1.6. Свободни стоманени фланци (типове 03 и 04) монтажна схема. Фиг. 1.7. Заварен стоманен фланец (тип 11)
Фиг. 1.8. Фланец от лята стомана на корпуса на клапана
Таблица 1.3. Размери на плоски заварени стоманени фланци, тип 01 в съответствие с GOST 54432-2011
| DN | PN | db | б | c1 | д | D1 | д | н | Номинален диаметър на болтове или болтове | ||
| Ред 1 | Ред 2 | Ред 1 | Ред 2 | ||||||||
| DN 10 | PN 1 | 15 | 10 | 2 | 75 | 50 | 11 | 4 | М10 | ||
| PN 2.5 | 18 | 12 | |||||||||
| PN 6 | 12 | ||||||||||
| PN 10 | 14 | 90 | 60 | 14 | М12 | ||||||
| PN 16 | 14 | ||||||||||
| PN 25 | 16 | ||||||||||
| DN 15 | PN 1 | 19 | — | 10 | — | 2 | 80 | 55 | 11 | 4 | М10 |
| PN 2.5 | 22 | 12 | |||||||||
| PN 6 | 12 | ||||||||||
| PN 10 | 14 | 95 | 65 | 14 | М12 | ||||||
| PN 16 | 14 | ||||||||||
| PN 20 | — | — | 12 | 90 | 60,5 | 16 | М14 | ||||
| PN 25 | 19 | 16 | 14 | 95 | 65 | 14 | М12 | ||||
| DN 20 | PN 1 | 26 | — | 12 | — | 2 | 90 | 65 | 11 | 4 | М10 |
| PN 2.5 | 27,5 | 14 | |||||||||
| PN 6 | 14 | ||||||||||
| PN 10 | 16 | 105 | 75 | 14 | М12 | ||||||
| PN 16 | 16 | ||||||||||
| PN 20 | — | 28 | — | 14 | 100 | 70 | 16 | М14 | |||
| PN 25 | 26 | 27,5 | 18 | 16 | 105 | 75 | 14 | М12 | |||
| DN 25 | PN 1 | 33 | — | 12 | — | 3 | 100 | 75 | 11 | 4 | М10 |
| PN 2.5 | 34,5 | 14 | |||||||||
| PN 6 | 14 | ||||||||||
| PN 10 | 16 | 115 | 85 | 14 | М12 | ||||||
| PN 16 | 18 | ||||||||||
| PN 20 | — | — | 110 | 79,5 | 16 | М14 | |||||
| PN 25 | 33 | 18 | 115 | 85 | 14 | М12 | |||||
| DN 32 | PN 1 | 39 | — | 12 | — | 3 | 120 | 90 | 14 | 4 | М12 |
| PN 2.5 | 43,5 | 16 | |||||||||
| PN 6 | 15 | ||||||||||
| PN 10 | 16 | 18 | 135 | 100 | 18 | М16 | |||||
| PN 16 | 18 | ||||||||||
| PN 20 | — | — | 120 | 89 | 16 | М14 | |||||
| PN 25 | 39 | 20 | 135 | 100 | 18 | М16 | |||||
| DN 40 | PN 1 | 46 | — | 13 | — | 3 | 130 | 100 | 14 | 4 | М12 |
| PN 2.5 | 49,5 | 16 | |||||||||
| PN 6 | 16 | ||||||||||
| PN 10 | 18 | 18 | 145 | 110 | 18 | М16 | |||||
| PN 16 | 20 | ||||||||||
| PN 20 | — | — | 19 | 130 | 98,5 | 16 | М14 | ||||
| PN 25 | 46 | 22 | 18 | 145 | 110 | 18 | М16 | ||||
| DN 50 | PN 1 | 59 | — | 13 | — | 3 | 140 | 110 | 14 | 4 | М12 |
| PN 2.5 | 61,5 | 16 | |||||||||
| PN 6 | 16 | ||||||||||
| PN 10 | 18 | 20 | 160 | 125 | 18 | М16 | |||||
| PN 16 | 22 | ||||||||||
| PN 20 | — | 62 | — | 21 | 150 | 120,5 | |||||
| PN 25 | 59 | 61,5 | 24 | 20 | 160 | 125 | |||||
| DN 65 | PN 1 | 78 | — | 14 | — | 4 | 160 | 130 | 14 | 4 | М12 |
| PN 2.5 | 77,5 | 16 | |||||||||
| PN 6 | 16 | ||||||||||
| PN 10 | 20 | 20 | 180 | 145 | 18 | 8 | М16 | ||||
| PN 16 | 24 | 20 | |||||||||
| PN 20 | — | 74,5 | — | 24 | 139,5 | 4 | |||||
| PN 25 | 78 | 77,5 | 24 | 22 | 145 | 8 | |||||
| DN 80 | PN 1 | 91 | — | 14 | — | 4 | 185 | 150 | 18 | 4 | М16 |
| PN 2.5 | 90,5 | 18 | |||||||||
| PN 6 | 18 | ||||||||||
| PN 10 | 20 | 20 | 195 | 160 | 8 | ||||||
| PN 16 | 24 | ||||||||||
| PN 20 | — | — | 26 | 190 | 152,5 | 4 | |||||
| PN 25 | 91 | 26 | 24 | 195 | 160 | 8 | |||||
| DN 100 | PN 1 | 110 116 | — | 14 | — | 4 | 205 | 170 | 18 | 4 | М16 |
| PN 2.5 | 110 116 | 116 | 18 | ||||||||
| PN 6 | 110 116 | 18 | |||||||||
| PN 10 | 110 116 | 22 | 22 | 215 | 180 | 8 | |||||
| PN 16 | 110 116 | 26 | |||||||||
| PN 20 | — | — | 27 | 230 | 195,5 | ||||||
| PN 25 | 110 116 | 28 | 26 | 190 | 22 | М20 | |||||
| DN 120 | PN 1 | 135 142 | — | 16 | — | 4 | 235 | 200 | 18 | 8 | М16 |
| PN 2.5 | 135 142 | 141,5 | 20 | ||||||||
| PN 6 | 135 142 | 20 | |||||||||
| PN 10 | 135 142 | 24 | 22 | 245 | 210 | ||||||
| PN 16 | 135 142 | 28 | |||||||||
| PN 20 | — | 143,5 | — | 28 | 255 | 216 | 22 | М20 | |||
| PN 25 | 135 142 | 141,5 | 30 | 270 | 220 | 26 | М24 | ||||
| DN 150 | PN 1 | 154 161 170 | — | 16 | — | 4 | 260 | 225 | 18 | 8 | М16 |
| PN 2.5 | 154 161 170 | 170,5 | 16 | 20 | |||||||
| PN 6 | 154 161 170 | 20 | |||||||||
| PN 10 | 154 161 170 | 24 | 24 | 280 | 240 | 22 | М20 | ||||
| PN 16 | 154 161 170 | 28 | |||||||||
| PN 20 | — | — | 31 | 241,5 | |||||||
| PN 25 | 154 161 170 | 30 | 30 | 300 | 250 | 26 | М24 | ||||
| DN 200 | PN 1 | 222 | — | 18 | — | 4 | 315 | 280 | 18 | 8 | М16 |
| PN 2.5 | 221,5 | 22 | |||||||||
| PN 6 | 22 | ||||||||||
| PN 10 | 24 | 24 | 335 | 295 | 22 | М20 | |||||
| PN 16 | 30 | 26 | 12 | ||||||||
| PN 20 | — | — | 34 | 345 | 298,5 | 8 | |||||
| PN 25 | 222 | 32 | 32 | 360 | 310 | 26 | 12 | М24 | |||
| DN 250 | PN 1 | 273 | — | 21 | — | 6 | 370 | 335 | 18 | 12 | М16 |
| PN 2.5 | 276,5 | 24 | |||||||||
| PN 6 | 23 | ||||||||||
| PN 10 | 26 | 26 | 390 | 350 | 22 | М20 | |||||
| PN 16 | 31 | 28 | 405 | 355 | 26 | М24 | |||||
| PN 20 | — | 276 | — | 38 | 362 | ||||||
| PN 25 | 273 | 276,5 | 34 | 35 | 425 | 370 | 30 | М27 | |||
| DN 300 | PN 1 | 325 | — | 22 | — | 6 | 435 | 395 | 22 | 12 | М20 |
| PN 2.5 | 327,5 | 24 | |||||||||
| PN 6 | 24 | ||||||||||
| PN 10 | 28 | 28 | 440 | 400 | |||||||
| PN 16 | 32 | 32 | 460 | 410 | 26 | М24 | |||||
| PN 20 | — | 327 | — | 42 | 485 | 432 | |||||
| PN 25 | 325 | 327,5 | 36 | 38 | 430 | 30 | 16 | М27 | |||
| DN 350 | PN 1 | 377 | — | 22 | — | 7 | 485 | 445 | 22 | 12 | М20 |
| PN 2.5 | 359,5 | 26 | |||||||||
| PN 6 | 26 | ||||||||||
| PN 10 | 28 | 30 | 500 | 460 | 16 | ||||||
| PN 16 | 34 | 35 | 520 | 470 | 26 | М24 | |||||
| PN 20 | — | 359 | — | 43 | 535 | 476 | 29,5 | 12 | М27 | ||
| PN 25 | 377 | 359,5 | 42 | 42 | 550 | 490 | 33 | 16 | М30 | ||
| DN 400 | PN 1 | 426 | — | 22 | — | 7 | 540 | 495 | 22 | 16 | М20 |
| PN 2.5 | 411 | 28 | |||||||||
| PN 6 | 28 | ||||||||||
| PN 10 | 30 | 32 | 565 | 515 | 26 | М24 | |||||
| PN 16 | 38 | 38 | 580 | 525 | 30 | М27 | |||||
| PN 20 | — | 410,5 | — | 48 | 600 | 540 | 29,5 | ||||
| PN 25 | 426 | 411 | 44 | 46 | 610 | 550 | 36 | М33 | |||
| DN 450 | PN 1 | 480 | — | 24 | — | 7 | 590 | 550 | 22 | 16 | М20 |
| PN 2.5 | 462 | 30 | |||||||||
| PN 6 | 28 | ||||||||||
| PN 10 | 30 | 35 | 615 | 565 | 26 | 20 | М24 | ||||
| PN 16 | 42 | 42 | 640 | 585 | 30 | М27 | |||||
| PN 20 | — | — | 52 | 635 | 578 | 32,5 | 16 | М30 | |||
| PN 25 | 480 | 48 | 50 | 660 | 600 | 36 | 20 | М33 | |||
| DN 500 | PN 1 | 530 | — | 24 | — | 7 | 640 | 600 | 22 | 20 | М20 |
| PN 2.5 | 513,5 | 32 | |||||||||
| PN 6 | 29 | ||||||||||
| PN 10 | 32 | 38 | 670 | 620 | 26 | М24 | |||||
| PN 16 | 48 | 46 | 710 | 650 | 33 | М30 | |||||
| PN 20 | — | 513 | — | 56 | 700 | 635 | 32,5 | ||||
| PN 25 | 530 | 513,5 | 52 | 53 | 730 | 660 | 36 | М33 | |||
| DN 600 | PN 1 | 630 | 25 | 7 | 755 | 705 | 26 | 20 | М24 | ||
| PN 2.5 | 616,5 | 36 | |||||||||
| PN 6 | 30 | ||||||||||
| PN 10 | 36 | 42 | 780 | 725 | 30 | М27 | |||||
| PN 16 | 50 | 52 | 840 | 770 | 36 | М33 | |||||
| PN 20 | — | 616 | — | 62 | 815 | 749,5 | 35,5 | ||||
| PN 25 | 630 | 616,5 | 54 | 68 | 840 | 770 | 39 | М36 | |||
| DN 700 | PN 1 | 720 | — | 26 | — | 9 | 860 | 810 | 26 | 24 | М24 |
| PN 2.5 | * | 36 | |||||||||
| PN 6 | 32 | 40 | |||||||||
| PN 10 | — | 39 | — | 895 | 840 | 30 | М27 | ||||
| PN 16 | 52 | 910 | 36 | М33 | |||||||
| PN 25 | 60 | 960 | 875 | 42 | M39 | ||||||
| DN 800 | PN 1 | 820 | — | 26 | — | 9 | 975 | 920 | 30 | 24 | М27 |
| PN 2.5 | * | 38 | 30 | ||||||||
| PN 6 | 32 | 44 | |||||||||
| PN 10 | — | 42 | — | 1010 | 950 | 33 | М30 | ||||
| PN 16 | 54 | 1020 | 39 | М36 | |||||||
| PN 25 | 68 | 1075 | 990 | 48 | М45 | ||||||
| DN 900 | PN 1 | 920 | — | 28 | — | 9 | 1075 | 1020 | 30 | 24 | М27 |
| PN 2.5 | * | 40 | |||||||||
| PN 6 | 34 | 48 | |||||||||
| PN 10 | — | 45 | — | 1110 | 1050 | 33 | 28 | М30 | |||
| PN 16 | 59 | 1120 | 39 | М36 | |||||||
| DN 1000 | PN 1 | 1020 | — | 30 | — | 10 | 1175 | 1120 | 30 | 28 | М27 |
| PN 2.5 | * | 42 | |||||||||
| PN 6 | 36 | 52 | |||||||||
| PN 10 | — | 48 | — | 1220 | 1060 | 36 | М33 | ||||
| PN 16 | 63 | 1255 | 1170 | 42 | M39 | ||||||
| DN 1200 | PN 1 | 1220 | 30 | 10 | 1375 | 1320 | 30 | 32 | М27 | ||
| PN 2.5 | * | 44 | |||||||||
| PN 6 | 39 | 60 | 1400 | 1340 | 33 | М30 | |||||
| PN 10 | 1222 | — | 56 | — | 1455 | 1380 | 39 | М36 | |||
| PN 16 | 1220 | 76 | 1485 | 1390 | 48 | М45 | |||||
| DN 1400 | PN 1 | 1420 | 32 | 10 | 1575 | 1520 | 30 | 36 | М27 | ||
| PN 2.5 | * | 48 | |||||||||
| PN 6 | 48 | 68 | 1620 | 1560 | 36 | М33 | |||||
| PN 10 | — | 65 | — | 1675 | 1590 | 42 | M39 | ||||
* Диаметърът на отвора се определя от клиента. Забележки: 1. Размер c1 може да бъде посочен в зависимост от технологията на заваряване и размера на тръбата. 2. Фланците трябва да се произвеждат с уплътняващи повърхности A, B, C, D, E, F, L и M.
Таблица 1.4. Размери на заварени стоманени фланци тип 11 в съответствие с ГОСТ 54432-2011
| DN | PN, kg / cm2 | Dm | D n | Н1 | б | З. | Н1 | д | D1 | д | н | Номинален диаметър на болтове или болтове | |||||
| Ред 1 | Ред 2 | Ред 1 | Ред 2 | Ред 1 | Ред 2 | Ред 1 | Ред 2 | Ред 1 | Ред 2 | ||||||||
| DN 10 | PN 1 | 22 | — | 15 | — | 8 | — | 10 | — | — | 5 | 75 | 50 | 11 | 4 | М10 | |
| PN 2.5 | 26 | 17,2 | 14 | 1 12 | 28 | ||||||||||||
| PN 6 | 12 | 29 | |||||||||||||||
| PN 10 | 25 | 28 | 12,6 | 14 | 35 | 35 | 90 | 60 | 14 | М12 | |||||||
| PN 16 | 26 | 14 | |||||||||||||||
| PN 25 | 16 | ||||||||||||||||
| DN 15 | PN 1 | 28 | — | 19 | — | 12 | — | 10 | — | 28 | — | 6 | 80 | 55 | 11 | М10 | |
| PN 2.5 | 30 | 21,3 | 17,7 | 12 | 30 | ||||||||||||
| PN 6 | 12 | 30 | |||||||||||||||
| PN 10 | 30 | 32 | 14,9 | 14 | 35 | 38 | 95 | 65 | 14 | М12 | |||||||
| PN 16 | 14 | ||||||||||||||||
| PN 20 | — | 30 | — | 21,5 | — | 16 | — | 11,5 | — | 48 | 90 | 60,5 | 16 | М14 | |||
| PN 25 | 30 | 32 | 19 | 21,3 | 12 | 14,9 | 16 | 14 | 35 | 38 | 95 | 65 | 14 | М12 | |||
| PN 40 | |||||||||||||||||
| DN 20 | PN 1 | 36 | — | 26 | — | 18 | — | 10 | — | 30 | — | 90 | 65 | 11 | М10 | ||
| PN 2.5 | 38 | 26,9 | 23,5 | 14 | 32 | ||||||||||||
| PN 6 | 12 | 32 | |||||||||||||||
| PN 10 | 38 | 40 | 20,5 | 14 | 16 | 38 | 40 | 105 | 75 | 14 | М12 | ||||||
| PN 16 | |||||||||||||||||
| PN 20 | — | 38 | — | 26,5 | — | 21 | — | 13 | — | 52 | 100 | 70 | 16 | М14 | |||
| PN 25 | 38 | 40 | 26 | 26,9 | 18 | 20,5 | 16 | 36 | 40 | 105 | 75 | 14 | М12 | ||||
| PN 40 | 16 | ||||||||||||||||
| DN 25 | PN 1 | 42 | — | 33 | — | 25 | — | 10 | — | 30 | — | 100 | 75 | 11 | М10 | ||
| PN 2.5 | 42 | 33,7 | 29,7 | 14 | 35 | ||||||||||||
| PN 6 | 14 | 32 | |||||||||||||||
| PN 10 | 45 | 46 | 27,3 | 16 | 40 | 40 | 115 | 85 | 14 | М12 | |||||||
| PN 16 | |||||||||||||||||
| PN 20 | — | 49 | — | 33,5 | — | 26,5 | — | 14,5 | — | 56 | 110 | 79,5 | 16 | М14 | |||
| PN 25 | 45 | 46 | 33 | 33,7 | 25 | 27,3 | 16 | 16 | 38 | 40 | 115 | 85 | 14 | М12 | |||
| DN 32 | PN 1 | 50 | — | 39 | — | 31 | — | 10 | — | 30 | — | 7 | 120 | 90 | 14 | М12 | |
| PN 2.5 | 55 | 42,4 | 37,8 | 16 | 35 | ||||||||||||
| PN 6 | 14 | 35 | |||||||||||||||
| PN 10 | 55 | 56 | 35,2 | 15 | 18 | 42 | 42 | 135 | 100 | 18 | М16 | ||||||
| PN 16 | |||||||||||||||||
| PN 20 | — | 59 | — | 42 | — | 35 | — | 16 | — | 57 | 120 | 89 | 16 | М14 | |||
| PN 25 | 56 | 56 | 39 | 42,4 | 31 | 35,2 | 18 | 18 | 45 | 42 | 100 | ||||||
| DN 40 | PN 1 | 60 | — | 46 | — | 38 | — | 12 | — | 36 | — | 7 | 130 | 100 | 14 | М12 | |
| PN 2.5 | 62 | 48,3 | 43,7 | 16 | 38 | ||||||||||||
| PN 6 | 15 | 38 | |||||||||||||||
| PN 10 | 62 | 64 | 41,1 | 16 | 18 | 45 | 45 | 145 | 110 | 18 | М16 | ||||||
| PN 16 | 64 | ||||||||||||||||
| PN 20 | — | 65 | — | 48,5 | — | 41 | — | 17,5 | — | 62 | 130 | 98,5 | 16 | М14 | |||
| PN 25 | 64 | 64 | 46 | 48,3 | 38 | 41,1 | 19 | 18 | 48 | 45 | 145 | 110 | 18 | М16 | |||
| DN 50 | PN 1 | — | 58 | — | 49 | — | 12 | — | 36 | — | 8 | 140 | 110 | 14 | 4 | М12 | |
| PN 2.5 | 70 | 55,7 | 16 | 38 | |||||||||||||
| PN 6 | 74 | 60,3 | 15 | 38 | |||||||||||||
| PN 10 | 76 | 52,3 | 16 | 20 | 45 | 48 | 160 | 125 | 18 | М16 | |||||||
| PN 16 | 48 | ||||||||||||||||
| PN 20 | — | 78 | — | 60,5 | — | 52,5 | — | 19,5 | — | 64 | 150 | 120,5 | |||||
| PN 25 | 76 | 74 | 58 | 60,3 | 49 | 52,3 | 20 | 20 | 48 | 48 | 160 | 125 | |||||
| DN 65 | PN 1 | 88 | 77 | — | 66 | 12 | — | 36 | — | 9 | 160 | 130 | 14 | 4 | М12 | ||
| PN 2.5 | 88 | 76,1 | 70,9 | 16 | 38 | ||||||||||||
| PN 6 | 15 | 38 | |||||||||||||||
| PN 10 | 94 | 92 | 70,3 | 18 | 20 | 48 | 45 | 10 | 180 | 145 | 18 | 8 | М16 | ||||
| PN 16 | 50 | ||||||||||||||||
| PN 20 | — | 90 | — | 73 | — | 62,5 | — | 22,5 | — | 70 | 139,5 | 4 | |||||
| PN 25 | 96 | 92 | 77 | 76,1 | 66 | 66,1 | 22 | 22 | 53 | 52 | 145 | ||||||
| DN 80 | PN 1 | 102 | — | 90 | — | 78 | — | 14 | — | 38 | — | 10 | 185 | 150 | 18 | 4 | М16 |
| PN 2.5 | 102 | 88,9 | 83,1 | 18 | 42 | ||||||||||||
| PN 6 | 16 | 40 | 8 | ||||||||||||||
| PN 10 | 105 | 110 | 82,5 | 18 | 20 | 50 | 50 | 195 | 160 | ||||||||
| PN 16 | 110 | 20 | 53 | 4 | |||||||||||||
| PN 20 | — | 108 | — | 89 | — | 78 | — | — | 70 | 190 | 152,5 | ||||||
| PN 25 | 110 | 110 | 90 | 88,9 | 78 | 77,7 | 22 | 24 | 55 | 58 | 195 | 160 | |||||
| DN 100 | PN 1 | 122 | — | 110 | — | 96 | — | 14 | — | 40 | — | 10 | 205 | 170 | 18 | 4 | М16 |
| PN 2.5 | 130 | 114,3 | 107,9 | 18 | 45 | ||||||||||||
| PN 6 | 16 | 41 | |||||||||||||||
| PN 10 | 128 | 107,1 | 20 | 22 | 51 | 52 | 215 | 180 | 8 | ||||||||
| PN 16 | 130 | 53 | |||||||||||||||
| PN 20 | — | 135 | — | 114,5 | — | 102,5 | — | — | 76 | 190,5 | |||||||
| PN 25 | 132 | 134 | 110 | 114,3 | 96 | 101,7 | 24 | 24 | 61 | 65 | 230 | 190 | |||||
| DN 125 | PN 1 | 148 | — | 135 | — | 121 | — | 14 | — | 40 | — | 10 | 235 | 200 | 18 | 8 | М16 |
| PN 2.5 | 155 | 139,7 | 132,5 | 18 | 48 | ||||||||||||
| PN 6 | 18 | 43 | |||||||||||||||
| PN 10 | 156 | 158 | 131,7 | 22 | 22 | 60 | 55 | 245 | 210 | ||||||||
| PN 16 | |||||||||||||||||
| PN 20 | — | 164 | — | 141,5 | — | 128 | — | 24 | — | 89 | 12 | 255 | 216 | 22 | М20 | ||
| DN 150 | PN 1 | 172 | — | 161 | — | 146 | — | 14 | — | 41 | — | 10 | 260 | 225 | 18 | 8 | М16 |
| PN 2.5 | 184 | 168,3 | 160,3 | 20 | 48 | ||||||||||||
| PN 6 | 18 | 46 | |||||||||||||||
| PN 10 | 180 | 159,3 | 22 | 24 | 60 | 55 | 280 | 240 | 22 | М20 | |||||||
| PN 16 | |||||||||||||||||
| PN 20 | — | 192 | — | 168,5 | — | 154 | — | 25,5 | — | 89 | 12 | 241,5 | 22 | ||||
| DN 200 | PN 1 | 235 | — | 222 | — | 202 | — | 16 | — | 48 | — | 16 | 315 | 280 | 18 | 8 | М16 |
| PN 2.5 | 236 | 219,1 | 210,1 | 22 | 55 | ||||||||||||
| PN 6 | 20 | 53 | |||||||||||||||
| PN 10 | 240 | 234 | 206,5 | 22 | 24 | 61 | 62 | 335 | 295 | 22 | М20 | ||||||
| PN 16 | 24 | 12 | |||||||||||||||
| PN 20 | — | 246 | — | 219 | — | 202,5 | — | 29 | — | 102 | 345 | 298,5 | 8 | ||||
| PN 25 | 245 | 244 | 222 | 219,1 | 202 | 206,5 | 30 | 30 | 78 | 80 | 360 | 310 | 26 | 12 | М24 | ||
| DN 250 | PN 1 | 288 | — | 278 | — | 254 | — | 19 | — | 48 | — | 16 | 370 | 335 | 18 | М16 | |
| PN 2.5 | 290 | 273 | 263 | 24 | 60 | ||||||||||||
| PN 6 | 288 | 290 | 21 | 53 | |||||||||||||
| PN 10 | 290 | 288 | 260,4 | 24 | 26 | 63 | 68 | 390 | 350 | 22 | М20 | ||||||
| PN 16 | 292 | 26 | 26 | 68 | 70 | 20 | 405 | 355 | 26 | М24 | |||||||
| PN 20 | 305 | — | — | 254,5 | — | 30,5 | — | 102 | 362 | 26 | |||||||
| PN 25 | 300 | 296 | 278 | 254 | 260,4 | 32 | 32 | 78 | 88 | 425 | 370 | 30 | М27 | ||||
| DN 300 | PN 1 | 340 | — | 330 | — | 303 | — | 20 | — | 49 | — | 18 | 435 | 395 | 22 | 12 | М20 |
| PN 2.5 | 342 | 323,9 | 312,7 | 24 | 62 | ||||||||||||
| PN 6 | 22 | 54 | |||||||||||||||
| PN 10 | 345 | 309,7 | 26 | 26 | 64 | 68 | 440 | 400 | |||||||||
| PN 16 | 346 | 28 | 28 | 70 | 78 | 20 | 460 | 410 | 26 | М24 | |||||||
| PN 20 | — | 365 | — | 324 | — | 305 | — | 32 | — | 114 | 485 | 432 | |||||
| PN 25 | 352 | 350 | 330 | 323,9 | 303 | 309,7 | 36 | 34 | 84 | 92 | 430 | 30 | 16 | М27 | |||
| DN 350 | PN 1 | 390 | — | 382 | — | 351 | — | 20 | — | 49 | — | 20 | 485 | 445 | 22 | 12 | М20 |
| PN 2.5 | 385 | 355,6 | 344,4 | 24 | 62 | ||||||||||||
| PN 6 | 22 | 54 | |||||||||||||||
| PN 10 | 400 | 390 | 339,6 | 26 | 26 | 64 | 68 | 500 | 460 | 16 | |||||||
| PN 16 | 32 | 30 | 74 | 82 | 520 | 470 | 26 | М24 | |||||||||
| PN 20 | — | 400 | — | 355,5 | — | * | — | 35 | — | 127 | 22 | 535 | 476 | 29,5 | 12 | М27 | |
| PN 25 | 406 | 398 | 382 | 355,6 | 351 | 339,6 | 40 | 38 | 89 | 100 | 550 | 490 | 33 | 16 | М30 | ||
| DN 400 | PN 1 | 440 | — | 432 | — | 398 | — | 20 | — | 49 | — | 20 | 540 | 495 | 22 | 16 | М20 |
| PN 2.5 | 438 | 406,4 | 393,8 | 24 | 65 | ||||||||||||
| PN 6 | 22 | 54 | |||||||||||||||
| PN 10 | 445 | 440 | 388,8 | 26 | 26 | 64 | 72 | 565 | 515 | 26 | М24 | ||||||
| PN 16 | 450 | 444 | 36 | 32 | 79 | 85 | 580 | 525 | 30 | М27 | |||||||
| PN 20 | — | 457 | — | 406,5 | — | * | — | 37 | — | 127 | 600 | 540 | |||||
| PN 25 | 464 | 452 | 432 | 406,4 | 398 | 388,8 | 44 | 40 | 104 | 110 | 610 | 550 | 36 | М33 | |||
| DN 450 | PN 1 | 494 | — | 484 | — | 450 | — | 20 | — | 54 | — | 22 | 590 | 550 | 22 | 16 | М20 |
| PN 2.5 | 492 | 457 | 444,4 | 24 | 65 | ||||||||||||
| PN 6 | 22 | ||||||||||||||||
| PN 10 | 500 | 488 | 437 | 26 | 28 | 69 | 72 | 615 | 565 | 26 | 20 | М24 | |||||
| PN 16 | 506 | 490 | 38 | 40 | 89 | 87 | 640 | 585 | 30 | М27 | |||||||
| PN 20 | — | 505 | — | — | * | — | — | 140 | 635 | 578 | 32,5 | 16 | М30 | ||||
| PN 25 | 515 | 500 | 484 | 450 | 437 | 46 | 46 | 104 | 110 | 660 | 600 | 36 | 20 | М33 | |||
| DN 500 | PN 1 | 545 | — | 535 | — | 501 | — | 23 | — | 54 | — | 20 | 640 | 600 | 22 | 20 | М20 |
| PN 2.5 | 538 | 508 | 495,4 | 26 | 68 | ||||||||||||
| PN 6 | 54 | ||||||||||||||||
| PN 10 | 550 | 540 | 486 | 28 | 28 | 69 | 75 | 22 | 670 | 620 | 26 | М24 | |||||
| PN 16 | 559 | 546 | 42 | 44 | 94 | 90 | 710 | 650 | 33 | М30 | |||||||
| PN 20 | — | 559 | — | — | * | — | 43 | — | 145 | 700 | 635 | 32,5 | |||||
| PN 25 | 570 | 558 | 535 | 500 | 486 | 48 | 48 | 104 | 125 | 730 | 660 | 36 | М33 | ||||
| DN 600 | PN 1 | 650 | — | 636 | — | 602 | — | 24 | — | 60 | — | 18 | 755 | 705 | 26 | 20 | М24 |
| PN 2.5 | 640 | 610 | 597,4 | 30 | 70 | ||||||||||||
| PN 6 | |||||||||||||||||
| PN 10 | 585 | 29 | 34 | 70 | 80 | 780 | 725 | 30 | М27 | ||||||||
| PN 16 | 660 | 650 | 46 | 54 | 95 | 95 | 840 | 770 | 36 | М33 | |||||||
| PN 20 | — | 664 | — | 609,5 | — | * | — | 48 | — | 152 | 815 | 749,5 | 35,5 | ||||
| PN 25 | 670 | 660 | 636 | 610 | 600 | 585 | 54 | 58 | 120 | 125 | 20 | 840 | 770 | 39 | М36 | ||
| DN 700 | PN 1 | 740 | — | 726 | — | 692 | * | 24 | — | — | 20 | 860 | 810 | 26 | 24 | М24 | |
| PN 2.5 | 740 | 711 | 26 | 60 | 70 | ||||||||||||
| PN 6 | |||||||||||||||||
| PN 10 | 744 | 746 | 30 | 30 | 70 | 80 | 895 | 840 | 30 | М27 | |||||||
| PN 16 | 750 | 750 | 48 | 38 | 100 | 100 | 910 | 36 | М33 | ||||||||
| PN 25 | 766 | 760 | 726 | 690 | 58 | 46 | 130 | 125 | 960 | 875 | 42 | M39 | |||||
| DN 800 | PN 1 | — | 826 | — | 792 | * | 24 | — | — | 20 | 975 | 920 | 30 | 24 | М27 | ||
| PN 2.5 | 844 | 842 | 813 | 26 | 65 | 70 | |||||||||||
| PN 6 | |||||||||||||||||
| PN 10 | 850 | 848 | 32 | 32 | 80 | 90 | 1010 | 950 | 33 | М30 | |||||||
| PN 16 | 50 | 38 | 100 | 105 | 1020 | 39 | М36 | ||||||||||
| PN 25 | 874 | 864 | 826 | 813 | 790 | 60 | 50 | 140 | 135 | 1075 | 990 | 48 | М45 | ||||
| DN 900 | PN 1 | — | 926 | — | 892 | * | 26 | — | 65 | — | 20 | 1075 | 1020 | 30 | 24 | ||
| PN 2.5 | 944 | 942 | 914 | 26 | 70 | М27 | |||||||||||
| PN 6 | |||||||||||||||||
| PN 10 | 950 | 948 | 34 | 34 | 85 | 95 | 1115 | 1050 | 33 | 28 | М30 | ||||||
| PN 16 | 958 | 52 | 40 | 115 | 110 | 1120 | 39 | М36 | |||||||||
| PN 25 | 980 | 968 | 926 | 914 | 892 | 62 | 54 | 150 | 145 | 1185 | 1090 | 48 | М45 | ||||
| DN 1000 | PN 1 | 1044 | — | 1028 | — | 992 | * | 26 | — | 65 | — | 16 | 1175 | 1120 | 30 | 28 | М27 |
| PN 2.5 | 1045 | 1016 | 26 | 70 | |||||||||||||
| PN 6 | |||||||||||||||||
| PN 10 | 1050 | 1050 | 34 | 34 | 85 | 95 | 22 | 1230 | 1160 | 36 | М33 | ||||||
| PN 16 | 1060 | 1056 | 54 | 42 | 115 | 120 | 1255 | 1170 | 42 | M39 | |||||||
| PN 25 | 1084 | 1070 | 1028 | 1016 | 992 | 64 | 58 | 155 | 155 | 1315 | 1210 | 55 | М52 | ||||
| DN 1200 | PN 1 | 1244 | — | 1228 | — | 1192 | — | 28 | — | 70 | — | 16 | 1375 | 1320 | 30 | 32 | М27 |
| PN 2.5 | 1245 | 1220 | * | 26 | 70 | ||||||||||||
| PN 6 | 1248 | 1248 | 28 | 75 | 90 | 20 | 1400 | 1340 | 33 | М30 | |||||||
| PN 10 | 1256 | 1256 | 38 | 38 | 95 | 115 | 25 | 1455 | 1380 | 39 | М36 | ||||||
| PN 16 | 1268 | 1260 | 56 | 48 | 130 | 130 | 1485 | 1390 | 48 | М45 | |||||||
| PN 25 | 1288 | 1228 | 1192 | 67 | — | 165 | 30 | 1525 | 1420 | 55 | М52 | ||||||
| DN 1400 | PN 1 | 1445 | — | 1428 | — | 1392 | — | 28 | — | 70 | — | 16 | 1575 | 1520 | 30 | 36 | М27 |
| PN 2.5 | 1445 | 1420 | * | 26 | 70 | ||||||||||||
| PN 6 | 1456 | 1452 | 32 | 32 | 90 | 90 | 20 | 1620 | 1560 | 36 | М33 | ||||||
| PN 10 | 1460 | — | — | — | 42 | — | 120 | 25 | 1675 | 1590 | 42 | M39 | |||||
| PN 16 | 1465 | 52 | 145 | 30 | 1685 | 48 | М45 | ||||||||||
| DN 2200 | PN 2.5 | — | 2248 | — | — | * | — | 28 | — | 90 | 25 | 2405 | 2340 | 33 | 52 | М30 | |
| PN 6 | 2260 | 2220 | 42 | 115 | 2475 | 2390 | 42 | M39 | |||||||||
| PN 10 | 2275 | 58 | 160 | 35 | 2550 | 2440 | 55 | М52 | |||||||||
| DN 2400 | PN 2.5 | — | 2448 | — | 2420 | — | * | — | 28 | — | 90 | 25 | 2605 | 2540 | 33 | 56 | М30 |
| PN 6 | 2462 | 44 | 125 | 2685 | 2600 | 42 | M39 | ||||||||||
| PN 10 | 2478 | 62 | 170 | 35 | 2760 | 2650 | 55 | М52 | |||||||||
| DN 2600 | PN 2.5 | — | 2648 | — | 2620 | — | * | — | 28 | — | 90 | 25 | 2805 | 2740 | 33 | 60 | М30 |
| PN 6 | 2665 | 46 | 130 | 2905 | 2810 | 48 | М45 | ||||||||||
| PN 10 | 2680 | 66 | 180 | 40 | 2960 | 2850 | 55 | М52 | |||||||||
| DN 2800 | PN 2.5 | — | 2848 | — | 2820 | — | * | — | 30 | — | 90 | 25 | 3030 | 2960 | 36 | 64 | М33 |
| PN 6 | 2865 | 48 | 135 | 30 | 3115 | 3020 | 48 | М45 | |||||||||
| PN 10 | 2882 | 70 | 190 | 40 | 3180 | 3070 | 55 | М52 | |||||||||
| DN 3000 | PN 2.5 | — | 3050 | — | 3020 | — | * | — | 30 | — | 90 | 25 | 3230 | 3160 | 36 | 68 | М33 |
| PN 6 | 3068 | 50 | 140 | 30 | 3315 | 3220 | 48 | М45 | |||||||||
| PN 10 | 3085 | 75 | 200 | 45 | 3405 | 3290 | 60 | М56 | |||||||||
| DN 3200 | PN 2.5 | — | 3250 | — | 3220 | — | * | — | 30 | — | 90 | 25 | 3430 | 3360 | 36 | 72 | М33 |
| PN 6 | 3272 | 54 | 150 | 30 | 3525 | 3430 | 48 | М45 | |||||||||
| DN 3400 | PN 2.5 | — | 3450 | — | 3420 | — | * | — | 32 | — | 95 | 28 | 3630 | 3560 | 36 | 76 | М33 |
| PN 6 | 3475 | 56 | 160 | 35 | 3735 | 3640 | 48 | М45 | |||||||||
| DN 3600 | PN 2.5 | — | 3652 | — | 3620 | — | * | — | 32 | — | 100 | 28 | 3840 | 3770 | 36 | 80 | М33 |
| PN 6 | 3678 | 60 | 165 | 35 | 3970 | 3860 | 55 | М52 | |||||||||
| DN 3800 | PN 2.5 | — | 3852 | — | 3820 | — | * | — | 34 | — | 100 | 28 | 4045 | 3970 | 39 | 80 | М36 |
| DN 4000 | PN 2.5 | — | 4052 | — | 4020 | — | * | — | 34 | — | 100 | 28 | 4245 | 4170 | 39 | 84 | М36 |
* Размерът се определя от клиента.
Забележка. Фланците трябва да се произвеждат с уплътняващи повърхности от следните версии:
- - А, В - за фланци с РN ≤ 63;
- - C, D, E, F, J, K, L, M - за всички PN.
Позволено е да се произвеждат фланци от всички конструкции (с изключение на фланците за ред 2), които имат четири отвора за болтове (болтове), квадратни при номинално налягане не повече от PN 40. Размерите на квадратните фланци са показани на фиг. 1.9 и в табл. 1.5. Списъкът на материалите, използвани за производството на фланци, е даден в табл. 1.6, очакваното тегло на фланците е в табл. 1.7.
Всички фланци, различни от тип 21, се маркират, както следва:
- търговска марка на производителя;
- DN;
- PN;
- номер на типа фланец;
- номер на диапазона на размера (1 или 2);
- дизайнът на уплътняващата повърхност съгласно фиг. 1.2;
- клас на фланцовия материал;
- контролна група.
Пример за маркиране на стоманен заваръчен фланец DN 50 до PN 10, тип 11, ред 1, версия M, изработен от стомана 25 съгласно контролна група IV:
Търговска марка на производителя - 50-10-11-1-M-St 25-IV.
За фланци с контролна група V серийният номер е допълнително маркиран.
В раздела. 1.8 и в табл. 1.9 показва сравнителни обозначения на фланци и варианти на уплътняващи повърхности съгласно GOST 12817-80 - GOST 12822-80 и съгласно националния стандарт GOST R 54432-2011.
Като се има предвид постоянното нарастване на използването на оборудване с чуждестранно производство в Русия, чертежите с размери на фланците съгласно стандарта ASME / ANSI са показани на фиг. 1.10, а размерите и теглото на фланците са в табл. 1.10.
Фиг. 1.9. Размери на квадратни фланци, D и D1 - в съответствие с GOST 54432-2011
Таблица 1.5. Размер B на квадратни фланци, mm
| DN | PN 1 и PN 2.5 | PN 6 | PN 10 | PN 16 | PN 25 | PN 40 |
| DN 10 | 60 | 60 | 70 | 70 | 70 | 70 |
| DN 15 | 65 | 65 | 75 | 75 | 75 | 75 |
| DN 20 | 70 | 70 | 80 | 80 | 80 | 80 |
| DN 25 | 75 | 75 | 90 | 90 | 90 | 90 |
| DN 32 | 95 | 95 | 105 | 105 | 105 | 105 |
| DN 40 | 100 | 100 | 110 | 110 | 110 | 110 |
| DN 50 | 110 | 110 | 125 | 125 | 125 | 125 |
| DN 65 | 125 | 125 | 140 | 140 | — | — |
| DN 80 | 140 | 140 | — | — | — | — |
| DN 100 | 155 | 155 | — | — | — | — |
Таблица 1.6. Препоръчителни фланцови материали
| Стоманена или чугунена група | Клас на материал | Температура на приложение, ° С | PN, MPa (kgf / cm2), не повече |
| Леене от нелегирана стомана | 25L-II 20L-III 25L-III | -30 до 450 | 6,3 (63) 20 (200) |
| Леене от легирана стомана | 20H5ML 20GML | -60 до 650 -40 до 450 | |
| Леене от високолегирана стомана | 16Х18Н12С4ТУЛ 12Х18Н9ТЛ 10Х18Н9Л | -70 до 300 | |
| Въглеродна стомана | St3sp не по-ниска от 2-ра категория 20 20K 20KA | –253 до 600 –30 до 300 –20 до 300 –40 до 475 –20 до 475 –30 до 475 –40 до 475 | 10 (100) 20 (200) |
| Нисколегирана стомана | 20YUCH 15GS 16GS 10G2S1 17GS 12HM 15HM 09G2S 10G2 | –40 до 475 –30 до 475 –70 до 475 –40 до 475 –30 до 475 –40 до 475 –40 до 560 –70 до 475 | |
| Топлоустойчива стомана | 15Х5М | -40 до 650 | |
| Устойчива на корозия стомана | 08Х18Н10Т 12Х18Н9Т 12Х18Н10Т 10Х18Н9 08Х22Н6Т 08Х21Н6М2Т 15Х18Н12С4ТЮ 06ХН28МДТ 10Х17Н13М3Т 10Х17Н13М2Т 07Х20Н25М3Д2ТЛ ЭИ 943Л | –270 до 610 –270 до 600 –40 до 300 –70 до 300 –196 до 400 –196 до 600 –253 до 700 –70 до 300 |
Таблица 1.7. Приблизително тегло на фланците
| DN | Тип фланец | Тегло на фланеца, kg, за PN, kgf / cm2 | ||||
| PN 1 и PN 2.5 | PN 6 | PN 10 | PN 16 | PN 25 | ||
| DN 25 | 01 02 11 | 0,55 0,60 0,55 | 0,64 0,60 0,76 | 0,89 0,96 1,05 | 1,17 1,10 1,05 | 1,17 1,24 1,19 |
| DN 32 | 01 02 11 | 0,79 0,87 0,78 | 1,01 0,87 1,10 | 1,40 1,49 1,54 | 1,58 1,68 1,54 | 1,77 1,87 1,85 |
| DN 40 | 01 02 11 | 0,95 1,01 1,09 | 1,21 1,01 1,36 | 1,71 1,92 1,83 | 1,96 2,13 1,85 | 2,18 2,35 2,19 |
| DN 50 | 01 02 11 | 1,04 1,11 1,26 | 1,33 1,11 1,53 | 2,06 2,27 2,26 | 2,58 2,54 2,28 | 2,71 2,79 2,78 |
| DN 65 | 01 02 11 | 1,39 1,55 1,62 | 1,63 1,55 1,97 | 2,80 3,01 3,17 | 3,42 3,31 3,19 | 3,22 3,43 3,71 |
| DN 80 | 01 02 11 | 1,84 2,05 2,43 | 2,44 2,05 2,76 | 3,19 3,77 3,67 | 3,71 4,11 4,21 | 4,06 4,25 4,44 |
| DN 100 | 01 02 11 | 2,14 2,38 2,98 | 2,85 2,38 3,35 | 3,96 4,55 4,70 | 4,73 4,93 4,90 | 5,92 6,19 6,58 |
| DN 125 | 01 02 11 | 2,6 2,84 3,72 | 3,88 2,84 4,66 | 5,40 6,09 6,71 | 6,38 6,56 6,76 | 8,26 8,82 9,45 |
| DN 150 | 01 02 11 | 3,61 3,94 4,30 | 4,63 3,94 5,37 | 6,92 7,86 8,17 | 8,16 8,48 8,30 | 10,5 10,9 12,6 |
| DN 200 | 01 02 11 | 4,73 4,93 6,92 | 5,89 4,93 8,37 | 8,05 9,02 11,4 | 10,1 9,36 11,8 | 13,3 12,6 17,4 |
| DN 250 | 01 02 11 | 6,95 6,38 9,88 | 7,67 6,38 11,0 | 10,7 11,3 14,6 | 14,5 13,9 17,4 | 18,9 17,7 25,7 |
| DN 300 | 01 02 11 | 9,33 10,4 13,4 | 10,3 10,4 14,8 | 12,9 13,9 18,7 | 17,8 17,9 22,8 | 24,0 22,8 33,3 |
| DN 350 | 01 02 11 | 10,5 13,5 16,0 | 12,6 13,5 17,7 | 15,9 18,0 24,0 | 22,9 22,8 32,0 | 34,4 31,7 46,6 |
| DN 400 | 01 02 11 | 11,6 17,0 18,6 | 15,2 17,0 20,6 | 21,6 24,4 30,0 | 31,0 29,1 43,0 | 44,6 42,5 64,8 |
| DN 450 | 01 02 11 | 14,6 20,0 23,6 | 17,3 20,0 23,6 | 22,8 25,6 33,3 | 39,6 35,3 54,0 | 51,8 48,2 72,3 |
| DN 500 | 01 02 11 | 16,0 25,4 26,8 | 19,7 25,4 26,6 | 27,7 33,2 39,2 | 57,0 49,3 71,0 | 67,3 64,6 88,9 |
| DN 600 | 01 11 | 21,4 35,8 | 26,2 35,8 | 39,4 48,8 | 80,0 99,3 | 90,9 124 |
| DN 700 | 01 11 | 29,2 44,3 | 36,7 44,3 | 59,5 65,3 | 84,2 106 | 127 167 |
| DN 800 | 01 11 | 36,6 46,2 | 46,1 56,2 | 79,2 87,2 | 104 131 | 181 215 |
| DN 900 | 01 11 | 44,2 66,4 | 55,1 66,8 | 94,1 103 | 129 158 | — 253 |
| DN 1000 | 01 11 | 52,6 73,4 | 64,4 73,5 | 118 119 | 179 203 | — 312 |
| DN 1200 | 01 11 | 62,4 92,9 | 99,0 111 | 197 180 | 298 285 | — 388 |
| DN 1400 | 01 11 | 77,6 101 | 161 157 | 279 — | — — | — — |
Таблица 1.8. Структура на обозначението на фланеца
| Картина | ГОСТ 12820-80 - ГОСТ 12822-80 | ГОСТ R 54432-2011 |
| Стоманени плоски заварени фланци |
| |
| Челни заваръчни стоманени фланци | ||
| Разхлабени стоманени фланци на заварения пръстен |
|
|


Фиг. 1.10. Чертежи с размери на фланци ASME / ANSI
Таблица 1.9. Обозначителна структура на уплътняващите повърхности
| Картина | ГОСТ 12815-80 | ГОСТ R 54432-2011 |
| Самолет | — | Изпълнение A |
| Повдигнат фланец на лицето | Изпълнение 1 | Изпълнение Б |
| Повдигнат фланец | Изпълнение 2 | Изпълнение E |
| Кух фланец | Изпълнение 3 | Версия F |
| Трън фланец | Изпълнение 4, 8 | Изпълнение C, L |
| Фланец с жлеб | Изпълнение 5, 9 | Изпълнение D, M |
| Фланец за уплътнение на лещата | Версия 6 | Версия К |
| Фланец с овално уплътнение | Версия 7 | Изпълнение J |
Таблица 1.10. Размери и тегла на фланеца на ASME / ANSI, вижте фиг. 1.10
| DN | Клас *** (налягане в psi) | Външен диаметър, mm | Диаметър на разделителя, кръг на шипове, мм | Дебелина на фланеца, mm | Долен диаметър на шийката, mm | Диаметър на врата, мм | Височина на фланеца, мм | Диаметър на отвора, mm | Куха височина | Диаметър на отвора на шпилката, mm | Брой шипове | Тегло, кг | ||||
| Резен с гнездо | Апартамент | Черен заваръчен шев | С куха | Апартамент | Черен заваръчен шев с гнездо | |||||||||||
| О | W | мин. tf | х | НО | Y. | Y. | Y. | мин. AT | мин. AT | AT | д | д | н | |||
| 15 (½) | 150 300 600 900/1500 | 90 95 95 120 | 60,3 66,7 66,7 82,6 | 9,6 12,7 14,3 22,3 | 30 38 38 38 | 21,3 21,3 21,3 21,3 | 14 21 22 32 | 46 51 52 60 | 46 51 52 60 | 22,2 22,2 22,2 22,2 | 22,9 22,9 22,9 22,9 | 15,8 15,8 * * | 10 10 10 10 | 15,9 15,9 15,9 22,2 | 4 4 4 4 | 0,8 1,0 1,4 2,2 |
| 20 (¾) | 150 300 600 900/1500 | 100 115 115 130 | 69,9 82,6 82,6 88,9 | 11,2 14,3 15,9 25,4 | 38 48 48 44 | 26,7 26,7 26,7 26,7 | 14 24 25 35 | 51 56 57 70 | 51 56 57 70 | 27,7 27,7 27,7 27,7 | 28,2 28,2 28,2 28,2 | 20,9 20,9 * * | 11 11 11 11 | 15,9 19,0 19,0 22,2 | 4 4 4 4 | 1,0 1,4 1,8 3,2 |
| 25 (1) | 150 300 600 900/1500 | 110 125 125 150 | 79,4 88,9 88,9 101,6 | 12,7 15,9 17,5 28,6 | 49 54 54 52 | 33,4 33,4 33,4 33,4 | 16 25 27 41 | 54 60 62 73 | 54 60 62 73 | 34,5 34,5 34,5 34,5 | 34,9 34,9 34,9 34,9 | 26,6 26,6 * * | 13 13 13 13 | 15,9 19,0 19,0 25,4 | 4 4 4 4 | 1.1 1,8 2,3 4,1 |
| 32 (1¼) | 150 300 600 900/1500 | 115 135 135 160 | 88,9 98,4 98,4 111,1 | 14,3 17,5 20,7 28,6 | 59 64 64 64 | 42,2 42,2 42,2 42,2 | 19 25 29 41 | 56 64 67 73 | 56 64 67 73 | 43,2 43,2 43,2 43,2 | 43,7 43,7 43,7 43,7 | 35,1 35,1 * * | 14 14 14 14 | 15,9 19,0 19,0 25,4 | 4 4 4 4 | 1,4 2,7 3,2 4,5 |
| 40 (1½) | 150 300 600 900/1500 | 125 155 155 180 | 98,4 114,3 114,3 123,8 | 15,9 19,1 22,3 31,8 | 65 70 70 70 | 48,3 48,3 48,3 48,3 | 21 29 32 44 | 60 67 70 83 | 60 67 70 83 | 49,5 49,5 49,5 49,5 | 50,0 50,0 50,0 50,0 | 40,9 40,9 * * | 16 16 16 16 | 15,9 22,2 22,2 28,6 | 4 4 4 4 | 1,8 3,6 4,5 6,4 |
| 50 (2) | 150 300 600 900/1500 | 150 165 165 215 | 120,7 127,0 127,0 165,1 | 17,5 20,7 25,4 38,1 | 78 84 84 105 | 60,3 60,3 60,3 60,3 | 24 32 37 57 | 25 33 37 57 | 62 68 73 102 | 61,9 61,9 61,9 61,9 | 62,5 62,5 62,5 62,5 | 52,5 52,5 * * | 17 17 17 17 | 19,0 19,0 19,0 25,4 | 4 8 8 8 | 2,7 4,1 5,4 11,3 |
| 65 (2½) | 150 300 600 900/1500 | 180 190 190 245 | 139,7 149,2 149,2 190,5 | 20,7 23,9 28,6 41,3 | 90 100 100 124 | 73,0 73,0 73,0 73,0 | 27 37 41 64 | 29 38 41 64 | 68 75 79 105 | 74,6 74,6 74,6 74,6 | 75,4 75,4 75,4 75,4 | 62,7 62,7 * * | 19 19 19 19 | 19,0 22,2 22,2 28,6 | 4 8 8 8 | 3,6 5,4 8,2 16,3 |
| 80 (3) | 150 300 600 900 1500 | 190 210 210 240 265 | 152,4 168,3 168,3 190,5 103,2 | 22,3 27,0 31,8 38,1 47,7 | 108 117 117 127 133 | 88,9 88,9 88,9 88,9 88,9 | 29 41 46 54 | 30 43 46 54 73 | 68 48 83 102 117 | 90,7 90,7 90,7 90,7 | 91,4 91,4 91,4 91,4 91,4 | 77,9 77,9 * * * | 21 21 21 — — | 19,0 22,2 22,2 25,4 31,7 | 4 8 8 8 8 | 4,5 6,8 10,4 14,5 14,5 |
| 100 (4) | 150 300 600 900 1500 | 230 255 275 290 310 | 190,5 200,0 215,9 235,0 241,3 | 22,3 30,2 38,1 44,5 54,0 | 135 146 152 159 162 | 114,3 114,3 114,3 114,3 114,3 | 32 46 54 70 | 32 44 49 33 48 | 70 79 86 75 84 | 116,1 116,1 116,1 116,1 | 104,1 104,1 104,1 116,8 116,8 | 102,3 102,3 * * * | — — — — | 19,0 22,2 25,4 31,7 34,9 | 8 8 8 8 8 | 6,8 11,3 19,1 23,2 23,2 |
| 125 (5) | 150 300 600 900 1500 | 255 280 330 350 375 | 215,9 235,0 266,7 279,4 292,1 | 22,3 33,4 44,5 50,8 73,1 | 164 178 189 190 197 | 141,3 141,3 141,3 141,3 141,3 | 35 49 60 79 | 54 70 90 36 51 | 102 114 124 87 97 | 143,8 143,8 143,8 143,8 | 116,8 116,8 116,8 144,4 144,4 | 128,2 128,2 * * * | — — — — | 22,2 22,2 28,6 34,9 41,3 | 8 8 8 8 8 | 8,6 14,5 30,9 39,0 39,0 |
| 150 (6) | 150 300 600 900 1500 | 280 320 355 380 395 | 241,3 269,9 292,1 317,5 317,5 | 23,9 35,0 47,7 55,6 82,6 | 192 206 222 235 229 | 168,3 168,3 168,3 168,3 168,3 | 38 51 67 86 | 60 79 105 40 52 | 114 127 156 87 97 | 170,7 170,7 170,7 170,7 | 144,4 144,4 144,4 171,4 171,4 | 154,1 154,1 * * * | — — — — | 22,2 22,2 28,6 31,7 38,1 | 8 12 12 12 12 | 10,9 19,0 37,0 50,0 50,0 |
| 200 (8) | 150 300 600 900 | 345 380 420 470 | 298,5 330,2 349,2 393,7 | 27,0 39,7 55,6 63,5 | 246 260 273 298 | 219,1 219,1 219,1 219,1 | 43 60 76 102 | 67 86 119 44 | 117 140 156 100 | 221,5 221,5 221,5 221,5 | 171,4 171,4 171,4 222,2 | 202,7 202,7 * * | — — — — | 22,2 25,4 31,7 38,1 | 8 12 12 12 | 17,7 30,5 53,0 85,0 |
| 250 (10) | 150 300 600 900 | 405 445 510 545 | 362,0 387,4 431,8 469,9 | 28,6 46,1 63,5 69,9 | 305 321 343 368 | 273,0 273,0 273,0 273,0 | 48 65 86 108 | 62 76 114 49 | 110 133 162 100 | 276,2 276,2 276,2 276,2 | 222,2 222,2 222,2 277,4 | 254,6 254,6 * * | — — — — | 25,4 28,6 34,9 38,1 | 12 16 16 16 | 23,6 41,5 86,0 122,0 |
| 300 (12) | 150 300 600 900 | 485 520 560 610 | 431,8 450,8 489,0 533,4 | 30,2 49,3 66,7 79,4 | 365 375 400 419 | 323,8 323,8 323,8 323,8 | 54 71 92 117 | 95 111 127 56 | 116 152 184 113 | 327,0 327,0 327,0 327,0 | 277,4 277,4 277,4 328,2 | 304,8 304,8 ** ** | — — — — | 25,4 31,7 34,9 38,1 | 12 16 20 20 | 36,3 62,5 103,0 269,0 |
| 350 (14) | 150 300 600 900 | 535 585 605 640 | 476,3 514,4 527,0 558,8 | 33,4 52,4 69,9 85,8 | 400 425 432 451 | 355,6 355,6 355,6 355,6 | 56 75 94 130 | 79 111 127 156 | 125 141 165 213 | 359,2 359,2 359,2 359,2 | 360,2 360,2 360,2 360,2 | * * * * | — — — — | 28,6 31,7 38,1 41,3 | 12 20 20 20 | 46,3 84,5 158,0 255,0 |
| 400 (16) | 150 300 600 900 | 595 650 685 705 | 539,8 571,5 603,2 616,0 | 35,0 55,6 76,2 88,9 | 457 483 495 508 | 406,4 406,4 406,4 406,4 | 62 81 106 133 | 87 121 140 165 | 125 144 178 216 | 410,5 410,5 410,5 410,5 | 411,2 411,2 411,2 411,2 | * * * * | — — — — | 28,6 34,9 41,3 44,4 | 16 20 20 20 | 57,7 111,5 218,0 311,0 |
| 450 (18) | 150 300 600 900 | 635 710 745 785 | 577,9 628,6 654,0 685,8 | 38,1 58,8 82,6 101,6 | 505 533 546 565 | 457,0 457,0 457,0 457,0 | 67 87 117 152 | 97 130 152 190 | 138 157 184 229 | 461,8 461,8 461,8 461,8 | 462,3 462,3 462,3 462,3 | * * * * | — — — — | 31,7 34,9 44,4 50,8 | 16 24 20 20 | 63,6 138,0 252,0 419,0 |
| 500 (20) | 150 300 600 900 | 700 775 815 855 | 635,0 685,8 723,9 749,3 | 41,3 62,0 88,9 108,0 | 559 587 610 622 | 508,0 508,0 508,0 508,0 | 71 94 127 159 | 103 140 165 210 | 143 160 190 248 | 513,1 513,1 513,1 513,1 | 514,4 514,4 514,4 514,4 | * * * * | — — — — | 31,7 34,9 44,4 54,0 | 20 24 24 20 | 91,0 172,0 313,0 528,0 |
| 600 (24) | 150 300 600 900 | 815 915 940 1040 | 749,3 812,8 838,2 901,7 | 46,1 68,3 101,6 139,7 | 663 702 718 749 | 610,0 610,0 610,0 610,0 | 81 105 140 203 | 111 152 184 267 | 151 167 203 292 | 616,0 616,0 616,0 616,0 | 616,0 616,0 616,0 616,0 | * * * * | — — — — | 34,9 41,3 50,8 66,7 | 20 24 24 20 | 118,0 247,0 444,0 957,0 |
* За фланците за челен заваръчен диаметър на гърлото е приблизително същият като външния диаметър на тръбата.
** Произведено по специална заявка.
*** Преобразуването в kg / cm2 се получава чрез разделяне на коефициента на преобразуване k ~ 15.
Изолационни фланцови връзки
По този начин той не абсорбира едновременно влагата и избягва преминаването на електрически ток през тръбопровода. Понякога уплътненията са направени и от флуоропласт или винил пластмаса. IFS също така съдържа свързващи пръти, полиамидни втулки, шайби и гайки. Благодарение на този хардуер фланците се изтеглят и фиксират в това положение. Поръчайте само нашето производство на фланци.
Като цяло, изолационната фланцова връзка е здраво закрепване на два елемента на тръбопровода. Електроизолационното уплътнение играе важна роля в него, което позволява да се изключи проникването на електрически ток в тръбопровода. Средно съпротивлението на една изолационна фланцова връзка е най-малко 1000 ома.
Характеристики на процеса на сглобяване на фланцова връзка
Фланцовата връзка е слаба и уязвима точка в тръбопровода.
Изкривяването на самолетите по време на монтажа на пръстените може да доведе до образуване на дефекти, нарушаване на плътността на монтажа и в крайна сметка да създаде аварийна ситуация на линията.
Ето защо, когато сглобявате фланцови връзки, е важно да осигурите:
- перпендикулярност на пръстена към основната тръба;
- съвпадение на осите на отворите за болтове спрямо оста на симетрия.
Перпендикулярността на монтажа на фланцовите връзки се контролира с помощта на специален контролен квадрат и сонда. Липсата на изместване на осите на отворите се разкрива от нивото и отвеса. Допустимото отклонение от перпендикулярността на пръстена спрямо тръбата не трябва да надвишава 0,2 mm на 100 mm от диаметъра на тръбата. Отместването на оста на отворите на фланеца спрямо оста на симетрия на основната тръба трябва да бъде по-малко от 1 mm с диаметър на отвора на болта 18-25 mm и не повече от 2 mm с диаметър до 41 mm.







