Checklist of required actions
If it became known that the installation of individual heating is allowed in the house, a long walk through the authorities cannot be avoided:
- First of all, you need to go to the local organization responsible for the supply of gas and write a statement there regarding the installation of a gas boiler in the apartment. After a certain time, the homeowner is issued an opinion regarding the permission or prohibition for the installation of the heating unit. If you receive a positive answer, you can install the hardware.
- Next, you need a project. It should be ordered from a design office authorized for this type of work. Its address can be obtained from the gas supply company. At this stage, it is advisable to choose a boiler model and a counter. Design documentation should be drawn up for them, and the data should be indicated in the specification. The fact is that after approval changes can be made only later, and for a separate fee. If the project is signed, nothing can be changed in it, you need to order a new one.
- In the fire authorities, you should find out the address and name of the organization that checks the condition of the ventilation ducts and agree with its specialists about the service. A company representative will come and check the quality of ventilation. If everything is in order, permission will be issued to install a gas boiler in the apartment. In the event of an unsatisfactory condition of the chimney, an act is drawn up with a list of works to be performed. After eliminating the shortcomings, you need to re-invite a specialist in order to eventually get permission.
- At the next stage, an application for refusal of heating is submitted to the heating network. If you plan to heat the water yourself, you also need to refuse hot water supply. It is advisable to immediately clarify the timing of the shutdown measures. The rework project approved by Gorgaz should already be on hand.

- Data on the purchased meter and boiler are reported to the design organization. Then the finished documentation is taken away. It is not worth purchasing equipment in advance, since permission to install a gas boiler in an apartment building cannot always be obtained.
- Then, in the Gorgaz department, an agreement is concluded for the maintenance of the unit, and the gasification project is submitted for approval.
- After receiving the signed project in your hands, you can start disconnecting from the heating network. In this case, you will need to drain the water from the heating system of the whole house.
- Further, the owner of the apartment must mount an individual heating system. The boiler is installed without connecting to the gas main, the system is checked for tightness and readiness for operation.
- In "Gorgaz" they find out the date when it is possible to install a gas boiler in an apartment building in a specific apartment. Its employees will connect pipes and equipment according to the project, seal the meter, start up the stove and the unit.
- In order for the guarantee for the gas boiler to be valid, adjustment and implementation of the first start-up will be required, followed by a mark in the passport. For this type of work, contact the department where the device was delivered for service. The master will adjust the boiler, start the system and put a stamp in the passport. Now you can use the mounted equipment.
The entire process described above, in compliance with the requirements for installing a gas boiler in an apartment building, will take from 1.5 to 2.5 months. Therefore, it is advisable to start the procedure in the spring or at the very beginning of summer.
Rules for installing gas appliances in an apartment
The least problems with the arrangement of individual heating arise among the owners of new apartments that are not connected to a centralized heating system. In this case, there is no need to visit the heating network and there is no need to disconnect from the risers, and the permission to mount gas heating in an apartment building may be in the package of documents for real estate.
But in this case, you need to adhere to certain rules. First of all, having documents in hand, you cannot install gas equipment yourself - this work must be performed by specialists. These can be not only employees of a gas supplying organization, but also representatives of a company with which this type of activity is licensed.


After completion of the installation, the engineer of the company supplying gaseous fuel will check the correctness of the connection and issue a permit to use the boiler. Only then can the valve leading to the apartment be opened.
Before starting, in accordance with the requirements for installing a boiler in an apartment building, an individual heat supply system must be checked. To do this, it is launched under a pressure of at least 1.8 atmospheres. This parameter can be monitored using the heating unit pressure gauge.
If the pipes are built into the floor or walls, it is advisable to increase the pressure and drive the coolant through them for at least 24 hours. Only after testing the system can you be sure that there are no leaks and that the connections are secure.
The equipment must be vented prior to starting. Since when installing a gas boiler in an apartment building, the systems are made closed, you need to use the Mayevsky taps available on the radiators. Air is released in each battery, bypassing them several times in turn until there is no air left in them. The system can then be started up in operating mode - turn on the heat supply.


It should not be forgotten that modern units are controlled by automation, and such devices are demanding on voltage. Therefore, it is recommended to use a voltage stabilizer and an uninterruptible power supply. To protect the boiler from deposits accumulating on its inner surface, filters must be installed at the fuel and cold water inlets.
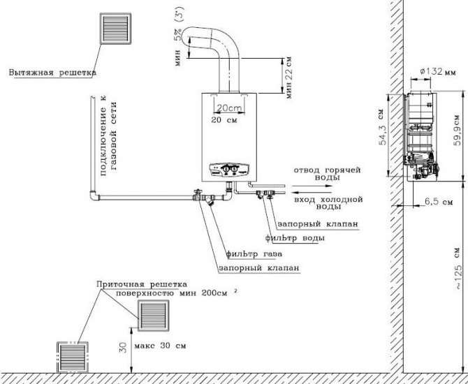
An electrical outlet and other gas appliance should be placed at a distance of at least 30 centimeters from the unit.
The procedure for installing a gas boiler in an apartment
The gas boiler is installed by a special installation organization that has permits for the right to work. The work is carried out exclusively according to the approved project.
After the project is approved by the regulatory authorities, the appropriate equipment is selected according to the specifications. Before installing the gas boiler, the completeness and serviceability of the purchased goods is checked.
Algorithm for performing installation work in an apartment with central heating in a multi-storey building:
- Install a protective fire-resistant coating on the wall where the unit is located.
- Anchoring is placed under the horizontal level; it usually comes with the boiler.
- The unit is hung on the mount and the level is checked by the level.
- The boiler is piped with internal engineering systems: water, heating pipes and power grids.
- The boiler connection on the gas side with the installation of a commercial gas meter is carried out by a representative of the gas company.
- Electrical connection and the arrangement of a protective grounding system from the gas boiler are carried out by electrical personnel.
- Connect to electricity, check the efficiency of the grounding system.
- The first start-up after checking compliance with the rules for installing a gas boiler is performed by a representative of the gas company.
- An act of putting the boiler into operation is drawn up with representatives of the customer, the design and installation organization, as well as the fire inspection, the department of architecture and the SES.
Arrangement of a room for a boiler
It is best to install a wall-mounted gas appliance in a kitchen, the layout of which meets the standards for the placement of such equipment. Also in this room there is already a supply of both water and gas.


This is how the norms for installing a gas boiler in an apartment look like:
- The area of the room where the installation of equipment is planned, when the ceilings in it are not lower than 2.5 meters, should exceed four square meters.
- It is mandatory to have a window that opens. Its area should be 0.3 square meters. m. for 10 cubic meters of volume. For example, the dimensions of the room are 3x3 meters with a ceiling height of 2.5 meters. The volume will be 3x3 x2.5 = 22.5 m3. This means that the area near the window cannot be less than 22.5: 10 x 0.3 = 0.675 sq. m. This parameter for a standard window 1.2x0.8 = 0.96 sq. m. It will do, but the presence of a transom or a window is required.
- The width of the front door cannot be less than 80 centimeters.
- There should be ceiling vents.
Requirements for the installation of a gas boiler
Installing a gas boiler in a private house will require compliance with the requirements set out in SNiP 31-02-2001. The equipment is installed in a well-ventilated area on the first or basement floor, tightly closed by a door. In exceptional cases, with equipment power up to 150 kW, installation in the attic in a specially designated room is allowed. Boilers with a capacity of no more than 35-60 kW can be installed in the kitchen (depending on the rate used by the gas service).


The owner of the house has the right to independently choose the place of installation of the device, taking into account the requirements of SNiP. However, a decisive role will be played by the opinion of the gas service employees issuing permits for the installation of the heating system. They look at the characteristics of the room, take into account regional regulations. Gas workers have the right to demand that a separate room be allocated for the boiler room, made in accordance with regulatory requirements.
Not every room is suitable for mounting the device. It should be isolated from other rooms by a door, have good natural ventilation and a window facing the street. The minimum area is 15 sq. m. Failure to comply with the requirements will lead to a refusal to issue permits and commissioning of equipment.
In apartments, the installation of a gas boiler is carried out in the kitchens, taking into account the requirements of SNiP 2.08.01:
- Availability of supply ventilation with sufficient supply of fresh air to the apartment (the calculation is carried out individually, taking into account the capacity of the gas equipment located in the kitchen).
- The area of the premises is not less than 4 - 5 sq.m.
- Ceiling height at least 2 - 2.5 m.
- The presence of a window with a window (0.3 m² per 1 m² of floor) or a balcony door with a ventilated function.
- Grounding the system before commissioning.
- The walls must be aligned.
- The presence of a tightly closing door, 80 cm wide, with a small gap for ventilation (from 2 mm).
If the room is not equipped with an interior door (for example, the owners made an arch or connected the kitchen to the room), the gas service will not issue permission to install a gas boiler. The owner will need to restore it, or abandon the idea of installing individual heating.
The calculation of the air flow through the supply ventilation is carried out individually, taking into account the power of the unit. 1 kW must have at least 8 cm².
Installation of gas heating is impossible without a connection to the central gas supply system and an individual metering device. You can install the meter together with the heating device, having received the project and permission for its installation in advance.
Recommendations for the installation of gas equipment
In the documents attached to the product, each manufacturer describes the requirements for installing a gas boiler in an apartment. For the warranty provided by the manufacturers to be valid, the unit must be installed in accordance with their recommendations.


The list of requirements is as follows:
- Wall mounted boiler separated from the walls with a non-combustible material. When tiled or covered with a layer of plaster, this will suffice. The appliance must not be immediately hung on a surface lined with wood.
- Floor unit placed on a non-combustible base. If the floor has ceramic tiles or concrete, you do not need to do anything. A sheet of heat-insulating material should be placed on the wooden flooring, and a metal sheet should be fixed on top of it, the size of which exceeds the boiler's dimensions by 30 centimeters.
Project design
The project is being developed taking into account the actual state of the apartment and all the pros and cons of the boiler, as well as the conditions noted in the TU. The creation of a project can only be carried out by specialists licensed to perform the relevant work.


Further, the finished project is sent for approval to the regional offices of supervisory agencies that control the safe operation of gas equipment: gas, fire inspection, SES, management company, architecture and other interested organizations involved in the operation of engineering networks of an apartment building. The list of approvals can be obtained from the department of architecture of the municipality.


An approximate list of documents for obtaining approval for the installation of a gas boiler:
- Project with diagrams and equipment specification.
- Technical data sheet of the boiler from the manufacturer.
- Instructions for trouble-free maintenance of the boiler from the manufacturer.
- Certificates for a gas boiler in an apartment and equipment for compliance with state quality standards and fire safety requirements and SES.
Requirements for the arrangement of the chimney
When a gas boiler of any type is installed in an apartment of an apartment building, the chimney must not be made narrower than its outlet. If the device has an open combustion chamber and a power not exceeding 30 kW, the chimney cross-section cannot be less than 140 millimeters, and with a capacity of 40 kW - 160 millimeters in diameter.
If the boiler has a closed combustion chamber, it is equipped with a coaxial chimney with a cross-sectional size recommended by the manufacturer.


Then you need to adhere to these rules:
- the pipe going up from the wall-mounted gas unit must have a length of at least 50 centimeters, and then only the elbow can be installed;
- more than three bends must not be created along the entire length of the chimneys;
- combustion products from appliances with open combustion chambers are removed into the chimney, and with closed ones - also into the chimney or through the wall directly to the street (the method depends on the project).
What you need to replace in 2020
If you are planning to install a new boiler in a different room, consider the following requirements:
- Installation is allowed only in non-residential premises with a door.
- For the installation of equipment with an open combustion chamber, it is necessary to have a window with a vent and a room area of 8 m2 or more. For closed devices, the requirements are only in terms of volume - from 9 m².
How to complete the installation and collect documents:
- Write an application to the gas service for a permit.
- Get a list of specifications. If it turns out that only the equipment is changing, then the project remains the same. If the place of installation, the scheme of supplying communications changes, then a new project is being developed. To do this, you need to contact a company with a license.
- Take the building passport from the replacement company.With him, an act on the state of the chimney ducts, an act on the conformity of equipment with standards, contact the gas inspection.
- Dismantling, installation, commissioning.
You can do the collection of documentation yourself or give instructions to a special service.
Is unauthorized installation of equipment allowed in a private house or apartment?
Do-it-yourself installation is not prohibited by documentary evidence. Only unauthorized connection to the gas main is not allowed. The rest of the work can be performed by the user if he has skills.


If you connect gas without approval, you face a fine from 10,000 to 15,000 rubles (according to Article 7.19 of the Administrative Code of the Russian Federation). Many consumers are not afraid of this: they carry out the installation unauthorized, and then pay a fine. But you should understand that you are endangering not only yourself, but also your neighbors.
What actions must be taken when replacing:
- For the organization of condensing boilers, it is required to connect to the network, connect the system for condensate drainage according to the rules.
- Before switching on, you will need to agree on the state of the chimney. The check is carried out by a gas service specialist. Thereafter, a similar audit will be carried out once a year.
- If you carry out independent work, you will not receive a guarantee.
Choosing a gas boiler
Before putting a boiler in an apartment, you need to make the best choice. Wall and floor boilers can be installed in a multi-storey building. Wall models are considered more aesthetic and convenient in terms of placement. Their dimensions are comparable to the dimensions of kitchen wall cabinets and therefore they fit well into the interior of the room.
It will be more difficult with the installation of floor units, since they cannot always be pushed close to the wall. This nuance depends on the location of the smoke exhaust pipe. If it is on top, then the device, if desired, is moved to the wall.
Boilers also come in single and double-circuit. The first of them work only for heat supply, and the second - for heating and water heating. When other equipment is used for DHW, then a single-circuit model will suffice.


If the water is heated by a gas boiler, then you will have to choose one of two methods: an indirect heating boiler or a flow coil. Both options have disadvantages. When a coil is used, which means that instantaneous heating is carried out, not all units are able to maintain the set temperature.
For this reason, special operating modes must be set in boilers, they are called differently in different devices. For example, in Navien models (read about Navien boiler malfunctions), Beretta is “hot water priority”, and in Ferrolli it is “comfort”.
The disadvantage of boiler heating is that gaseous fuel is consumed to maintain a stable water temperature in the tank. In addition, the reserve of heated water is limited. After its consumption, you have to wait until the new portion heats up.
The choice of the above methods is an individual matter, but you need to remember that with the flow-through version you will have to focus on the productivity of heating water per minute, and with a boiler room - on the volume of the tank.
Gas units differ in the type of burner used, which are:
- single-position;
- two-position;
- modulated.
The cheapest are single-position ones, but at the same time they are the most uneconomical, since they always operate at full capacity. Slightly more economical are two-position ones, which are capable of operating at both 100% power and 50%. The best burners are considered modulating because they have many operating modes, which saves fuel. Their performance is automatically controlled.


The burner is located in a combustion chamber, which can be either open or closed. Oxygen for open chambers comes from the room, and combustion products are removed through an atmospheric chimney.
Closed chambers are equipped with a coaxial chimney structure, and oxygen for combustion enters them from the street. In this case, the combustion products are discharged along the central contour of the chimney, and air enters through the outside.
Floor-standing units are equipped with an inflatable or atmospheric burner. When a floor-standing boiler is installed in an apartment building, it is allowed to use an atmospheric burner in the apartment. Most of these gas appliances have a closed combustion chamber, which means that they are equipped with a turbine and a coaxial chimney.
Standards for placing a gas water heater in an apartment
It is important to adhere to the rules for installing a gas water heater for fire safety purposes:
- room standards: the kitchen area must be at least 7.5 sq. m .; the minimum ceiling height in the apartment is 2 m;
- chimney opening diameter - not less than 120 mm;
- you need to mount the column on a brick or concrete wall, and for better protection (in order to avoid fire), it is important to install galvanized sheets during installation;
- natural ventilation is a prerequisite for installing the column;
- it is forbidden to install the device directly above the gas stove;
- the column should be located at a distance of at least 1.5 m from electrical appliances;
- it is imperative that an extractor hood for a gas water heater in the apartment be installed in the kitchen, since the combustion products must be discharged outside. In the apartment, these products are removed through the ventilation duct. According to the standards, no more than 2 units can be connected to one hood. And the hood can only be installed near a wall made of non-combustible materials;
- special sensors must be present so that they can be used to monitor the presence of combustion products in the air. This is necessary so that when the level of combustion products in the air is exceeded, the sensors can turn off the gas supply or notify the residents of the problem;
- in the kitchen where the gas water heater is located, there must be a door;
- it is forbidden to mask the gas pipes and the column itself. Gas professionals should always have easy access to equipment and pipes.
Calculation of boiler power
When the type of heating unit is selected, you should decide on its power. If desired, you can order a heat engineering calculation that allows you to determine the heat loss in the premises. Based on this figure, they begin to select the boiler power.
It is possible not to make calculations, but to use the norms obtained by experience, according to which 1 kW of boiler power is required for 10 "squares" of the area. This result should be supplemented with a performance margin for various losses.
For example, to supply heat to an apartment with an area of 60 "squares", a 6 kW device is needed. If water heating is planned, add 50% and get 9 kW of power, and in case of abnormally cold weather another 20-30%. The final result is 12 kW.


But this is a calculation for central Russia. If the settlement is located to the north, the unit's productivity should be further increased. The specific value depends on the degree of insulation of the house. For a panel or brick high-rise building, this will be 50% or more.
The boiler must have sufficient power to ensure comfort in the apartment, so you should not save on it. The difference in cost won't be big. If an automated boiler is purchased, then there will be no overconsumption of gas, since such models of units are the most economical.
The process of obtaining a permit related to whether it is possible to put a gas boiler in an apartment is rather complicated, costly and time-consuming. But all the efforts are worth it, since it is much better to live at a comfortable indoor temperature. At the same time, you will have to pay for individual heating less than for centralized heating.






