
Viele Menschen kommen auf die Idee, mit eigenen Händen aus einer Gasflasche einen Herd zu machen.
Ein solches Heizgerät erfordert keine großen finanziellen Investitionen, kann jedoch einen technischen Raum, ein Gewächshaus oder eine Scheune heizen.
Zylinder sind unterschiedlich. Für die Arbeit nehmen Sie am besten einen 50-Liter-Behälter. Sein Durchmesser beträgt 30 cm, die Höhe 85 cm. Die Dicke der Wände ist optimal.
Es gibt noch dickwandigere Industriezylinder für 40 Liter. Der Durchmesser beträgt 25 cm. Der Ballon muss in der Höhe geschnitten werden, und die dicken Wände tragen zu einer längeren Erwärmung bei, aber auch zur anschließenden Wärmespeicherung.
Welche Öfen können aus einer Gasflasche hergestellt werden und wie man es richtig macht?
Dickbauchofen aus einer Flasche oder Aubergine.
Dieser Ofentyp kann direkt hergestellt werden, sowohl aus einem festen Metallblech als auch aus jeder hitzebeständigen Vorrichtung, beispielsweise einem Zylinder, einem Kolben, einem Rohr oder einer Propangasflasche.
Lang brennender Gasflaschenofen kann auf verschiedene Arten hergestellt werden und unterschiedliche Positionen haben - horizontal oder vertikal. In einigen Fällen können zwei Zylinder gleichzeitig verwendet werden, wobei ein Zylinder in horizontaler Position vertikal auf dem anderen angeordnet ist.
Es gibt mehr als genug Modelle für eine solche Anwendung von Gasflaschen, und nachdem Sie alle Optionen berücksichtigt haben, können Sie genau die auswählen, die sich für Sie als am akzeptabelsten herausstellt.
Um dieses Gerät zu vervollständigen, müssen Sie natürlich über die erforderlichen Materialien und Werkzeuge verfügen, und es ist auch eine gute Idee, zumindest ein wenig Erfahrung in diesem Segment zu sammeln.
Festbrennstoffofen
Wie kann man aus einer Gasflasche einen Herd machen? Die erste Frage, die sich schon vor Arbeitsbeginn stellt: Wie positioniert man den Ballon am besten - horizontal oder vertikal?
Wenn Sie den Ofen zum Kochen verwenden möchten, müssen Sie die Zylinder horizontal platzieren.
In der vertikalen Version müssen Roststangen im Zylinder installiert werden, in der horizontalen Version erfolgt dies nach Belieben.
In einer horizontalen Struktur müssen Sie jedoch eine Pfanne zum Sammeln von Asche schweißen, und in einer vertikalen Struktur kann die Aschenpfanne weggelassen werden, wenn der Rost in ausreichender Höhe installiert wird.
Für den Dickbauchofen sind gegossene Türen für das Gebläse und die Brennkammer erforderlich.
Handwerker stellen sie selbst aus einem Stück Metall her, das aus einem Zylinder geschnitten wurde, wenn sie ein Loch für die Brennkammer bohren.
In diesem Fall müssen Sie nur Scharniere und einen Riegelgriff kaufen. Für eine gekaufte Tür müssen Sie einen Rahmen, der von den Ecken an den Zylinder geschweißt ist, um den Umfang der Löcher schweißen und die Beschläge mit Schrauben daran befestigen.
Bevor Sie mit dem Schneiden oder Schweißen von Metall beginnen, müssen Sie den Behälter von Gas befreien. Der Ballon wird bis zum Rand mit Wasser gefüllt, dann abgelassen und erst danach beginnen sie zu arbeiten.
Herstellungsschritte eines horizontalen Dickbauchofens:
- Schneiden Sie den oberen Teil des Behälters mit einer Mühle ab.
- Im Inneren des Zylinders ist ein Rost aus gebogener Verstärkung installiert.
- Die Armaturen sind mit dem Behälter verschweißt.
- Schneiden Sie einen Kreis aus 4 mm dickem Stahl aus, der dem Außendurchmesser des Zylinders entspricht.
- Löcher-Rechtecke werden in den Kreis geschnitten - das erste unter dem Feuerraum, das zweite unter dem Gebläse;
- auf einen Stahlkreis schweißen;
- die Türen reparieren;
- Kleben Sie die Türen entlang der Kontur mit Asbestzement.
- Sie beginnen, die Rückseite des Ofens neu auszurüsten. Schneiden Sie ein Loch für den Schornstein, das dem Rohrdurchmesser entspricht.
- Ein Schornstein wird aus einem dickwandigen Rohr geschweißt.
Wenn der Zylinder vertikal positioniert ist, wird eine Struktur erhalten, die ein Minimum an Platz einnimmt.


Ein solcher Ofen aus einem Zylinder eignet sich für ein Bad, einen kleinen Wohnraum, der in eine Garage gestellt werden kann.
Herstellungsschritte eines vertikalen Dickbauchofens:
- Schneiden Sie die Oberseite des Zylinders mit einer Mühle ab.
- Auf der Vorderseite des zukünftigen Ofens für die Feuerbox ist unten - unter dem Gebläse - ein großes Loch ausgeschnitten, durch das die Struktur von Asche gereinigt wird.
- Ein Gitter aus Verstärkungsstäben wird in den Zylinder abgesenkt und an die Wände geschweißt.
- Ein Rand wird an die Löcher für die Türen geschweißt und mit einer Asbestzementschnur überklebt.
- oben schweißen - es wurde nur abgeschnitten, um den Rost zu setzen;
- Ein Kaminloch wird von oben oder von der Seite gemacht.
Materialien und Werkzeuge
Materialien für diese Arbeit:
- Ein Blech mit einer ungefähren Dicke von 3 Millimetern, das zur Herstellung eines Kochplatzes und einer Aschenpfanne verwendet wird.
- Rauchauspuffrohr;
- Eine gusseiserne Tür, die bereits im Voraus hergestellt wurde, oder Sie können sie selbst herstellen, indem Sie ein Blech oder ein Stück Zylinder verwenden.
- Eine Ecke oder starke Verstärkungsstangen zur Herstellung von Beinen und, falls keine fertige vorhanden ist, zur Herstellung eines Gitters.
- Ein oder zwei Flaschen werden ebenfalls benötigt, zu diesem Zweck können sowohl Gasflaschenbehälter als auch kleine geeignet sein.
- Werkzeuge zur Herstellung eines Dickbauchofens:
- Schweißmaschine 200 A;
- Mühle oder Mühle mit Scheiben des erforderlichen Durchmessers, ca. 180 Millimeter;
- Elektroden;
- Schneid- und Schleifscheiben für Metall;
- Hammer zum Reinigen der Schlacke vom Schweißen;
- Eine Bürste zur Ausführung von Metallarbeiten;
- Messgerät oder Maßband, Kreide oder Marker zum Markieren;
- Bohren Sie mit Bohrern des entsprechenden Durchmessers.
- Hammer, Meißel, Zange.
Damit der Ofen, wie bereits erwähnt, bequem und zugänglich ist, kann er horizontal und vertikal positioniert werden, um festzustellen, welcher besser ist, und die Größe des Raums muss ebenfalls berücksichtigt werden.
Einfacher Dickbauchofen aus der Dose
Der einfachste Topfbauchofen zum Selbermachen wird aus einer gewöhnlichen Dose hergestellt. Es besteht keine Notwendigkeit, über die Haltbarkeit einer solchen Struktur zu sprechen, aber sie ist schnell aufgebaut, einfach zu installieren und gibt genügend Wärme ab.
Alle Arbeiten bestehen in der Installation der Beine, der Anordnung des Auslassrohrs und einigen kosmetischen Operationen. Um zu arbeiten, brauchen Sie:
- Kann
- Kaminrohr
- Rostdraht
- Schweißvorrichtung
- Werkzeuge
Einstieg
- Wir stellen die Dose horizontal und markieren, wo sich das Gebläse befindet, das die Form eines Rechtecks oder einer Sichel hat. Legen Sie es unter den Deckel
- In die Wand oder den Boden der Dose wird ein Loch geschnitten, das dem Durchmesser des Kaminrohrs entspricht
- Um einen Rost herzustellen, müssen Sie sich mit Stahldraht eindecken. Es wird gebogen, durch den Deckel nach innen getragen und vorsichtig gelöst, so dass sich der Zickzack in der gewünschten Position befindet, während es bequem bleibt, Späne, Brennholz usw. zu legen.
- Die Dose muss an Beinen befestigt werden, die aus Rohren oder Ecken geschnitten und geschweißt sind
- Der Schornstein ist geschweißt
Ein Reflektor kann an der Außenseite des Tanks angebracht werden, wodurch weniger Wärme entweicht. Nachdem die Griffe von den Seiten geschweißt wurden, kann die Struktur an einen anderen Ort übertragen werden.
Vor- und Nachteile hausgemachter Bourgeois
Unter den vielen Vorteilen einer solchen unscheinbaren, aber nützlichen Installation gibt es:
- Vollständige Autonomie und Energieunabhängigkeit
- Arbeiten Sie an festen Brennstoffen, einschließlich Pflanzenresten - das spart viel Geld
- Vielseitigkeit des Designs, das nicht nur in verschiedenen Räumen installiert, sondern auch zum Kochen verwendet werden kann
- Ein einfaches Design, das Sie selbst aus den in der Garage verfügbaren Materialien bauen können
- Es ist nicht erforderlich, ein monolithisches Fundament zu errichten und einen Kapitalkamin zu installieren
Trotz der bedeutenden und zahlreichen Vorteile gibt es eine Reihe von Nachteilen der Bourgeoisie:
- Die hohe Wärmeleitfähigkeit des Metalls führt zu einem schnellen Ausbrennen des Brennstoffs und einer Abkühlung des Ofens
- Wenn die Wandstärke nicht ausreicht, beginnen sie bald auszubrennen und der Ofen fällt aus.
- Sie müssen den Verbrennungsprozess beobachten und Brennholz rechtzeitig werfen, um die Traktion zu kontrollieren
- Teerige und feuchte Stämme verursachen hartnäckigen Ruß im Schornstein
Video - eine weitere Option zur Herstellung eines Ofens
Ein hausgemachter Dickbauchofen ist ein zuverlässiger und effektiver Assistent in einem kalten Arbeitsraum oder in Ihrer eigenen Garage. Die Herstellung ist nicht schwierig, und es sind keine großen Materialinvestitionen erforderlich, um mit der Arbeit zu beginnen.
In Ihrem Artikel wurde gutes Material gesammelt. Ich habe lange darüber nachgedacht, ein fertiges zu kaufen oder es selbst herzustellen, trotzdem habe ich mich entschieden, ich habe es selbst gemacht. Ich habe ein 200-Liter-Fass mit Kraft- und Schmierstoffen als Rohstoff verwendet. Ich habe mich von einer detaillierten Zeichnung leiten lassen, die ich unter https://kamin-maker.ru/pechi/pechka-burzhuyka-iz-bochki/ gefunden habe Sagen wir, dass der Dickbauchofen aus dem Fass sehr gut ist, es gibt auch einen Nachteil, wie ein dünnes Metall, daraus folgt, dass die Lebensdauer nicht mehr als ein Jahr beträgt, aber ein großes Plus ist sehr billig und nicht kompliziert Produktion dieser Einheit. Nach meiner Erfahrung heizt ein solcher Ofen einen Raum von 80 m2 perfekt, ich verwende gepresstes Sägemehl als Rohmaterial, ein Lesezeichen reicht mir für mindestens 6 Stunden. Lange widerstanden oder nicht, aber vergebens, eine tolle Sache!
5bdedcb7ed5bd81554f3482ed13711bc.jpe
Ballonvorbereitung
Zu Beginn aller Arbeiten ist es erforderlich, die korrekte Bearbeitung der Flasche für die weitere Verwendung durchzuführen, insbesondere wenn es sich um eine Gasflasche handelt. Denn wenn das Gas kürzlich vorhanden war, könnten seine Partikel zurückbleiben und beim Schneiden von Metall aufgrund eines Funkens kann der Behälter explodieren.
Zu diesem Zweck müssen Sie zunächst ein Verfahren durchführen, das Zeit und Aufmerksamkeit erfordert: Öffnen Sie das Ventil und lassen Sie überschüssiges Gas ab. Zu diesem Zweck ist es besser, den Behälter über Nacht auf die Straße oder in einen Raum mit hoher Belüftung zu stellen, und es ist noch einfacher, den Ballon bis zum Rand mit Wasser zu füllen.
Ferner wird der Behälter in umgekehrter Form von Kondensation befreit, was ebenfalls unangenehm riecht, was bedeutet, dass solche Aktionen außerhalb des Wohnbereichs durchgeführt werden.
Der gewaschene Behälter wird sicher und kann sicher an der Verarbeitung befestigt werden.
Wahl des Zylinders und der Materialien
Der Ofenkörper besteht aus einer alten leeren Gasflasche. Für eine effektive Arbeit und eine hohe Wärmeübertragung der Struktur müssen Sie die Größe des Behälters bestimmen. Ein kleiner Raum kann mit einem Fünf-Liter-Zylinder beheizt werden. Kleine Öfen mit geringem Stromverbrauch werden aus Behältern mit einer Größe von 12 bis 30 Litern hergestellt.
Die Industrie (40 l Volumen) hat dicke Wände und der Durchmesser der Innenfläche ist zu klein, um eine ausreichende Menge Kraftstoff zu laden. Die beste Option ist ein 50-Liter-Propanbehälter mit einer Höhe von 85 cm und einem Durchmesser von 30 cm.
Dickbauchofen vom vertikalen Typ
Bei der Herstellung eines Dickbauchofens mit dieser Position wird der Zylinder in die Standardposition dafür gestellt, alles vom Hals entfernt und die Markierungen mit Kreide und einem Meter vorgenommen. Als nächstes wird ein Eingang für den Ofen und das Gebläse herausgeschnitten, zu diesem Zweck wird eine Mühle oder, falls verfügbar, ein Gasplasmaschneider verwendet.


Der nächste Schritt ist der Rost, da er in der fertigen Form der erforderlichen Abmessungen praktisch nicht verfügbar ist. Anschließend wird die Bewehrung der erforderlichen Länge an einer zuvor markierten Stelle zwischen Feuerraum und Gebläse geschnitten und geschweißt.


Türen - Zu diesem Zweck wird für die Herstellung zum Selbermachen die erforderliche Flügelgröße aus Metallteilen herausgeschnitten und an den Scharnieren befestigt, die zuvor mit dem Ofenrohling verschweißt wurden.
Um sie bei Verwendung des Ofens sicher zu befestigen, werden Riegel oder Riegel an die Tür geschweißt.


Bei Bedarf können Sie im oberen Teil des Ofens ein Kochfeld ausrüsten, auf dem heiße Getränke erhitzt oder ein leichtes Mittagessen zubereitet werden. Zu diesem Zweck werden auch Metallbleche verwendet.
Sie können nicht nur eine Kochfläche bauen, sondern auch ein Gerät ähnlich einem Samowar zum Erhitzen von Wasser, bei dem das aus dem Feuerraum kommende Rohr durch ein spezielles Reservoir mit Wasser geführt wird.
Alle Fugennähte müssen versiegelt sein.
Der Schornstein wird entweder oben am Ofen oder seitlich installiert und verlässt den Raum durch das Dach oder die Wand des Raums. Diese Art der Ofenplatzierung ist sehr wirtschaftlich, da das Ergebnis eine kompakt platzierte Heizvorrichtung ist, die sich ideal für einen kleinen Raum auf dem Land oder zum Heizen einer Garage eignet und nicht viel Platz beansprucht.
Dickbauchofen aus Blech
Hier sind die Merkmale der Herstellung eines Ofens aus Metallblechen, bei denen verschiedene Rohstoffe zum Heizen verwendet werden: Bergbau und Brennholz.
Arbeitsofen
Um mit den eigenen Händen arbeiten zu können, wird ein Blech von ca. 5 mm (diese Breite ermöglicht es dem Ofen, die Garage schnell aufzuwärmen und die Garage effektiv zu heizen) und Rohre (die für den Schornstein und einige andere Elemente benötigt werden) geerntet. Für ein genaueres Verständnis des Herstellungsprinzips siehe die Zeichnung:


Zeichnung eines Dickbauchofens zur Verarbeitung
Einstieg:
- Entsprechend den angegebenen Abmessungen müssen die Elemente aus dem Blech ausgeschnitten werden, aus dem der Ofen hergestellt wird. Versuchen Sie, die Schnittkanten so weit wie möglich zu reinigen.
- Für die Befestigung der Komponenten des Ofens wird ein Teil vorbereitet - ein Rohr mit Löchern.
- Die Teile des oberen Tanks sind für die Installation des Schornsteins vorbereitet. Dazu müssen Sie gemäß den in der Zeichnung gezeigten Daten ein Loch nach links in Bezug auf den Cent versetzen. Außerdem wird am Boden des Tanks ein weiteres Loch gemacht (nach rechts verschoben) - es ist für die Installation eines Verbindungsrohrs vorgesehen.
- Die Bestandteile werden miteinander verschweißt und ein fertiger Tank erhalten.
- Der untere Tank wird auf die gleiche Weise geschweißt. Es wird nur ein Loch gemacht, um das Rohr in der Mitte zu installieren. Sie müssen auch ein weiteres Loch mit einem leichten Versatz bohren - die Verarbeitung wird hineingegossen. Über dem Füllloch befindet sich eine spezielle Schiebeabdeckung.
- Der untere Tank ist am oberen befestigt (sie sind mit dem Verbindungsrohr verschweißt). Die Struktur sollte mit Klammern verstärkt werden.
- Vergessen Sie nicht, die Beine mit dem unteren Tank zu verschweißen.
- Um die Lebensdauer zu verlängern, wird der Ofen gereinigt und gestrichen.
Sie befestigen einen Dickbauchofen am Schornstein und versuchen, die Garage zu heizen. Gießen Sie dazu Kraftstoff in den unteren Tank und setzen Sie ihn in Brand. Wenn es Feuer gefangen hat, muss das Recyclingloch mit einem Schiebedeckel verschlossen werden.
Rechteckiger Ofen auf dem Holz


Zeichnung eines rechteckigen Dickbauchofens
Diese Option eignet sich, wenn Sie die Garage oder die Saunaräume zum Entspannen heizen müssen.
Die Merkmale des Modells, dessen Herstellung wir mit unseren eigenen Händen beschreiben werden, sind eine hohe Wärmeübertragung und die Fähigkeit, die Zugkraft einzustellen.
Unser Ofen misst 45x45x80. Diese Abmessungen reichen aus, um einen durchschnittlichen Raum zu heizen. Langes Holz passt hinein und ist leicht zu bewegen.
In diesem Fall geben wir keine bestimmte Zeichnung und versuchen, so viel wie möglich in Worten zu erklären. Vor Arbeitsbeginn kaufen wir:
- Stahl 3-4 mm dick. Ein Blatt von anderthalb mal zwei Metern wird ausreichen.
- Ein Stück Pfeife. Wählen Sie aus einem Durchmesser von 90 bis 100 mm. Länge: 0,4 m.
- Bewehrung 16 mm. Sie benötigen genau 6,2 m.
- Fünf Kilogramm Elektroden.
- Vier Türscharniere.
- Ein Stahlstab, einen halben Meter lang und etwa 10 mm im Durchmesser.
- Sieben Meter Ecke mit 40 mm Regal. Die Wände sollten 5 mm dick sein.
Wenn alles vorbereitet ist, was Sie brauchen, beginnen wir in der folgenden Reihenfolge mit unseren eigenen Händen zu arbeiten:
- Zukünftige Wände der Struktur werden aus den Platten geschnitten.
- Die Ecke ist so verschweißt, dass ein Rahmen entsteht. Wenn Sie diesen und den ersten Punkt ausführen, müssen Sie die obigen Abmessungen des Ofens (45 x 45 x 80) berücksichtigen.
- Die Bewehrung wird in Abständen von 2 cm geschnitten und mit dem Rahmen verschweißt.
- Der fertige Rahmen ist mit Zinn verbrüht.
- Entlang des Durchmessers der glatten Stange in dem Rohrabschnitt, der der Schornstein sein wird, müssen Sie 2 Löcher bohren.Das Rohr ist mit dem Rahmen verschweißt (vorher müssen Sie ein Loch darunter machen).
- In die Schornsteinlöcher wird eine gebogene Stange eingeführt. Es sollte in Form eines rechten Winkels vorliegen. Daran ist ein Stück rundes Zinn angeschweißt, das etwas kleiner als der Innendurchmesser des Schornsteins ist - es wird zur Einstellung verwendet.
- Der Dickbauchofen muss Türen haben. Sie werden direkt aus dem Körper herausgeschnitten. Auf das entfernte Metallstück werden Schlaufen geschweißt, mit denen sie am Ofen befestigt werden.
- An den Türen sind Schrauben und Griffe angebracht, die in jeder bequemen Form hergestellt werden können. Die Hauptsache ist, dass sie die maximale Befestigung der Tür garantieren (wenn Sie die Garage nicht verbrennen möchten).
- Wenn die Arbeit beendet ist, können Sie das Ergebnis der Arbeit mit Ihren eigenen Händen überprüfen und mit dem Heizen der Garage beginnen.
Horizontal ausgestatteter Backofen
Die nächste Option zum Aufstellen des Ofens ist horizontal und hat auch seine Vorteile als großes Kochfeld, in dem Sie eine vollständige Mahlzeit zubereiten können.
Um die Stabilität des horizontalen Ofens zu gewährleisten, wird er nach Abschluss aller Arbeiten zur Herstellung des Ofens auf einem sicher stehenden Ständer befestigt, der durch Punktschweißen von den Ecken aus geschweißt wird.
In diesem Fall beginnen alle Aktivitäten mit dem Markieren. Danach wird ein quadratisches Loch für die Tür und ein rundes für den Schornstein geschnitten. Das Schneiden eines runden Lochs kann ohne einen Fräser mühsam sein, da der Schleifer hier kein Assistent ist. Zuerst müssen Sie Löcher in einen Kreis schneiden, dann werden ein Meißel und ein Hammer verwendet, und am Ende wird alles mit einer Feile zum gewünschten Ergebnis gebracht.


Die Rolle des Rostes wird durch ein Loch im Boden des Ofens gespielt, und der darunter angeschweißte Kasten wird zu einem Behälter für Asche. Dieselbe Box spielt die Rolle eines Gebläses, und daher wird eine Tür daran angeschweißt, um den Zu- und Abfluss von Luft zu regulieren und die erforderliche Traktion zu erreichen.
Die Tür kann unabhängig mit einem Teil des Zylinders hergestellt werden, oder Sie können eine vorgefertigte Tür mit einem Rahmen und einem vorgefertigten Riegel kaufen, und diese Option ist natürlich viel einfacher.
Nachdem Sie die Tür an den Scharnieren des Ofens befestigt haben, wird das Gerät an einem Ständer befestigt, während Sie es sicher befestigen, oder Sie können Beine der erforderlichen Länge daran schweißen.


Als nächstes wird ein Abzweigrohr befestigt, an das ein Kaminrohr angeschlossen ist, das wiederum durch die Löcher in der Wand oder im Dach des Raums austritt.
Do-it-yourself-Brennofen aus einer Gasflasche
Obwohl die "langsamen" Kessel einen Pyrolyseprozess haben, sind sie immer noch keine Pyrolyse (letztere übertreffen ihren Wirkungsgrad um 10 Prozent, haben eine andere Struktur, vollständige Verbrennung des Brennstoffs, höhere Umweltfreundlichkeit und höhere Kosten).
Der Bubafonya-Ofen benötigt jedoch keine Lüfter-Turboaufladung und kann mit eigenen Händen aus einer Gasflasche hergestellt werden.


Fertigofen Bubafonya
Arbeitsprinzip
Überlegen Sie, wie ein Gasofen für eine Sommerresidenz mit einer Flasche (auf einer Flasche) funktioniert.
Der gesamte untere Teil solcher Einheiten ist dicht mit Kraftstoff gefüllt. Die Verbrennung erfolgt in einer dünnen oberen Schicht. Die Effizienz wird durch das Nachverbrennen von Pyrolysegasen erreicht. In Bubafon findet die Pyrolyse unter einem Joch statt, das den Kraftstoff drückt und beim Verbrennen fällt.
Sauerstoff wird durch ein Rohr zugeführt, das für den Verbrennungsprozess mit diesem Pfannkuchen verschweißt ist. Auf dem Unterdrückungspfannkuchen befinden sich Rippen, deren gekrümmte Form die Luft verteilt.


Diagramm des Bubafonya-Ofens
Der Tankdurchmesser zum Laden von Bubafoni-Kraftstoff muss 30 bis 80 cm betragen! Es stellt sich heraus, dass der Ballon mit seinen 30 cm die Mindestgrenze ist.
Der Wirkungsgrad des Ofens erreicht nicht einmal 40%, der Ofen ist jedoch sehr einfach zu montieren und daher immer noch beliebt. Dickbauchofen aus einer Gasflasche auf Holz - Konstruktionsmerkmale und Montageanleitung.
Lesen Sie in diesem Thema Empfehlungen zur Herstellung eines dekorativen Gipskartonkamins.
Versammlung
Das Verfahren zur Herstellung eines Ofens:
- Bei einem Durchmesser von 30 cm soll die Kesselhöhe 90 cm betragen, der gesamte Zylinder jedoch 85. Zur Lösung des Problems gibt es zwei Möglichkeiten.Zunächst können Sie den gesamten gewölbten Teil abschneiden und die fehlende Höhe mit einem Fragment aus einem anderen Ballon hinzufügen. Zweitens können Sie dieses gewölbte Teil in eine Abdeckung verwandeln. Der obere Schnitt erfolgt dort, wo der gerade Körperteil beginnt.
- Eine Presse wird gemacht. Ein Kreis mit einem Durchmesser von 27 cm wird aus Metall (6-10 mm dick) ausgeschnitten. In der Mitte wird ein Loch entsprechend der Größe des Kanalrohrs gemacht.
- Die Rippen sind 4 cm hoch. Sie sind leicht gebogen und mit dem Pfannkuchen verschweißt, so dass die Biegung im Uhrzeigersinn verläuft.
- Im unteren Teil des Körpers ist eine Tür eingeschnitten - eine Aschenwanne mit einer Breite von 17 cm.
- Grizzlies. Der Rost kann getrennt von Metallstangen geschweißt werden. Die daran angeschweißten Beine helfen dabei, den Rost auf die gewünschte Höhe zu bringen. Ihre Höhe basiert auf der Höhe, in der die Aschenwannentür endet.
- Luftkanalrohr. Durchmesser 7,5 - 8 cm. Die Unterkante sollte aus dem Druckblech herausragen (bis zum Rand der Rippen reichen). Die Oberkante ist 15 cm höher als der am Deckel angeschweißte Kragen. Das Rohr ist mit einer gerippten Rundpresse verschweißt.
- Am oberen Rand der Luftzufuhrleitung ist eine Klappe angebracht, mit deren Hilfe die Intensität der Luftzufuhr geregelt wird. Ein Bolzen wird entlang der Außenwand des Rohrs entlang der Achse geschweißt, und ein Loch wird in das Ventil gebohrt. Der Dämpfer ist drehbar.
- Deckel. Sollte sich eng anziehen. Dazu können Sie einen Kragenring entlang der Außenkante des Gehäuses schweißen. Es ist praktisch, wenn die Abdeckung und der Körper mit Griffen ausgestattet sind.
- In der Mitte der geraden Abdeckung und oben in der gewölbten Abdeckung wird ein Loch gemacht, durch das der Luftkanal austritt. Sein Durchmesser entspricht dem Außendurchmesser des Kanals + dem minimalen Spalt, der den freien Durchgang des Rohrs gewährleistet (nicht mehr als 2 mm).
- Ein Kragen wird entlang des Umfangs des Lochs platziert. Seine Höhe ist die Größe des Spaltes um das 80-fache erhöht.
- Kamin. Ein Rohrstück (40 cm oder länger) wird horizontal angeordnet und mit einem vertikalen Kamin (10-12 cm Durchmesser) angedockt. Nachdem der Deckel 1 - 2 cm nach unten zurückgetreten ist, wird ein Loch ausgeschnitten, das dem Durchmesser des Kamins entspricht, und ein kurzes Rohr wird angeschweißt. Dies ist die letzte Phase der Herstellung des Ofens in der Werkstatt. Weitere Arbeiten werden nach der Installation vor Ort durchgeführt.
- Ein Teil des Schornsteins fällt unter die Verbindungsstelle mit dem Rohr, und darin ist eine Vorrichtung zum Sammeln und Ablassen von Kondensat vorgesehen, was in solchen Öfen unvermeidlich ist.
- Der Schornstein wird durch das Dach geführt und mit dem Ofen verschweißt.
Es ist nicht ratsam, einen hausgemachten Ofen mit Kohle zu heizen. Die Wärme dieses Kraftstoffs ist am stärksten, und wie bereits erwähnt, ist der Stahl des Zylinders nicht hitzebeständig. Und wenn die maximale Erwärmung durch das Holz auftritt, ist es besser, die Klappe fast vollständig zu schließen.
Berechnung der Grundparameter: Zeichnung und Empfehlungen
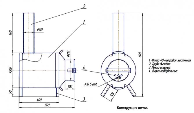
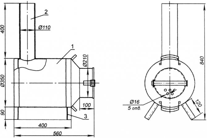
Für die Herstellung eines optimal effizienten Dickbauchofens eignet sich ein Ganzmetallzylinder mit einem Volumen von 50 Litern.


Eine Standardflasche mit 50 Litern reicht aus
Die 50-Liter-Gasflasche hat Standardabmessungen: Durchmesser 300 mm und Höhe 850 mm. Die Metallwandstärke beträgt 4 mm, was für Verbrennungsprozesse mit festen Brennstoffen optimal ist.
Einen solchen Ballon zu finden ist normalerweise nicht schwierig. Sie werden häufig im Haushalt und in der Industrie eingesetzt.
Um einen solchen Ofen mit einem Kamin auszustatten, wird ein Rohr mit einem Durchmesser von 100–125 mm und einer Dicke von mindestens 3 mm verwendet, um ein Kaminrohr herzustellen. Der Schornstein selbst sollte vertikal positioniert werden, es ist jedoch auch eine Abweichung von der Achse zulässig (Neigung nicht mehr als 30 Grad). Die Neigung ist für eine effizientere Wärmeübertragung vom Schornsteinrohr ausgelegt. Obwohl die Position des Rohrs direkt von den örtlichen Bedingungen für die Installation des Ofens abhängt.
In Verbindung stehender Artikel: Selbst gemachter Sandkasten, damit Kinder auf Ihrer Site spielen
Zur Erleichterung der Bedienung sind die Fächer des Feuerraums und der Aschenwanne mit Türen mit Verriegelungsmechanismus ausgestattet. Wenn die Türen geschlossen sind, wird der Verbrennungsprozess verbessert und das Risiko, dass feuergefährliche Partikel in den Raum fallen, verringert. Durch Einstellen des Spaltes mit der Aschenwannentür können Sie auch die Intensität der Luftzufuhr zum Ofen einstellen.
Türen haben jede Form. Die Hauptsache ist, die Standardgröße des Brennholzes und die Bequemlichkeit des Ladens zu berücksichtigen.
Ein wichtiger Teil des Dickbauchofens ist der Rost. Der Rost dient zur Unterstützung des Brennstoffs (Holz) und hilft gleichzeitig bei der Trennung von Massenverbrennungsprodukten. Der Rost wird verbrannt. Daher muss das Metall, aus dem der Rost hergestellt ist, stark genug und beständig gegen hohe Temperaturen sein. Es ist besser, einen Rost aus Verstärkungsstäben mit einem Durchmesser von mindestens 12 mm herzustellen. Solche Stangen werden gemäß den Abmessungen des inneren Teils des Zylinders (Breite) geschnitten und zu einem Gitter mit einer Spaltbreite von 10 bis 15 mm zusammengesetzt. Die Stangen werden durch Schweißen verbunden.


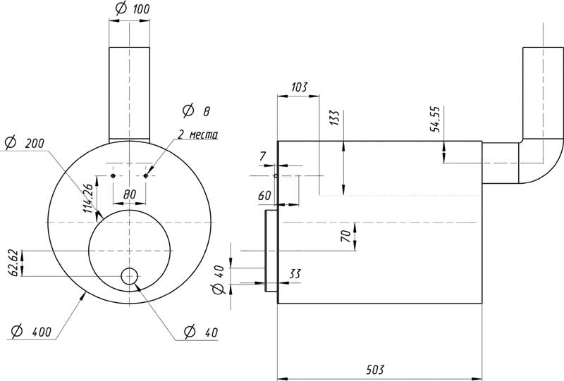
Dickbauchofen aus einem Zylinder
Ein ungefähres Montagediagramm eines horizontalen Festbrennstoffofens ist auf eine Gasflasche anwendbar.


Das Diagramm gilt für eine Gasflasche
Der Hauptnachteil
Das große Minus solcher handgefertigten Öfen ist, dass sie unwirtschaftlich sind. Ein anständiger Teil der Hitze geht mit dem Rauch durch den Schornstein weg. Dieser Nachteil kann perfekt behoben werden, indem Gase im oberen Teil des Ofens nachgebrannt werden (was der Bubafonya-Ofen hervorragend zeigt).
Sie können darauf verzichten. Die Verlängerung des Schornsteins im Raum kann als gute Option zur Wärmespeicherung dienen. Dazu müssen Sie ein Rohr mit der maximalen Länge herstellen, aber die Neigung des Rohrs zu einer horizontalen Ebene vermeiden. Außerdem sollten Sie das Rohr nicht zu lang machen - es entsteht kein Luftzug und es brennt stark. Für diejenigen, die mehrere Zylinder haben, können Sie die folgende Struktur bauen: Zum Hauptzylinder-Dickbauchofen, der mit Ihren eigenen Händen hergestellt wurde, müssen Sie an der Stelle, an der Sie den Schornstein verbinden, einen weiteren Zylinder schweißen, in dem die Gase ausgebrannt werden.
Kleiner Herd aus einem kleinen Zylinder
Für ein kleines Dampfbad mit einem Volumen von 8-10 Kubikmetern reicht es aus, aus einer kleinen Gasflasche einen Herd zu machen. Normalerweise werden 27-Liter-Zylinder verwendet. Die Wandstärke am Boden ist bemerkenswert - 6 mm. Ohne Kran beträgt ihre Höhe 500 mm, der Durchmesser 300 mm. Es stellt sich heraus, dass es ein wunderbarer kleiner Ofen ist.
Zunächst muss das restliche Gas aus der Flasche entfernt werden. Dazu wird Wasser hineingegossen. Wasser verdrängt allmählich alle Restgase. Nachdem der Zylinder gefüllt ist, können Sie den Wasserhahn abschneiden und mit der Herstellung des Ofens beginnen.
Gitter


Ofengerätediagramm
Die Roste dürfen für diesen Ofen nicht verwendet werden. Dies gilt für Zylinder mit geringem Volumen. In diesem Fall sieht der Ofen folgendermaßen aus: Die Beine sind mit dem Zylinder verschweißt, eine Tür ist hergestellt, ein Loch für den Schornstein im oberen Teil und ein Rohr. Das Gebläse kann auch separat geschweißt werden, wenn das Volumen des horizontal angeordneten Zylinders klein genug ist. Hierzu wird eine rechteckige Struktur separat verschweißt.
Es ist ideal, Fabrikgitter aus Gusseisen als Roste zu verwenden, diese passen jedoch nicht immer in die Größe, sodass Sie die Roste selbst schweißen müssen. Sie können sie mit Ihren eigenen Händen aus dicken Verstärkungsstäben herstellen, nachdem Sie zuvor Messungen durchgeführt haben. Sie werden auf die gleiche Weise wie Gusseisen hergestellt, das heißt, sie sollten gleich aussehen. Grizzlies aus Armaturen brennen schnell aus, besonders wenn Kohle als Brennstoff verwendet wird. Wenn Sie Brennholz verwenden, halten die Roste etwas länger. In Anbetracht dessen sollten die Roste abnehmbar sein, damit Sie die alten jederzeit durch neue ersetzen können.
Vorarbeiten vor dem Zusammenbau des Ofens
Die Vorbereitungsarbeiten umfassen eine sehr wichtige Phase - die Entfernung von Gasrückständen aus der Flasche. Diese Phase sollte im Detail betrachtet werden, da weitere Arbeiten ohne ihre korrekte Umsetzung äußerst gefährlich sind.
Zunächst muss das Flaschenventil abgeschraubt werden, um das unter dem Restdruck im Zylinder befindliche Gas zu entfernen. Das Ventil ist vollständig vom Körper abgebaut. Nach dem Entfernen des Gases wird der Zylinder umgedreht, um das Kondensat zu entfernen.
Das in der Flasche enthaltene Gas enthält einen bestimmten Prozentsatz an Feuchtigkeit. Feuchtigkeit sammelt sich in Form von Kondensat (Flüssigkeit) an.
Wenn wir den Ballon umdrehen, entfernen wir Feuchtigkeit auf natürliche Weise. Es ist besser, Kondensat in einem Einwegbehälter zu sammeln. Kondensat hat oft einen bestimmten unangenehmen Geruch. Daher ist es besser, den Behälter sofort mit dem gesammelten Kondensat zu entsorgen.
Dann wird der Ballon wieder umgedreht - in eine vertikale Position gebracht. Zur vollständigen Reinigung von Gasrückständen muss Wasser hineingezogen werden. Das bis zu den Rändern des Zylinders angesaugte Wasser verdrängt das verbleibende Gas vollständig. Danach wird der Ballon von Wasser entleert und als zum Schneiden geeignet angesehen.
In Verbindung stehender Artikel: Haushaltsbetonmischer - was selbst Meister nicht wissen! (+ 3 Videos)
Zur besseren Übersicht wird ein Video der Vorbereitung des Zylinders zum Schneiden gezeigt.
Das Video stammt von Youtube. Wird nur zu Informationszwecken verwendet und stellt keine Werbung dar.
Vorbereiten einer Gasflasche für die sichere Handhabung mit einem Elektrowerkzeug: Video
Die Vorbereitung des Werkzeugs (Elektrowerkzeug) umfasst die Prüfung auf Beschädigungen, um festzustellen, inwieweit es für sicheres Arbeiten geeignet ist.





























