Zu Hause sollte es per Definition warm sein. Es kann auf verschiedene Arten bereitgestellt werden. Der eifrige Besitzer bemüht sich jedoch, dies so effizient und wirtschaftlich wie möglich zu tun. Diese Optionen umfassen die Installation eines an der Wand montierten Gaskessels. Dies ist durchaus gerechtfertigt, da die Gasheizung sehr rentabel ist und die Ausrüstung recht einfach zu bedienen und zu installieren ist.
Wenn Sie auch über den Kauf eines Wandheizkessels nachgedacht haben, lesen Sie unbedingt unser Material. Darin werden wir versuchen, so viel wie möglich über die Funktionsprinzipien solcher Geräte und die Arten von Wandgeräten zu erzählen. Außerdem werden wir alle Nuancen der Verbindung eines solchen Systems berücksichtigen.
Das Funktionsprinzip eines wandmontierten Gaskessels
Die Installation und der Anschluss des Heizgeräts hängen von seinem Typ ab. Daher müssen Sie genau verstehen, wie das Gerät funktioniert und mit welchen seiner Varianten Sie umgehen müssen.
Jeder an der Wand montierte Gaskessel ist ein kompaktes Gerät, dessen maximale Leistung auf 42 kW begrenzt ist.
Die Hauptelemente des Systems umfassen:
- Gasbrenner... Es versorgt die Kammer, in der der Verbrennungsprozess stattfindet, mit Gas. Die Einspritzdüsen verteilen den Kraftstoff so gleichmäßig wie möglich. Moderne modulierende Brenner können eine eingestellte Temperatur aufrechterhalten und die Stärke der Flamme regulieren.
- Wärmetauscher, entlang dem sich das Kühlmittel bewegt. Der beste Wirkungsgrad für ein Kupfergerät. In Brennwertkesseln können zwei solche Elemente vorhanden sein.
- Ausgleichsbehälter... Entwickelt, um überschüssiges Wasser durch Erhitzen auszugleichen.
- Umwälzpumpe... Leistungsstarke Modelle können zwei dieser Elemente aufweisen.
- Kesselautomatisierung oder ein System von Vorrichtungen, deren Aufgabe es ist, eine bestimmte Temperatur in einem beheizten Raum aufrechtzuerhalten. Kann elektrische oder nichtflüchtige Geräte enthalten.
- Geräte steuern und regeln Kesselbetrieb.
- Ventilator... Wird nur in Modellen mit Turbolader verwendet.
- Sicherheitssystem... Stoppt den Kessel in gefährlichen Situationen.
Moderne Modelle sind zusätzlich mit Selbstdiagnosesystemen ausgestattet, mit denen etwa 90% der Kesselfehler festgestellt werden können. Das Display zeigt die Nummer der diagnostizierten Störung an, die vom Master des Dienstes umgehend korrigiert wird.
Sorten von Wandgeräten
Gasheizgeräte werden je nach Funktionszweck in zwei Gruppen eingeteilt:
- Einkreis. Nur zum Heizen gedacht. Sie sind an den Heizkreis angeschlossen und erwärmen das Kühlmittel. In diesem Fall erfolgt die Organisation der Warmwasserversorgung durch die Installation eines Elektro- oder Gaswarmwasserbereiters jeglicher Art.
- Doppelkreis. Sie heizen den Raum und liefern heißes Wasser. Ein zusätzlicher Kreislauf zum Erhitzen von Wasser ist in den Kessel eingebaut. Das technologische Merkmal des Gerätes ist die Unmöglichkeit, gleichzeitig Wasser zu erwärmen und den Raum zu heizen.
Die vorrangige Aktion von Zweikreisgeräten besteht darin, das Wasser zu erwärmen. Der Heizbetrieb stoppt zu diesem Zeitpunkt. Da Wasser schnell erwärmt werden kann, heizt der Kessel das Gebäude sehr effizient.
Entsprechend der Methode der Kraftstoffverbrennung werden alle Geräte in die folgenden zwei Gruppen unterteilt.
Gruppe 1 - Geräte mit offener Brennkammer
Solche Geräte werden auch als natürliche Zugluftheizungen bezeichnet. Sie entnehmen dem zur Verbrennung notwendigen Sauerstoff den Raum, in dem sich das Gerät befindet.
Um Verbrennungsprodukte zu entfernen, benötigen sie einen traditionellen Schornstein. Voraussetzung für die Installation eines solchen Kessels ist daher die Anordnung einer guten Belüftung.
Wenn die Heizung in einer Wohnung installiert ist, muss hier eine Hochleistungs-Frischluftlüftung installiert werden.
Die beste Option für die Installation einer Heizung mit offenem Feuerraum ist das Vorhandensein eines separaten Raums, des sogenannten Ofens, in dem sie aufgestellt wird.
Systeme mit natürlicher Belüftung sind aufgrund ihrer geringen Kosten und Energieunabhängigkeit sehr beliebt.
Gruppe 2 - Geräte mit geschlossener Brennkammer
Turbolader sind mit einer geschlossenen Brennkammer ausgestattet. Sie entziehen der Straße die Luft, ohne die der Verbrennungsprozess nicht möglich ist. Zu diesem Zweck sind die Geräte mit koaxialen Kaminen ausgestattet.
Ein solcher Schornstein besteht aus zwei Rohren, von denen eines in das andere eingebettet ist. Die Verbrennungsprodukte werden durch das Innenrohr nach außen abgegeben.
Gleichzeitig strömt Straßenluft in entgegengesetzter Richtung durch den Spalt zwischen den beiden Rohren. Es ist klar, dass Kessel mit geschlossenem Feuerraum die Luftzusammensetzung im Raum in keiner Weise beeinflussen, so dass sie auch in Wohnräumen ausgestattet werden können.
Herdheizung
Die moderne Ofenheizung eignet sich für Fachwerkhäuser mit saisonaler und ganzjähriger Nutzung. Ideal für Kakrasniks kompakte Stahlöfendas braucht kein starkes Fundament.
Festbrennstoffkessel zum Heizen eines Fachwerkhauses
Es gibt verschiedene Arten von Festbrennstoffkesseln, die zur Ofenheizung eines Rahmenhauses verwendet werden können:
- natürliche Verbrennungskessel;
- automatische Festbrennstoffkessel;
- Pyrolysekessel, deren Prinzip auf einer langfristigen Brennstoffverbrennung beruht;
- Festbrennstoffkessel, die während des Betriebs dem Ofen Sekundärluft zuführen;
- lange brennende Öfen in der oberen Schicht.
Waren frühere Festbrennstoffkessel primitiv, so sind sie jetzt komplexer als Gas- und Elektrokessel. Moderne Anlagen extrahieren maximale Effizienz aus Brennholz und hinterlassen dadurch etwas Asche. Es gibt Kessel, für die Sie brauchen Zwangsluftversorgung... Dann müssen sie zusätzlich einen Rauchabzug und verschiedene Geräte zur Steuerung des Geräts und zur Überwachung installieren.

Bei der Auswahl eines Festbrennstoffkessels müssen Sie besonders darauf achten, welche Art von Brennholz für den Betrieb geeignet ist. Beispielsweise verwenden Pyrolysekessel Brennholz mit einer Dicke von über 10 cm und einem Feuchtigkeitsgehalt von weniger als 20 Prozent. Um eine solche Luftfeuchtigkeit zu erreichen, muss Brennholz zwei Jahre lang in einem speziell ausgestatteten Trockenraum mit intensiver Luftzirkulation gelagert oder bereits vorbereitetes Brennholz gekauft werden.
Der Kessel muss voll beladen sein - wenn der Ofen teilweise gefüllt ist, funktionieren nicht alle Systeme ordnungsgemäß. Sie können einen kombinierten Festbrennstoffkessel einsetzen, in dem neben der Holzheizung auch Gas verwendet werden kann - dies ist sehr praktisch und praktisch.
Nützlich: Offene Verkabelung in einem Rahmenhaus


Festbrennstoffkessel haben folgende Vorteile:
- geringe Kosten für den Betrieb des Systems;
- Umweltfreundlichkeit, minimale Umweltbelastung;
- die Fähigkeit, überall auf der Welt zu verwenden, wo keine Kommunikation stattfindet.
Praktisch für kleine Häuser Heiz- und KochöfenKombinieren eines Kessels und eines Kochers mit oder ohne Ofen.
Heizkamin
Normalerweise wird ein Kamin installiert, um eine bestimmte gemütliche Atmosphäre zu schaffen, aber er kann auch eine vollwertige Wärme- und Energiequelle im Haus sein. Es wird nicht ausreichen, ein großes Gebäude zu heizen. Wenn es sich um eine kleine Datscha handelt, die gelegentlich besucht wird, können Sie mit einem Kamin auskommen.Ein Kamin kann auch als Quelle für zusätzliche Wärmeenergie bei Vorhandensein eines vollwertigen Heizsystems dienen.
Je nach Art des Feuerraums können moderne Kamine in zwei Gruppen unterteilt werden:
- kurzes Brennen;
- langes Brennen.


In Kurzzeitöfen wird Wärmeenergie sehr schnell freigesetzt, Brennholz brennt jedoch in 5-8 Stunden aus. In langen Öfen brennt Brennholz länger als 8 Stunden, gleichzeitig erwärmt sich der Raum langsam. Sie können die Intensität der Blasluft, die Leistung des Kamins und andere Eigenschaften ändern. Sie können die erforderliche Leistung des Kamins zur Beheizung des Raums wie folgt berechnen: pro 10 m². m benötigt 1 kW Heizleistung.
Ist eine Selbstinstallation möglich?
Mit Ihren eigenen Händen können Sie einen an der Wand montierten Gaskessel mit den einfachsten Modifikationen installieren. Wie zum Beispiel Einkreisgeräte mit offener Brennkammer.
Um sie zu installieren, müssen Sie das Heizsystem anschließen, Gas liefern und einen Schornstein organisieren. Einige Kesselhersteller in der technischen Dokumentation ihrer Produkte geben jedoch an, dass die Installation nur von Spezialisten durchgeführt werden sollte.
In diesem Fall ist die Selbstorganisation selbst der einfachsten Modelle verboten. Wenn Sie das Gerät selbst installieren möchten, sollten Sie daher vor dem Kauf sicherstellen, dass der Hersteller dies zulässt.
Die Überprüfung der korrekten Installation und des korrekten Anschlusses des Geräts an die Gasleitung sollte nur von einem Spezialisten mit einer Sondergenehmigung durchgeführt werden.
Darüber hinaus muss der Gasdienstmitarbeiter eine Genehmigung zum Betrieb der installierten Geräte erteilen. Ohne dies wird der Besitzer eines selbst installierten und laufenden Geräts mit hohen Geldstrafen belegt.
So können Sie das Gerät ohne Einladung von Spezialisten nur an die Heizung und an die Wasserversorgung anschließen. Darüber hinaus ist es ratsam, dies nur zu tun, wenn Sie eine bestimmte Erfahrung haben.
Dringende Sanitärdienste
Die Spezialisierung unseres Unternehmens ist die Bereitstellung hochwertiger Sanitärdienstleistungen mit exzellentem Service und einer obligatorischen Garantie für die durchgeführten Arbeiten. Seit vielen Jahren führen wir Sanitärarbeiten jeglicher Komplexität sowohl in Wohnungen als auch im privaten Sektor durch. Wir haben ein Team hochqualifizierter Klempner mit umfassender Erfahrung in der Branche. Wir arbeiten seit zehn Jahren und haben gelernt, auch in schwierigsten Situationen die richtige Lösung zu finden.
Wir bieten unseren Kunden folgende Sanitärdienstleistungen an:
- Installation und Demontage von Sanitärsystemen
- Installation von Sanitäranlagen (Installation eines Waschbeckens, Installation eines Mischers im Badezimmer, Installation eines Mixers in der Küche, Installation einer Toilettenschüssel, Installation von Badezimmern, Installation einer Duschkabine usw.)
- Installation und Anschluss von Haushaltsgeräten (Waschmaschine, Geschirrspüler, Kessel usw.).
- Reparatur von Sanitäranlagen.
- Austausch von Wasserleitungen in der Wohnung.
- Rund um die Uhr einen Klempner in Moskau und der Region anrufen.
Die Grundprinzipien der Arbeit eines Klempners unserer Organisation
Das Hauptprinzip unserer Arbeit Ist ein individueller Ansatz für alle, weil wir unsere Kunden schätzen. Die Spezialisten unseres Unternehmens arbeiten nur mit modernster Ausrüstung und verwenden hochwertige Materialien. Wir sind zuversichtlich, dass nur ein erfahrener, sich ständig verbessernder Meister die volle Verantwortung für die geleistete Arbeit tragen und eine hohe Qualität garantieren kann.
Wir arbeiten direkt mit Kunden zusammen und deshalb haben wir für beide parteien die günstigsten bedingungen. Für Sanitärarbeiten gilt ein flexibles Rabattsystem. Für jeden potenziellen Kunden bieten wir eine kostenlose Beratung bei der Auswahl der Materialien an und informieren über andere interessante Themen.
Wir geben jedem Kunden eine Garantie ... Dank dessen können Sie sicher sein, dass unser Spezialistenteam Klempnerarbeiten auf hohem Niveau und in kurzer Zeit ausführt.
Berechnung der Heizkosten
Reparaturkosten für Heizungsanlagen
Installationskosten für die Wasserversorgung
Technische Systeme: Heizwasserversorgung:
- Heizung in einem Holzhaus Die Priorität eines Landhauses ist Holz, Holz oder Rahmen. Im Allgemeinen möchte ein Holzhaus auch beheizt werden. Zum Heizen eines Holzhauses gibt es viele Möglichkeiten. In diesem Abschnitt geben wir ein Beispiel für die Beheizung eines Holzhauses mit der Installation eines Gasheizkessels, Kupferrohren, Konvektorheizkörpern ...
- Heizung Kanalisation Kanalisation in einem Holzhaus Der Trend des hölzernen Vorortbaus in unserem Land gewinnt an Dynamik. Gleichzeitig sind unzureichend komfortable Lebensbedingungen für unsere Zeitgenossen nicht akzeptabel. Und wenn die ältere Generation mit saisonalen Schwierigkeiten zu kämpfen hatte und die Installation von Heizung die Grenze für die Einrichtung eines Landholzhauses war, dann ...
- Heizung und Heizungsraum Die Heizung des Hauses muss vor Baubeginn des Hauses selbst durchdacht werden. Besonders wenn dieses Haus nicht nur eine helle Wohnung für einen Sommerbewohner ist, die er nur in der warmen Jahreszeit nutzt, sondern ein vollwertiges Wohngebäude, in dem die Menschen in den meisten ...
- Warmwasserbereitung zu Hause - Heizraum Warmwasserbereitung zu Hause Die meisten von uns sind an Komfort und eine der Bedingungen für die Bereitstellung gewöhnt - ……
- Heizen eines Privathauses - eines Heizraums Das Heizen eines Privathauses für Russland ist eines der wichtigsten Themen bei Baubeginn. Trotz all seiner Bedeutung halten es viele für eine zu einfache Aufgabe, über das Design nachzudenken. In der Tat, sogar ein System ohne Projekt und Berechnungen zusammengebaut ...
- Reparatur der Heizung in einem Privathaus Die optimale Lösung in dieser Situation besteht darin, sich an Spezialisten zu wenden, die die notwendigen Reparaturen des Heizungssystems, dessen Diagnose und Inbetriebnahme durchführen. Einige Probleme können jedoch selbst gelöst werden. Was kann getan werden: Geben Sie dem System Zeit, sich auszurichten, es dauert einige ...
- Ersetzen des Heizungssystems in einem Privathaus Das Ersetzen des Heizungssystems in einem Privathaus beginnt in der Regel mit der Auswahl und Berechnung der Kapazität von Heizgeräten, einschließlich der Berechnung der erforderlichen Anzahl von Heizkörpern. Gleichzeitig berücksichtigen wir sowohl die vorrangigen Kraftstoffarten für eine bestimmte Region als auch den beheizten Bereich. Es ist aus der Implementierung ...
- Autonomer Heizraum ...
- Heizraum für Heizung Möchten Sie ein Privathaus erwerben? Bereiten Sie sich auf eine Reihe gewaltiger Herausforderungen vor, wenn Sie eine Lösung für verschiedene Systeme und Designs auswählen. Eine der Fragen in der Bauphase wird die Wahl eines Heizungssystems sein ...
- Heizraum für ein Haus mit Standkessel ► Heizraum für ein Haus mit Standkessel ◄ Projektentwicklungsdienstleistungen, ……
- Reparatur eines Heizraums in einem Privathaus Unter dem Wort "Heizraum" versteht man eine Reihe von Geräten und alle technischen Geräte, die einen Wohnraum mit Heizung und Warmwasserversorgung versorgen. und ein separater Raum im Haus oder ein Gebäude, in dem sich all diese Heizgeräte befinden. Ein separater Heizraum wird normalerweise installiert, wenn keine Anschlussmöglichkeit besteht ...
- Installation von Heizkörpern in einem Privathaus Installation von Heizkörpern in einem Privathaus Die Installation von Heizgeräten zu Hause ist, wie unsere praktische Erfahrung zeigt, ein komplexer Prozess, bei dem es keine Kleinigkeiten gibt. Es reicht nicht aus, einfach eine moderne Kesselanlage zu installieren und auf signifikante Verbesserungen zu hoffen. Ein wichtiger Schritt bei der Verbesserung des Heizungssystems ist die Installation von ...
- So heizen Sie ein Haus auf Die Hauptfunktion eines Heizungssystems besteht unabhängig von seinem Standort darin, den Raum zu heizen. Diese wichtige Funktion bildet die Grundlage für ein genaues Systemdesign und die Erfassung von Komponenten höchster Qualität.Das Heizsystem eines Privathauses umfasst folgende Elemente: - Heizkessel; ...
- Wärmeverteilung in einem Privathaus Bei der Lösung des Problems des Heizungsgehäuses gibt es viele Kombinationen aus dem Aufbau eines Heizmittelzufuhr- und -entfernungssystems. Jede Heizverteilung in einem Privathaus kann nach mehreren Kriterien klassifiziert werden. Wir schlagen vor, die Nuancen der Anordnung und Funktionsweise möglicher Optionen zu verstehen. Verständnis der Gestaltungsprinzipien, Pluspunkte ...
- Installation einer hochwertigen autonomen Heizung im Haus Um eine hochwertige autonome Heizung im Haus zu installieren und nicht in die Komplexität dieses schwierigen Geschäfts einzutauchen, haben erfahrene Immobilienbesitzer ……
- Heizung in einem Privathaus mit Gas Die Gasheizung für ein Privathaus ist eine sehr rentable Option im Hinblick auf den Return on Investment des Heizungssystems. Erdgas kostet, wenn es an das Haus angeschlossen ist, etwas weniger als Strom, wodurch Kraftstoff gespart wird. Darüber hinaus ist der Schornstein für die Gasheizung viel einfacher, ...
- Die Kosten für Installationsarbeiten HEIZWASSERVERSORGUNG Heizungsreparatur ► Berechnungsrechner ◄ Installation der Heizung im Land. Installation der Winterwasserversorgung für ein Privathaus. Installation eines Winterwasserversorgungssystems im Land, Installation einer Heizung in einem Privathaus. Reparatur von Wasserversorgungsleitungen in einem Privathaus, Austausch von Wasserleitungen der Heizungsanlage im Land, Installation von Leitungen ...
- Heizungsinstallation für ein Privathaus bestellen Installation einer Heizungsanlage für Privathäuser Mit dem Einsetzen des kalten Wetters ändert sich viel in unserem Leben. Es ist unwahrscheinlich, dass ein moderner Mensch unter Bedingungen überleben kann, die für das Leben völlig inakzeptabel sind, und egal wie luxuriös das Haus wäre - wenn es kalt ist, nur wenige Menschen ...
- Arten der Landhausheizung Arten der Hausheizung. Gasheizung. Hausheizung. Die beliebteste Option zum Heizen eines Privathauses ist heute die Gasheizung. Der an der Wand montierte Gaskessel hat im Gegensatz zu einem holzbefeuerten Festbrennstoffkessel kleine Gesamtabmessungen, ist an jedem Ort installiert und heizt das ganze Haus ....
- Professionelle Installation der Heizung im Haus Das Heizsystem jedes Hauses ist ein komplexes individuelles Design, dessen Installation ein vorbereitendes Projekt erfordert, das die technischen Eigenschaften des Systems, die effektivsten Methoden seiner Installation, den Energieverbrauch und die Benutzerfreundlichkeit vollständig widerspiegelt verwenden und vieles mehr. Installation von Rohren für das Heizsystem, Kessel, Heizkörper und andere Netzwerkelemente, ...
Vorheriger Beitrag Home Water Services
Nächster Beitrag Installation und Verkauf des Kessels
Wo soll die Installation beginnen?
Zunächst müssen Sie die Dokumentation vorbereiten, die Sie installieren müssen... Sie sollten zunächst die Vergasung des Raums initialisieren. Es kann nur gestartet werden, wenn eine Gasleitung daran angeschlossen ist.
Anschließend reicht der Eigentümer einen Antrag bei den zuständigen Dienststellen ein, in dem er das Volumen des Gasverbrauchs angibt, das er pro Monat oder Jahr benötigt. Bei zufriedenstellender Beantwortung des Antrags muss die für den Raum geeignete Gasleitung mit einem Zähler ausgestattet sein.
Der Eigentümer erhält Genehmigungen und technische Bedingungen in seinen Händen, auf deren Grundlage ein Projekt zum Anschluss der Geräte entwickelt werden soll.
Letzteres beinhaltet ein Schema für die Verlegung von Gasleitungen vom Heizgerät bis zum Einführen in die Hauptleitung und alle Bedingungen für die Installation der Ausrüstung. Das entwickelte Projekt muss vom Gasdienst genehmigt werden.
Zusammen mit dem Projekt stellt der Eigentümer des Betriebsgeländes, in dem der Kessel installiert werden soll, eine Konformitätsbescheinigung und einen technischen Pass für die gekaufte Ausrüstung zur Verfügung, eine fachkundige Schlussfolgerung zum Service über die Einhaltung aller sicheren Anforderungen und Gebrauchsanweisungen.
Erst nachdem das Projekt genehmigt wurde, können Sie mit der Installation der Heizung beginnen. In diesem Fall sollten alle Punkte der Projektdokumentation klar befolgt werden.
Die Gasheizung bleibt die beste Option für die Organisation der Wärmeversorgung von Wohnungen und Häusern.Um das Gerät zu installieren, müssen Sie die aktuellen Standards kennen und eine Genehmigung beim entsprechenden Service einholen. Besonders schwierig ist die Installation eines an der Wand montierten Gaskessels in einem Holzhaus mit eigenen Händen. Die Anforderungen an solche Gebäude sind viel strenger als an Stahlbeton- oder Backsteingebäude.
Projekte von Häusern mit Heizraum
Anzahl der Projekte 1286
- 6 Zimmer
- 1 Badezimmer
Hausprojekt VH "84-15" Villosi
- Zu Favoriten
- 286² Gesamtfläche
von 3 861 000 reiben.
Bauzeit individuell
- 2 Zimmer
- 1 Badezimmer
Das Projekt der Hütte "München"
- Zu Favoriten
- 81² Gesamtfläche
ab 1 093 500 reiben.
Bauzeit individuell
- 3 Zimmer
- 2 Badezimmer
Avanche-Haus-Projekt
- Zu Favoriten
- 144² Gesamtfläche
- 9 x 8m Gebäudefläche
ab 1 100 000 reiben.
Bauzeit 25 Tage
- 4 Zimmer
- 1 Badezimmer
Hausprojekt "Palastmosaik"
- Zu Favoriten
- 133² Gesamtfläche
- 11 x 12 m Gebäudefläche
von 2 946 700 reiben.
Bauzeit 60 Tage
- 3 Zimmer
- 1 Badezimmer
Hausprojekt Nr. 59
- Zu Favoriten
- 110,11² Gesamtfläche
von 1 486 485 reiben.
Bauzeit individuell
- 7 Zimmer
- 3 Badezimmer
Hausprojekt # 13050-KB
- Zu Favoriten
- 216² Gesamtfläche
- 16 x 11 m Gebäudefläche
von 7 550 107 p.
Bauzeit individuell
- 3 Zimmer
- 2 Badezimmer
Hausprojekt "BK 13"
- Zu Favoriten
- 11 x 9m Gebäudefläche
individuelle Berechnung
Bauzeit individuell
- 1 Zimmer
- 2 Badezimmer
Bani Cherry Projekt
- Zu Favoriten
- 90,3² Gesamtfläche
ab 1 482 000 reiben.
Bauzeit individuell
- 4 Zimmer
- 2 Badezimmer
Hausprojekt KD-16
- Zu Favoriten
- 112² Gesamtfläche
von 884.000 reiben.
Bauzeit individuell
- 5 Zimmer
- 2 Badezimmer
Hausprojekt "Paolina"
- Zu Favoriten
- 235,2² Gesamtfläche
- 11 x 18 m Gebäudefläche
von 5 875 000 reiben.
Bauzeit individuell
- 4 Zimmer
- 1 Badezimmer
Friedenshausprojekt
- Zu Favoriten
- 116,2² Gesamtfläche
- 8 x 8 m Gebäudefläche
individuelle Berechnung
Bauzeit individuell
- 3 Zimmer
- 1 Badezimmer
Hausprojekt VH "02-13" Velan
- Zu Favoriten
- 108² Gesamtfläche
ab 1 458 000 reiben.
Bauzeit individuell
- 5 Zimmer
- 2 Badezimmer
Pfauenhausprojekt
- Zu Favoriten
- 388² Gesamtfläche
von 5.238.000 reiben.
Bauzeit 185 Tage
- 2 Zimmer
- 1 Badezimmer
Bani Lambada Projekt
- Zu Favoriten
- 62,67² Gesamtfläche
von 846.045 reiben.
Bauzeit 35 Tage
- 3 Zimmer
- 1 Badezimmer
Hausprojekt X-86 Hi-Tech
- Zu Favoriten
- 86² Gesamtfläche
ab 1 161 000 reiben.
Bauzeit individuell
- 8 Zimmer
- 4 Badezimmer
Hausprojekt MS-346 (Haus für 4 Wohnungen)
- Zu Favoriten
- 342,14² Gesamtfläche
- 16 x 15m Gebäudefläche
von 10 452 290 reiben.
Bauzeit individuell
- 3 Zimmer
- 1 Badezimmer
Alla House Projekt
- Zu Favoriten
- 111² Gesamtfläche
- 8 x 10m Gebäudefläche
individuelle Berechnung
Bauzeit individuell
- 6 Zimmer
- 3 Badezimmer
Hausprojekt Don 157
- Zu Favoriten
- 150² Gesamtfläche
von 2 062 500 reiben.
Bauzeit individuell
- 5 Zimmer
- 3 Badezimmer
Hausprojekt DOK-224 / Berville
- Zu Favoriten
- 224.09² Gesamtfläche
- 15 x 11m Gebäudefläche
von 4 033 620 reiben.
Bauzeit individuell
- 4 Zimmer
- 3 Badezimmer
Hausprojekt "Zemfira"
- Zu Favoriten
- 240,7² Gesamtfläche
- 11 x 20 m Gebäudefläche
von RUB 3.120.000
Bauzeit individuell
Alle Projekte anzeigen
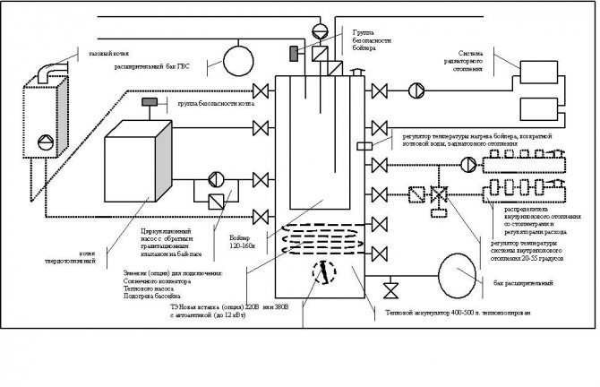
Ein Heizraum in einem Privathaus ist heute alltäglich. Ihre Anordnung sollte jedoch nur in Übereinstimmung mit den behördlichen Anforderungen erfolgen. Ein geeignetes Projekt der Räumlichkeiten wird gemäß den festgelegten Standards entwickelt, damit der Heizraum den bestehenden Standards entspricht. Berücksichtigen Sie die Fragen zur Anordnung des Heizraums. Sie erfahren, welche Dokumente erforderlich sind und wie Sie die Räumlichkeiten richtig gestalten.


Ein Beispiel für einen Heizraum für ein großes Haus mit Zusatzausrüstung Quelle remont-kotlov77.ru
Anforderungen an die Räumlichkeiten
Die erste Aufgabe besteht darin, den Installationsort auszuwählen. Grundlegende Normen sind am 31. Februar 2001 in SNiP festgelegt. Die Installation in Wohnräumen, Badezimmern oder Toiletten ist verboten. Die Installation in einem Kellerraum ist möglich, jedoch nicht in einem Keller. Kann auch nicht auf dem Dachboden montiert werden Für leistungsstarke Geräte über 36 kW müssen Sie einen separaten Heizraum einrichten.
Grundlegende Anforderungen müssen berücksichtigt werden - Ein Gaskessel in einem Holzhaus mit einer Leistung von bis zu 60 kW kann in einem Raum mit folgenden Parametern installiert werden:
- Das Mindestvolumen beträgt 15 m3. Für jedes Kilowatt Energie, das über der Norm liegt, müssen Sie 1 m hinzufügen.
- Deckenhöhe - ab 2,5 m.
- Das Vorhandensein von erzwungener und natürlicher Belüftung.
- Künstliche Beleuchtung sollte durch natürliches Licht ergänzt werden.
Der Installationsort ist durch eine Tür vom Wohnbereich getrennt. Wenn die Installation in einem freistehenden Heizraum durchgeführt wird, muss ein Ausgang direkt zur Straße vorhanden sein.
Die Installation eines an der Wand montierten Gaskessels in einem Holzhaus in einem separaten Heizraum erfolgt nach folgenden Regeln:
- Standardanforderungen für das Volumen und die Höhe von Decken - 15 m? und 2,5 m;
- Innenwanddekoration aus feuerfestem Material mit einer Feuerwiderstandsgrenze von 0,75 Stunden;
- normale Raumbeleuchtung - künstlich und natürlich;
- das Vorhandensein von Lüftungssystemen.
Zusätzlich zur Straßentür kann es eine zusätzliche Tür zum Haus geben. Es ist wichtig, dass die Dichtheit gewährleistet ist - Verbrennungsprodukte dürfen nicht in das Gebäude gelangen. Die Belüftungsparameter hängen von der Art der Brennkammer ab - geschlossen oder atmosphärisch. Zum zweiten sollte der Wert des Luftaustauschs nicht weniger als 3 Volumen des Kesselraums pro Stunde betragen. Der Verbrennungsluftverbrauch wird zusätzlich berücksichtigt. Dieser Parameter ist im Kesselpass angegeben. Der Abstand vom Heizgerät zum Lüftungsloch beträgt mindestens 2 Meter. Die Verglasungsfläche hängt vom Volumen des Heizraums ab. Bei 1 m? benötigt 0,03 m? Lichtöffnung. Es ist wichtig - dies ist ein Indikator für den Nettolichtzufluss, ausgenommen die Breite der Rahmen und Imposte.
Optionen für die Organisation eines Heizraums für Holzgehäuse
Vergessen Sie nicht, dass der Heizraum, der ein Holzhaus heizt, auf verschiedene Arten ausgestattet werden kann. Wenn wir sie genauer betrachten, gibt es für jeden auf die eine oder andere Weise mehrere unbestreitbar wichtige Vorteile, die sich auf die Wahl des Projekts auswirken.
Im Allgemeinen kann ein Heizraum für ein Holzhaus auf drei Arten organisiert werden:
- Direkt im Haus.
- In einem Nebengebäude eines Holzhauses.
- In einem separaten Gebäude.
Heizraum im Haus. Auf den ersten Blick ist dies die einfachste und bequemste Option. Dies gilt jedoch nur für die Fälle, in denen der Heizraum in der Entwurfsphase konzipiert und berechnet wurde. Das heißt, für die Anordnung im Projekt wurde ein Raum eingerichtet, der zumindest den oben diskutierten Standards entspricht. Wenn es keinen solchen Raum gibt, verletzen die Eigentümer von Holzhäusern häufig die Sicherheitsanforderungen, indem sie den Heizkessel entweder in der Küche, dann im Badezimmer oder an einem anderen verbotenen Ort installieren.
Wenn ein Raum für einen Heizraum vorhanden ist und die Mindestregeln und -vorschriften erfüllt, bietet diese Option mehrere Vorteile:
- bequem;
- minimale Energieverluste;
- keine Notwendigkeit, etwas zusätzlich zu bauen;
- Die Kosten für die Anordnung von Strom und Heizung sind minimal.
Es gibt auch Nachteile, zum Beispiel das Geräusch der Kesselautomatisierung oder der Umwälzpumpe. Es gibt jedoch mehr Vorteile und sie sind bedeutender.
Heizraum im Nebengebäude des Hauses. Beseitigt teilweise die angegebenen Nachteile der vorherigen Version und fast ohne ihre Vorteile zu verlieren. Der einzige wesentliche Nachteil besteht darin, dass die Erweiterung beigefügt werden muss. Dies sind zusätzliche Kosten, Berechnungen usw.
Heizraum in einem separaten Gebäude. Trotz der scheinbaren Komplexität und der hohen Kosten greifen viele Eigentümer von Holzhäusern auf diese Option zurück. Darüber hinaus kann ein freistehendes Gebäude nicht nur ein Heizraum sein, sondern beispielsweise eine Garage, ein Lagerraum, eine Werkstatt usw. Und all dies wird auch erhitzt, was für viele sehr wichtig und vorteilhaft ist.
Ermöglicht Dokumentation
Im Gegensatz zur Installation eines Festbrennstoffkessels in einem Holzhaus ist für Gasanlagen eine Genehmigung erforderlich. Dazu müssen Sie sich an die für die Gasversorgung zuständige lokale Organisation wenden - Oblgaz oder Gorgaz. Der Anschluss an die Gasleitung sollte nur von zertifizierten Fachleuten durchgeführt werden, die Installation der Kesselausrüstung kann jedoch unabhängig erfolgen.


Stufen der Erteilung einer Genehmigung:
- Technische Spezifikation erhalten. Es zeigt die Anforderungen für den Anschluss an die Gasleitung an. Es ist notwendig, einen Plan des Hauses mit seinen Eigenschaften zu erstellen.
- Erstellung eines Vergasungsprojekts. Diese Arbeiten werden von lizenzierten Fachorganisationen durchgeführt.
- Auf der Grundlage des Projekts wird eine Genehmigung zur Installation eines Brüstungskessels in einem Holzhaus erteilt. Gleiches gilt für Wand- oder Standmodelle.
- Nach der Installation müssen die Vertreter des Gasservices das Gebäude und die Rohrleitung auf Übereinstimmung mit den technischen Bedingungen und dem vereinbarten Entwurf überprüfen. Sie verbinden die Geräte auch mit der Pipeline.
Um Zeit und finanzielle Kosten zu optimieren, wird empfohlen, die Dienste von Tochterunternehmen von Gorgaz in Anspruch zu nehmen. Ihre Vertreter kennen die Nuancen des Designs und die neuesten Änderungen der Anforderungen an Räumlichkeiten und Ausrüstung.
Installationsdiagramme
Nachdem Sie die Räumlichkeiten vorbereitet und die Genehmigungen erteilt haben, können Sie mit der Installation des Kessels fortfahren. Der Installationsort der Ausrüstung ist mit feuerfesten Materialien versehen. Bei Wandmodellen müssen unbedingt zuverlässige Befestigungselemente verwendet werden.


Wie hängt man einen Gaskessel an eine Holzwand und welche Standards müssen beachtet werden? Dazu müssen Sie sich mit den allgemeinen Regeln vertraut machen:
- Ein Diagramm erstellen. Die Position der Düsen zum Anschluss an die Rohrleitung, die Position der Gasleitung werden berücksichtigt. Vor dem Einbau eines Gaskessels in ein Holzhaus zeigt das Diagramm den Standort der Zusatzgeräte - indirekte Heiztanks für die Warmwasserversorgung, eine Umwälzpumpe, einen Ausgleichsbehälter und eine Schutzgruppe.
- Der minimal zulässige Abstand zur Oberfläche der Wand, an der das Gerät installiert ist, beträgt 4,5 cm. Zu den Seitenplatten beträgt dieser Wert mindestens 20 cm. Der Abstand zum Boden beträgt 30 cm, zur Decke 45 cm.
- Die Öffnung im Boden oder an der Wand für den Schornstein ist durch eine spezielle feuerfeste Hülse geschützt. Seine Funktion besteht darin, einen direkten Kontakt des Baumes mit der erhitzten Oberfläche des Schornsteins zu verhindern.
- Die Verwendung von Kunststoffrohren zum Heizen. Um die Leitungsoberfläche vor Überhitzung zu schützen, wird empfohlen, ein bis zu 0,5 m langes Stahlrohr am Warmwasserauslass des Kessels zu installieren.
In der Praxis ist die gleiche Installation eines Holzkessels in einem Holzhaus einfacher. In Zukunft werden die Kosten für Heizung und Wartung jedoch höher sein als für die Gasheizung.
Wandträgermaterial
Die Hauptanforderung bei der Dekoration von Wänden, Böden und Decken ist der Brandschutz. Hierzu wird ein spezielles Substrat für einen Gaskessel in einem Holzhaus verwendet. Es sollte den Verbrennungsprozess nicht unterstützen, die Wände vor Temperatureffekten schützen.


Empfohlenes Trägermaterial:
- Basaltwolle. Auf einer starren Basis (Blech) wird eine Schicht mit einer Dicke von 50 mm oder mehr installiert. Die Dichte der Watte ist maximal.
- Feuerfeste Basaltplatten. Bei offener Flamme schützen sie die Holzoberfläche der Wände vor thermischen Einflüssen.
Es ist verboten, polymere Materialien zu verwenden - Polypropylen, Schaum. Bei Bodenmodellen wird besonderes Augenmerk auf die Vorbereitung der Bodenfläche gelegt. Es ist ebenes, feuerfestes Material montiert. In diesem Fall wird Basaltwolle nicht empfohlen, da sie durch die Masse des Kessels komprimiert wird. Der Ausweg besteht darin, Basaltplatten zu installieren.


Kurz über die Hauptsache
Die Anforderungen an einen Heizraum in einem Privathaus für Gas oder andere Brennstoffe sind sehr hoch.Dies ist auf die obligatorische Einhaltung aller Sicherheitsstandards und den Brandschutz in den Räumlichkeiten zurückzuführen.
Der einfachste Weg ist mit Elektrokesseln, aber sie sind aufgrund der hohen Wartungskosten nicht weit verbreitet, obwohl sie ansonsten viele ihrer Vorteile haben.
Gas- und Festbrennstoffkessel bleiben beliebte Modelle.
Abhängig von der Leistung der Anlage werden viele Nuancen, Normen und Anforderungen an den Heizraum festgelegt.
Bei der Entwicklung eines Raums muss ein Projekt vorbereitet werden, das nur ein Spezialist durchführen kann.
Für jede andere Arbeit ist es besser, die Meister zu kontaktieren.
Bewertungen 0
Ist es möglich, einen Gaskessel in ein Holzhaus zu stellen
Die Raumanforderungen für die Installation eines Gaskessels in einem Holzhaus umfassen Folgendes:
- Der Heizraum befindet sich im Untergeschoss oder in einem der Räume. In einem Holzhaus ist es verboten, einen Gaskessel im Keller zu installieren, mit Ausnahme eines speziell ausgestatteten, freistehenden Raums.
- Der Raum muss den in den PPB- und Hygienestandards beschriebenen Anforderungen entsprechen.
- Es ist verboten, Heizgeräte in Wohnräumen aufzustellen. Die Installation in der Wohnküche ist nicht gestattet, die Installation im Bad und in der Toilette ist unter Vorbehalt verboten.
- Persönliche Schutzausrüstung und Feuerlöschausrüstung sowie Rauch- und Feuermelder sind erforderlich.
Vor der Inbetriebnahme wird das Heizsystem auf Funktionsfähigkeit sowie auf das Vorhandensein aller erforderlichen Sicherheitsknoten überprüft. Der Inspektor von Gaznadzor wird sicherstellen, dass die Anforderungen für die Installation von Kesselanlagen erfüllt sind.
Separat wird ein Audit durchgeführt, um festzustellen, ob alle für die Inbetriebnahme des Kessels erforderlichen Unterlagen vorhanden sind. Das Mindestpaket an Dokumenten umfasst:
- Die Ergebnisse der Forschung des elektrischen Labors, das die Parameter der installierten Erdung überprüft.
- Erlaubnis von Rostekhnadzor.
- Hausgasversorgungsprojekt.
Sorten von Heizräumen nach Standort
Natürlich gibt es Sicherheitsanforderungen, die bei der Anordnung eines Raums wie eines Heizraums beachtet werden müssen. Dennoch werden sie uns die Regeln für die Auswahl hinsichtlich der Art des Brennstoffs, der Größe und des Standorts des Ofens vorlegen.
Durch die Art der Unterbringung in einem Privathaus können Heizräume sein:


Eingebaut in das Haus. In diesem Fall befindet sich die gesamte Ausrüstung in einem der Räume des Hauses (in der Regel handelt es sich um einen Korridor oder eine Küche). In Bezug auf Billigkeit und einfache Anordnung ist dies eine ideale Option, aber nur geeignet, wenn Sie Kesselanlagen mit geringem Stromverbrauch (kompakt) verwenden möchten. In diesem Fall ist es aufgrund des hohen Geräuschpegels besser, keinen Gaskessel mit aufblasbarem Brenner zu verwenden, und Geräte, die mit Dieselkraftstoff betrieben werden, können aufgrund scharfer unangenehmer Gerüche viele Unannehmlichkeiten verursachen.- In einem Nebengebäude oder einem separaten Raum zu Hause. Alle Kesselanlagen befinden sich in einem separaten Raum, der nur durch eine oder sogar zwei Wände mit dem Haus verbunden ist. Die Tür zu einem solchen Raum sollte mit nicht brennbaren Materialien abgedeckt sein. Es ist ideal in Bezug auf Sicherheit und Komfort. Wenn sich der Heizraum in der Nähe von Wohngebäuden befindet, ist es am besten, eine zusätzliche Geräuschdämmung vorzunehmen - das SNiP sagt nichts darüber aus, ist aber viel praktischer.
- Freistehendes Gebäude. Alle Geräte können in ein separates, unabhängiges Gebäude gebracht werden, das gemäß allen Regeln und Vorschriften ausgestattet wird. Es wird über Heatpipes mit dem Haus verbunden. In diesem Fall werden Ihre Hände gelöst, da Sie Geräte verschiedener Typen verwenden können und sich gleichzeitig keine Sorgen über Lärm und unangenehme Gerüche machen müssen. Solche Kesselräume sind häufig ausgestattet, wenn ein Gaskessel mit hoher Leistung verwendet wird. Der Nachteil sind die Kosten für den Bau des Gebäudes sowie die Verlegung der Kommunikation.
Blockmodularer Heizraum.In diesem Fall befindet sich das Gerät in einem Container, der leicht von einem Ort zum anderen transportiert werden kann. Es wird als vorübergehende oder Ersatzheizung in Unternehmen und Industrieanlagen verwendet, kann aber auch in einem Privathaus verwendet werden.
Idealerweise sollten Sie die Platzierung des Heizraums auch bei der Planung eines Hauses berücksichtigen. Wenn das Haus bereits gebaut wurde und die Anzahl der möglichen Standortoptionen reduziert wird, kann dies dazu führen, dass die Auswahl der Heizgeräte stark eingeschränkt wird. In jedem Fall sollten Sie sich an professionelle Handwerker wenden, wenn Sie mit dem Arrangement beginnen.
Wie man einen Gasheizkessel in ein Holzhaus hängt
Die technischen Bedingungen für die Installation eines Gaskessels in einem Rahmen oder Blockhaus unterscheiden sich erheblich.
Im ersten Fall handelt es sich um ein hohles Material, daher werden spezielle Befestigungsschienen zur Befestigung verwendet. Bei einem großen Gewicht an Kesselausrüstung wird empfohlen, einen Gaskessel in einem Rahmenhaus durch durch das Gebäude befestigte Stehbolzen zu installieren.
Das Scharnier des Kessels in einem Rahmenhaus erhöht die Belastung der Wand erheblich. Das Gewicht der Ausrüstung unterliegt Einschränkungen. Wenn Sie ein Modell mit eingebautem Puffertank installieren möchten, sollten Sie Standkessel bevorzugen.
Die Methoden zur Befestigung des Kessels an der Holzwand eines Blockhauses oder Blockhauses zeichnen sich durch die einfache Befestigung aus. Für die Installation werden spezielle Holzschrauben verwendet, die eine zuverlässige Befestigung gewährleisten.
Bei der Installation von Anbaugeräten müssen Sie die PPB-Standards einhalten und Mindestabstände zu Tür- und Fensteröffnungen einhalten.


Welches Substrat für eine Holzwand?
Wenn der Heizraum mit Holz ausgekleidet ist, ist ein Brandschutz vorgesehen. Ein Substrat an einer Holzwand für einen Gaskessel wird auf verschiedene Arten ausgeführt:
- Eine Schicht Basaltisolierung wird an die Wand gehängt und anschließend mit einem Stahlblech ummantelt.
- Es werden spezielle feuerhemmende Basaltplatten verwendet. Der Vorteil dieser Lösung ist die minimale Dicke der Schutzschicht bei maximalem Brandschutz.
Der Einbau eines Wandkessels in ein Holzhaus ohne vorherige Herstellung einer Schutzschicht ist verboten!
- Verfasser: Maria Sukhorukikh
Bewerten Sie den Artikel:
- 5
- 4
- 3
- 2
- 1
(0 Stimmen, Durchschnitt: 0 von 5)
Teile mit deinen Freunden!
Innenraum des Heizraums
Der Innenraum des Heizraums muss zunächst funktionsfähig sein. Bei der Entwicklung ist es wichtig, über jede Kleinigkeit nachzudenken. Berücksichtigen Sie die Position der Fenster- und Türöffnungen, Steckdosen und Schalter. Wählen Sie ein helles Farbschema, damit der Raum gemütlich aussieht. Es ist wichtig, über die Beleuchtung nachzudenken - sie sollte intensiv und gleichmäßig sein.
Je nach Raumbereich können Sie einen Stauraum in Form von Gestellen bereitstellen. Möbel müssen aus Metall sein. Im Falle einer unvorhergesehenen Brandgefahr ist es ratsam, einen Platz für einen Feuerlöscher zu reservieren.
Kanadische Technologie für den Bau von Häusern wird in vielen Ländern der Welt eingesetzt, darunter Regionen mit einem eher rauen Klima. Rahmenhaus mit Heizraum Es ist so konzipiert, dass davon ausgegangen wird, dass es das ganze Jahr über Wohnhäuser sein wird. Landhausrahmenhäuser haben in der Regel keinen solchen Raum.
EIGENSCHAFTEN EINES KESSELRAUMES IN EINEM RAHMENHAUS
Bei der Ausstattung eines Heizraums in Fachwerkhäusern, die als Grundlage für die Beheizung aller Räume dienen, müssen Sie zunächst einige wichtige Nuancen berücksichtigen:
- Das optimale Temperaturregime muss im Kesselraum eingehalten werden, um die ordnungsgemäße Funktion der Heizungsausrüstung und ihre Haltbarkeit sicherzustellen.
- Es ist besser, den Kessel und die erforderlichen Begleitteile zu kaufen, bevor Sie mit der Planung des Kesselraums beginnen. Dabei werden alle Anforderungen des Geräteherstellers für seine Platzierung berücksichtigt.
- Der Raum muss mit Belüftung und technologischen Öffnungen für die Einrichtung des Schornsteins und die Verlegung von Heizungsrohren versehen sein.
- Es ist besser, wenn sich der Heizraum auf der stumpfen Seite des Rahmenhauses befindet. Ist dies nicht möglich, müssen zuerst die Wände repariert werden;
- Die Fläche und Höhe der Heizraumdecken wird je nach Kesseltyp und Hersteller durch besondere Anforderungen geregelt.







