Die Popularität neuer Arten von Heizgeräten, insbesondere der Fußbodenheizung, wächst von Jahr zu Jahr. Dieses Raumheizmedium wird häufig in Badezimmern und Fluren eingesetzt, um das Heizsystem unter dem Bodenbelag zu installieren. Heute gibt es drei Arten von Fußbodenheizungsstrukturen: Strom, Wasser und Infrarot.
Das Anschlussschema eines warmen Bodens und die Funktionsprinzipien verschiedener Typen unterscheiden sich voneinander. Bevor Sie darüber nachdenken, wie Sie einen warmen Boden richtig anschließen, wie die Heizelemente installiert werden, ob der Thermostat angeschlossen wird oder nicht, müssen Sie das Gerät und die Arten der Heizgeräte verstehen.
Das Funktionsprinzip der elektrischen Fußbodenheizung besteht darin, elektrische Energie unter Verwendung der physikalischen Eigenschaften der Leiter bzw. ihres Widerstands in Wärme umzuwandeln. Auf der Fußbodenheizung ist der Hauptbodenbelag (Fliesen- oder Bodenestrich) montiert, der sich erwärmt und die Wärme über den gesamten Heizbereich verteilt.
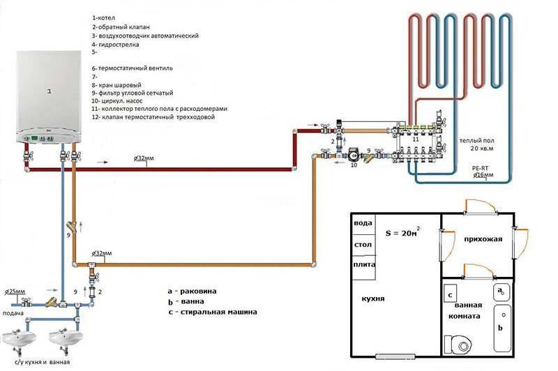
Anschlussplan für Fußbodenheizung
Die elektrische Fußbodenheizung ist über einen Thermostat angeschlossen. Anschlusspläne für Fußbodenheizungen aller Art, wie Heizelemente, haben ein anderes Design:
- ein- oder zweiadriges Heizkabel (Kabel-Fußbodenheizung);
- Wärmematten.
Infrarotplatten heizen zuerst die Person und dann den Raum im Raum
Die Infrarot-Fußbodenheizung gilt als neue Technologie für diese Art der Heizung. Das Heizelement im Heizsystem solcher Böden ist ein zweischichtiger Infrarotfilm mit einer Gesamtdicke von bis zu 1 mm, in dessen Mitte eine Platte (Kohlenstoff oder Bimetall) montiert ist.
Das Anschlussdiagramm von filmwarmen Böden weist einige signifikante Unterschiede zu anderen Typen auf. Die Platten werden über ultradünne Kupfer-Silber-Leiter mit Strom versorgt, und die Wärmeenergie des Heizelements wird durch Infrarotstrahlen (Infrarotstrahlen) von der Oberfläche unter Verwendung der aufgebrachten Kohlenstoffpaste abgegeben. Die Steuerung des erforderlichen Temperaturniveaus wird vom Fußbodenheizungsthermostat "überwacht".
Wissenschaftler glauben, dass die angenehmste Wärme für den menschlichen Körper von Infrarot-Heizgeräten kommt.
Die Leistung der Thermopaneele muss dem Raumbereich entsprechen
Diese Geräte verwenden das Prinzip der sekundären Konvektion, nach der der menschliche Körper und Gegenstände erwärmt werden, und dann Luft.
Bei der Auswahl eines warmen Bodens müssen Sie immer die Betriebsanzeige berücksichtigen. Um diesen Indikator zu bestimmen, müssen Sie wissen: den Bereich des Raums, den Zweck des Heizgeräts selbst (Haupt- oder Zusatzheizung) und die Art des beheizten Raums (Küche, Bad, Balkon). Es gibt Tabellen, mit denen Sie die Leistung der erforderlichen Fußbodenheizung bestimmen können.
Installation und Anschluss des Thermostats
Thermostat - das Gehirnzentrum der Fußbodenheizung
Nachdem wir uns mit den Funktionsprinzipien und Geräten der verschiedenen Arten von Heizungen vertraut gemacht haben, sollten Sie sich überlegen, wie Sie den Thermostat gemäß dem entsprechenden Anschlussplan für die Fußbodenheizung anschließen und wo er installiert wird.
Der Thermostat oder Thermostat ist das "Gehirnzentrum" des betreffenden Heizgeräts. Er ist verantwortlich für das Einschalten der Heizung, das Einstellen der Temperaturparameter und das Überwachen des gesamten Systems.Das Gerät kann alle Messwerte von einem Temperatursensor "lesen", der mit einem Wärmeschutzkabel verbunden ist, zusammen mit dem warmen Boden installiert ist und die Stromversorgung automatisch abschaltet, wenn die erforderliche Temperatur erreicht ist.
Sobald der Raum kälter wird, schaltet der Thermostat die Heizung ein
In diesem Fall bleibt der Thermostat in Betrieb und überwacht die Temperaturanzeigen. Wenn die Temperatur unter die eingestellte Rate fällt, versorgt das Gerät das Heizsystem mit Strom und beginnt zu funktionieren.
Das Angebot an Thermostaten ist heute sehr vielfältig. Es gibt mechanische Modelle, kombinierte elektromechanische Optionen und elektronische, die auch in programmierbare und nicht programmierbare unterteilt werden können.
Jeder wählt und schließt einen Thermostat für einen warmen Boden unabhängig von den Anforderungen an, aber der Anschluss des Reglers an ein neues Heizsystem ist obligatorisch.
Anforderungen an die Installation des Thermostats
Installieren Sie den Thermostat in der Nähe einer Steckdose
Die Notwendigkeit, einen Fußbodenheizungsthermostat (elektrisch und infrarot) zu verwenden, sollte nicht in Zweifel gezogen werden, ein solches Gerät kann nicht "direkt" geschaltet werden. Vor dem Anschließen des warmen Fußbodens an den Thermostat muss der Standort des Thermostats selbst unter Berücksichtigung des Anschlussplans des warmen Fußbodens festgelegt werden.
Während der Installation gelten bestimmte Anforderungen:
- Das Gerät kann von einem warmen Boden in einer Höhe von nicht mehr als 1,5 m installiert werden.
- Der Thermostat ist an der der Batterie gegenüberliegenden Wand montiert (falls vorhanden), um eine Überhitzung und ein falsches Auslösen des Sensors zu vermeiden.
- Gemäß dem Schaltplan für die elektrische Fußbodenheizung und ihren Regler muss der Installationsort in der Nähe der Steckdose gewählt werden oder das separat freigegebene Kabel zur Schalttafel gezogen werden (es wird empfohlen, die Fußbodenheizung über einen Leistungsschalter auf die Platine einzuschalten )
- Der Anschluss des Thermostats an den warmen Boden muss gemäß der Abbildung zum Gerät erfolgen.
Es ist zu beachten, dass nach vielen Schemata der elektrischen Fußbodenheizung beim Anschließen eines Thermostats das Heizkabel in Kunststoffrohren (jeder Draht separat) in der Wand montiert werden muss, um einen Brand im Raum zu vermeiden.
Nachdem Sie die Funktionsprinzipien der warmen Fußbodentypen und ihres "Gehirnzentrums" berücksichtigt haben, sollten Sie herausfinden, wie Sie einen warmen Boden an einen Thermostat anschließen und Heizgeräte montieren. Bei der Installation aller Arten von Fußbodenheizungen müssen folgende Anforderungen erfüllt sein:
- Wärmedämmung der Installationsfläche der Fußbodenheizung;
- Nivellierung der Oberfläche;
- Der Temperatursensor sollte so angeordnet sein, dass das beheizte Element ihn nicht berührt.
- Die Kupplungen (die das Heizelement und das Stromkabel verbinden) müssen sich unter dem Bodenbelag befinden und angeschlossen werden.
Die übrigen Merkmale des Schemas zum Anschließen eines warmen Bodens an einen Infrarot-Bodenthermostat und Arten von Elektroböden sollten separat betrachtet werden.
Installation der elektrischen Fußbodenheizung
Die Installation und der Anschluss einer Kabel-Fußbodenheizung erfolgt nach dem Nivellieren und Isolieren der Oberfläche. Das Montageband wird gelegt, auf dem sich die Befestigungselemente für das Kabel in unterschiedlichen Abständen befinden. Unter Berücksichtigung aller Merkmale des Anschlussplans ist das Heizelement - das Kabel wird mit einer Schlange verlegt und mit Befestigungselementen auf dem Klebeband befestigt (das Kabel sollte sich nicht schneiden und befindet sich unter ständig stehenden Gegenständen, damit der warme Boden nicht ausfällt). Informationen zum Verlegen eines warmen Kabelbodens unter den Fliesen finden Sie in diesem Video:
Nach dem Einbau des Heizelements muss der Kabelwiderstand mit einem Tester überprüft werden. Wenn die Anzeigen normal sind, können Sie den Estrich oder die Fliese gießen.
Nachdem der Bodenbelag ausgehärtet ist, können Sie die verbleibenden Schaltarbeiten ausführen und das Elektrokabel an den Thermostat anschließen. Anschließend lohnt es sich, den warmen Boden an Strom anzuschließen.
Bei Thermomaten sind die Kabel bereits verlegt und fixiert, Sie müssen nur die Rolle abwickeln
Die Installation eines warmen Bodens in Form von elektrischen Matten ist einfacher als die Installation eines analogen Kabels. Eine elektrische Matte ist das gleiche Kabel, das mit einem bestimmten Abstand auf einem Wärmefilm installiert ist. Die beheizten Matten sind in verschiedenen Längen und Kapazitäten erhältlich. Der Strom von der Schalttafel wird direkt an den Fußbodenheizungsthermostat geliefert.
Elektrische Matten lassen sich bequem in Räumen mit begrenzter Bodenhöhe installieren. Sie sind relativ kostengünstig und benötigen keinen Elektriker für die Installation (Sie können dies selbst tun). Es gibt auch ein Verbindungselement für Matten, mit dem der warme Boden mit einer zusätzlichen Matte verbunden oder reduziert werden kann.
Die Isolierung muss unter den IR-Platten platziert werden
Der Infrarotfilm wird ebenfalls auf eine flache Oberfläche gelegt, darunter befindet sich jedoch ein isolierendes Substrat mit einer Reflexionsebene, um die Strahlung zu reflektieren. Die Leiter, die die Heizelemente der Folie verbinden, haben Kontaktanschlüsse zum Anschließen von Stromkreisen.
Das Anschlussdiagramm für die Infrarot-Fußbodenheizung (im Lieferumfang enthalten) zeigt, dass die Kontur der Leiter 3-5 Abschnitte der Platten beträgt, dies sind je nach Hersteller 20-30 cm. Dies ermöglicht es, den Film entlang der markierten Linien in Stücke zu schneiden, wodurch das angeschlossene Heizelement bequem positioniert werden kann. In diesem Video sehen Sie die Feinheiten der Installation eines warmen Infrarotbodens:
Der Anschluss der Infrarot-Fußbodenheizung an den Thermostat erfolgt wie bei anderen Modellen eines neuen Heiztyps nur ohne Kupplungen, alle Leiter werden separat oder über einen gemeinsamen Klemmenblock an den Thermostat angeschlossen.
Bei der Installation einer Fußbodenheizung muss die Leistung der Matte, des Kabels oder der Infrarotfolie der zulässigen Belastung des Fußbodenheizungsthermostats entsprechen.
Anschlussplan für Infrarot-Fußbodenheizung
Bei der Änderung der Größe der Fußbodenheizungssegmente (Aufbau von Matten, Hinzufügen einer Folie) ist es erforderlich, den Fußbodenheizungsregler (Thermostat) bzw. dessen Parameter zu berücksichtigen und gegebenenfalls keine Geräte in Bezug auf zu kombinieren Strom- und Leistungswerte) ersetzen.
Jede Art von warmem Boden hat ihre eigenen Eigenschaften. Das Anschließen eines warmen Bodens an einen Thermostat und die Auswahl des Thermostats selbst ist nicht schwierig. Die Hauptsache ist, die Situation zu analysieren, sich für einen bestimmten Heizelementtyp zu entscheiden, einen Thermostat für einen warmen Boden zu wählen und mit der Installation fortzufahren.
In diesem Fall können Sie sich auf die oben genannten Punkte und die Anweisungen des Herstellers des warmen Fußbodens verlassen, in denen viele Unternehmen den Installationsvorgang und die Merkmale angeben. Bei Schwierigkeiten sollten Sie die Dienste eines Elektrikers in Anspruch nehmen, wenn der Anschlussplan des Thermostats nicht klar ist, um aus der Situation herauszukommen.
Der Anschluss einer Fußbodenheizung ist die beliebteste Methode zur zusätzlichen Raumheizung. Um Geld zu sparen, ist es zulässig, einen Teil der Arbeit mit eigenen Händen auszuführen. In dem vorgestellten Material werden wir untersuchen, wie ein warmer Boden mit vorhandenen Heizsystemen verbunden werden kann und welche Feinheiten zu berücksichtigen sind.
Es gibt zwei Grundtypen von wärmeisolierten Böden - wasserwärmeisolierte und elektrische Böden. Beim Erhitzen der Wasserversion ist der Wärmeträger erwärmtes Wasser, das von einem Kessel oder einem gemeinsamen Steigrohr zugeführt wird.
Und in elektrischen Fußböden wird die Wärmeübertragung wie folgt implementiert: Der fließende Strom erwärmt die Kupferheizelemente und sie übertragen wiederum Wärme auf die umgebenden Objekte.Elektrische Matten und ein Heizkabel funktionieren nach diesem Prinzip. Das Funktionsprinzip des Infrarotfilms liegt in der Emission langer Infrarotwellen durch spezielle Elemente, die alle Objekte im Raum erwärmen.
Jeder der Typen hat Feinheiten beim Anschließen, dann werden wir den Anschluss der Fußbodenheizung genauer betrachten.
Arten von warmen Böden
Gestellaufbau auf Holzsockel
Durch die Art des Materials, in das Rohre verlegt werden, können die Hauptinstallationsarten unterschieden werden:
- in einem Betonestrich;
- auf Polystyrolbasis;
- auf Holzlatten.
Der erste Typ ist der zuverlässigste und am weitesten verbreitete. Eine Schicht Wärme- und Wasserdämmung wird auf eine ebene Fläche gelegt. Zur Verstärkung der Struktur wird ein Verstärkungsnetz verlegt. Als nächstes werden Rohre mit speziellen Klammern verlegt und befestigt. Das montierte System wird mit einem Mörtel aus einer Mischung von Zement und Sand gegossen, und Sie können auch Weichmacher hinzufügen, die den Estrich stärken. Die beste dekorative Beschichtungsoption wäre Fliesen oder Stein.
Sie können den warmen Boden erst benutzen, wenn der Estrich vollständig trocken ist. Er kann Risse bekommen.
Die nächste Option ist die Installation auf Polystyrolbasis. Diese Option ist am einfachsten zu installieren. Die Rohre werden in speziellen vorgefertigten Formen installiert. Um eine einzelne Basis darauf zu montieren, sind Eingriffsschlösser vorgesehen, und eine zusätzliche Befestigung ist nicht erforderlich. Nach dem Verlegen der Rohre werden die Wärmeverteilungsplatten von oben angebracht und anschließend der Bodenbelag fertiggestellt.
Die letzte Option ist die Installation auf einem Holzsockel. Das Material ist anderskantiges Brett, Sperrholz oder andere Holzprodukte. Aus ihnen werden Streifen hergestellt und auf einen Holzboden gelegt, mit Lücken für Rohre. In diesen Lücken wird die Rohrleitung mit speziellen Klammern befestigt. Als nächstes wird die Oberfläche mit Polyethylen und einer Schicht Gipsfaser bedeckt, die Temperatur wird gleichmäßig verteilt und der Decklack wird daran befestigt.
Um die korrekte Berechnung eines warmen Fußbodens eines Wassertyps durchzuführen, müssen Sie viele Parameter und Bedingungen berücksichtigen:
- Haupt- oder Nebenheizung;
- Die Installation ist im Haus oder in der Wohnung geplant.
- Was ist der Decklack?
- Wie groß ist der Raum?
- Was ist der Zweck der Räumlichkeiten?
- welche Art von Wärmeverlust im Raum.

Die Berechnung des Wärmeverlusts des Raums ist sehr wichtig, insbesondere wenn der warme Boden das einzige Heizsystem ist. Dazu müssen Sie die Nuancen berücksichtigen:
- Art der Baumaterialien für Wände und Böden;
- Art der Fensterrahmen und Verglasung;
- Anzahl der Türen und Größe der Fenster;
- Besonderheiten des Klimas in Ihrer Region;
- Verfügbarkeit alternativer Heizsysteme.
Für Räumlichkeiten verschiedener Typen ist eine bestimmte Erwärmungstemperatur der Beschichtung vorgesehen, nämlich:
- Wohnzimmer - 30 Grad;
- in Räumen, in denen eine starke Heizung erforderlich ist - 36 Grad;
- mit hoher Luftfeuchtigkeit - 33 Grad;
- für Naturholz - 27.
Die Wahl des Materials für den Decklack muss im Voraus in der Kalkulationsphase getroffen werden. Andernfalls reicht die Heizleistung nicht aus oder ist zu hoch.
Die Besonderheiten der Heizung mit Fußbodenheizung implizieren eine genaue thermische Berechnung der Leistung des Systems. Dies gilt insbesondere für Räume mit Holzböden. Eine solche Oberfläche hat eine geringe Wärmeleitfähigkeit und die Erwärmung ist bei der Standardsystemleistung schwächer. Nachdem Sie alle Nuancen untersucht und wichtige Punkte berücksichtigt haben, müssen Sie die Leistung des warmen Fußbodens und der Heizgeräte genau berechnen und den Schritt zwischen den Rohrleitungen unter Berücksichtigung des ausgewählten Layoutschemas berechnen. All diese Informationen helfen Ihnen dabei, die Heizung mit Fußbodenheizung in einem Privathaus mit Ihren eigenen Händen durchzuführen.
Fehler bei der Installation des Wasserbodens (2 Videos)
Wasserbodenschemata (25 Fotos)
Artikel, die andere lesen:
- Servoantrieb für Fußbodenheizungskollektor: Automatisierung der Fußbodenheizung
- Die richtige Wahl des Estrichs in einem neuen Gebäude: Merkmale und Besonderheiten
- Technik oder Parkett: Wie wählt man?
Der Raum sollte je nach Konfiguration in Abschnitte unterteilt werden. Zeichnen Sie eine vorläufige Skizze des Heizschemas auf Papier. In diesem Fall müssen zwei Bedingungen erfüllt sein: Die Anzahl der Heizungsrohre in jedem Abschnitt sollte ungefähr gleich sein, scharfe Kurven sollten nach Möglichkeit vermieden werden. Die maximale Fläche eines Abschnitts darf ≈20 m2 nicht überschreiten, die Länge der darauf befindlichen Rohre beträgt nicht mehr als 100 m. Die spezifischen Werte hängen von der Pumpenleistung und den technischen Eigenschaften der Heizungsrohre ab.


Schaltplan zum Anschluss eines wasserbeheizten Bodens an den Kessel
Schaltpläne können aus Kunststoffrohren (die billigste und langlebigste Option), gewellten Edelstahlrohren (in jeder Hinsicht nehmen sie mittlere Positionen ein) und Kupferrohren (die teuerste und zuverlässigste Option) bestehen.


Fußbodenheizungsrohre


Wellrohre aus rostfreiem Stahl
Als nächstes müssen Sie ein Rohrlayout unter Berücksichtigung der oben genannten Bedingungen auf Papier zeichnen. Der Abstand zwischen den Rohren beträgt je nach erforderlicher Innentemperatur 15–30 cm. Es ist zu beachten, dass sich Bodenbeläge nicht auf mehr als 30 ° C erwärmen können.
Bei der Erstellung eines Diagramms muss eine weitere Bedingung erfüllt sein. Im Raum sollte jeder Kreislauf die gleiche Rohrlänge und ungefähr die gleiche Anzahl von Biegungen haben. Die Schemata sehen vor, dass das Rohr mit einer Spiralmethode, einem Zickzack und einer Schlange verlegt wird. Es ist zulässig, mehrere Methoden in einem Raum anzuwenden. Dies hängt alles von den Merkmalen der Bodenkonfiguration ab. Es wird empfohlen, die Dichte der Heizungsrohre in der Nähe von Fenstern zu erhöhen, da sonst der Boden darunter viel kälter wird.


Anschlussplan für Fußbodenheizung


Rohrverbrauch je nach Schritt
Die Länge jedes Kreislaufs wird um etwa zwei Meter erhöht, sie werden für die Verrohrung zum Steigrohr benötigt. Wenn Sie mit Kunststoffrohren einen kleinen Fehler machen können, sind Kupferrohre zu teuer, um sie in Stücke zu schneiden. Unproduktiver Abfall erhöht die Kosten für das Heizsystem. Möglicherweise müssen Sie mehrere Skizzen zeichnen, das Erscheinungsbild und die Abmessungen der Kontur ändern.


Rohrverlegungsoptionen


Methoden zum Auslegen von Rohren für einen wasserbeheizten Boden


Nachdem die optimale Lösung gefunden wurde, kann das Layout der Kontur mit einem Filzstift markiert werden. Die Weiterentwicklung der Anlage hängt von der Art der Basis ab.


Schema eines wasserbeheizten Bodens auf einem Betonsockel


Installation eines wasserbeheizten Bodens mit einem Betonestrich
Eine Warmwasserheizanlage auf Betonsockel enthält mehrere Kuchenschichten.
Isolationsschicht
Es wird auf einen gereinigten Untergrund gelegt. Wenn es große Unregelmäßigkeiten aufweist, muss zuerst ein Estrich hergestellt werden. Es ist ratsam, Schaumbeton zu verwenden, um unproduktive Wärmeverluste zu reduzieren. Die Dicke der Isolierung muss mehr als drei Zentimeter betragen, die Dichte der Isolierung muss mindestens 35 kg / m3 betragen.


Isolationsschicht
Es wird empfohlen, Schaum oder gepresste Mineralwolle mit erhöhter physikalischer Festigkeit in den Kreislauf zu geben. In der Implementierung gibt es spezielle Matten für Wasserfußbodenheizungssysteme, sie haben Klemmen installiert, die den Prozess der Rohrverlegung erheblich erleichtern. Wenn der Raum groß ist, nimmt die Dicke der Isolierung zu.
Lesen Sie mehr: Hydraulische Berechnung der Flächenberechnung des Heizungssystems
Rohrverlegung


Befestigung von Fußbodenheizungsrohren
Im Durchschnitt werden pro Quadratmeter Raum mit einer Stufe von 20 cm ungefähr fünf Laufmeter benötigt. Diese Anzeigen können unter Berücksichtigung der berechneten Leistung des Heizungssystems variieren.


Rohrverlegung
Nach dem Anschließen aller Abschnitte muss unbedingt ein Hydrotest der Dichtheit der Verbindung durchgeführt werden. Schließen Sie dazu ein Ende des Rohrs an und schließen Sie eine Wasserpumpe an das andere an. Der Wasserdruck während der Tests sollte doppelt so hoch sein wie der Betriebsdruck.Solche Tests ermöglichen es, Leckagen rechtzeitig zu erkennen und zu beseitigen.


Dämpferband für Fußbodenheizung


Dämpferband und Isolierfolie
Entlang der Raumkontur ist ein Dämpferband vorgesehen, das die Wärmeausdehnung des oberen Zementestrichs ausgleicht. Zwischen der Rohrkontur und dem Estrich im Diagramm ist eine Abdichtungsschicht vorgesehen. Für diese Zwecke können Sie eine billige Kunststofffolie mit einer Dicke von mindestens 30 Mikrometern verwenden.


Ein Metall- oder Kunststoffnetz zur Verstärkung wird auf die Abdichtung gelegt.


Isolierfolie und Netz
Die Dicke des Estrichs beträgt 3–10 cm über der Oberfläche der Rohre. Der Estrich erfolgt wie gewohnt, Sie können nasses oder halbtrockenes Material verwenden. Nach dem Abkühlen wird der endgültige Bodenbelag verlegt.


Estrich über einen wasserbeheizten Boden
Alle Schichten des warmen Bodens sind auf dem Diagramm gezeichnet und geben die Herstellungsmaterialien und linearen Parameter an.
Ermöglicht die Verwendung von vorgefertigten OSB-Platten mit gesägten Nuten für Rohre und Metallplatten. Die Dicke der Platten beträgt mindestens 22 mm. In der Abbildung ist die Installation der Wärmedämmung im Boden vorgesehen. Eine Vielzahl von Modulen in Bezug auf die Konfiguration ermöglicht es Ihnen, sie in der gewünschten Reihenfolge gemäß dem entwickelten Schema zu platzieren.


Warmer Boden auf Holzsockel


Foto der Verlegung von Rohren für Fußbodenheizung
Das Diagramm wird unter Berücksichtigung der Verwendung von Holz- oder OSB-Lamellen mit einer Dicke von mindestens 28 mm gezeichnet. Die Lamellen sollten auf die Bodenbalken gelegt werden, der Abstand zwischen ihnen ist etwas größer als der Durchmesser der Rohre. Metallprofilplatten werden als Klemmen verwendet, oben befinden sich Riegel. Das System ist mit Gipsfaserplatten bedeckt.


Warme Böden auf Holzsockel
Bei der Betrachtung des Problems, wie ein warmer Boden an das Heizsystem angeschlossen werden kann, lohnt es sich sofort, den Unterschied zwischen dem Heizgerät in einem privaten und einem Mehrfamilienhaus klar zu verstehen. Im ersten Fall steht es dem Eigentümer frei, die Verbesserung ohne Einschränkungen durchzuführen, nur basierend auf den Eigenschaften des Kessels und der Aufteilung der Räumlichkeiten. In Hochhäusern verursacht das Anschließen eines wasserbeheizten Fußbodens an das Heizsystem viel mehr Probleme.
Die wichtigsten sind die folgenden:
- der Unterschied im hydraulischen Widerstand bei Heizkörpern und Fußbodenheizungsrohren;
- Die Wasserqualität in der Zentralheizung ist schlecht und kann sich spürbar auf den Betrieb der Fußbodenheizung auswirken.
- Wasserschlag und Druckabfälle können zu einem vorzeitigen Ausfall der Fußbodenheizung führen.
Vorbereitung des Sockels und Anschluss der Fußbodenheizung
Vor dem Anschließen des warmen Bodens muss vorbereitet werden. Unabhängig davon, welches Schema eines warmen Fußbodens Sie für die Implementierung wählen, ist es immer wichtig, die Basis vorzubereiten:
- Der erste Schritt ist die Demontage des alten Fußbodens.
- Wenn ein neuer Estrich ausgeführt werden soll, muss auch der alte Estrich entfernt werden.
- Dann wird die Basis inspiziert und wenn Risse und tiefe Späne gefunden werden, werden diese versiegelt. Dazu wird der Riss zu einer festen Basis gereinigt, die Oberfläche grundiert und mit einer vorbereiteten Lösung oder einer speziell gekauften Reparaturmischung gefüllt.
- Der nächste Schritt besteht darin, die Abdichtungsschicht in Form einer Polyethylenfolie mit einer Mindestdicke von 200 Mikrometern zu verlegen.
- Anschließend wird die Dämmschicht verlegt und an den Wänden rund um den Raum eine Dämpferfolie angebracht, die die Wärmeausdehnung des zukünftigen Estrichs ausgleicht.
Der Basisvorbereitungsalgorithmus ist für fast alle Arten von Fußbodenheizungen gleich, mit Ausnahme der Infrarot-Fußbodenheizung.
Wasserboden anschließen
Die kompetenteste Antwort zum Anschließen eines warmen Fußbodens basierend auf einer Wasserversion besteht darin, ihn mit einer Wasserpumpe an einen Kessel anzuschließen.Aufgrund der Tatsache, dass die Temperatur des Kühlmittels nicht mehr als 35 Grad betragen darf, müssen die Kollektoren und Mischeinheiten verwendet werden.
Um eine solche Verbindung sicherzustellen, sind Dreiwege- und Zweiwegeventile installiert. Anschließend wird die Zuleitung an die Schalttafel angeschlossen, die je nach Anzahl der Stromkreise Auslässe sowie Durchflussregler und Ventile haben sollte. Sie können verwendet werden, um den Wasserfluss zu regulieren und die Temperatur des gesamten Bodens einzustellen.
Um einen separaten Stromkreis für Vor- und Rücklauf zu trennen, sind Ventile installiert.
Ungefähres Schema für den Anschluss eines Wasserbodens
Anschließen des Systems an die Kühlmittelversorgung und Einbau eines Kollektors
Verteilerverbindungssystem
Das Kollektoranschlussschema läuft darauf hinaus, dass der Kessel und der Kollektor mit einer Rohrleitung verbunden werden müssen. Wenn der Kessel in der Nähe der Gasleitung installiert ist (in Fällen, in denen der Kessel Gas ist), kann der Kollektor an einem beliebigen geeigneten Ort montiert werden. Es muss zugänglich sein, um Rohre mit Vor- und Rücklauf zu versorgen sowie das System zu überwachen und zu steuern.
Vor dem Anschließen der Rohre müssen Absperrhähne am Verteiler installiert werden. Um die Temperaturregelung zu vereinfachen, kann zusätzlich ein Thermometer in die Ventilkonstruktion einbezogen werden.
Eine Einheit bestehend aus einem Verteiler, einem Rohr und einem Ventil ist also durch Klemmringverschraubungen miteinander verbunden. Zum Verbinden von Rohren werden spezielle Anschlüsse verwendet, die aus einer Messingmutter, einem Klemmring und einer Stützhülse bestehen. Wenn Rohre mit unterschiedlichen Durchmessern angeschlossen werden müssen, können Adapteranschlüsse verwendet werden.
Somit haben wir das einfachste Schema für den Anschluss einer Fußbodenheizung. Diese Schaltung hat die folgenden Knoten:
- Einfacher Verteiler mit Absperrventilen.
- Vor- / Rücklaufleitung, durch Gewindebohrer mit einem Kamm verbunden.
Kompletter Krümmersatz
https://www.youtube.com/watch?v=iSG92rSo27c
Das Kühlmittel wird also gleichmäßig über die Heizkreise verteilt.
Thermostatregelventil
Um die volle Kontrolle über den warmen Boden in zu organisieren
wird beinhalten:
- Pumpe und Mischeinheit.
- Hahn ablassen.
- Umwälzpumpe.
- Entlüftung.
- Absperrventile und Rohre.
Thermostatische Steuerventile können anstelle herkömmlicher Hähne am Auslass / Einlass installiert werden. Über sie können Sie den Durchsatz des Krans einstellen. Dies wird durch das Paraffinwachs erreicht, das sich unter Temperatureinfluss ausdehnt oder zusammenzieht.
Die Mischpumpe ist zwischen der Rohrversorgung und der Verteilerversorgung installiert. Es gibt auch einen dritten Auslass, der zum Rückfluss vor dem Rückfluss im Verteiler führt. Bei Bedarf pumpt die Pumpe den gekühlten Wärmeträger in die Versorgung, um die eingestellte Temperatur zu erreichen.
Lesen Sie mehr: Wasser fließt von der Klimaanlage in den Raum: Gründe für das, was zu tun ist
Um herauszufinden, wie ein warmer Boden an das Heizsystem angeschlossen werden kann, müssen Sie wissen, welche Elemente des Systems daran beteiligt sind. Wie bei klassischen Heizschemata sind diese Elemente:
- beheizte Kühlmittelzuleitung;
- Rücklaufleitung oder Rückführung des gekühlten Kühlmittels.
Wenn das System nur aus einem Kreislauf besteht, kann es direkt an den Kessel angeschlossen werden. Wenn mehr als ein Kreislauf vorhanden ist, muss der Fußbodenheizungskollektor an die Kühlmittelversorgung angeschlossen werden, um eine gleichmäßige Verteilung des Kühlmittels zu gewährleisten. Daran sind jeweils die Konturen des restlichen Systems angebracht.
Zunächst müssen Sie den Standort des Sammlers auswählen. Es gibt verschiedene Unterkunftsmöglichkeiten:
- Anordnung des Sammelschranks;
- Installation in einer Nische in der Wand;
- Wandmontage in hängender Position.
Beliebte Kollektormodelle sind mit einer automatischen Wärmeregulierung ausgestattet.Das Set enthält Temperatursensoren und verschiedene Messinstrumente. Der Prozess der Verteilung des Kühlmittels erfolgt automatisch. Ein vereinfachtes Diagramm des Fußbodenheizungskollektors sieht ein Paar Thermometer und eine manuelle Einstellung vor.
Zunächst werden zwei Rohre an den Kollektor angeschlossen - Rücklauf und Versorgung. Danach werden "Zweige" verschiedener Pipelines verbunden. Zur Steuerung und Regelung der Heizung müssen eine Umwälzpumpe, ein Dreiwege-Mischer und Regelventile genauer angeschlossen werden.
Zur Erleichterung der Reparatur und Wartung sind Absperrventile in der Rohrverbindungszone montiert, und am Ende des Kollektors ist ein Ablassventil vorgesehen. Ein solches System arbeitet mit einem Kessel, und die Temperatur hängt von der Temperatur der Heizmittelzufuhr ab.
Der Kollektor oder genauer gesagt der Kollektorschrank ist das Hauptelement des Systems und befindet sich in der Wand. Der beste Ort ist näher an der Mitte des Raumes. Die klassische Größe des Geräts beträgt 60 x 40 x 12 cm. Die Wandnische, in der es platziert wird, sollte in der Nähe der Bodenoberfläche platziert werden.
Der Kollektor ist für die Bewegung des Kühlmittels verantwortlich. Es ist der "Treffpunkt" der Vor- und Rücklaufleitungen. Im Kessel erwärmt sich das Wasser und fließt zurück in die Rohre unter dem Boden. Eine Kreispumpe ist für die Automatisierung des Prozesses verantwortlich.


Im Kollektorschrank haben beide Rohre Absperrventile, mit denen der Raum von der Heizung ein- und ausgeschaltet wird. Ein Klemmring wird verwendet, um Metallventile und Kunststoffrohre zu verbinden.
Der Kollektor ist eigentlich ein Rohr, das die Metall-Kunststoff-Elemente der Fußbodenheizung sammelt. Ihre Verbindung wird durch die Verwendung von Armaturen sichergestellt. Die Anzahl der Auslässe im Verteiler muss der Anzahl der Konturelemente entsprechen. Der Kollektor ist mit dem Ventil verbunden, und am Auslass befindet sich ein Verteiler mit einem Ablassventil und einer automatischen Entlüftung. Die letztere Vorrichtung eliminiert die Möglichkeit von Luftblasen im System. Ich benutze das Ablassventil im Reparaturfall.
Das heißt, wenn wir einen Warmwasserboden in Betracht ziehen, ist die Verbindung mit einem Kollektor die empfindlichste und zuverlässigste Art, das System zu organisieren.
Das Verbinden eines Warmwasserbodens mit einem Kamm ist sehr einfach und läuft darauf hinaus, die Rohre der Heizkreise mit dem Kollektor und den Kollektor selbst mit dem Kessel zu verbinden. Es gibt jedoch Unterschiede in der Konfiguration des Kollektors. Dies werden wir in diesem Unterabschnitt betrachten.
Der Kollektor muss so installiert werden, dass die Heizungsrohre bequem dorthin geführt werden können. Installieren Sie also Absperrventile am Verteiler. Schließen Sie den seitlichen Auslass für Vor- und Rücklauf an das Rohr an.
Wenn Sie ein fertiges Verteilerkit kaufen, verfügt es bereits über alle erforderlichen Ventile, auch an den Auslässen der zum Kessel führenden Rohre. Durch das Vorhandensein von Abgriffen können Sie bei Bedarf Reparaturen durchführen oder einen der Stromkreise vorübergehend deaktivieren. Wenn Sie den Verteiler selbst zusammenbauen, erfolgt die Montage der Verbindung jedes Elements mit einer Klemmverschraubung. Infolgedessen wird die Fußbodenheizung über den Kollektor an den Kessel angeschlossen.
Installieren Sie daher anstelle von Absperrventilen am Verteiler Thermostatregelventile. In ihrer Konstruktion gibt es einen Thermozylinder mit Paraffin, der sich basierend auf der Lufttemperatur im Raum verengt oder ausdehnt. Diese Aktionen stellen die Kapazität des Thermostatventils ein. Für die Pump- und Mischeinheit wurde oben das Funktionsprinzip beschrieben.
Anschließen des Thermostats an den warmen Boden
Bevor Sie die Frage beantworten, wie ein warmer Boden an einen Thermostat angeschlossen werden kann, müssen Sie untersuchen, was ein Regler ist und wie er an den Stromkreis angeschlossen ist.
Die Hauptaufgabe dieses Geräts besteht darin, die Temperatur im Raum zu regulieren. Die Heizelemente sind auch über den Thermostat mit der Stromversorgung verbunden.
Der Thermostat, der die Lufttemperatur im Raum überwacht, ist in einem Abstand von mindestens einem Meter vom Boden an der Wand montiert.
Es gibt zwei Möglichkeiten, den Thermostat anzuschließen. Dies ist eine Verbindung zu einer separaten Stromleitung von einem Verteiler oder eine Verbindung zu einer vorhandenen Steckdose.
Der Lieferumfang umfasst immer einen Anschlussplan für die Fußbodenheizung, so dass dieser Vorgang ohne Aufforderung durchgeführt werden kann.
Nach der Installation des Thermostats führen wir das Schneiden von zwei Kanälen durch. In einem werden die Versorgungsdrähte verlegt, und in dem zweiten werden die Steuerdrähte des Sensors verlegt, die direkt in der Dicke des Estrichs verlegt werden. Am Ende der oben beschriebenen Hauptvorgänge können Sie die warmen Böden im Raum verlegen und an den konfigurierten und installierten Sensor anschließen.
Der Markt bietet eine Vielzahl von Reglern an, die von den primitivsten mechanischen Systemen bis zu intelligenten Reglern reichen (einmal eingerichtet und ohne Intervention kontinuierlich verwendet). Es ist keine schwierige Aufgabe, einen warmen Boden an einen Thermostat anzuschließen.
Wahl eines Thermostats für einen warmen Boden
Bei aller Bequemlichkeit im Betrieb und mit der Komplikation des Thermostatkreislaufs steigt auch sein Preis. Es sollte gesagt werden, dass die Installation von Geräten mit vielen zusätzlichen Funktionen nur gerechtfertigt ist, wenn die Erwärmung großer Flächen gesteuert wird. Und auch - wenn diese Funktionen Ihnen wirklich helfen, Energie zu sparen. Lesen Sie daher bei der Auswahl eines Thermostats dessen Funktionen sorgfältig durch und probieren Sie sie entsprechend Ihrer Situation aus.
Wenn in mehreren Räumen eine Fußbodenheizung installiert ist, ist es sinnvoll, über eine zentrale Steuerung nachzudenken. Es ist möglich, einen Fußbodenheizungsthermostat zu installieren, mit dem die Temperatur mehrerer Objekte gleichzeitig überwacht und gesteuert werden kann. In diesem Fall ist ein weiteres Highlight nützlich, das einigen nicht billigen modernen Regulierungsbehörden eigen ist: die Wi-Fi-Kommunikation mit einem Mobiltelefon.
In kleinen Bereichen wie Bad oder WC reicht ein einfacher und kostengünstiger Thermostat noch aus. Diese Räume werden regelmäßig und chaotisch besucht, so dass es unmöglich ist vorherzusagen, wann die Heizung aus- oder ausgeschaltet werden sollte. Es sei denn nur zu einer Zeit, in der die ganze Familie abwesend ist.


Fußbodenheizungsregler in modernem Design
Und vergiss die Kinder nicht. Das leuchtende Display und die Tasten ziehen sie wie einen Magneten an. Um die Möglichkeit einer "unbefugten Neuprogrammierung" auszuschließen, kaufen Sie entweder Thermostatmodelle mit nur einer mechanischen Temperaturregelung oder mit einer Tastensperrfunktion.
Es wird davon ausgegangen, dass der Fußboden selbst bereits ausgewählt wurde, daher ist der von ihm verbrauchte Strom bekannt. Dieser Wert sollte den maximalen Typenschildwert des zur Steuerung eingestellten Thermostats nicht überschreiten.
Hinweis: Es ist auch wichtig, sich mit den Empfehlungen für die Auswahl eines Thermostats durch den Hersteller der von Ihnen gekauften Heizelemente vertraut zu machen.
Kabelboden anschließen
So schließen Sie ein Fußbodenheizungskabel an. Zu Beginn der Kabelinstallation müssen Sie ein Hauptdrahtverteilungsdiagramm erstellen. Gleichzeitig werden folgende Momente berechnet:
- Es ist unpraktisch, das Heizkabel unter den Möbeln zu verlegen, daher wird der Draht nicht darunter verlegt. Der erforderliche Puffer von den Wänden beträgt 30 Zentimeter.
- Der Schritt zwischen den Windungen des Drahtes wird willkürlich nach dem Prinzip gewählt: Je dichter der Ort, desto stärker die Erwärmung, aber es ist unpraktisch, 10 cm dichter zu verlegen. Wenn der Materialverbrauch steigt und die Effizienz gleich bleibt.
Lassen Sie das Kabel während der Installation nicht kreuzen, da dies zu einem Kurzschluss und einem Ausfall des gesamten Fußbodenheizungssystems führen kann. Es ist auch vorzuziehen, ein zweiadriges Kabel zu verwenden, da es während des Betriebs viel weniger elektromagnetische Strahlung erzeugt.
Sie können das Kabel auf beliebige Weise am Boden befestigen. Beispielsweise ist es recht einfach und bequem, es auf das Montageband zu legen.
Nach Abschluss der Installation des Kabels müssen Sie den Überwachungssensor verlegen. Danach müssen Sie die Richtigkeit des gesamten montierten Systems überprüfen. Nehmen Sie dazu ein Multimeter und überprüfen Sie den Widerstand an den Kabelenden. Es muss den in der Dokumentation angegebenen Daten entsprechen.
Nach der Überprüfung ist der Boden für die Estrichfüllung bereit.
Nachdem Sie auf die richtige Zeit gewartet haben, bis der Estrich vollständig trocken ist, können Sie die gesamte Elektrik direkt an den Thermostat und das Stromnetz anschließen. Es ist ziemlich einfach, dieses Verfahren durchzuführen, es reicht aus, das Schema genau zu befolgen.
Ziehen Sie alle Verbindungen vorsichtig fest. Die Effizienz und Haltbarkeit der Fußbodenheizung hängt von der Qualität des Festziehens ab. Wenn Sie bei der Ausführung von Arbeiten einen warmen Boden anschließen und Kabel von schlechter Qualität anschließen, tritt an dieser Stelle eine Erwärmung auf, die zu einem Brand führen kann.
Kabelbodenaufteilung
Anschließen einer elektrischen Fußbodenheizung
Der elektrische Boden gibt es in verschiedenen Varianten. Jeder hat seine eigenen Verbindungseigenschaften.
- Kabel
Bevor Sie mit dem Anschließen des Kabelbodens beginnen, müssen Sie zuerst die Oberfläche nivellieren. Danach wird ein Dämpferband entlang der Wand verlegt und anschließend eine Wärmedämmung installiert. Wenn sich darunter ein beheizter Raum befand, kann das Kabel ohne Verwendung einer Auskleidung auf die alte Oberfläche verlegt werden. Um eine Verbindung zum Thermostat herzustellen, werden zunächst alle Drähte daran gezogen und anschließend das Kabel verlegt.


Damit sich das Kabel nicht bewegt und in der gewünschten Position fixiert wird, wird ein Standard-Montageband auf den Boden gelegt und anschließend Heizelemente verlegt. Das Kabel kann nach einem beliebigen Schema verlegt werden. Beachten Sie jedoch, dass sich die Abschnitte nicht berühren oder schneiden dürfen. Der beliebteste und bequemste Weg ist die Schlange. Es wird ein Kabel hergestellt, das bereits mit einer "Schlange" verlegt und am Netz befestigt ist. Es kann in Rollen gekauft werden.
Nachdem das Kabel gleichmäßig auf dem Boden verteilt wurde, muss es angebracht werden. Denken Sie daran, dass die Kanten der Fußbodenheizung nicht etwa 10 cm von Möbeln und Wänden entfernt sein dürfen. Legen Sie dann in einem Abstand von ca. 40-50 cm von der Spule des Heizelements den Temperatursensor ab, der sich im Rohr befindet. Dies ist der gesamte Prozess der Installation des Kabels und des Sensors.
Fragen Sie unbedingt einen Tester nach dem Widerstand des Heizelements. Nachdem Sie sichergestellt haben, dass es mit den Passdaten übereinstimmt, füllen Sie alles mit einem Estrich und warten Sie, bis es vollständig ausgehärtet ist. Schließen Sie danach die Kabel an den Thermostat an und prüfen Sie, ob das System ordnungsgemäß funktioniert. Es wird jedoch nicht empfohlen, einen elektrischen Boden sofort anzuschließen, da Risse auftreten können, aufgrund derer die Festigkeitsanzeige stark abnimmt.
Elektrische Matten anschließen
So schließen Sie elektrische Matten an. Heizmatten sind von Natur aus eine fortschrittlichere Art der Kabel-Fußbodenheizung, sodass der Anschluss einer solchen Fußbodenheizung einfacher ist. Der Unterschied liegt in der Tatsache, dass bei der Gestaltung der Matte ein dünnerer Draht verwendet wird, das erforderliche Intervall bereits eingestellt wurde und der Draht auf einem speziellen Material fixiert ist.
Somit ist die Installation einer solchen Struktur stark vereinfacht und erfordert weniger Aufwand. Es ist auch nicht erforderlich, einen dicken Estrich zu gießen, um den Draht zu verbergen. Es reicht aus, einen dünnen Estrich herzustellen, oder Sie können Fliesenkleber verwenden, wenn die endgültige Beschichtung aus Porzellansteinzeug besteht.
Da die fertige Struktur eine geringe Dicke hat, müssen Sie zum Verlegen des Temperatursensors zunächst eine Nische in der Basis schleifen.
Ein weiterer wichtiger Vorteil der Verwendung von Matten ist die Einsparung der Deckenhöhe. Das Prinzip der Verbindung zu Sensoren und Stromversorgung stimmt vollständig mit dem Boden des Thermokabels überein.
Warme Matten gelegt
Heizmatten anschließen
Es ist nicht schwer zu verstehen, wie ein warmer Boden aus Heizmatten verbunden ist. Das Funktionsprinzip ist in diesem Fall das gleiche wie bei der Installation eines Kabelsystems. Daher ist es sinnvoll, nur über die bestehenden Unterschiede zu sprechen.
Eine Heizmatte ist ein dünnes Heizkabel, das an einer hitzebeständigen Folie befestigt ist. Da der Verlegeschritt im Voraus festgelegt wird, muss nur noch der Bereich bestimmt werden, in dem sich das System befindet, und seine spezifische Leistung.


Auf Eismatten einen Estrich auftragen
Vor dem Verbinden des warmen Bodens wird die Folie mit dem Kabel direkt auf die raue Betonoberfläche gelegt, mit einer dünnen Schicht Estrich oder Fliesenkleber gegossen und mit dem für die Endbearbeitung ausgewählten Material bedeckt. Die Verwendung einer Wärmedämmung ist in diesem Fall nicht akzeptabel, da dies zu einer Überhitzung des Systems führt.
Fußbodenheizungsrohr, Berechnung und Installation
Die fertige Struktur ist nur eineinhalb Zentimeter dick, daher müssen Sie eine Aussparung in der Bodenoberfläche machen, um den Sensor zu platzieren.
Wenn der warme Boden an den Thermostat angeschlossen werden soll, gibt es nicht genug sogenannte. kalte Enden, dann wird ein Teil des Kabels aus der Matte herausgeschnitten. Die Kupplung befindet sich im Kabelbinder.
Da eine Heizmatte eine Art Heizkabel ist, ist die Installation beider Systeme sehr ähnlich. Der Unterschied besteht darin, dass mit Heizmatten die Arbeit einfacher und schneller ist. Das Fehlen einer Wärmedämmung und einer dünnen Estrichschicht macht es vorteilhaft, einen warmen Boden anzuschließen. Der Preis dafür wird aufgrund von Material- und Arbeitskosteneinsparungen niedriger sein. Ein Plus ist auch die Möglichkeit, das System in Räumen zu installieren, in denen die Erhöhung der Bodenhöhe eingeschränkt ist.
Infrarot-Bodenanschluss
So schließen Sie einen warmen Infrarotboden an. Bei der Infrarot-Fußbodenheizung unterscheidet sich die Verbindung von den oben beschriebenen, da der Boden selbst nach einem anderen Algorithmus funktioniert. Die gesamte Struktur besteht aus Kohlenstoff- oder Bimetallheizelementen, die zu einer dünnen Materialschicht mit hitzebeständigen Eigenschaften verlötet sind.
An den Rändern dieser Folie werden Kupferleiter hergestellt, die direkt mit dem Netzwerk verbunden sind. Es ist wichtig, vor der Installation des Infrarotfilms eine spezielle wärmereflektierende Folienisolierung zu installieren.
Die Folie kann an speziell dafür vorgesehenen Stellen geschnitten werden, die in Abständen von 30 Zentimetern über die gesamte Folie gelegt werden.
Ansonsten unterscheidet sich das Installationsprinzip nicht von Heizmatten und Heizkabeln.
In dem obigen Artikel wurden die Haupttypen der Fußbodenheizung sowie die Methoden zu deren Anschluss betrachtet. Nachdem Sie sich mit dem beschriebenen Material vertraut gemacht haben, können Sie diese Aktion mit Ihren eigenen Händen ausführen, sodass der Anschluss der Fußbodenheizung jedem überlassen bleibt.
Die Vorrichtung der Fußbodenheizung besteht in der Installation von Heizelementen unter dem Bodenbelag und deren weiteren Anschluss an die Stromquelle. Dies geschieht nicht direkt, sondern über einen Thermostat - ein Gerät, das zur Regulierung des Temperaturbereichs dient. Das Anschließen eines warmen Bodens an einen Thermostat (Thermostat) und Strom ist ein einfacher Vorgang, der ohne die Einbeziehung professioneller Elektriker durchgeführt werden kann. Darüber hinaus zeigen die Hersteller von Pflegeprodukten in der Regel ein elektrisches Installationsdiagramm auf den Gehäusen ihrer Thermostate. Wenn Sie jedoch eine Person sind, die sich in der Wildnis der Elektrizität überhaupt nicht auskennt, sind Ihnen einige der Nuancen möglicherweise nicht klar. Wir werden versuchen, mögliche kontroverse Nuancen zu berücksichtigen und den Prozess des Anschlusses des Thermostats an die Fußbodenheizung so detailliert wie möglich zu beschreiben - für "Dummies".
Allgemeine Verbindungsprinzipien
Bei der Installation eines Fußbodenheizungssystems eines beliebigen elektrischen Typs sollten Sie zunächst entscheiden, wo der Thermostat installiert werden soll. Er steuert das gesamte System, hält die gewünschte Temperatur aufrecht und schließt die Heizgeräte an das Stromnetz an.Geräte mit eingebauten Sensoren, die die Temperatur in einem Raum aufzeichnen, werden an einer Wand in einer Höhe von mindestens anderthalb Metern über dem Boden montiert. Der Platz für das Gerät muss entfernt oder vor Wärmequellen geschützt werden.
Bis der Thermostat angeschlossen ist und anschließend eine elektrische Fußbodenheizung installiert wird, muss entschieden werden, wie dies geschehen soll. Es besteht die Möglichkeit einer stationären Verbindung über eine Schalttafel oder eine normale Steckdose zum Einschalten.
Viele Modelle von Thermostatgeräten in ihren Gehäusen haben Diagramme, mit deren Hilfe der warme Boden an den Thermostat angeschlossen wird. Durch ihre Anwesenheit wird der Installationsprozess vereinfacht, alle Arbeiten können selbst ausgeführt werden, ohne dass Elektriker hinzugezogen werden müssen.


Schaltplan für Fußbodenheizung zum Thermostat
Nach der Installation des Thermostats werden Phase, Null und Masse auf der Anschlussdose angezeigt. In der Wand ist eine Nut angebracht, in die Kunststoffrohre eingesetzt werden. In einem befindet sich das Stromkabel des Heizkabels, in dem anderen die unter dem Boden befindliche Sensorkabel. Sobald alle Arbeiten abgeschlossen sind, kann mit der Installation der Heizung fortgefahren werden, die gemäß dem Anschlussplan des warmen Fußbodens an den Thermostat erfolgt.
Das Video mit der Thermostat-Anschlusssequenz ist übrigens heute im Internet leicht zu finden.
Wie funktioniert der Thermostat?
Der Thermostat wird verwendet, um eine stabile Temperatur in einem "warmen" System aufrechtzuerhalten sowie Heizmatten (Filme) ein- und auszuschalten. Das Gerät "liest" die Messwerte des Temperatursensors und unterbricht automatisch die Stromversorgung, sobald sich der Boden auf den erforderlichen Grenzwert erwärmt. Gleichzeitig bleibt er selbst im Arbeitsmodus und kontrolliert weiterhin die Situation. Wenn der Sensor über Abweichungen im Temperaturmodus informiert, speist der Thermostat erneut Strom in das System ein und der Boden beginnt sich zu erwärmen.
Die beliebtesten und zuverlässigsten Thermostate sind mechanische und konventionelle elektronische. Komplexere sind elektronisch programmierbar. Trotz des signifikanten Unterschieds in der "Füllung" ist das Prinzip des Anschlusses von Thermostaten sehr ähnlich.
Das Kit für den Thermostat enthält einen Temperatursensor, eine Anschlussdose, Klemmen sowie Installations- und Betriebsanweisungen
Thermostat installieren und anschließen
Der Thermostat wird normalerweise wie ein herkömmlicher Schalter an der Wand montiert. Dazu wird ein Ort in der Nähe der vorhandenen elektrischen Verkabelung gewählt, beispielsweise in der Nähe einer Steckdose. Zunächst wird eine Aussparung in die Wand eingebracht, dort die Thermostat-Anschlussdose installiert, die Drähte (Phase und Null) des Versorgungsnetzes und der Temperatursensor daran angeschlossen. Der nächste Schritt ist das Anschließen des Thermostats.
Auf der Seite des Thermostats befinden sich "Nester". Hier werden die Kabel des Netzwerks (220 V), des Sensors und des Heizkabels angeschlossen.
Es ist nützlich zu wissen, dass die Drähte, die bei der Installation des Thermostats angeschlossen werden, farblich gekennzeichnet sind:
- weißer (schwarzer, brauner) Draht - L-Phase;
- blauer Draht - N Null;
- gelbgrüner Draht - Masse.
Das Anschließen des warmen Bodens an Strom erfolgt in der folgenden Reihenfolge:
- An die "Steckdosen" 1 und 2 schließen Sie die Netzkabel mit einer Spannung von 220V an. Die Polarität wird strikt eingehalten: Der L-Draht (Phase) ist mit Kontakt 1 verbunden, der N-Draht (Null) mit Kontakt 2.
- Ein Heizkabel für die Fußbodenheizung wird nach dem Prinzip an die Kontakte 3 und 4 angeschlossen: Kontakt 3 - Draht N (Null), Kontakt 4 - Draht L (Phase).
- Die Drähte des Temperatursensors (normalerweise in den Boden eingebaut, dh zur Bestimmung der Temperatur im Boden) sind mit den "Buchsen" 6 und 7 verbunden. Die Polaritätsprinzipien müssen hier nicht beachtet werden.
- Überprüfen Sie den Zustand des Thermostats. Schalten Sie dazu die -220V-Stromversorgung ein, stellen Sie die Mindesttemperatur am Gerät ein und schalten Sie das Heizelementsystem ein (durch Drehen des Knopfes oder Drücken der Taste).Danach wird der Heizmodus auf das Maximum geändert, dh der Thermostat wird auf die höchstmögliche Temperatur „programmiert“. Der korrekte Betrieb des Geräts meldet sich mit einem Klick, was auf ein Schließen des Heizkreises hinweist.
Die Anschlusspläne können je nach Art und Modell der Thermostate geringfügig abweichen. Damit der Benutzer in der Regel keinen Fehler macht, werden alle Kontakte auf den Gerätekoffer geschrieben.
Die Installation und Inbetriebnahme von versteckten Heizsystemen ist ein ziemlich einfacher Vorgang, wenn es sich nicht um Wasserstrukturen handelt. Elektrische Heizkreise eignen sich für Räume jeder Konfiguration und jedes Zwecks, und im Gegensatz zu komplexeren Wassersystemen gibt es praktisch keine Einschränkungen hinsichtlich ihrer Verwendung.
Die Installation und Anordnung eines solchen Heizelements besteht darin, den Wärmeträger selbst zu verlegen und an eine Stromquelle anzuschließen. Dies ist keine schwierige Aufgabe, die keine besonderen Kenntnisse und kolossale Erfahrung erfordert. Wenn die Installation der Quelle selbst jedoch nicht viele Probleme verursacht, weiß nicht jeder, wie man einen warmen Boden an einen Thermostat anschließt.
Kollektor für Fußbodenheizung
Bei der Fußbodenheizung wird meistens eine gemeinsame Kollektoreinheit montiert oder vor jedem Heizkreis ein separater Kollektor installiert. Wenn die letztere Option implementiert ist, sind alle Kollektoren mit Durchflussmessern, Thermostaten und den folgenden Elementen ausgestattet:
- Rücklauf- und Zufuhrmischventil;
- Heizungsausgleichs-Absperrventil;
- Überlaufventil.
Es ist möglich, einen Kollektor für einen warmen Boden selbst nach verschiedenen Schemata zusammenzubauen, und in einigen Schemata von Kollektorknoten werden Bypässe verwendet, jedoch nicht immer - nur in Einkreissystemen. Wenn die Fußbodenheizung nach einem Zweikreisschema organisiert ist, kann der Kollektor ohne Bypass an den Sekundärkreis angeschlossen werden.




Zweikreis-Fußbodenheizung mit Kollektor
Bevor Sie eine Verteilerbaugruppe für einen warmen Boden zusammenbauen, sollten Sie Ihre Möglichkeiten abwägen. Manchmal ist es einfacher, eine fertige Struktur zu kaufen. Wenn der Sammler gekauft werden soll, ist es besser, dass alle seine Teile und Elemente vom selben Hersteller stammen. Wenn Sie das Gerät selbst zusammenbauen, müssen Sie das Material auswählen, aus dem die Hauptkomponenten des Geräts zusammengebaut werden sollen: Kupfer, Stahl, Polymere oder Messing.
Bei der Auswahl eines Industriedesigns ist es außerdem wichtig, die folgenden Parameter zu berücksichtigen:
- Wie viele Heizkreise befinden sich im System (normalerweise 2 bis 12), die Gesamtlänge der Rohrleitung und der Durchsatz der Kreisläufe?
- Maximal zulässiger Druck in Rohren;
- Die Möglichkeit der Erweiterung des Heizungssystems;
- Manuelle oder automatische Steuerung des Kollektors;
- Strom aller Einheiten und Baugruppen;
- Der Durchmesser der Innenöffnungen des Kollektors (Durchsatz).


DIY Sammler
Der effizienteste Betrieb der zusammengebauten Verteileranordnungen kann sichergestellt werden, indem Heizkreise gleicher Länge an sie angeschlossen werden. Um die Rohrleitungen mit ausreichender Längengenauigkeit auszugleichen, werden sie in gleiche Segmente unterteilt, die mit dem Kollektor verbunden sind. Die einfachste Methode zur Berechnung der Kollektoreinheit ist ein spezielles Computerprogramm oder ein Online-Rechner, damit kein Phänomen namens "Wärmezebra" auftritt, dh eine ungleichmäßige Erwärmung des Bodens.
Für die Berechnung benötigen Sie folgende Daten:
- Art des dekorativen Fußbodens;
- den Bereich des beheizten Raums und den Plan, große Gegenstände darin zu platzieren;
- Material und Durchmesser der Leitungsrohre;
- Kesselnennleistung;
- Art der Bodenisolierung.


Reservoirberechnung
Kollektorinstallation - Empfehlungen
Bei der Planung eines Fußbodenheizungssystems müssen Sie zunächst den optimalen Platz für die Installation des Kollektors finden. Standardmäßig ist das Gerät in einem Verteilerschrank installiert, und der Schrank selbst ist in einer Höhe von 30 bis 40 cm über dem Boden neben Vor- und Rücklauf montiert.
Lesen Sie die Anweisungen zum Anschließen des Kollektors, um Ihre eigenen Fehler nicht zu beschuldigen und eine maximale Erwärmung der Fußbodenheizungsrohre sicherzustellen. Montieren Sie dann die Baugruppe in der folgenden Reihenfolge (dies gilt für die industrielle Verteilerbaugruppe):
- Packen Sie die Rohre für den direkten und Rückfluss des Heizmediums aus. Die Rohre müssen mit Durchflussmessern und Versorgungsventilen versehen sein. Wenn der Verteiler mehrteilig ist, bauen Sie die Abschnitte zu einer Struktur zusammen.
- Aus den zusammengebauten Abschnitten müssen Sie eine Einheit an Halterungen (im Lieferumfang enthalten) zusammenbauen.
- Als nächstes installieren wir Absperrventile, Automatisierung, Sensoren und den Rest der Anschlussarmaturen.
- Wir befestigen das Gerät an der Wand oder im Schrank, montieren den Thermostat, den Servoantrieb und die Umwälzpumpe.
- Wir verbinden Rohre vom Kessel und Rohre von den Heizkreisläufen des "Warmboden" -Systems.


Sammlerset
Nun wird der Anschlussplan des Fußbodenheizungskollektors unter Druck gesetzt, wonach der Betonestrich gegossen werden kann. Die thermischen Einstellungen des Kollektors können nach dem Einbau des Decklacks vorgenommen werden.
Verteilerbaugruppe zum Selbermachen
Ein Fabriksammler ist ein ziemlich teures Produkt, daher möchten viele Handwerker es mit ihren eigenen Händen herstellen. Viele Artikel müssen noch gekauft werden, aber die Kosten sind billiger. Am einfachsten ist es, einen selbstgebauten Kollektor aus PVC-Rohren und Formstücken mit einem Durchmesser von 25 bis 32 mm zu löten. Sie benötigen außerdem T-Stücke und Biegungen mit demselben Durchmesser sowie Absperrventile.


Selbst gemachter Sammler
Die Anzahl der Ventile und Armaturen wird anhand der Anzahl der Heizkreise berechnet. Von den Werkzeugen benötigen Sie einen Lötkolben für Propylenelemente und Düsen, eine spezielle Schere zum Schneiden von Rohren und ein Maßband.
Die Kennzeichnung des Kollektors besteht darin, die Rohre der erforderlichen Länge zu markieren und abzuschneiden, wobei der Mindestabstand zwischen den T-Stücken zu beachten ist. Ventile und Übergänge werden mit einem Lötkolben an PVC-T-Stücke gelötet. Anschlüsse zum Anschließen der Pumpe sind mit dieser Struktur verlötet. Wie Sie sehen können, ist alles einfach, aber es ist besser, komplexere Verteilereinheiten fertig zu kaufen.
Arten von elektrischen Systemen
Diese versteckte Heizoption ist die häufigste bei Menschen, die in ihrem Haus angenehme Temperaturbedingungen schaffen möchten. Trotz der Tatsache, dass elektrische Fußböden mit derselben Stromquelle betrieben werden, unterscheiden sie sich im Heizelement. Um herauszufinden, wie ein warmer Boden an einen Thermostat angeschlossen werden kann, müssen Sie klären, um welche Art von Heizsystem es sich handelt.
Unter den verschiedenen Wärmequellen können also die häufigsten unterschieden werden:
- Kabel mit der Eigenschaft der Selbstregulierung des Temperaturregimes;
- ohmsches ein- oder zweiadriges Heizkabel;
- Thermomatten sind dünne, gewalzte Materialien, bei denen die Wärmequelle in mehreren Schichten eines speziellen Stoffes versiegelt ist.
- Ein Film auf der Basis von Kohlenstoff, Bimetall-Wärmeübertragungsfasern sowie Kohlenstoffstäben.
Für jede dieser Arten von Elektroböden wurde ein individueller Verdrahtungs- und Anschlussplan entwickelt. Bei der Installation von Thermokabelelementen muss der Verlegungsabstand korrekt berechnet werden, um eine übermäßige Wärmeerzeugung oder eine ungleichmäßige Erwärmung des Bodenbelags zu vermeiden.
Wir haben bereits herausgefunden, um welche Arten von elektrischen Fußböden es sich handelt. Lassen Sie uns nun herausfinden, wie der Temperaturregler funktioniert.
VIDEO: So schließen Sie einen warmen Boden an einen Thermostat an
Was ist das Prinzip von Thermostaten
Diese Vorrichtung wird, wie oben erwähnt, verwendet, um eine stabile Temperatur in einem verborgenen Heizsystem aufrechtzuerhalten. Mit Hilfe eines Thermostats wird auch ein Zyklus des Ein / Aus-Betriebs von thermischen Elementen durchgeführt. Wie macht er das?
Während des Gießens des Estrichs wird der Sensor verlegt, der seine thermischen Daten von der Bodenoberfläche liest.Wenn die Zementbasis vollständig trocken ist und die dekorative Beschichtung verlegt ist, sollte der warme Boden korrekt mit dem Thermostat verbunden sein. In der Regel befindet es sich in der Wandverkleidung nach dem Prinzip der Vorrichtung von Steckdosen und Schaltern. Wenn letztere jedoch gemäß der europäischen Norm 80 cm vom Bodenbelag entfernt installiert werden, sollte der Regler einfach zu bedienen sein. Die meisten geschulten Fachkräfte empfehlen, den Thermostat auf Augenhöhe zu platzieren, um ihn bequem zu verwenden und vor unnötigen Handlungen kleiner Kinder zu schützen.
Zurück zur Funktionsweise dieses Geräts. Der im Estrich befindliche Wärmesensor "überträgt" die Heizdaten an den Autothermostat, der bei Erreichen der eingestellten Temperatur das Heizsystem ausschaltet. In diesem Fall bleibt das Gerät selbst in Betrieb und überwacht die Situation weiterhin. Wenn das Gerät Abweichungen in der Temperatur des Betonsockels und der vom Programm eingestellten Temperatur feststellt, wird das System wieder mit Strom versorgt und der Boden erwärmt sich wieder.
Heute bietet der Markt in diesem Segment eine Vielzahl von Reglern, darunter mechanische und konventionelle elektronische Modelle, die am beliebtesten und zuverlässigsten sind. Komplexer - elektronische Thermostate mit der Funktion, den Ein- / Ausschaltzyklus zu programmieren, sowie weitere Zusatzfunktionen. Trotz des signifikanten Unterschieds in ihrer "Füllung" und dementsprechend in den Kosten ist das Prinzip ihrer Verbindung zum Netzwerk nahezu identisch.
Thermostate anschließen
Bevor Sie den warmen Boden an den Thermostat anschließen, müssen Sie entscheiden, mit welcher Methode Sie ihn anschließen möchten. Kreaturen haben zwei Möglichkeiten:
- Stationäre Versorgung der Stromquelle vom Hauptzähler.
- Verwenden einer Steckdose.
Viele Modelle in ihrer Konfiguration haben bereits ein Schema, dank dessen das Verfahren zur Inbetriebnahme des Geräts keine Schwierigkeiten verursacht. Und wenn Sie sich zumindest ein wenig mit Elektrik auskennen, können Sie dieses Verfahren höchstwahrscheinlich unabhängig durchführen, ohne auf die Hilfe von Spezialisten zurückgreifen zu müssen.
Nachdem Sie den Fußbodenheizungsthermostat an der gewünschten Stelle installiert haben, müssen Phase, Masse und Null an die Anschlussdose angeschlossen werden. Bereiten wir nun den Platz für die Ausgabe der Drähte vom Datenmesser vor. In die Wandverkleidung schneiden wir eine kleine Nut, in die zwei Kunststoffrohre für Drähte passen sollen - das Stromkabel der Wärmequelle und der Anschluss des internen Sensors. Auf dieser Grundlage sollten Sie verstehen, dass der Anschluss des Fußbodenheizungsreglers vor Abschluss der Arbeiten erfolgt, da Sie sonst die fertigen, schönen Wände einfach ruinieren und sich erneut mit deren Verbesserung befassen müssen.
Sobald einige dieser Maßnahmen abgeschlossen sind, können Sie mit der Installation und dem Anschluss der elektrischen Fußbodenheizung fortfahren.
Wie verbinde ich den Kabelboden?
Bevor Sie mit der Installation des Kabels fortfahren, müssen Sie die Stromkabel zum Thermostat spannen, während das Heizelement selbst und die zum Regler führenden Kabel mit einer speziellen Kupplung verbunden sind, die sich später im Estrich befindet.
Der nächste Schritt besteht darin, das Kabel direkt zu verlegen. Es gibt viele Schemata, die dazu beitragen, die Bodenebene gleichmäßig zu erwärmen. Unabhängig von Ihrer Wahl ist es jedoch wichtig zu beachten, dass sich die Kabelleitungen auf keinen Fall kreuzen sollten.
Als nächstes kommt die Installation des Sensors, der in ein Kunststoffrohr geeigneter Größe eingesetzt wird. Und bevor Sie den Estrich einfüllen, müssen Sie sicherstellen, dass die verlegte Wärmequelle funktioniert, und dafür einen speziellen Tester verwenden. Nachdem dieses Gerät einen Widerstand gezeigt hat, der mit den Passdaten identisch ist, können Sie mit dem Gießen des Betonbodens beginnen.
Der Anschluss der geklebten Fußbodenheizung an den Thermostat erfolgt erst nach vollständiger Verfestigung des Sockels.
Thermomat anschließen
Der Anschluss dieses Heizsystems an einen Thermostat ist nicht so schwierig, zumal der Vorgang nahezu identisch mit der Vorgängerversion ist. Daher ist es sinnvoll, nur auf die Unterschiede hinzuweisen.
Da in diesem Fall kein Betonestrich erforderlich ist, ist eine zusätzliche Öffnung in der Bodenfläche erforderlich, um den Sensor zu platzieren. Sobald die Matten und das Datenmessgerät positioniert sind, befestigen Sie sie mit einem dünnen Kleberücken. Das ist der ganze Unterschied.
VIDEO: Installation einer Fußbodenheizung auf Basis von Heizmatten
Verbindung zum Netzwerk der Filmstruktur
An den Rändern des Heizfilms befinden sich Kupferstäbe, die mit dem Netzwerk verbunden sind. Der Thermostat wird nach dem gleichen Schema wie die Thermomatvorrichtung an die Foliensorte angeschlossen. Der Unterschied liegt in der Verwendung eines speziellen Substrats, das über die gesamte isolierte Oberfläche verteilt ist, bei der es sich um eine Folie handelt.
VIDEO: Anweisungen zum Anschluss des warmen Filmbodens 220 Watt
Der Temperaturregler ist ein wichtiges Element jeder elektrischen Fußbodenheizung. Es verbessert die Effizienz des gesamten Systems und reduziert den Stromverbrauch erheblich. Das Installationsdiagramm dieses Geräts ist recht einfach. Selbst ein Nichtfachmann, der über grundlegende Kenntnisse im Umgang mit Elektrogeräten verfügt, kann diese installieren.
Anschlusspläne
Existiert verschiedene Wege Inbetriebnahme eines solchen Heizungssystems.
Bei jedem der Schemata muss darauf geachtet werden, dass keine Partikel in den Rohren vorhanden sind. Andernfalls führt dies zu einer Verstopfung der Strukturelemente der Fußbodenheizung.
Durch einen separaten Eingang


Mit dieser Methode Trockenlauf der Umwälzpumpe ist nicht zulässig. Hierzu ist ein Relais installiert, das Druck oder Durchfluss regelt.
Und es ist auch zulässig zu verwenden Überkopf-ThermostatDadurch kann der Betrieb der Pumpe blockiert werden, wenn sie die Markierung der unteren Temperaturschwelle überschreitet.
Die effizienteste Option ist Installation des ReglersKorrigieren des Temperaturregimes der Raumheizung gemäß der Außentemperatur des Raums.
Durch vertikale Verkabelung
Der Hauptzweck eines solchen Schemas ist der Wiederaufbau eines vorhandenen Kühlersystems.
Durch Befestigen der Fußbodenheizungsrohre direkt am Steigrohr können Sie Verdoppeln Sie die empfangene Wärmemenge. Dies liegt an der Tatsache, dass bei gleicher Temperatur in der Zuleitung und Rückführung zum Zeitpunkt der Differenz in den Rohren des Fußbodenheizungsbereichs diese höher ist als im Heizkörper.
Wenn in einem Wohngebiet verfügbar 4 Tragegurte Kühlmittel von den beiden ist unterwegsIm Übrigen wird warmes Wasser aus der Zentralheizung verwendet.


Foto 1. Diagramm zum Anschluss eines wasserbeheizten Fußbodens an das Heizsystem mittels vertikaler Verkabelung.
Die Reihenfolge der Aktionen nach diesem Schema:
- Installation neuer Wärmetauscher Wärme anstelle von zuvor verwendeten Heizkörpern;
- parallele Befestigung des Sekundärkreises von der Fußbodenheizung.
Wichtig! Bei der Durchführung des Prozesses ist dies unbedingt erforderlich Anwendung von PVC-Rohren eine Länge.
Ein Rohrsystem
Ein solches Schema sieht keine Flusskontrolle vor Kühlmittel und Senkung seiner Temperatur.


Die Fußbodenheizung ist über eine Steigleitung mit der Zentralheizung verbunden. Dies kann durch erfolgen Ersetzen des Heizkörpers durch eine Fußbodenheizung.
Der Unterschied in der Wärmebelastung zwischen der Zentralheizung und der Fußbodenheizung sollte nicht sein mehr als 5-10 Grad.
In diesem Fall kann die Raumtemperatur mit einer Umwälzpumpe und einem Thermostat geregelt werden.
In Abwesenheit von Kühlmittel im Steigrohr Pumpenbetrieb stoppt automatisch.
Um im Winter eine angenehme Temperatur aufrechtzuerhalten, kann es im verwendeten Schema verwendet werden Spitzen-Elektrokessel... Dieses Element kann diese Funktion mit einem Thermostat ausführen, sofern es auf der einen Seite an die Zentralheizung und auf der anderen Seite an die Fußbodenheizung angeschlossen ist.
Wie funktioniert der Thermostat?
Der Hauptzweck des Thermostats besteht darin, den stabilen Betrieb der elektrischen Fußbodenheizung aufrechtzuerhalten. Abhängig von den eingestellten Parametern werden die Heizelemente zu einem bestimmten Zeitpunkt ein- und ausgeschaltet. Mit dieser Aktion können Sie den Energieverbrauch senken, ohne die Heizqualität zu beeinträchtigen. Der Temperaturregler empfängt über einen speziellen Sensor Informationen über das System. Es wird innerhalb der Struktur installiert und zeichnet dort Änderungen des eingestellten Temperaturbereichs auf.
Es gibt folgende Arten von Geräten zur Regelung des Betriebs einer Fußbodenheizung:
Trotz des Unterschieds im Gerät dieser Art von Geräten ist das Anschlussdiagramm nicht anders.
Vorarbeit
Vor der Installation des Thermostats, des Sensors und anderer Elemente des Systems muss die Anzahl der Geräte dieses Typs berechnet werden, um den effektiven Betrieb des warmen Bodens sicherzustellen. Wenn für das gesamte Haus eine Fußbodenheizung vorgesehen ist, wird empfohlen, für jeden Raum einen unabhängigen Netzanschluss herzustellen.
Außerdem müssen Sie für verschiedene Stromkreise einen separaten Thermostat installieren. Dieser Ansatz ermöglicht es Ihnen, ein effizienteres System zu erhalten, bei dem bestimmte Betriebsparameter in jedem Raum eingestellt werden können.
Vor der Installation des Temperaturreglers müssen Sie dessen Gehäuse sorgfältig untersuchen und sich mit dem Reisepass vertraut machen. In der Regel beschreibt der Hersteller das Installationsschema ausführlich. Es versteht sich, dass das Stromkabel sowohl direkt über die Verkabelung als auch über die Steckdose mit dem Gerät verbunden werden kann. Außerdem empfehlen die Hersteller, bei der Installation des Thermostats einen separaten Leistungsschalter zu verwenden. Dies ermöglicht einen effizienteren Betrieb der Fußbodenheizung.
Der Thermostat wird an der Wand in der Nähe der elektrischen Verkabelung installiert. Wählen Sie am besten einen Ort in der Nähe einer Steckdose, der jedoch keinem direkten Sonnenlicht ausgesetzt ist. Die Einbauhöhe des Thermostats beträgt ca. 1,5 m. Im ausgewählten Bereich wird eine kleine Aussparung angebracht, in die die Gerätebox eingebaut werden kann. Sie müssen auch eine Nut in die Wand machen, in der die beiden Kunststoffrohre platziert werden.
Sie sind für die Stromkabel des Heizkabels und des Temperatursensors ausgelegt, die in der Fußbodenheizungsstruktur installiert werden. Phase, Masse und Null müssen unbedingt an die Thermostatbox angeschlossen werden. Fahren Sie nach allen Vorbereitungsarbeiten mit der Installation eines einadrigen Kabels fort.
So schließen Sie eine Kabel-Fußbodenheizung an einen Thermostat an
Systemelemente mit dem Netzwerk verbinden
Nach der Installation des Temperatursensors wird die Fußbodenheizung an den Thermostat angeschlossen. Das Anschlussdiagramm aller Elemente des Systems lautet wie folgt:
Überprüfen Sie nach der Installation, wie effizient der Temperaturregler ist. Schalten Sie dazu die Stromversorgung ein und stellen Sie die minimale Betriebstemperatur für die Heizelemente ein. Zu diesem Zweck verfügt das Gerät je nach Modell über einen speziellen Knopf oder Knopf.
Nach diesen Manipulationen muss die maximale Heiztemperatur eingestellt werden, die die Fußbodenheizung des Kabeltyps erreichen muss. Die Richtigkeit der Aktionen sollte mit einem charakteristischen Klick bestätigt werden. Es zeigt einen Kurzschluss im Heizkreis an.
Die Notwendigkeit einer Bodenthermoregulierung
Die Wärmeregulierung im Heizsystem "warmer Boden" spielt eine große Rolle.Mit Hilfe des Thermostats wird ein stabiles Temperaturregime im System aufrechterhalten, die Heizelemente werden ein- und ausgeschaltet. Das Gerät erkennt die Messwerte des Temperatursensors und schaltet das System automatisch ab, wenn es sich auf den gewünschten Grenzwert erwärmt. Gleichzeitig behält das Gerät den Betriebsmodus bei und überwacht die Situation.
Sobald vom Sensor ein Signal über einen Temperaturabfall empfangen wird, aktiviert der Thermostat die Systemleistung erneut durch Stromversorgung. Der Boden beginnt sich wieder aufzuwärmen. Am beliebtesten sind zuverlässige mechanische und einfache elektronische Geräte. Elektronisch programmierbare Thermostate gelten als komplexer. Unterschiede in den Konstruktionsmerkmalen wirken sich jedoch nicht besonders auf den Anschlussplan des Warmbodens zum Thermostat und zum Stromnetz aus.
Merkmale des Anschlusses verschiedener Arten von Fußbodenheizungen
Je nach Art der Fußbodenheizung erfolgt der Anschluss der Elemente an den Thermostat einschließlich des Sensors folgendermaßen:
Das Prinzip, alle Elemente des Systems an den Thermostat und das Stromnetz anzuschließen, ist dasselbe. Je nach verwendetem Modell können während der Installation einige Besonderheiten auftreten. Um sich nicht zu irren und alles richtig zu machen, sollten Sie die Anweisungen sorgfältig lesen, in denen jeder Schritt angegeben ist. Außerdem ist auf dem Gerät selbst ein schematisches Diagramm der Verbindung aller Elemente gezeichnet.
Video: Installation von einadrigen und doppeladrigen Heizkabeln
Geheimnisse der Gelenkschmerzbehandlung von unserem regelmäßigen Leser.
Hallo!
Ich heiße Gennady Alekseevich. Ich bin ein Ofenbauer mit über 20 Jahren Erfahrung. Ich beschäftige mich sowohl mit der Reparatur als auch mit dem Bau russischer Öfen und Kamine. Ich mache die Arbeit immer sehr effizient und sorgfältig, was sich negativ auf den Zustand der Gelenke auswirkt. Mit zunehmendem Alter wurden die Schmerzen stärker, bis zu dem Punkt, an dem ich nicht mehr arbeiten konnte. Nachdem ich viele medizinische und traditionelle Behandlungsmethoden ausprobiert hatte, wurde mir klar, wie ernst meine Krankheit ist, da es keine positiven Auswirkungen gab. Bis ich auf ein Tool stieß, von dem ich Ihnen erzählen möchte.
Es ist eine einzigartige Mischung der seltensten und stärksten natürlichen Heilmittel. Dieses Tool hat seine Wirksamkeit nicht nur für Patienten, sondern auch für die Wissenschaft bewiesen, die es als wirksames Medikament anerkannt hat. Gelenk- und Rückenschmerzen verschwinden in 10-15 Tagen, Studien haben gezeigt. Die Hauptsache ist, die Anweisungen in der Methodik klar zu befolgen. Sie können das Produkt in der Originalverpackung mit Qualitätsgarantie bei bestellen






