Wie funktioniert ein Thermokopf für einen Warmwasserboden?

Wie ist die Regelung der Fußbodenheizung

Wenn das Haus oder die Wohnung nicht groß ist, befindet sich die Wohnregion im Süden. Warme Böden können als Hauptheizquelle verwendet werden. In anderen Fällen ist es eine schöne Ergänzung, um das Leben angenehmer zu gestalten. Zum Beispiel im Kinderzimmer, im Bad oder in der Küche, im Arbeitsbereich. Die Sache ist, dass es aus offensichtlichen Gründen unmöglich ist, den Boden sehr heiß zu machen. Wenn es außerhalb des Fensters minus 40 Grad ist, sollte das Heizsystem leistungsfähiger sein.

Es ist sehr praktisch, Fußböden zu haben, deren Heizniveau gesteuert wird. Es gibt viele Geräte zum Einstellen der Temperatur des warmen Bodens. Ihre Arbeit basiert auf einem einzigen Prinzip.

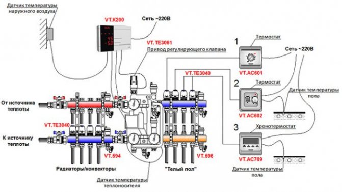
Heizkreise werden individuell gesteuert, indem spezielle Kollektoren angeordnet werden, die die Ein- und Ausgänge des Heizsystems zusammenführen:

Der Temperatursensor für einen wasserbeheizten Boden signalisiert dem Thermostat, dass die Temperatur im Raum (oder auf der Bodenoberfläche) gestiegen ist. Die Kette enthält einen Servoantrieb, der die Ventile steuert. Nachdem das entsprechende Signal vom Thermostat empfangen wurde, wird eine neue Charge heißes Wasser in das System eingelassen. Umgekehrt blockiert es seine Bewegung, wenn der Thermostat ein Signal gibt, dass der Raum heiß geworden ist. Ein thermisches Ventil für einen wasserbeheizten Boden hilft, den Fluss des Wärmeträgers zu regulieren. Mit einem solchen Thermostatventil für die Fußbodenheizung können Sie die Vorlauftemperatur des Heizmediums effektiv regulieren. Um Wasser zu pumpen, muss eine Pumpe installiert sein.

Thermoventil für Fußbodenheizungswasser

Um die Temperaturanzeigen von warmen Böden zu steuern, benötigen Sie:

  • Kollektor, bei dem alle Stromkreise reduziert sind;
  • Thermostat;
  • Wärmesensor;
  • einen Servoantrieb, der Ventile steuert;
  • Pumpe zum Pumpen von Wasser.

All dies zusammen ermöglicht es, das Heizsystem zu automatisieren. Dies ist keine einfache Annehmlichkeit, sondern Energieeinsparung. Die Thermostate können so eingestellt werden, dass bei Abwesenheit von Personen die Raumheizung reduziert wird. Mit den Maschinen können Sie 30 bis 40 Prozent des Volumens der Energieträger einsparen. Darüber hinaus wird dies die Lebensbedingungen der Menschen nicht beeinträchtigen, im Gegenteil, es wird komfortabler sein, in einer Wohnung oder einem Haus zu bleiben.

Um die Sicherheit des Gerätebetriebs zu erhöhen, ist die Installation von Sicherheitsventilen und Schutzarmaturen gegen Spannungsspitzen im Stromnetz und Überhitzung elektrischer Geräte vorgesehen.

Einstellregeln für Thermostate

Die anfängliche Einstellung von Thermostaten jeglicher Art besteht in der Überprüfung der Gesamtleistung des gesamten Fußbodenheizungssystems.

Dazu muss die Heizung eingeschaltet, die erforderlichen Parameter an allen Messgeräten eingestellt und alle Räume des Hauses oder der Wohnung vollständig aufgewärmt werden. Stellen Sie den optimalen Heizmodus für den Kessel auf 60 ° C ein.

Stellen Sie bei häufigem Einschalten des Kessels und Starten eine niedrigere Leistung ein und überprüfen Sie das System erneut. Während des Betriebs der Fußbodenheizung müssen Sie in jedem einzelnen Raum die richtige Temperatur wählen.

    Ähnliche Beiträge
  • Wie installiere ich eine Fußbodenheizung Q-Term?
  • Wie installiere ich einen warmen Boden im Land?
  • Wie kann man eine Fußbodenheizung herstellen?
  • Wie installiere ich eine elektrische Fußbodenheizung?
  • Wie installiere ich Energy Fußbodenheizung?
  • Wie berechnet sich die Länge des Fußbodenheizungsrohrs?

Welche Thermostate können steuern

Moderne Thermostate für einen wasserbeheizten Boden können die folgenden Anzeigen steuern:

  • Raumlufttemperatur;
  • Fußbodenheizung;
  • Kombinieren Sie die Luft- und Bodentemperaturregelung.

Zur Steuerung der Lufttemperatur im Raum sind Sensoren im Thermostatgehäuse eingebaut. Sie haben es speziell eingerichtet, um die Höhe der Indikatoren in einem kontrollierten Raum zu berücksichtigen. Diese Steuerung ist nur in Gebäuden wirksam, die gut isoliert sind und Wärmeverluste minimieren. Wenn diese Bedingung nicht erfüllt ist, ist die Installation eines Raumtemperaturregelungssensors nicht kostengünstig.

wie man die Temperatur eines wasserbeheizten Bodens reguliert

Wenn die Erwärmung der Oberfläche des Bodenbelags gesteuert werden muss, wird der Temperatursensor der Wasser-Fußbodenheizung so nahe wie möglich am Heizkreis installiert. Ein solches System ist wirksam, wenn der warme Boden als zusätzliche Heizung des Raumes dient. Das Temperaturregime der Luft wird durch die Hauptwärmequellen festgelegt.

Ein Thermostat für einen wasserbeheizten Boden mit einem kombinierten Steuersystem wird in separaten modernen Heizkreisläufen selten verwendet. Es kann gleichzeitig das Heizniveau des Bodens und der Luft steuern oder wahlweise eine Sache.

Gerät und Funktionsprinzip

Die Bequemlichkeit des Aufenthalts in den Räumlichkeiten hängt weitgehend von der verwendeten Heizungsanlage ab. Die Kontrolle der Temperatur des beheizten Wasserbodens erfolgt mit speziellen Geräten - Thermostaten.

Viele Konstruktionen solcher Systeme werden verwendet, aber in den meisten Fällen werden nur wenige grundlegend unterschiedliche Anpassungsmethoden verwendet.

Video ansehen - Einrichtungsprozess

Bevor Sie jedoch das Funktionsprinzip und die Vorrichtung der Thermostate betrachten, müssen Sie den Gegenstand der Regulierung verstehen.

Was ist Heizungsverkabelung?

Das Heizen eines Raumes mit Wasserboden kann auf verschiedene Arten erfolgen. Eine davon ist die Nutzung der Wärme von erwärmtem Wasser, das als Wärmeträger wirkt. Die Übertragung erfolgt über Rohre. Früher wurden Stahlrohre hauptsächlich zum Heizen verwendet, heute werden sie durch moderne Rohre aus Kunststoff ersetzt.


Der Heizkreis kann sich in Form von Heizkörpern entlang der Wände befinden, oder er kann sich unter der Bodenoberfläche befinden und ihn und die Luft im Raum erwärmen.

Heißes Wasser oder Frostschutzmittel wird im Kessel erwärmt und anschließend mit einer Umwälzpumpe dem Heizkreislauf des Wasserbodens zugeführt.

Das Kühlmittel strömt durch seine Rohre und gibt Wärme an den geschlossenen Umgebungsraum ab, wodurch die Oberfläche erwärmt wird. Die abgekühlte Flüssigkeit wird in das Kesselraumsystem zurückgeführt. Abhängig von der Temperatur des "Rücklaufs" in der Mischeinheit wird diese durch Einmischen von kälterem Wasser aus dem Tank erwärmt oder gekühlt.


Und hier ist der Thermostat installiert, der auf die Erwärmung des Rückstroms reagiert und einen Befehl zur Ausführung dieser oder jener Aktion gibt.

In Stromkreisen mit Fußbodenheizung, die durch einen separaten Stromkreis verbunden sind, ist für jeden Stromkreis ein Thermostat installiert, da alle über ein eigenes thermisches Regime verfügen. Und die Heizkörperkreise des Heizkörpers werden auf eine Temperatur erwärmt, die fast doppelt so hoch ist wie bei einem warmen Boden.

Wie funktioniert das Prinzip der Temperaturregelung?


Die Hauptelemente der Heizungssteuerung sind Servoantriebe, Temperatursensoren und Thermostate. Eine solche Zusammensetzung der Ausrüstung ermöglicht es Ihnen, die Temperatur des wasserbeheizten Bodens kontinuierlich in einem kontinuierlichen automatischen Modus einzustellen. Es passiert wie folgt:

  1. Wenn vom Temperatursensor ein Signal über eine unzureichende Temperatur kommt, öffnet der Servoantrieb das Ventil und mehr heißes Wasser gelangt in den Heizkreis.
  2. Wenn das Kühlmittel überhitzt, öffnet sich das Kühlwassermischventil und verringert den Heizgrad im Kreislauf.
  3. Die Einstellung ist jedoch auch im manuellen Modus möglich, indem das Ventil auf eine bestimmte Position eingestellt wird.Diese Methode erfordert jedoch eine ständige visuelle Kontrolle, da sich die Faktoren, von denen der Heizmodus abhängt, im Laufe des Tages wiederholt ändern. Aufgrund der relativen Billigkeit solcher Geräte ist ihre Verwendung sehr unpraktisch, da für jede Bedingung im Raum ein Eingriff in den Heizbetrieb erforderlich ist.

Einstellparameter

Sehen Sie sich das Video an - Einstellen der Leistung der Temperatursensoreinheit

Thermostate im Heizsystem können folgende Parameter regeln:

  1. Der Grad der Erwärmung des Bodenbelags. In diesem Fall wird der Heizungssensor in unmittelbarer Nähe installiert. Eine solche Fußbodenheizung eignet sich am besten für kleine Räume und Stromkreise mit geringem Stromverbrauch, die nur als Hilfsstromkreise verwendet werden, insbesondere für Fußbodenheizungen.
  2. Raumlufttemperatur - Bei diesem Regelungsschema werden Sensoren verwendet, die direkt im Thermostatgehäuse montiert sind. Der korrekte Betrieb eines solchen Geräts kann nur erreicht werden, wenn alle Anforderungen an die Isolierung des beheizten Gebäudes erfüllt sind. Ansonsten ist es schwierig, einen effizienten Heizbetrieb zu erreichen - erhebliche Energieverluste sind unvermeidlich. Ein ordnungsgemäß gebautes Haus mit einem umfangreichen Heizsystem und Thermostat kann bis zu 30% der Ressourcen einsparen.
  3. Kombinierte Steuerungssysteme, bei denen Temperatursensoren für einen wasserbeheizten Boden sowohl im beheizten Raum als auch am Mischgerätesystem installiert sind. Die Parameter werden auf die angenehmste Temperatur im Haus eingestellt. Solche Geräte mit Thermostat werden in großen Räumen eingesetzt. Zur Steuerung können beide Sensoren gleichzeitig oder einer von ihnen verwendet werden.

Arten von Thermostaten nach Design und Installationsmethode

Wenn sich die Frage stellt, wie die Temperatur eines wasserbeheizten Bodens in den verschiedenen Arten von Thermostaten reguliert werden kann, müssen Sie sich richtig orientieren. Trotz der Tatsache, dass sie dieselbe Funktion ausführen, unterscheiden sich die zusätzlichen Funktionen und dementsprechend der Preis.

Geräte, die von Herstellern hergestellt werden, können je nach Komplexität des Designs in fünf Gruppen unterteilt werden:

  1. mechanisch;
  2. Fernsensorik;
  3. gewöhnliche elektronische;
  4. programmierbare Thermostate;
  5. funkgesteuert.

Die Zuverlässigkeit der Modelle hängt nicht vom Design ab, sondern von der Gewissenhaftigkeit des Herstellers und den Betriebsbedingungen.

Je nach Installationsmethode sind Thermostate:

  • gewöhnliche Wandmontage, die in jedem Raum montiert ist und für kleine Wohnungen geeignet ist;
  • Panel, so dass von einem Punkt aus der Prozess in einem großen Gebäude gesteuert werden kann.

Jede dieser Methoden ermöglicht den bequemen Betrieb des Temperaturregelungssystems.

Mechanischer Typ

Mechanische Thermostate für einen wasserbeheizten Boden sind die einfachsten Modelle, die an Geräte zur Regulierung der Kälte in Kühlschränken erinnern. Sie sind kostengünstig und leicht zu warten. Das Temperaturregime wird durch Drehen des Thermometerkopfes ausgewählt. Eine spezielle Markierung wird mit der gewünschten Zahl auf der Abstufungsskala ausgerichtet. Wenn etwas falsch eingestellt ist, kann alles leicht korrigiert werden. Es gibt Modelle, bei denen ein Kippschalter installiert ist, um das System vollständig aus- / einzuschalten. Es gibt mechanische Thermostate mit Timer. Hier können Sie einen bestimmten Zeitraum einstellen, in dem die Fußbodenheizung eingeschaltet wird.

Thermostat für warmes Bodenwasser mechanisch

Der einzige Nachteil ist die Notwendigkeit einer konstanten Temperaturregelung, ein Wechsel der Anzeigen ist nur manuell möglich. Sie haben keine Elektronik, die das Temperaturniveau über die Zeit verteilen kann.

Sie sollten sich bewusst sein, dass es Proben von geringer Qualität gibt, die die Temperatur nicht genau wiedergeben. Das ist im Prinzip nicht so beängstigend.Es wird empfohlen, die Messwerte unmittelbar nach dem Starten des Geräts mit einem Raumthermometer zu überprüfen. Führen Sie dann die Kontrolle unter Berücksichtigung des Unterschieds durch.

Sensorthermoventile mit Bedienfeld

Die Temperaturregelung von wassergeheizten Böden kann mit Sensormodellen erfolgen, die mit einer Fernbedienung ferngesteuert werden.

Die Geräte verfügen über ein modernes, benutzerfreundliches Touchpanel. Es zeigt alle aktuellen Informationen zum Temperaturregime an, einschließlich einer Warnung vor dem Vorhandensein eines Fehlers im System.

Regulierung der Temperatur des warmen Bodens

Die Attraktivität solcher Strukturen liegt nicht nur in ihrer "Fernwartung", sondern auch in der Tatsache, dass sie mehrere Schaltkreise gleichzeitig regeln können. Für solch komplexe Systeme werden am häufigsten ferngesteuerte Sensormodelle verwendet. Ein Thermostat eines zuverlässigen Herstellers hält lange.

Ausstattungseigenschaften

Das Kühlmittel vom Kessel gelangt über die Rohrleitung zum Kollektor. Von dort gelangt die Flüssigkeit in die Bodenleitung. Es gibt Wärme ab und kehrt zum Kollektor zurück, der über einen separaten Rücklauf für den gekühlten Wärmeträger verfügt. Die Umwälzpumpe pumpt Wasser zurück in den Kessel.

Bei manueller Steuerung des Temperaturbereichs werden Ventile mit kaltem Wasser und einem Hochtemperaturkühlmittel im Kreislauf installiert. Wenn sich der Raum gut genug erwärmt hat, ist das Heißwasserventil geschlossen. Wenn der Raum kalt ist, wird das Ventil geöffnet.

Zur automatischen Regelung des Heizmodus ist ein Dreiwegemischer mit Thermostat und externem Temperatursensor installiert. Dieses System bildet ein Thermostatventil. Es wird am Einlass zum Verteiler installiert. Die Ausrüstung besteht aus Messing oder Bronze.

  • Das Dreiwegeventil verfügt über 3 Auslässe für heißes und kaltes Wasser sowie für das Heizmedium, das der Bodenleitung zugeführt wird. Auf dem Fall geben Markierungen die Richtung der Strömungen mit unterschiedlichen Temperaturen an
  • Zum Mischen von Flüssigkeiten unterschiedlicher Temperatur ist eine Mischkammer vorgesehen.
  • Am Gehäuse befindet sich ein Thermostat mit Temperaturregler.
  • Der Temperatursensor befindet sich am Thermostat.
  • Die Ventile schließen die Kalt- und Heißstromauslässe. Sie können scheibenförmig oder nadelförmig sein. Ihre Arbeit hängt vom Thermostat ab.
  • Der Thermostat ist ein System, das aus einer Flüssigkeitskapsel und einem federbelasteten Schaft besteht. Daran sind Ventile angebracht.
  • Der Temperatursensor verfügt über ein digitales Bedienfeld, auf dem die Heizmodi angezeigt werden.

Wir empfehlen: Wie erfolgt die Verlegung eines warmen Bodens Lavita?

Der Thermostat kann sich im Thermokopf oder im Stellantrieb befinden. Die Geräte haben eine andere Schaltung, aber das gleiche Funktionsprinzip. Der Thermokopf ist ein Thermostat, der mit Hilfe einer Flüssigkeit arbeitet: Er reagiert empfindlich auf Temperaturänderungen.

Die Servos werden vom Stromnetz gespeist. Die Flüssigkeit ist in einem Behälter enthalten. Es enthält eine Heizplatte. Das Servo ist am Verteiler installiert.

Der Dreiwegemischer ist für großflächige Heizsysteme ausgelegt. In getrennten Räumen oder in Landhäusern ist ein Zweiwegeventil an den Kollektor angeschlossen. Es wird in einem Kreislauf mit einem Hochtemperaturkühlmittel installiert. Wasser fließt nur in eine Richtung hindurch.

Herkömmliche elektronische Thermostate für die Fußbodenheizung

Einige Verbraucher bevorzugen es, herkömmliche elektronische Thermostate in ihrem Haus zu installieren. Sie unterscheiden sich praktisch nicht von Touchscreens mit Fernbedienung. Eine elektronische Platine und Tasten befinden sich auf der Kunststoffplatte. Mit ihrer Hilfe wird das erforderliche Temperaturregime eingestellt, das sich mehrmals täglich ändern kann.

Temperatursensor für Fußbodenheizungswasser

Es ist nicht schwierig, die Einstellungen eines solchen Geräts selbst herauszufinden. Das Design ist um eine Größenordnung höher als das eines mechanischen Thermostats für einen Warmwasserboden.

Programmierbare Thermostate "Smart"

Geräte, die selbst in Abwesenheit von Personen das Temperaturniveau im Raum ändern können, sind viel komplexer, aber die Einsparungen durch ihre Verwendung sind enorm. Die Kosten für Kauf und Installation zahlen sich bereits in der ersten Wintersaison aus. Wir sprechen über programmierbare Thermostate. Sie können mehrere Stromkreise gleichzeitig bedienen. Es ist möglich, eine Verbindung zum "Smart Home" -System herzustellen.

mechanischer Thermostat für Fußbodenheizung

Der programmierbare Thermostat löst viele Probleme mit der Heizung und sorgt für einen komfortablen Aufenthalt im Raum. Ermöglicht das Einstellen bestimmter Tage, Stunden und Wochen auf eine bestimmte Temperatur. Daher wird er selbst in Abwesenheit der Eigentümer das Heizsystem selbst in den Sparmodus versetzen. Alle Informationen zu seiner Arbeit werden auf dem Display angezeigt.

Nur ein speziell ausgebildeter Techniker kann sie installieren. Dieses Gerät ist teuer, erfordert eine sorgfältige Einstellung zu sich selbst, aber es rechtfertigt sich voll und ganz.

Das Funktionsprinzip des Thermostats

Thermostate sind spezielle Geräte zur Anpassung des thermischen Regimes in einem Raum in Abhängigkeit von den Wetterbedingungen. Sie sind zuverlässig, einfach zu bedienen und dienen in der Regel viele Jahre ohne Störungen und Ausfälle der Einstellmodi.

Die Geräte sind für die Verwendung durch Personen jeden Wissensstands konzipiert. Das heißt, ihr Management ist verfügbar, auch für Jugendliche und ältere Menschen.

Thermostate dienen dazu, die Mindesttemperatur für jeden Raum im Haus individuell einzustellen. Dies ist besonders vorteilhaft für Modelle, bei denen die Betriebsart des Geräts im Intervall des ganzen Tages programmiert wird.

Das Arbeitswerkzeug ist ein Fernthermostat des "Warm Floor" -Systems (STP). Sein Zweck: Bei Erreichen der am Gerät eingestellten Temperatur den Stromkreis öffnen oder umgekehrt schließen.

Infolge dieser Aktion stoppt das System die Heizung oder setzt sie fort. Thermostate werden in folgende Typen unterteilt:

Mechanische Strukturen

Der Temperatursensor ist eine Bimetallplatte, die die Kontakte der Heizmatten schließt. Wenn die Temperatur im Raum steigt, biegt sich die Platte und öffnet den Stromkreis, wodurch die Versorgung mit elektrischer Energie unterbrochen wird.

Nach dem Abkühlen und Richten schließt die Platte die Kontakte wieder und setzt den Zyklus fort.

Die Temperatur im Raum wird durch Drehen eines speziellen Rades geändert. Trotz des primitiven Designs, der minimalen Funktionalität und der Unmöglichkeit, eine Fernbedienung zu installieren, wird der mechanische Thermostat aufgrund seiner Eigenschaften weiterhin verwendet:

  • Einfachheit der Einstellungen während des Betriebs;
  • kostengünstig;
  • Zuverlässigkeit der Struktur während des Betriebs von hohen und niedrigen Temperaturen;
  • Unabhängigkeit von Energieeinflüssen;
  • Das Gerät schaltet sich nach dem Ausschalten automatisch mit der Stromversorgung ein.

Wir empfehlen: Vor- und Nachteile der Fußbodenheizung

Elektronische Thermostate

Thermistoren werden als Temperatursensoren in (elektronischen) Relais-Temperaturreglern verwendet. Wenn sich die Umgebung erwärmt, ändern Thermistoren den Widerstand gegen den elektrischen Strom, der von der Steuer-Mikroschaltung festgelegt wird, die das Relaissignal überträgt.

Die Relaisspule öffnet die Kontakte, unterbricht den Stromkreis, der Stromkreis ist stromlos.

Die Umgebungstemperatur sinkt um 1 Grad, nicht mehr, der Stromkreis wird geschlossen und die Heizung des "Warmboden" -Systems wieder aufgenommen.

Es gibt Modelle elektronischer Thermostate, an die andere isolierte Bereiche der Fußbodenheizung angeschlossen werden können, die mit eigenen Sensoren ausgestattet sind.

Elektronische oder Relais-Thermodesigns sind im Vergleich zu mechanischen Gegenstücken weiter fortgeschritten und bieten die folgenden Vorteile:

  • Der Sensor, ein entferntes Element des Thermostats, kann an jedem geeigneten Ort im Raum installiert werden.
  • Die eingestellte Temperatur und die aufgezeichneten Stromdaten werden auf dem Display angezeigt.
  • die Fähigkeit, die Temperatur in mehreren Zonen des "warmen Bodens" zu regeln;
  • Der Temperatursensor registriert die Temperatur und zeigt sie mit einer Genauigkeit von mehreren Bruchteilen eines Grades auf dem Display an.
  • Es besteht die Möglichkeit, eine externe Steuereinheit zu verwenden.

Die elektronischen Schaltkreise von Thermostaten hängen weitgehend vom Spannungszustand im Stromnetz ab.

Bei Spannungsabfällen und kurzfristigen Stromausfällen treten Fehler im stabilen Betrieb und in den Einstellungen der Mikroschaltung des elektronischen Geräts auf. Bei der Berechnung der Kosten sind elektrische Strukturen viel teurer als mechanische Gegenstücke.

Funkgesteuerte Thermostate

Radio-Thermostate sind sogar teurer als elektronisch programmierbare Thermostate und werden selten installiert. Wird in Haushalten verwendet, in denen keine elektrischen Kabel verwendet werden sollen.

Servobefehle werden über Funksignale gesendet. Dies geschieht auf folgende Weise. Das Signal der Sensoren für die Wasser-Fußbodenheizung geht an den Funkthermostat. Er leitet sie an den Funkcontroller weiter. Die Funksignalkette führt zum Heißwasserspender. Der Preis für solche Geräte ist hoch, da Empfänger und Sender in jeder Phase der Funksignalübertragung installiert sind.

Die Reparatur eines solchen Systems bei einem Ausfall ist kostspielig.

Wie man sich für die Wahl des Thermostats für die Regelung entscheidet

Das erste, was bei einem komfortablen Aufenthalt in einer Wohnung oder einem Haus beachtet wird, ist die Lufttemperatur im Raum. Unabhängig vom Innenraum sind die Heizmethode und alle damit verbundenen Konsequenzen wichtiger. Wenn der Raum gleichmäßig beheizt ist, es keine feuchten Böden, Ecken und Ecken mit kaltem Luftzug gibt, ist es angenehm, im Raum zu sein. Mit dem Thermostat für die Fußbodenheizung mit Fernbedienungssensor können Sie in jedem Raum separat ein angenehmes Temperaturniveau erreichen. Es ist jedoch nicht ratsam, für solche Zwecke einen mechanischen Thermostat zu kaufen. Er ist nicht in der Lage, das Temperaturregime in mehreren Räumen gleichzeitig zu steuern.

Bevor Sie einen Thermostat kaufen, müssen Sie sich überlegen, welche Probleme mit der Temperaturregelung dieses Gerät lösen wird. Wenn die Wärme in Abwesenheit der Eigentümer reguliert werden muss, wird ein programmierbarer Thermostat diese Aufgabe perfekt bewältigen.

Wenn Familienmitglieder sich nicht für das allgemeine Temperaturregime im Haus entscheiden können, hilft ein elektronischer Mehrkanal-Thermostat, der mithilfe von Sensoren, die in verschiedenen Räumen installiert sind, das Heizniveau reguliert.

Der kostengünstigste und benutzerfreundlichste mechanische Thermostat hilft dabei, das gewünschte Temperaturniveau in einer kleinen Wohnung aufrechtzuerhalten.

Bei der Auswahl eines Thermostats muss unbedingt dessen Leistung bekannt sein. Es muss der Kapazität der Fußbodenheizung entsprechen.

Verschiedene Arten von Raumthermostaten für die Wasser-Fußbodenheizung sind für Heizungssysteme mit bestimmten technischen Eigenschaften und wärmespeichernden Eigenschaften von Gebäuden, dem Klima einer bestimmten Region, ausgelegt. Die Wünsche des Verbrauchers werden berücksichtigt. So haben beispielsweise verschiedene Modelle und Hersteller unterschiedliche Schnittstellen, mit deren Hilfe der Betrieb des Geräts bequem überwacht werden kann.

Tipps zur Installation von Thermostaten

Bevor Sie die Installation durchführen, müssen Sie sich mit den Anweisungen und dem Anschlussplan vertraut machen, damit die Installation des Fußbodenheizungssensors ordnungsgemäß durchgeführt wird. Es ist auf der Rückseite des Gehäuses abgebildet. Wenn die Verbindungsreihenfolge verletzt wird, wird das Gerät beschädigt. Daher ist in dieser Phase die richtige Verbindung sehr wichtig, um zu bestimmen, wie effektiv das gesamte Selbstregulierungssystem funktioniert. Natürlich ist es auch wichtig, wie kompetent die Verlegung der Konturen des warmen Bodens erfolgt ist.

Raumthermostat für Fußbodenheizung

Beachten Sie, dass das Servo einen doppelt drehenden Motor hat.Es dreht sich im Uhrzeigersinn oder in die entgegengesetzte Richtung, je nachdem, welches Signal der Thermostat gibt. In diesem Fall vergrößert oder verringert das Ventil das Spiel in dem Rohr, durch das das Kühlmittel fließt.

Die Thermostate sollten sich in der Nähe von Steckdosen in einer Höhe von 0,5 bis 1 Meter über dem Boden befinden. Wenn die Familie ein kleines Kind hat, muss das Gerät höher befestigt werden. Dies gilt insbesondere für programmierbare elektronische Modelle, die durch unsachgemäße Handhabung leicht deaktiviert werden können.

Das Gerät wird in einem 220-V-Netz betrieben (außer bei funkgesteuerten).

Alle Geräte müssen gemäß den Regeln für elektrische Installationen an das Stromnetz angeschlossen werden.

Wie funktioniert die Automatisierung?

Das thermostatische Dreiwegeventil für die Fußbodenheizung ist vor dem Verteiler angeschlossen. Am Sensor ist ein bestimmter Temperaturheizmodus eingestellt. Das Gerät beginnt zu arbeiten, wenn die Parameter geändert werden.

  1. Das Gerät besteht aus einem Halbleiter, bei dem die Temperatur des Kühlmittels in die Leitung eintritt. Energie wird auf die Thermostatflüssigkeit übertragen.
  2. Mit zunehmender Erwärmung dehnt sich die Flüssigkeit aus und drückt auf den abgesenkten Stiel.
  3. Dies schließt den Auslass aus dem heißen Rohr und öffnet den Auslass aus dem Rücklaufkreis.
  4. Der gekühlte Wärmeträger tritt in die Kammer des Dreiwege-Mischers ein und wird dort mit heißem Wasser aus dem Kessel verbunden. Der Mischvorgang kann T-förmig erfolgen: Heißer und kalter Kühlmittelstrom tritt symmetrisch von beiden Seiten in das Thermostatmischventil ein. Die Flüssigkeit tritt in einem Winkel von 900 in die Hauptleitung aus. Bei dem L-förmigen Schema tritt heißes Wasser von der Seite in die Mischkammer ein.
  5. Die Temperatur des Heizmediums nimmt ab. Es tritt abgekühlt in die Bodenlinie ein. Der Heizmodus erreicht tendenziell die eingestellte Rate.
  6. Wenn die Temperatur sinkt, verengt sich die Flüssigkeit im Thermostat. Der federbelastete Schaft wird begradigt, der Kaltwasserauslass geschlossen, der durch das Rücklaufrohr führt. Das heiße Kühlmittel tritt wieder in die Leitung ein.

Bei Verwendung von Servoantrieben wird ein Gerät, das über das Stromnetz arbeitet, an das Mischventil für die Fußbodenheizung angeschlossen. Der Sensor heizt sich auf, schließt den Stromkreis. Die Platte erwärmt sich, was wiederum Wärme an die Wärmeflüssigkeit überträgt. Es dehnt sich aus, drückt auf den Schaft, wodurch die Tellerventile funktionieren.

Wir empfehlen: Was sind die Eigenschaften der Warmstad Fußbodenheizung?

Bei Verwendung eines Servoantriebs ändert das Heizsystem innerhalb von 3 Minuten den Betriebsmodus. Wenn ein Thermokopf als automatisches Gerät verwendet wird, dauert es bis zu 15 Minuten, um die Flüssigkeit im Thermostat zu erwärmen.

Das Funktionsprinzip eines Zweiwegeventils für die Fußbodenheizung ist etwas anders. Wenn die Temperatur in der Leitung steigt, lässt der Thermostat die Tellerventile oder ein Kugelgerät funktionieren, wodurch der Auslass für heißes Wasser vollständig blockiert wird. Der gekühlte Wärmeträger aus dem Rücklaufrohr kehrt zum Bodenkreislauf zurück.

Wenn die Temperatur sinkt, öffnet das Ventil heißes Wasser und schließt die Rücklaufleitung. Es findet keine Vermischung der Flüssigkeit statt. Das Funktionsprinzip eines Zweiwege-Thermostatventils für die Fußbodenheizung ist identisch mit der manuellen Ventilumschaltung, das System arbeitet jedoch im automatischen Modus.

In das Heizsystem ist ein Dreiwege-Thermostatventil für die Fußbodenheizung für eine große Heizfläche eingebaut. Die Ausrüstung ist für einen Kessel erforderlich, der Wasser auf eine hohe Temperatur erwärmt. Das Zweiwegeventil wird als zusätzliche Heizungsregelung für einzelne Räume an das System angeschlossen.

Geräte zur automatischen Steuerung des Heizmodus können in ein Einkreis- oder Zweikreisheizsystem eingebaut werden. Dies ist praktisch, wenn verschiedene Heizungsarten mit Heizkörper und Fußbodenheizung verwendet werden.Der Mischer ist der Umwälzpumpe vorgeschaltet. Ich empfehle, vorher einen Wasserfilter zu installieren. Verwenden Sie beim Anschließen die Gewindemontagemethode.

Heizungen

Öfen