Gestaltungsmerkmale und Arbeitsprinzip
Der Innenteil dient als Feuerraum. Es ist so ausgelegt, dass die Verbrennung von oben nach unten erfolgt. Dies wird durch eine spezielle Luftzufuhr direkt zur Verbrennungszone erleichtert. Das Verfahren erinnert eher an das Schwelen bei der Herstellung von Gasen aus kohlenstoffhaltigen Brennstoffen. Diese Gase sind weitgehend brennbar. Aufgrund ihrer Nachverbrennung im oberen Teil des Ofens wird die Wärmeenergie maximal genutzt, wodurch die Wärmeübertragung erhöht und der Brennstoffverbrauch gesenkt werden kann.
Die Kesselkammer ist durch einen Luftverteiler in zwei Teile geteilt. Es hat die Form eines Rohrs, an dem an einem Ende ein Kissen mit Schaufeln angebracht ist und am anderen Ende Sauerstoff zugeführt wird.
Top-befeuerte Kessel zeichnen sich durch einen zyklischen Betrieb aus, und bis die erste Lasche durchbrennt, ist die Zugabe einer zweiten Brennstoffcharge nicht erforderlich.
Technische Eigenschaften von Festbrennstoffkesseln
Top befeuerte Kessel werden mit unterschiedlichen Leistungen von 8 bis 95 kW hergestellt. Einige Modelle können 1200 kW erreichen. Je höher die Anzeige, desto effizienter ist der Betrieb des Geräts und desto größer kann die Fläche erwärmt werden. Die Kessel mit minimaler Leistung sind für den Einbau in kleine Häuser ausgelegt. Die ukrainische "Burany" mit 40 kW dient zum Heizen großer Häuser oder Lagerhäuser.

Festbrennstoffkessel BURAN-EXTRA 1200
Kesselmaterialien sind Gusseisen oder Stahl. Ein Wärmetauscher aus Gusseisen ist langlebiger, kann jedoch aufgrund seines hohen Gewichts schwierig zu installieren sein. Stahlwärmetauscher bestehen aus Stahl verschiedener Qualitäten von minderwertig bis hochwertig und sind beständig gegen hohe Temperaturen. Darüber hinaus sind Stahlkessel häufig vor Schamottesteinen geschützt.
Meistens werden Kessel mit Top-Brand auf Holz betrieben, aber es gibt Modelle, in denen Sie Kohle, Torfbriketts, Späne und andere Brennstoffe stapeln können.
Der Wirkungsgrad der Kessel beträgt 85-93%. Nach Angaben der Hersteller beträgt die Betriebszeit des Gerätes nach einer Ladung Brennholz 8 bis 31 Stunden und bei Kohlen bis zu 5 Tagen. Ein durchschnittlicher billiger Kessel erzeugt Wärme innerhalb von 5-8 Stunden.
Wasserheiztemperatur 70 0 C auf Holz und 85 0 C auf Kohle. Die empfohlene Einlasstemperatur beträgt 60 0 C. Das Heizsystem kann entweder eine natürliche oder eine Zwangszirkulation sein.
Einen Kessel für langes Brennen machen
Um die Installation mit Ihren eigenen Händen durchführen zu können, benötigen Sie St 20-Stahl. Die daraus hergestellte Installation dauert mindestens 15 Jahre. Mit einer größeren Menge an Kohlenstoff in Stahl kann das Material heiß-heiß sein, so dass es nicht für die Herstellung geeignet ist. Wenn möglich, können Sie hitzebeständigen Stahl kaufen, der mit Molybdän oder Chrom legiert ist. Aus der Tabelle können Sie herausfinden, welche Rohlingsgrößen für die Herstellung des Geräts erforderlich sind.


Größen von Werkstücken
Um das Material zu schneiden, gehen Sie am besten in eine Werkstatt mit Guillotinenschere. Es gibt keine Grate in den Teilen, es wird viel Zeit gespart. Sie benötigen außerdem die folgenden Details:
- Gleiche Ecke 50x4 mm. Es wird benötigt, um Gitter zu machen.
- 2 Rohre: DN50 und DN Das erste für den Wärmetauscher und die Rohre, an die die Heizsysteme angeschlossen werden. Der zweite ist für den Schornstein.
- Rohr 60x40 mm für den Luftkanal.
- Stahlband 20x3 mm.
- Basaltisolierung.
- Stifte.
- Asbestkarton und -schnur.
Sie benötigen auch Werkzeuge zum Metallschweißen, Schneiden und einige andere, die in jedem Haus verfügbar sind.


Lüfter und Steuergerät
Der Minenkessel verwendet eine Steuereinheit, einen Lüfter und einen Temperatursensor. Es lohnt sich, polnische Produkte zu finden, die den chinesischen sehr ähnlich sind, sich jedoch in Verarbeitungsqualität und Lebensdauer erheblich unterscheiden. Kennzeichnung der Steuereinheit - KG Elektronik SP-05, Lüfter - DP-02.
Vor- und Nachteile von Festbrennstoffkesseln für die obere Verbrennung
Hochbefeuerte Kessel versorgen die Anwender seit über 15 Jahren mit Wärme. In dieser Zeit haben sie ihre Wirksamkeit vollständig bestätigt, was durch folgende Faktoren sichergestellt wird:
- Wenn der Kraftstoff geladen ist, steigt der Verteiler an und ruht nach dem Zünden auf dem Holz und fällt beim Ausbrennen.
- An der Stelle, an der Luft eintritt, tritt eine unvollständige Oxidation der Kohlenwasserstoffe auf. Gas mit Aschepartikeln wird in den oberen Teil der Brennkammer übertragen. Dort verbindet sich Sauerstoff mit ihm, wodurch er ausgebrannt wird und die verbleibende Wärme abgibt;
- Am Anfang der Gasbrennkammer befindet sich ein Zugluftregler. Es erkennt automatisch die Wassertemperatur und reguliert die Verbrennungsgeschwindigkeit flüchtiger Verbindungen.
Die Kessel haben folgende Vorteile:
- lange Betriebszeit und minimale Anzahl von Downloads;
- Energieunabhängigkeit durch Arbeit mit natürlichem Kreislauf und natürlichem Luftzug;
- die Vielseitigkeit einiger Einheiten in Bezug auf Brennstoff: Kohle, Brennholz, Späne, Torf usw.;
- Eine kleine Menge Kraftstoff kann einen hohen Wirkungsgrad liefern.
- automatisierter kontinuierlicher Betrieb des Kessels zur Zufuhr von heißem Wasser und Wärme;
- Das Fehlen komplexer Mechanismen macht den Kesselbetrieb auch für Anfänger einfach.
- hohes Sicherheitsniveau;
- lange Lebensdauer von 10-15 Jahren oder mehr.


Der obere Verbrennungskessel hat ein hohes Maß an Sicherheit
Nachteile von Festbrennstoffkesseln mit Toplader:
- hohe Kosten im Vergleich zu anderen Installationen;
- Empfindlichkeit gegenüber Änderungen der Wärmetauschertemperatur. Kondensation und Oxidation von Stahlelementen sind möglich;
- Ein erhöhter Aschegehalt kann die Verbrennungszone verstopfen und die Wärmeübertragung verringern.
- Der Schornstein und die Aschenwanne müssen regelmäßig manuell gereinigt werden.
- unbequemes Verlegen von Brennholz aufgrund von Konstruktionsmerkmalen;
- Sie können keinen großen Kraftstoff laden, z. B. kein gehacktes Brennholz.
- Der Kraftstoff muss vollständig trocken sein, daher müssen Sie über die Bedingungen für die Lagerung nachdenken.
- unvollständiges Laden macht das Starten unpraktisch; der Feuerraum ist tief genug;
- Es ist unmöglich, ein zusätzliches Laden durchzuführen, wenn der Prozess bereits ausgeführt wird.
- Der Stützbalken und die Scheibe, die als Trennwand zwischen den Verbrennungszonen von festem Brennstoff und Gas dienen, fallen schnell aus.
Wie Sie sehen können, weisen Festbrennstoffkessel für die obere Verbrennung keine Nachteile auf. Wägen Sie daher vor dem Kauf eines solchen Geräts die Vor- und Nachteile sorgfältig ab.
PRINZIPARBEITEN UND ÜBERBLICK ÜBER HERSTELLER
In einigen Fällen bleibt ein Festbrennstoffkessel die einzig praktikable Möglichkeit, einen privaten Ohm zu heizen. Klassische Designs haben jedoch einen sehr unangenehmen Nachteil: Sie müssen ständig die Brennstoffmenge überwachen und Brennholz oder Kohle in den Ofen werfen. Er zögerte ein wenig oder war verspätet und das Kühlmittel beginnt sich abzukühlen.
Sie können eine Gewohnheit entwickeln, einen starren Zeitplan erstellen, um eine konstante Erwärmung sicherzustellen, oder Sie können einen Festbrennstoffkessel für lange Verbrennung wählen, der auf äußerst einfache Weise bis zu mehreren Tagen auf einer Lasche arbeiten kann.


Funktionsprinzip und Gerät
Traditionell verwendeten Festbrennstoffkessel wie Öfen und Kamine die aktive Verbrennung von Holz oder Kohle. Durch die kontrollierte Luftzufuhr konnte eine maximale Wärmeübertragung und ein guter Kraftstoffverbrauch erreicht werden. Bei einer zu schnellen aktiven Verbrennung wird jedoch das gesamte im Ofen gespeicherte Brennstoffvolumen verbraucht, aus dem ständig die Menge nachgefüllt werden muss.
Bei Festbrennstoffkesseln für lange Verbrennung besteht die Hauptidee darin, den Verbrennungsprozess von Brennstoff zu verlangsamen. Wenn nur ein Teil des Lesezeichens leuchtet, wird das Gesamtvolumen für einen viel längeren Zeitraum verbraucht.
Zum Beispiel genügt es, sich daran zu erinnern, wie lange ein Streichholz brennt, wenn es mit einer Flamme nach oben angehoben wird, und wie es schnell aufflammt und mit einer nach unten gesenkten Flamme brennt, während Sie sich die Finger verbrennen. Bei Holz und Kohle gilt dieses Prinzip ebenfalls.
Es ist notwendig, den Verbrennungsbereich an einer Stelle des Lesezeichens zu begrenzen und auf dem erforderlichen Mindestniveau zu halten, um zu verhindern, dass sich das gesamte Volumen entzündet.
Langbrennkessel sind mit einer volumetrischen Brennkammer ausgestattet, die um ein Vielfaches größer ist als bei herkömmlichen Konstruktionen. Brennholz oder Kohle werden bis zum oberen Rand der Kammer gefüllt, wobei nur eine kleine Lücke verbleibt. Die Zündung erfolgt von oben auf der Registerkarte.


Die Kammer ist unten isoliert, der Luftstrom wird nur von oben ausgeführt, wenn der Kessel oben verbrannt ist. Nachdem der Brennstoff gezündet ist, brennt der gesamte Sauerstoff aus der Kammer aus und tatsächlich bleibt das Brennholz, das sich unter dem Verbrennungsbereich befindet, erhalten.
Die Luftzufuhr ist kontrolliert und streng begrenzt. Infolgedessen schwelt oder brennt das Holz nur im oberen Teil der Kammer.
Zur Luftzufuhr wird ein spezieller Gebläseventilator verwendet, der anstelle eines Standardtors oder in einem separaten Sitz installiert wird. Nur durch die Steuerung des Gebläses werden der Verbrennungsprozess des Kessels und die Aufbereitung des Kühlmittels vollständig gesteuert, was die Automatisierung des Betriebs von Festbrennstoffkesseln erheblich vereinfacht.
Durch die Methode zur Lokalisierung des Verbrennungsbereichs werden Kessel unterschieden:
- mit brennendem Oberteil;
- mit Bodenverbrennung (Pyrolyse).
Es gibt einen grundlegenden Unterschied zwischen den beiden. Langbrennkessel brennen per Definition von oben, wodurch sichergestellt wird, dass sich das Hauptvolumen des Lesezeichens nicht erwärmt. Bodenkessel sind Pyrolysekessel. Obwohl sie in der Hotelgruppe auffallen, sind sie auch langbrennende Geräte.
Wenn Holz ohne aktive Verbrennung über 300 ° C erhitzt wird, beginnt die Zersetzung von Holz in Asche und Pyrolysegas, wobei Sie brennen, wodurch Sie mehr Wärmeenergie erhalten können als bei einer normalen aktiven Verbrennung, jedoch mit weniger Leistung.
Die aktive Verbrennung ergibt eine signifikant höhere Wärmeabgabe pro Zeiteinheit als die obere oder untere Verbrennung bei gleichem Kraftstoffvolumen. Um die erforderliche Leistung in langbrennenden Kesseln zu erhalten, ist es notwendig, den Bereich der schwachen Verbrennung zu vergrößern, um die in den Ofen eingebrachte Brennstoffmenge zu erhöhen.
Dies hat zwei Hauptvorteile lange brennende Kessel:
- Die allmähliche Verbrennung von Kraftstoff ist leichter zu kontrollieren und die Lesezeichen reichen für eine längere Zeit aus, außerdem ist der Unterschied eine Größenordnung.
- Es ist möglich, die Wärmeabgabe des Kessels mit einem allmählichen Brennstoffverbrauch automatisch zu steuern und zu regulieren.


Das Funktionsprinzip des Pyrolysekessels
In Pyrolysekesseln ist zusätzlich eine Kammer zum Verbrennen des freigesetzten Gases ausgestattet. Die Luftzufuhr erfolgt getrennt von der Hauptkammer mit einer Verfüllung, daher ist es möglich, dort eine aktive Verbrennung mit einer großen Wärmeabgabe pro Zeiteinheit aufrechtzuerhalten.
Langbrennkessel mit oberer Verbrennung sind oft nicht mit Rosten ausgestattet, da keine Luft von unten zugeführt werden muss und es einfacher ist, Asche mit einer einziehbaren festen Pfanne zu entfernen. Darüber hinaus sollte dies fast alle paar Wochen erfolgen. oder sogar einen Monat.
Nur kombinierte Kessel und Pyrolysekessel sind mit Rosten ausgestattet, in denen Sie neben dem langen Brennen die übliche klassische Arbeitsweise mit vollständigem und gleichmäßigem Brennen des Lesezeichens einrichten können.
Stimmt es, dass der Download einmal pro Woche erfolgt?
In der Tat können einige langbrennende Kessel bis zu einer Woche an einer Betankung von Holz oder Kohle arbeiten.Dies gilt jedoch hauptsächlich für Hochleistungsaggregate mit einer Leistung von 150 kV und bis zu mehreren Megawatt. Ein herkömmlicher Kessel für ein Privathaus ist häufiger für den Dauerbetrieb auf einer Lasche für bis zu 30-45 Stunden, dh bis zu zwei Tagen, ausgelegt.
Das Hauptproblem ist die zulässige Größe der Brennkammer bei gleichzeitiger Aufrechterhaltung einer angemessenen Steuerbarkeit des gesamten Prozesses. Es ist notwendig, eine Kompromisslösung zwischen Parametern wie:
- Kammervolumen;
- Kammertiefe;
- Verbrennungsbereich;
- erforderliche Kesselleistung.
Mit einer Vergrößerung des Volumens der Kammer zum Befüllen von Kraftstoff ist es notwendig, die Verbrennungsfläche zu vergrößern, da dies nicht funktioniert, um die Kammer schmal und hoch zu machen. In diesem Fall ist es schwierig, einen aktiven Luftstrom zur Verbrennungszone aufrechtzuerhalten, wenn dieser zu niedrig abfällt.


Es entstehen eine Reihe turbulenter Strömungen, die die Verbrennung über das gesamte Volumen verteilen und den normalen Betrieb des Kessels vollständig beeinträchtigen können.
Die Kesselhersteller gehen zunächst von der erforderlichen Wärmeleistung des Kessels aus, und zwar bereits Auf dieser Basis werden die Abmessungen der Brennkammer als Kompromisslösung ausgewählt.
Kohlekessel arbeiten länger auf einer Lasche als auf Holz. Wenn der Kessel beispielsweise so ausgelegt ist, dass er 17 Stunden lang mit einer Kohlenladung betrieben wird, arbeitet er beim Verlegen des Brennholzes höchstwahrscheinlich nur 14 bis 15 Stunden bei gleicher Wärmeabgabe.
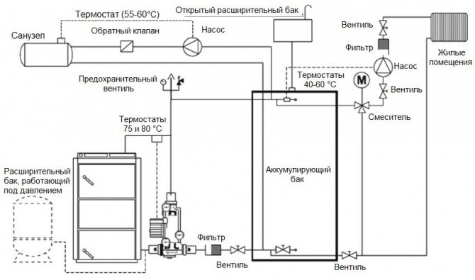
Doppelkreislauf oder mit einem Wasserkreislauf für zu Hause
Festbrennstoffkessel für lange Verbrennung können mit einem oder zwei Wärmetauschern ausgestattet werden, um das Kühlmittel für das Heizsystem und die Warmwasserversorgung vorzubereiten. Gleichzeitig gibt es keine grundsätzlichen Unterschiede zum Design herkömmlicher Festbrennwale. Die Stromkreise können in einem Bithermalwärmetauscher zusammengefasst oder getrennt voneinander angeordnet werden.
Der Typ und die Konfiguration des Wärmetauschers werden vom Hersteller anhand der Abmessungen und der Form des Ofens ausgewählt, um die Nutzung der Wärmeenergie für den vorgesehenen Zweck zu maximieren.
Langbrennkessel arbeiten mit einem geringeren Luftvolumen und einer niedrigeren Temperatur der austretenden Verbrennungsprodukte. Wärmetauscher werden mit der größtmöglichen Wärmeaustauschfläche hergestellt.
Der Vorteil von langbrennenden Kesseln besteht in der Möglichkeit, die Wärmeleistung der Verbrennung nur durch Einstellen der Luftzufuhr unabhängig von der Menge des geladenen Brennstoffs zu steuern und zu regulieren.
Wenn es bei gewöhnlichen Kesseln erforderlich ist, die Anteile an Brennholz oder Kohle zu begrenzen und häufiger Lesezeichen zu setzen, um die Temperatur des Kühlmittels zu senken, reicht es bei langbrennenden Kesseln aus, den Luftstrom so zu begrenzen, dass das Brennholz schwelt nur.
Ukrainische Produktion
Unter den ukrainischen Herstellern beschäftigen sich folgende Unternehmen mit der Herstellung langbrennender Festbrennstoffkessel: Altep, Buran, Gefest-profi, KOTeko, NEYS, SWaG, Donterm.


Altep KT-1E Kessel
Teilweise präsentierten sie ihre eigenen Entwicklungen, jedoch wiederholen die Modelle angesichts der größeren Erfahrung europäischer Hersteller teilweise oder vollständig die erfolgreichen Lösungen westlicher Partner, oder es wird eine lizenzierte Montage auf der Grundlage regionaler Werke und Unternehmen angeboten.
| Marke und Modell | Leistung | Verbrennungsart | Treibstoff | Arbeitsdauer | Kosten, $ |
| Altep KT-1E 15-45 KW | 15 | Top brennt | Brennholz / Kohle | 8-24 h | 950 |
| Buran-12 | 12 | Top brennt | Brennholz / Kohle / Briketts / Abfall | bis zu 30 h | 975 |
| Buran -20 Delux | 20 | Top brennt | Kohle / Brennholz / Briketts | Kohle-12 Tage, Brennholz-48 h Briketts - 72 h | 1200 |
| SWaG 20 kW Dm | 20 | Top brennt | Kohle / Brennholz / Pellets | Kohle - bis zu 5 Tage. | 1050 |
| NEYS NEUS-B | 10-38 | Top brennt | Kohle / Brennholz / Pellets | 8-24 h | 750-1200 |
| Donterm DTM KOT-10T | 10 | Top brennt | Kohle / Brennholz / Briketts | Bis zu 48 h | 450 |
Russische Produktion
Festbrennstoffkessel der russischen Produktion werden hauptsächlich von einer Reihe von Marken vertreten, während die Anlagen selbst manchmal in denselben Produktionsstätten montiert werden.
Unter den gängigen Marken: Phantom, Teplov, Bourgeois, F.B.R.Zh., Zota, Wester, Don, Sibenergoterm (Prometheus), Tepoldar (Cooper PRO), Buderus.


In fast allen Fällen sind Langbrennkessel oder Pyrolysekessel eine Überarbeitung des klassischen Aufbaus mit einer Erhöhung des Ofens und einer Umstrukturierung des Luftversorgungssystems.
Modelle wie Prometheus oder Zota verfügen jedoch über ein einzigartiges Design des Wärmetauschers und des Abgasentfernungssystems, das speziell auf die Pyrolyse der unteren oder oberen Verbrennung von Kraftstoff ausgerichtet ist.
| Marke und Modell | Leistung, kWt | Verbrennungsart | Treibstoff | Arbeitsdauer, h | Kosten, tausend Rubel |
| Bourgeois-K T-50A | 50 | Pyrolyse / Brennholz | Brennholz | 6-12 | 138/149 Einzelkreis / Doppelkreis |
| Bourgeois-K T-150A | 150 | Pyrolyse / Brennholz | Brennholz | 6-12 | 315/336 Einzelkreis / Doppelkreis |
| ZOTA "Carbon" | 15-60 | Bodenverbrennung / Kohle | Kohle | 10-12 | 40-84 |
| Teplov T10 | 10 | Pyrolyse / Brennholz / Kohle | Brennholz | bis zu 12 | 40/44 Einzelkreis / Doppelkreis |
| Teplov T100 | 100 | Pyrolyse / Brennholz / Kohle | Brennholz | bis zu 12 | 190/210 Einzelkreis / Doppelkreis |
| Phantom Max 30a | 30 | Pyrolyse | Brennholz | bis zu 20 | 100 |
| Phantom Max 90 a | 90 | Pyrolyse | Brennholz | bis zu 20 | 236 |
Kessel Stropuva
Das seit 2000 in Litauen gegründete Unternehmen Stropuva produziert Langbrennkessel und vorgefertigte Lösungen für autonome Heizsysteme mit automatischer Steuerung. Kessel aufgrund des deutlich vergrößerten Volumens der Brennkammer ein spezifisches Erscheinungsbild habendarüber hinaus größtenteils nach oben.
Die Form eines jeden Modells ist ein hoher Zylinder, in dem eine Volumenkammer, ein Luftversorgungssystem und Wärmetauscher für den Heizungs- und Warmwasserkreislauf montiert sind. Das Design und die Funktionsweise der Stropuva-Kessel sind patentiert, so dass es kaum möglich ist, ein Analogon zu finden. Auf dem Markt finden Sie jedoch bereits jetzt viele Fälschungen, die stark auf die Eigenschaften und die Qualität der Originale abzielen.
STROPUVA IDEAL Kessel sind eine universelle Lösung für die Arbeit mit Holz-, Kohle- und Brennstoffbriketts. Das Hauptmerkmal ist das Vorhandensein einer perfekten Automatisierung, mit der Sie die Betriebsarten von Heizgeräten mit hoher Genauigkeit einstellen können. Diese Linie umfasst jedoch nur Modelle mit 20 und 40 kW.


Kesselgerät Stropuva
STROPUVA-Kessel sind Universalkessel zur Verbrennung nahezu aller Arten von festen Brennstoffen, von Holzabfällen bis hin zu Koks und Kohle. Teilweise automatisiert, hauptsächlich im Hinblick auf die Aufrechterhaltung eines langfristigen Brennmodus. Die Modellpalette wird durch Kessel mit einer Leistung von 10 bis 40 kW dargestellt.
STROPUVA-Holzkessel sind eine einfache Lösung in Fällen, in denen der Hauptbrennstoff per Definition Holz ist. Die Liste der Modelle beginnt mit einer Leistung von 7 kW als hervorragende Lösung für ein kleines Landhaus oder ein Sommerhaus.
Wie man wählt
Das Hauptkriterium bei der Auswahl eines langbrennenden Kessels ist seine Nennwärmeleistung, außerdem bei Verwendung der Hauptbrennstoffart.
Danach sollten Sie Folgendes beachten:
- Brennkammervolumen;
- Betriebszeit von einer Last;
- Version und Verfügbarkeit der Automatisierung;
- die Möglichkeit der Verwendung anderer Arten fester Brennstoffe;
- Anzahl und Eigenschaften der Wärmetauscher.
Es lohnt sich nicht, mit der Brennstoffladung zu rechnen, die in Kesseln für ein Privathaus eine Woche lang anhält. Die optimale Akkulaufzeit liegt zwischen 17 und 45 Stunden, was für den privaten Gebrauch durchaus geeignet ist.
udobnovdome.ru
Nuancen der Steuerung des oberen Verbrennungskessels
Bei langbrennenden Kesseln mit oberer Verbrennung ist das Hauptsteuerprinzip die Regulierung der Luftströme, die in die Brennkammer eintreten. Die Standardeinheiten sind hierfür mit einer mechanischen Vorrichtung ausgestattet. Der kettengetriebene Dämpfer wird von einem Thermostat betätigt.
Der Thermostat im Kessel ist auf einen bestimmten Temperaturbereich eingestellt.Wenn sich das Heizmedium auf das erforderliche Niveau erwärmt, wird der Dämpfer automatisch auf eine bestimmte Position eingestellt, wodurch die Heizintensität verringert wird. Es ist unmöglich, die Temperatur drastisch zu senken, weil Das Kühlmittel erwärmt sich weiterhin durch Trägheit und erwärmt den Raum.
Geräte mit Lüftern funktionieren etwas anders. Wenn Sie die Kraft der Wärmeübertragung erhöhen müssen, kann dies genau auf Kosten des Lüfters erfolgen. Das Gerät bläst Luft. Dadurch ist es möglich, die Trägheit des Kessels zu reduzieren. Die Steuerung erfolgt automatisch und die Sensoren erfassen die geringsten Temperaturänderungen des Kühlmittels.
Materialien zur Montage eines Wellenkessels
Um eine Pyrolyseeinheit vom Minentyp mit Ihren eigenen Händen herzustellen, müssen Sie Folgendes vorbereiten:
- Stahlbleche mit einer Dicke von 3-5 Millimetern. Sie sollten keine andere Stahlsorte verwenden, da die Pyrolyse bei hoher Temperatur stattfindet und eine herkömmliche Legierung schnell ausbrennt.
- Stahlblech mit einer Dicke von 1 bis 2 Millimetern.
- Schamottestein.
- Rohre mit einem Durchmesser von 25 und 135 Millimetern.
- Ecken 4x4 Zentimeter oder ein gleich großes Profilrohr.
- Doppelte Aschetür, vorzugsweise mit einer Asbestdichtung.
- Ein Ventil zur Regelung der Luftzufuhr.
- Eine Tür zum Reinigen der Wärmetauscherkammer.
- Absperrschieber - 3 Teile: Einer wird für den Schornstein benötigt, der zweite befindet sich zwischen den Kammern der Trennwand und der dritte wird benötigt, um den Luftstrom in die Brennkammer zu regulieren.
- Basaltwolle.
- Verzinkte Platte.


Bevor Sie jedoch Baumaterial einkaufen, sollten Sie die Mindestleistung des Geräts berechnen. Dann beginnen sie, die Zeichnungen dieses Geräts zu entwickeln.
Sie können vorgefertigte Berechnungen und Kesseldiagramme verwenden. Bei der Auswahl einer Zeichnung sollte besonders auf das Volumen des Verbrennungsraums geachtet werden. Je größer dieser Wert ist, desto länger ist die Verbrennung.
Bewertung der besten oberen Verbrennungskessel
Derzeit hat die Produktion von Festbrennstoffkesseln erheblich zugenommen, und viele Modelle ausländischer und inländischer Unternehmen werden den Verbrauchern zur Auswahl gestellt. Werfen wir einen Blick auf die besten.
Stropuva
Die Kessel der bulgarischen Firma Stropuva sind kompakte Einheiten mit hohem Wirkungsgrad. Die Geräte sind mit einem Gebläse ausgestattet. Der zylindrische Körper hat eine Wellenstruktur. Die Geräte zeichnen sich durch hervorragende Leistung bei gleichzeitig hervorragendem Design aus. Universalkessel können mit Holz, Torf oder gepressten Briketts beheizt werden. Die Leistung der Modelle beträgt 8-40 kW, die beheizte Fläche beträgt 30-400 qm. Der zulässige Feuchtigkeitsgehalt des Kraftstoffs kann 45% erreichen, was den modernen Anforderungen voll und ganz entspricht.
Liepsnele
In Litauen werden langbrennende Kessel mit festem Brennstoff eines universellen Typs hergestellt, d. H. Mit einem beliebigen Brennstoff betrieben. Die Leistung der Geräte variiert im Bereich von 10-40 kW, die beheizte Fläche beträgt bis zu 400 m². Die maximale Betriebszeit bei einer Kohlenverlegung beträgt bis zu 7 Tage, Brennholz - bis zu 2 Tage. Das Design der Kessel ist ein klassischer Minentyp mit Top-Verbrennung. Liepsnele-Kessel haben einen hohen Wirkungsgrad von mindestens 90%, unabhängig von der Brennstoffart und der Wahl der Betriebsart.
Woche
Die Kessel haben eine rechteckige Form, ein attraktives Design und kompakte Abmessungen. Für eine vollständigere Wärmeabfuhr sind Kanäle vorgesehen, durch die erwärmte Rauchgase strömen. Russische Top-Kessel, die bis zu 7 Tage mit einer Kohlenladung betrieben werden können.


Kesselwoche
Das Unternehmen Nedelka bietet vier Kesselvarianten mit unterschiedlichen Kapazitäten an, wobei davon ausgegangen wird, dass Räumlichkeiten unterschiedlicher Größe beheizt werden: 50-250 m², 150-400 m², 400-800 m², 800-2000 m² .
Für die Warmwasserbereitung eines Privathauses wurden viele Designs von Heizgeräten entwickelt. Minenkessel zeichnen sich durch Effizienz und geringen Wartungsaufwand aus.Ihre Kosten sind ziemlich hoch, so dass viele Handwerker Fabrikmodelle zu Hause wiederholen oder sie nach ihrem eigenen Design herstellen.
Ein Minenkessel mit langer Verbrennung unterscheidet sich von anderen in der Dauer der Verbrennung und in den Eigenschaften des Geräts. Oft ist es nicht erforderlich, Kraftstoff hinzuzufügen, es hat eine große Kraftstoffkammer und die Verbrennung ist langsam. Es wurden zwei Arten von Minenkesseln entwickelt: mit konventioneller Verbrennung und Pyrolyse. Jede hat eine ähnliche Vorrichtung mit zwei Kammern: Eine verbrennt Kraftstoff, die andere hat einen Wärmetauscher.
Ein Minenkessel mit konventioneller Verbrennung ist einfacher aufgebaut. Die Hälfte des gesamten Volumens wird von einem Feuerraum mit einer Höhe von fast der gesamten Einheit, aber einer geringen Breite und Tiefe eingenommen. An der Seite oder oben befindet sich eine Luke zum Laden von Kraftstoff. Von oben betrachtet ähnelt die Brennkammer einer Mine, daher der Name. Unter der Brennkammer befindet sich eine Aschenwanne, die durch einen Rost von dieser getrennt ist. Durch die Aschenbechertür öffnet sich nicht nur der Zugang, sondern auch der Feuerraum. Der Lufteinlass wird durch ein Tor unter der Tür geregelt.


Der Minenkessel benötigt aufgrund seiner Brenndauer keine spezielle Steuerung
Der zweite wichtige Teil ist eine Kammer mit einem mit Wasser gefüllten Wärmetauscher oder, wenn der Kessel nicht zur Warmwasserbereitung verwendet wird, ein Feuerrohr. Gase treten durch das Loch aus dem Feuerraum ein und durch den Schornstein aus, wobei gleichzeitig der Wärmetauscher erwärmt wird. Von dort gelangt Wasser durch Rohre in das System oder heiße Luft erwärmt den Raum.
Ein Pyrolysekessel vom Schachttyp hat ein ähnliches Design, wird jedoch mit einigen zusätzlichen Elementen hergestellt:
- 1. Kammern, in denen Kohlenmonoxid brennt und ausbrennt. Die Wände befinden sich am unteren Rand des Wärmeaustauschraums und sind mit Schamottesteinen ausgekleidet.
- 2. Mehrere Rohre mit vielen kleinen Löchern. Durch sie wird Luft für die Brennkammern und die Nachverbrennung zugeführt.
- 3. An der Oberseite der Wand befinden sich Ventile zum Trennen der beiden Kammern.
Das Funktionsprinzip des Pyrolysekessels ist etwas anders. Während des Feuerraums ist der Luftstrom begrenzt, eine langsame Verbrennung führt zur Bildung einer großen Menge von Gasen, die in die zusätzlichen Kammern eintreten und ausbrennen. Kessel verbrennen alle festen Brennstoffe: Kohle, Holz, Pellets. Eine Ladung Kohle reicht für fünf Tage, Brennholz - nicht mehr als dreißig Stunden. Aufgrund der vollständigen Verbrennung haben solche Kessel einen hohen Wirkungsgrad - bis zu 90%.
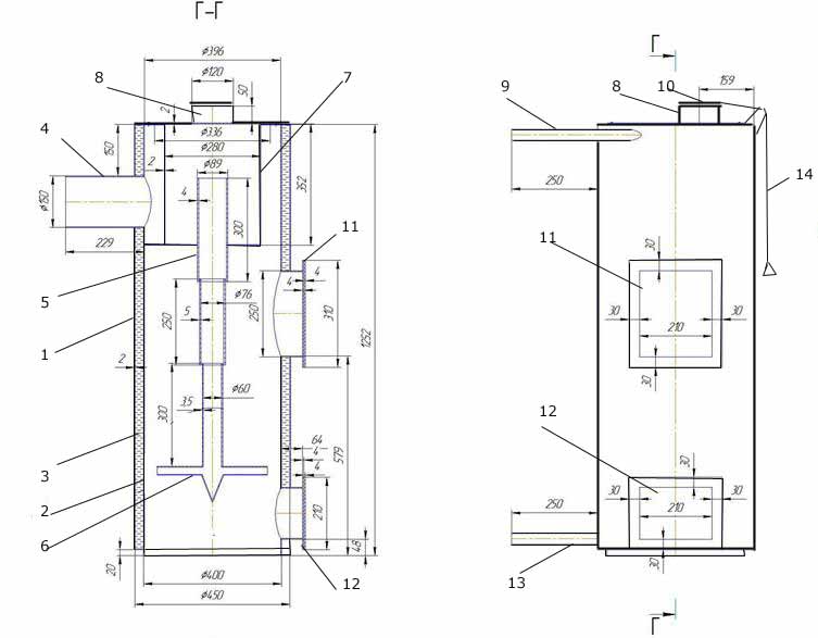
Das vorgeschlagene Design hat eine Leistung von 22 kW, einen Wirkungsgrad von 75%. Es arbeitet 10 Stunden lang ohne zusätzliche Belastung auf Holz, einen Tag lang auf Kohle. Der Feuerraum hat ein Volumen von 83 Litern bis zum unteren Rand der Ladeöffnung. Der Kessel ist mit einer in Polen hergestellten Automatik ausgestattet: einem Steuergerät mit einem Temperatursensor KG Elektronik SP-05 und einem DP-02-Lüfter. Die Gesamtansicht ist in der Zeichnung dargestellt.


Das Gerät funktioniert wie folgt:
- 1. Brennholz wird in den Feuerraum geladen und in Brand gesetzt. Die Türen sind hermetisch geschlossen.
- 2. Die erforderliche Heiztemperatur wird am Steuergerät auf mindestens 50 ° eingestellt. Die Gerätetaste wird gedrückt und der Lüfter beginnt Luft zu blasen.
- 3. Wenn die eingestellte Temperatur erreicht ist, stoppt die Luftzufuhr durch den Lüfter. Brennholz schwelt langsam, sie geben sehr wenig Wärme ab.
- 4. Nach einer Weile sinkt die Temperatur. Der Lüfter schaltet sich wieder ein und die Verbrennung geht weiter.
Die elektronische Einheit regelt den Verbrennungsprozess, der mit maximaler Effizienz stattfindet. Es gibt praktisch keine schwelenden, intensiven Verbrennungs- und Standby-Modi.
Die folgende Abbildung zeigt eine Innenansicht.


Festbrennstoff wird nach dem klassischen Schema verbrannt: Die Wärme wird direkt auf die Wände des Wassermantels und das Dach des Tanks übertragen. Es verfügt über einen eingebauten Wärmetauscher, der Gasen Wärme entzieht. Erhitzte Luft wird durch den Luftkanal von unten in den Feuerraum geleitet. Der in großen Mengen geladene Brennstoff sorgt für eine lange Betriebszeit des Kessels.Während des Wartens, wenn sich der Lüfter ausschaltet, wird die Luft durch einen Gravitationsdämpfer, der durch die Automatisierung ausgelöst wird, vollständig blockiert. Der natürliche Luftzug wird blockiert.
Die Zeichnung zeigt die Rückseite mit einem Flammenrohrwärmetauscher.


Bei der Montage mit eigenen Händen verwenden wir die Zeichnungen, wir halten uns an die angegebenen Maße. Die Reihenfolge ist wie folgt:
- 1. Schneiden Sie den Körper aus 4 mm Metall aus: Boden, Seitenwände, Deckel, Türen. Alles klebt am Boden, der wie in der Zeichnung seitlich freigegeben wird. Im Inneren befestigen wir die Ecken durch Schweißen, das als Regal für den Rost dient.
- 2. Schweißen Sie die Verbindungen vorsichtig und fahren Sie mit einem 3 mm Metallwassermantel fort. Es zieht sich 20 mm von den Wänden des Körpers zurück und um es zu installieren, schweißen wir Stahlbänder an den Körper. Wir schweißen die Haut an sie.
- 3. Installieren Sie die Flammenrohre oben auf dem Kessel. Wir schneiden Löcher in die Rück- und Vorderwände, führen mehrere Rohre ein und schweißen an den Enden.
- 4. Schneiden Sie die Türen aus, schweißen Sie zwei Streifen von innen und legen Sie zum Abdichten Asbest dazwischen. Wir schneiden die Roste von 360 × 460 mm aus den Ecken und schweißen sie mit einer äußeren Ecke an die Regale.
- 5. In den Wänden des Tanks schneiden wir die Armaturen an den Vor- und Rücklaufleitungen, dem Abzweigrohr des Rauchkanals. Wir schweißen einen Luftkanal aus einem 40 × 60 mm Profilrohr. Ein Lüfter wird durch den Flansch daran befestigt. Der Lufteinlass erfolgt durch die Rückwand.
- 6. Wir befestigen die Türscharniere und Laschen zur Befestigung des dekorativen Rahmens. Wir wickeln den Kesseltank mit Basaltisolierung ein und befestigen ihn mit einer Schnur. Wir befestigen den Rahmen mit selbstschneidenden Schrauben an den Laschen, montieren die Türen.
Arbeitsprinzip
Die Besonderheit des Betriebs horizontaler und vertikaler Strukturen besteht darin, dass beim Verbrennen von Kraftstoff Luft erwärmt wird, die beim Aufsteigen durch den Schornstein abgegeben wird. Gleichzeitig wird bei der Wärmeübertragung von der erwärmten Luft kaltes Wasser im Wärmetauscher erwärmt.


Es gibt auch eine andere Art von Wärmeerzeuger in Form eines Minenkessels. Diese Konstruktion unterscheidet sich von den anderen in der vertikalen Anordnung der großen Ladekammer. Gleichzeitig verbrennt der Brennstoff am Boden der Mine und heiße Luft und Rauch treten durch die zweite Kammer aus, in der sich der Wärmetauscher befindet.
Was wird benötigt
Zunächst lohnt es sich, die Abmessungen des zukünftigen Festbrennstoffkessels zu bestimmen und das am besten geeignete Design auszuwählen. Wenn Sie alle Aspekte des Baus von Ziegelwärmeerzeugern kennen, können Sie natürlich alles selbst entwerfen und bauen.
In Ermangelung angemessener Kenntnisse ist es jedoch besser, eine Option aus den im Internet präsentierten sorgfältig zu lesen und auszuwählen.
Es ist sofort erwähnenswert, dass Sie beim Bau eines Festbrennstoffkessels aus Ziegeln mit Ihren eigenen Händen Schweißarbeiten durchführen müssen, da der Wärmetauscher aus Rohren oder Blech besteht.
Wenn Sie möchten, können Sie einen fertigen Wärmetauscher in einem Fachgeschäft kaufen, dann können Sie auf das Schweißen verzichten.
Material
Aus den Materialien für den Bau eines Festbrennstoffkessels aus Ziegeln benötigen Sie also:
- Zement- und Fundamentverstärkung. Wenn ein Ziegelfundament geplant ist, ist eine zusätzliche Menge an Ziegel- und Kieselbruch erforderlich.
- Schamottsteine und Mörtel zum Verlegen des Ofens.
- Rohre und Bleche für den Wärmetauscher.
- Türen und Rost.
- Wasserpumpe.
- Wasserheizgerät.
Sie benötigen außerdem Tools wie:
- Schweißgerät.
- Schleifmaschine, Gasschneider, Bohrmaschine.
- Ein Marker, der zum Markieren von Blechen verwendet wird.
- Füllstand, Zange und Maßband.
Vergessen Sie außerdem nicht die persönliche Schutzausrüstung in Form von Handschuhen, Brillen und einer Maske, um sich während der Arbeit zu schützen.
Vorbereitung des Wärmetauschers
Um einen Ziegelkessel mit Ihren eigenen Händen zu bauen, müssen Sie zuerst einen Wärmetauscher vorbereiten, damit Sie die Abmessungen für die Brennkammer daraus entfernen können. Das heißt, Sie müssen entweder einen vorgefertigten Wärmetauscher kaufen oder ihn selbst entwerfen.


Wenn Sie sich beispielsweise für einen horizontalen Wärmetauscher aus Rohren entscheiden, benötigen Sie:
- Bereiten Sie zunächst Rohrabschnitte der erforderlichen Größe vor.
- Ferner werden in den Eckpfosten Löcher aus dem rechteckigen Rohr herausgeschnitten, mit deren Hilfe die Querrohre verbunden werden. Die Löcher werden mit einem Durchmesser von 50 mm am Rand von 60 mm hergestellt. Insgesamt gibt es 4 Löcher in jedem Rack. 2 weitere Löcher sind in die Vorderwand gemacht. Eine erfolgt von unten und ist für die Rücksendung erforderlich. Die zweite von oben dient zur Warmwasserableitung.
- Danach müssen Sie die Streben in einem Winkel von 90 Grad an die Querrohre schweißen.
- Die Unterwasser- und Abzweigrohre werden ebenfalls geschweißt, und dann werden die Enden der rechteckigen Rohre geschweißt.
Ein horizontaler Wärmetauscher kann auch aus Stahl und Rohren hergestellt werden. Das Prinzip der Ausführung aller Arbeiten ähnelt der oben beschriebenen Option, außer dass in diesem Fall die Eckpfosten sowie die Längsrohre durch Hohlwände ersetzt werden.
Ein vertikaler Wärmetauscher bietet nicht nur die Möglichkeit, Wärme in den Raum zu übertragen, sondern es ist auch möglich, einen Ofen mit einem Brenner darauf zu installieren. Die Position des Schornsteins hängt von seiner Anwesenheit oder Abwesenheit ab.
Wenn Sie also einen Brenner installieren möchten, wird das Rohr nur seitlich installiert.
Es gibt noch einen weiteren wichtigen Punkt, der bei der Installation eines Ofens am Ofen berücksichtigt werden muss: Im oberen Teil des Wärmetauschers dürfen sich keine Rohre befinden.
Schrittweiser Aufbau des Kessels
Ein Ziegelkörper für einen Festbrennstoffkessel wird wie ein herkömmlicher Ofen verlegt. Die Abmessungen sowohl des Gehäuses als auch des Wärmetauschers hängen von den Abmessungen des beheizten Bereichs ab.
Darüber hinaus muss das Kesselrohrleitungsschema entsprechend der Komplexität des Systems, der Anzahl der Stromkreise und dem Vorhandensein zusätzlicher Geräte ausgewählt werden.
Um einen Festbrennstoffkessel zu installieren, können Sie die folgenden Schritte ausführen:
- Das Fundament wird auf die Größe des Wärmetauschers gegossen.
- Als nächstes wird eine wasserdichte Schicht aus Dachmaterial auf das Fundament gelegt, auf die eine Ofenlösung aufgetragen wird.
- Dann wird die erste Reihe aus feuerfesten Ziegeln ausgelegt, auf der sich der untere Teil der Ofenkammer und eine Aschenwanne mit einer durch einen Rost getrennten Tür befinden.
- Ferner ist ein Wärmetauscher an der ausgelegten Basis installiert, so dass es bergauf bis zu dem Punkt geht, an dem heiße Luft angesaugt wird. Um in Zukunft die Bildung von Luftstopfen zu vermeiden, muss zwischen dem Ziegel und dem Wärmetauscher ein Spalt von mindestens 10 bis 30 mm vorhanden sein.
- An der Vorderseite ist eine Tür angebracht, um Kraftstoff in den Feuerraum zu laden, und ein Platz für den Schornstein bleibt zurück.
- Auf die Brennkammer wird ein Kochfeld oder ein dickes Blech gelegt, auf das eine Ziegelschicht gelegt oder das Gewölbe der Kammer ausgelegt wird.
- Der Schornstein kann sich seitlich oder oben in der Brennkammer befinden. Darüber hinaus kann es sowohl aus einem Eisenrohr als auch aus einem Ziegelstein hergestellt werden.
- Ferner ist eine Rauchklappe in den Körper des Schornsteins eingebaut.
- Nachdem das Mauerwerk gut getrocknet ist, können Sie den Wasserkreislauf installieren. Dem Wärmetauscher werden Rohre mit Wasser zugeführt, die über Kupplungen oder Schweißen mit dem Heizkörper verbunden sind.
- Als nächstes wird ein Probelauf des Heizsystems durchgeführt. Wenn alles in Ordnung ist, können Sie den Ofen mit Gips oder Fliesen fertigstellen.
Funktionsprinzip des Holzheizkessels, lange Verbrennung
Die Vorrichtung und das Funktionsprinzip eines Holzkessels für den Langzeitbetrieb mit einer Last zielen darauf ab, solche Bedingungen auf engstem Raum in der Brennkammer wiederherzustellen.Brennholz brennt nicht im vollen Sinne des Wortes, sondern schwelt. Die Betriebszeit erhöht sich und der Wärmemangel wird durch das Nachverbrennen der freigesetzten Gase ausgeglichen.
Die Konstruktion von Langbrennkesseln umfasst die folgenden Einheiten:
- Brennkammer - Das Gerät verfügt über zwei Brennkammern gleichzeitig. Der erste Ofen (mit vertikaler oder horizontaler Beladung) ist für die Holzverbrennung ausgelegt. Die zweite Kammer dient zum Nachverbrennen des erzeugten Kohlendioxids. Um eine vollständige Verbrennung von Gas zu gewährleisten, besteht die Feuerbox aus Schamottesteinen, die Wärmeverluste verhindern und eine Temperatur von ca. 800 ° C aufrechterhalten.


Wie wählt man einen langsam brennenden Holzkessel?
Lang brennende Holzheizkessel werden von mehreren in- und ausländischen Herstellern angeboten. Das Design der Geräte sowie die wärmetechnischen Eigenschaften unterscheiden sich erheblich. Beachten Sie bei der Auswahl eines Wärmeerzeugers die folgenden Parameter:
- Performance.
- Design-Merkmale.
- Herstellerland.
Gemäß den drei oben aufgeführten Parametern wird ein geeignetes Kesselmodell für den Hausbedarf ausgewählt.
Leistungsberechnung
Ein richtig ausgewählter Holzheizkessel für lange Verbrennung kann problemlos mit einer Heizfläche von bis zu 400 - 500 m² fertig werden. Bei der Auswahl wird die Leistung des Wärmeerzeugers berücksichtigt. Die Leistungsberechnung wird wie folgt durchgeführt:
- Berechnen Sie die Gesamtfläche des Hauses.
- Berechnen Sie die benötigte Leistung des Kessels nach der Formel 1 kW = 10 m².
- Wenn in der Struktur ein Warmwasserkreis vorhanden ist, werden 15 bis 20% der Reserve zum erhaltenen Ergebnis addiert.
Die obigen Berechnungen eignen sich für Gebäude mit einem durchschnittlichen Wärmedämmungsgrad, die sich im mittleren Breitengrad Russlands befinden und eine Deckenhöhe von nicht mehr als 2,7 m haben. Für Räume mit einer komplexen Konfiguration, einer großen Anzahl von Fenster- und Türöffnungen werden Berechnungen mit Online-Taschenrechnern durchgeführt.
Merkmale des Betriebs von Holzkesseln mit langer Verbrennung
Die Brenndauer eines Lesezeichens Brennholz beträgt 8 bis 24 Stunden. Die Akkulaufzeit hängt von mehreren Faktoren ab:
- Kesseltyp.
- Kraftstoffqualität.
- Richtige Bedienung.
Es ist viel einfacher zu lernen, wie man den Kessel richtig heizt, als es auf den ersten Blick scheint. Während des Zündens und des weiteren Betriebs erfüllen sie die Anforderungen, die der Hersteller in der technischen Dokumentation angegeben hat. Nach einigen Feuerstellen wird der Vorgang vertraut.


So erreichen Sie lang brennendes Brennholz
Sie können Brennholz langfristig verbrennen, indem Sie die Empfehlungen des Herstellers genau befolgen:
- Brennholz wird bei vollständig geöffneter Klappe gezündet.
- Der Kessel wird erst nach Erreichen der Temperatur von 600 ° C in den Langbrennmodus geschaltet.
- Der Feuchtigkeitsgehalt des Holzes sollte 20% nicht überschreiten. Das Heizen mit Nadelbäumen wird nicht empfohlen.


Verstöße gegen die Betriebsregeln führen zur Bildung von Harz aus dem Holz im Kessel. In den meisten Fällen sind die folgenden Bedingungen nicht erfüllt:
- Die Mindesttemperatur des Kühlmittels am Auslass sollte 65 ° C nicht unterschreiten.
- Es ist richtig, den Kessel mit Hartholzbrennholz zu erhitzen: Espe, Buche, Akazie, Eiche usw.
- Der hohe Feuchtigkeitsgehalt des Holzes führt zu einer reichlichen Freisetzung von Harz.
Der ordnungsgemäße Betrieb von Langbrennkesseln verlängert die Lebensdauer der Geräte und erhöht die Wärmeübertragung.
Wie man Brennholz richtig lädt


Die Zündung erfolgt ausschließlich mit Trockensplittern. Es ist verboten, Benzin oder Kerosin zum Anzünden von Brennholz zu verwenden. Von Zeit zu Zeit wird empfohlen, spezielle chemische Briketts zu verwenden, um teerige Ablagerungen an den Wänden zu entfernen.
Wie viel Brennholz wird für die Wintersaison benötigt?
Die Vorrichtung des Kessels für lange Verbrennung ermöglicht eine Kraftstoffeinsparung von ca. 15-30%, je nach ausgewähltem Modell. Der ungefähre Brennholzverbrauch wird wie folgt berechnet:
- Es ist allgemein anerkannt, dass zum Heizen alle 100 m² 3 Gcal / Monat erforderlich sind.
- Wenn ein Kilogramm Brennholz verbrannt wird, werden 3200 kcal freigesetzt.
- Um 1 Gcal zu erhalten, verbrennen langbrennende Kessel 312 kg Brennholz.
- Um 3 Gcal zu erhalten, benötigen Sie ungefähr eine Tonne Holz.
Während der Heizperiode benötigen Sie 7-8 Tonnen Brennholz, um ein 100 m² großes Haus zu heizen.


Regeln und Vorschriften für die Installation eines langbrennenden Holzkessels
Die Installation eines langbrennenden Kessels erfolgt gemäß den für alle mit Holz betriebenen Kessel geltenden Normen. Berücksichtigen Sie bei den Installationsarbeiten die bestehenden Anforderungen von PPB und SNiP:
- Die Installation erfolgt auf einer festen, nicht brennbaren Basis. Wände und Böden sind mit nicht brennbaren Baustoffen bedeckt.
- Der Schornstein wird in Übereinstimmung mit den Brandabschnitten ausgeführt. An der Verbindungsstelle zur Wand aus brennbarem Material wird eine feuerfeste Isolierung verlegt. Das Material ist mit Stahlblech ausgekleidet.


Die Warmwasserbereitung eines langbrennenden Holzkessels ist an spezielle Auslässe am Kesselkörper angeschlossen. In den Anweisungen wird detailliert angegeben, welches Abzweigrohr zur Vor- und Rückleitung des Wasserkreislaufs führt.


- Ein Kessel mit einer Leistung von mehr als 40 kW wird in einem separaten Raum installiert.
- Flüchtige Kessel sind über einen Stabilisator und eine unterbrechungsfreie Stromversorgung mit der Stromversorgung verbunden. Verwenden Sie unbedingt Maschinen. Die Verbindung wird direkt vom Kontrollraum aus hergestellt.
In dem Raum, der für den Heizraum verwendet wird, ist eine Belüftung mit Vor- und Abluft sowie Tageslicht erforderlich. Bei Bedarf darf der Kessel in den Keller gestellt werden.
















