Wo und wo werden die Kabel am Gaskessel angeschlossen?
Um den Thermostat vom Klemmenblock des Kessels an die Trockenkontaktkontakte anzuschließen, müssen Sie zwei Leiter anschließen.

Gemäß den Anweisungen beträgt der empfohlene Querschnitt der Kupferleiter mindestens 0,75 mm2.


Die Kabellänge zu dem Ort, an dem der Thermostat installiert ist, darf 50 Meter nicht überschreiten.
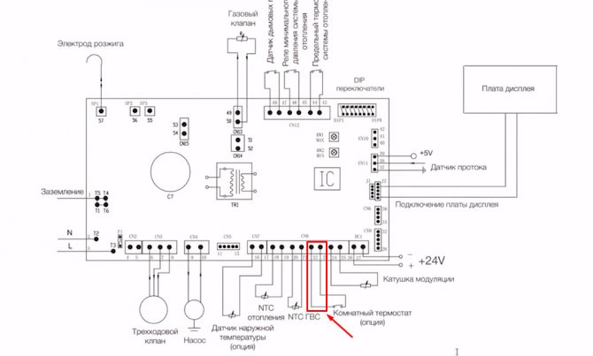
Suchen Sie in den Anweisungen des Herstellers nach den erforderlichen Klemmen am Kessel selbst oder lassen Sie sich von den Beschriftungen auf den Blöcken leiten.
Diese Anschlüsse befinden sich meist auf der Rückseite der Steuerplatine.


Manchmal nehmen Hersteller sie jedoch aus dem Board.


Einige Installateure schließen hier während der Installation ein Kabel an und ziehen es heraus, damit der Verbraucher in Zukunft nicht mehr auf die Platine klettert und dort nichts verwirrt. Da der Thermostat noch nicht installiert ist, sind die Kabelenden kurzgeschlossen.
Seien Sie übrigens vorsichtig mit diesem Remote-Block. Einige Verbraucher wie Protherm (Proterm) standen vor dem Problem der Verwicklung von Fabrikdrähten.


Infolgedessen begann alles so zu funktionieren, wie es sollte, nur mit der umgekehrten Verbindung.


Zu Beginn befindet sich zwischen den Klemmen ein Jumper. Wenn der Jumper defekt ist, funktioniert der Gaskessel einfach nicht mehr.


Wenn der Thermostat angeschlossen ist, wird die Werksbrücke zerlegt und ein Kabel an die Stelle gelegt, an der der Thermostat installiert ist. Am wichtigsten ist, dass keine internen Einstellungen am Kessel geändert werden müssen.
Über diese Kontakte wird ein Niederspannungs-Steuerimpuls (normalerweise 24 V) geliefert.
Wir haben ein Steuergerät (Thermostat) und einen Slave (Kessel). Zwischen ihnen wird ständig eine Reihe von Anfragen-Antworten über eine Niedrigstromleitung übertragen.


Das Funktionsprinzip ist hier einfach: Durch Schließen des Trockenkontakts ermöglichen wir den Betrieb des Kessels, durch Öffnen unterbrechen wir die Datenübertragung und verbieten sie. Das Schließen und Öffnen erfolgt über das Thermostatrelais, abhängig von der am Gerät eingestellten Temperatur und dem Vergleich der Stromanzeigen im Raum.
Bei Auslösung wird zuerst der Brenner ausgeschaltet, dann nach einem bestimmten Intervall (Pumpenstartzeit) und die Umwälzpumpe. Obwohl in verschiedenen Modellen, kann der Pumpenbetriebsalgorithmus unterschiedlich sein.
Eine der Algorithmusvarianten


Es ist nicht ratsam, die Pumpe sofort nach dem Auslösen des Thermostats auszuschalten. In diesem Fall stellen Sie den Überlauf im Menü auf 5 bis 10 Minuten ein. Dann kühlt sich das gesamte Heizsystem gleichmäßig ab und die Zeitintervalle für den automatischen Betrieb verlängern sich.
Bei teuren Modellen, die das OpenTherm-Protokoll unterstützen, kann ein Remote-Programmierer verwendet werden, um viele der integrierten Parameter des Kessels zu steuern und nicht nur ein- und auszuschalten.
Hier sind veranschaulichende Beispiele für den Anschluss des Thermostats für verschiedene Kesselmodelle:
BaxiBoschElectroluxVaillantJunkersBuderusViessmanFerroliAtronAlpha CalorImmergas
Was passiert, wenn der Thermostat ausfällt? Wie verhält sich der Kessel in diesem Fall?
Es hängt alles von der Position ab, in der der trockene Kontakt verbleibt. Wenn geschlossen, passiert nichts Schlimmes. Der Kessel wird einfach gemäß seinem letzten voreingestellten Programm in Betrieb genommen.
Wenn geöffnet, startet die Heizung nicht und funktioniert nicht.
Bitte beachten Sie, dass der Thermostat den Betrieb des Brenners im Heißwassermodus nicht beeinträchtigt.
Die Spannung von 220 V wird an die Leistungskontakte der Thermostatphase und Null (L und N) angelegt. Dies kann entweder an einem separaten Auslass oder Verteilerkasten oder direkt am Kessel selbst erfolgen.


Bei einem Regler mit trockenen Kontakten spielt es keine Rolle, wo die Phase oder Null beginnen soll, aber bei Modellen für elektrische Fußbodenheizung spielt dies eine wichtige Rolle für das Thema Betriebssicherheit.
Wenn die Verbindung nicht korrekt ist, bricht nur der Neutralleiter und die Phase am Heizkabel ist ständig in Betrieb.
Mechanischer oder elektronischer Thermostat
Übrigens können Sie für einen Gaskessel einen anderen einfachen Reglertyp verwenden, der nicht einmal mit einer Spannung von 220 V versorgt werden muss. Zum Beispiel der mechanische Thermostat Termec Emmeti oder andere ähnliche Modelle.


Hier ist der "übliche" Termec-Schaltplan.


Sie müssen nur die normalerweise geschlossenen Kontakte 1 und 3 verwenden, um die 220-V-Änderung (L und N) vollständig zu eliminieren.


Der eingebaute Sensor öffnet und schließt den internen Kontakt, wenn sich die Temperatur im Raum ändert. Er braucht kein Essen. In diesem Fall ist die gesamte Logik des Heizvorgangs ähnlich der zuvor diskutierten.
Denken Sie daran, dass fast alle mechanischen Modelle eine sehr große Hysterese haben. Sie können mit ihrer Hilfe keine angenehme Raumtemperatur erzeugen.


Wählen Sie daher nach Möglichkeit elektronische Geräte mit einer WLAN-Verbindung. Glücklicherweise können die Chinesen in unserer Zeit sehr anständige und kostengünstige Optionen finden.
Zum Beispiel wie dieses (Tausende zufriedener Kunden und positive Bewertungen).


Mehr Details
Einige Modelle haben Kontakte mit den Bezeichnungen NO (normalerweise offen), NC (normalerweise geschlossen) und COM (gemeinsam). Jemand rät, sich über sie zu verbinden, nämlich über NC und COM.
Seien Sie jedoch vorsichtig, der Thermostat ist der Thermostat und lesen Sie immer die Anweisungen. Durch sie kann auch eine Wechselspannung von 220 V geliefert werden, wodurch Sie eine Phase auf der Steuerplatine starten, in der Sie sie nicht benötigen.
Hier ist ein Paradebeispiel für diese multifunktionalen Fluoreon- und Beok-Steuerungen.


Bei multifunktionalen Geräten wird die Raumtemperatur auch mit dem eingebauten Temperatursensor ermittelt.
Sie haben jedoch Klemmen am Gehäuse zum Anschließen und extern (Sensor). Es wird am häufigsten für Fußbodenheizungen verwendet.
Installationsort
Wie Sie wissen, erwärmt sich die Lufttemperatur in einem Raum mit herkömmlichen Heizsystemen an Heizkörpern ungleichmäßig. Es ist niedriger in Bodennähe, höher unter der Decke.
Basierend auf dem Vorhandensein eines eingebauten Temperatursensors in den Thermostaten wird deren Einbauhöhe reguliert.


Solche Thermostate sollten in einer Höhe von 1,2 bis 1,5 m über dem Boden und so weit wie möglich von Heizquellen, einschließlich vor direkter Sonneneinstrahlung geschützt, aufgestellt werden.
Es wird auch nicht empfohlen, Thermostate im Flur oder in der Küche aufzustellen.
Anschließen eines Fußbodenheizungsthermostats an einen Gaskessel
Oft stellen sich Verbraucher die Frage, ob es möglich ist, einen Standardthermostat aus Fußbodenheizung für 220 V zu verwenden, um mit einem Gaskessel zu arbeiten.


Plötzlich haben Sie keinen speziellen Thermostat mit trockenen Kontakten gefunden und haben bereits ein Modell für warme Böden auf Lager. Eine solche Verbindung ist möglich.
Dazu müssen Sie jedoch die 220-V-Spannung „entkoppeln“. In den meisten Fußbodenheizungsthermostaten kommt es zu den Stromanschlüssen und wird dann von den Anschlüssen entfernt, die zum Heizkabel führen. Und wie oben erwähnt, werden beim Arbeiten mit einem Gaskessel „trockene Kontakte“ verwendet, über die Niederspannungsimpulse übertragen werden.
Wenn Sie hier das Kabel direkt von der Kesselsteuerplatine anschließen, verursachen Sie einen Kurzschluss und beschädigen Ihren Kessel.


Für eine sichere Verbindung muss dem Stromkreis ein Zwischenrelais oder ein zusätzliches Schütz mit normalerweise offenen Kontakten hinzugefügt werden.
Legen Sie an den Thermostatklemmen anstelle des Fußbodenheizungskabels eine Spannung von 220 V an die Relaisspule (Schütz) an und verbinden Sie die Drähte über die normalerweise offenen Kontakte (1-2 oder 3-4) mit dem Gaskessel.


Das Funktionsprinzip ist das gleiche wie zuvor beschrieben. Beachten Sie jedoch die folgende Funktion.
Da dies ein Thermostat für warme Böden ist, funktioniert er höchstwahrscheinlich nach folgendem Schema: Luftsensor + Bodensensor. Dies bedeutet, dass Sie einen Temperaturgrenzwert für einen Bodensensor installieren und einstellen müssen, den Sie nicht haben werden.


Daher müssen Sie in den Einstellungen den Bodensensor lösen und nur den Luftsensor in Betrieb lassen. Lesen Sie dazu die Anweisungen für Ihr Modell im Detail. Unterschiedliche Geräte können unterschiedlich sein.
Zum Beispiel müssen Sie in Devi Touch dafür einen speziellen Jumper auf der Rückseite brechen.


Um all diese Schwierigkeiten und Probleme nicht zu haben, ist es besser, von Anfang an das richtige Thermostatmodell zu wählen.
Wasserbodenkollektor-Thermostat
Wenn in einigen Räumen ein wassergeheizter Boden vorhanden ist, der mit demselben Gaskessel betrieben werden kann, wird ein etwas anderer Thermostattyp benötigt. Es muss an die Servos am Verteiler angeschlossen werden.
Die Rückseite eines solchen Geräts sieht so aus.


Wenn Ihr Servo normalerweise geschlossen ist, werden die Kabelleiter an die Klemmen 1 (Schließen oder NC) und 3 (N-Null oder COM) angeschlossen. Wenn normalerweise offen - 2 (offen oder NEIN) und 3 (N-Null oder COM).
Das Funktionsprinzip ist wie folgt. Wenn ein normalerweise offenes Servo im System installiert ist und die Versorgungsspannung am Versorgungskabel unterbrochen ist, öffnet das Servo den Kanal. Im Normalfall ist die Situation umgekehrt.
Seien Sie nicht verwirrt, dies ist kein Relais oder Elektromagnetantrieb, der bei Anlegen einer Spannung von 220 V kippt und sofort in einen anderen Zustand wechselt. Es ist ein thermoelektrischer Aktuator, der das Ventil allmählich öffnet und schließt.
Wenn Sie die Leistung eines solchen Geräts testen möchten, wundern Sie sich daher nicht, dass es nicht sofort auf ein Signal reagiert und den Durchfluss sofort unterbricht.
Der Thermostat-Stromanschluss erfolgt über die L- und N-Streifen. Das Kabel für den Ferntemperatursensor im Boden wird an die seitlichen Klemmen angeschlossen.
Eine Quelle
Teilen Sie die Nachrichten in sozialen Netzwerken
- Ähnliche Beiträge
- Drehmomentschraubendreher - Übersicht wera, wiha, weidmuller. Drehmoment.
- So wählen Sie einen RCD in 5 Minuten
- Analoga der selbsttragenden isolierten Drahtverstärkung - Vergleichstabellen Ensto, Niled, Sicame, VK, IEK, MTZA.
"Vorherigen Post
Einstellung


Sie müssen überprüfen, wie sich der Thermostat verhält. Dazu werden bestimmte Parameter eingestellt und es wird angezeigt, wie der Kessel auf die vom Thermostat gesendeten Befehle reagiert. Wenn alles in Ordnung ist, können Sie endgültige Anpassungen vornehmen. Wie das geht, ist im Produktpass beschrieben.
Vilant Gruppe Slowakei, spol. s.r.o. Pplk. Plushtya, ...
Seite 40
- Bild
- Text
Vilant Gruppe Slowakei, spol. s.r.o. Pplk. Plushtya, 45 909 01 Skalica Slowakische Republik
www.protherm-ru.ru
Dein Dienst:
Wir behalten uns das Recht vor, Änderungen vorzunehmen


Kommentare (1)
Highlight → Hier habe ich Anweisungen für meinen Warmwasserbereiter gefunden! #manualza
- Klicken Sie →
Das Gehirn eines jeden von uns ist wie ein Wundermechanismus. Nur die Mehrheit hat Anweisungen auf Chinesisch.
Manualza! Manualza.ru
Immer noch nicht bei uns?
Komponenten für Kessel Proterm Skat
Darüber hinaus bietet der Hersteller beim Kauf eines Kessels verschiedene Zubehörteile an, um die Funktionalität zu erweitern.
Thermostate
Für Skatkessel schlägt Proterm die Verwendung von drei Arten von Raumreglern vor: Exabasic (Artikel 6195), Exacontrol (Artikel 0020159367) und Exacontrol 7 (Artikel 0020170571).


Raumthermostate für Kessel Protherm Skat
Das einfachste Modell Exabasic hat nur einen Drehschalter zum Einstellen der Temperatur, das Exacontrol ist bereits mit einem Display ausgestattet und verfügt über eine mechanische Steuerung. Änderungsnummer 7 - hat die Funktion der wöchentlichen Programmierung.


Schaltplan des Thermostats zum Protherm Skat-Kessel
Temperatursensoren
Um den Betrieb des Kessels im Verhältnis zur Temperatur außerhalb des Fensters anzupassen, müssen Sie einen Außentemperatursensor erwerben (Artikel 0020040797).


Außentemperatursensor für Kessel Protherm SKAT
Im Einzelhandelsnetz variieren die Kosten um 2.000 Rubel (38 Euro).
Kesselinstallation Proterm Skat mit Kessel
Wenn Sie Ihr Haus auch mit heißem Wasser versorgen möchten, müssen Sie einen indirekten Heizkessel kaufen. Damit der Kessel in Verbindung mit dem Kessel funktioniert, müssen Sie ein Fugas-Dreiwegeventil-Kit (Artikel 0020015570) für Einkreis-Kessel erwerben. Ein fertiges Kit kostet 116 Euro.


Anschlusskit für das Dreiwegeventil fugas zum Proterm Skat-Kessel


Diagramm zum Anschluss eines Elektrokessels Proterm Skat an einen indirekten Heizkessel
Raumthermostat: Was sind die Vorteile der Verwendung?
Wie im letzten Artikel versprochen, werde ich hier über ein Gerät sprechen, das auch als Thermostat bezeichnet wird. Meiner Meinung nach wäre es jedoch korrekter, es zu nennen Raumthermostat... Denn im Gegensatz zu den im vorherigen Artikel beschriebenen mischt er selbst nicht das Kühlmittel mit dem heißen, sondern steuert andere Geräte, einschließlich Thermostatventile.
Wofür ist ein Raumthermostat?
Mit dem Thermostat können Sie die Betriebsart des Heizungssystems optimal gestalten und so Brennstoff und Strom sowie die Kesselressource erheblich einsparen: Der Kessel startet nicht, wenn die Räume bereits eine angenehme Temperatur haben.
Außerdem: Wenn Sie nicht den ganzen Tag zu Hause sind, können Sie beispielsweise von 8.00 Uhr morgens bis 17.00 Uhr abends programmieren, um die Temperatur im Haus unter 15 Grad zu halten. In der restlichen Zeit, wenn Sie zu Hause sind, von 17.00 bis 8.00 Uhr, programmieren Sie die Temperatur höher.
Mit dem Thermostat kann wöchentlich programmiert werden. Dies ist praktisch, wenn sich die Heizung irgendwo im Landhaus befindet, wo sie nur am Wochenende ist. Dann programmieren Sie auf dem Regler die Zeit, in der sich das System auf eine angenehme Temperatur erwärmt, beispielsweise von Freitagabend bis Montagmorgen, und bei Ihrer Ankunft am Freitagabend wird das Haus warm und gemütlich (nun, dieses Gerät geht nicht zum Laden, das ist sein Minus ... :))
Das Funktionsprinzip von Raumthermostaten
Das Funktionsprinzip von Thermostaten ist ganz einfach: Der Kontakt schließt / öffnet - fertig. Und alles andere ist eine externe Umgebung, die unterschiedlich sein kann und einige Programmiermöglichkeiten, natürlich und natürlich Kosten hinzufügt.
Arten von Thermostaten
Es werden viele Raumthermostate hergestellt, es wird nicht einfach sein, sie alle aufzulisten. Ich glaube, dass die Hersteller nicht faul sind und ab und zu neue Modelle auf den Markt bringen. Ich werde nur einige Beispiele nennen - um eine Vorstellung davon zu geben, wie dieses Gerät aussieht.
Auf dem Foto mechanischer Raumthermostat :


Thermostat (Thermostat) Raum mechanisch
Dies ist vielleicht das einfachste Modell. Hier wird die erforderliche Temperatur für einen bestimmten Raum durch Drehen des Rades eingestellt. Wenn diese Temperatur erreicht ist, wird ein Kontakt im Thermostat geschlossen und das Signal geht an den Aktuator, dh an das Servo, das das eine oder andere Ventil öffnet / schließt.
Das Foto unten zeigt ein anderes Modell eines elektronischen Thermostats:


Elektronischer Thermostat mit Display
Sein Funktionsprinzip ist genau das gleiche wie das eines mechanischen. Der einzige Unterschied besteht darin, dass die eingestellten Parameter im Display angezeigt werden.
Elektronische Thermostate sind genauer, ihr Fehler ist viel kleiner als der von mechanischen.
Elektronische Thermostate sind ebenfalls unterschiedlich. Es gibt komplexere, programmierbare Anpassungen, für die Sie tägliche oder wöchentliche Anpassungen vornehmen können.


Elektronischer Thermostat programmierbar
Ein weiterer elektronischer Raumthermostat - AURATON 2005 / AURATON 2005 TX RXPLUS:


Dies ist eine ziemlich perfekte Sache, mit der Sie verschiedene Modi für den Betrieb des Heizungssystems einstellen können. Das auf dem Foto oben gezeigte Modell ist über ein Kabel mit dem Kessel verbunden, es gibt jedoch denselben Hersteller, jedoch drahtlos:


- bestehend aus einem ausführenden Teil, der sich neben dem Kessel befindet, und einem Sensor im Raum, wo eine bestimmte Temperatur eingehalten werden muss.
Wie installiere ich einen Raumthermostat?
Die Art und Weise, wie der Thermostat angeschlossen ist, hängt davon ab, ob er verkabelt oder kabellos ist.
Sensor verdrahteter Thermostat installiert in einem Raum, in dem die Temperatur aufrechterhalten werden muss, an einem Teil der Wand, an dem die Sonnenstrahlen nicht fallen, in einer Höhe von 1,5 m über dem Boden. Ein dünnes Zweidrahtkabel wird an den Sensor angeschlossen (es gibt noch eine NC-Klemme an den Klemmen NO und COM, wir lassen sie leer), die wir in den Kesselraum ziehen und an den Kessel anschließen, der ebenfalls die gleiche Kennzeichnung hat Terminals. Der Sensor selbst wird von 2 AA-Batterien gespeist, die eine lange Lebensdauer haben.
Kabellos Der Sensor ist insofern gut, als Sie keine Drähte herausziehen müssen.
Ein solcher Thermostat besteht aus einem mit dem Kessel verbundenen Führungsteil und einem Sensor, der im Haus bewegt werden kann. Das Signal von diesem Thermostat wird durch alle Decken und Wände geleitet. Der drahtlose Thermostat arbeitet auch mit zwei AA-Batterien.
Die Installation besteht darin, den ausführenden Teil des Reglers (unter Verwendung eines relativ kurzen zweiadrigen Kabels) mit dem Kessel im Kesselraum zu verbinden und ihn in eine Steckdose zu stecken. Die Installation eines solchen Thermostats ist viel schneller als die eines verdrahteten, da der Draht nicht um das Haus gezogen werden muss.
In einem Haus können mehrere drahtlose Thermostate verwendet werden - an separaten Pumpen. Sie müssen nur die Signalnummern für die Geräte konfigurieren, damit die Signale nicht verwechselt werden.
Wie wird ein Raumthermostat an einen Gaskessel (Brenner) angeschlossen?
Fast jeder automatische Kessel verfügt über Kontakte zum Anschluss eines Raumthermostats. Werkseitig ist dort ein Jumper installiert.
Wir lesen in der Dokumentation, wo es einen Platz für die Verbindung gibt, so etwas wie in der Abbildung:
Wir finden diesen Platz im Kessel und entfernen die Werksbrücke, wonach wir die Thermostatkabel anschließen - es ist nichts kompliziertes daran.
Wie stelle ich die Temperatur mit einem Raumthermostat ein? - Es gibt viele Modelle von Thermostaten, es wird nicht über alle oder eine Bedeutung beim Kauf eines Geräts gesprochen. Wir lesen die mit diesem Modell gelieferten Anweisungen und richten es ein.
Was sind die Vorteile eines Thermostats?
Die Vorteile der Verwendung eines Thermostats - Erhöhung des Wohnkomforts:
- einmal nur eine angenehme Temperatur eingestellt und es wird stabil gehalten
- Sie müssen nicht sicherstellen, dass die Kesseltemperatur bei wechselndem Wetter ständig angepasst wird
- Die Ventile an den Heizkörpern müssen nicht gedreht werden
- Der Kessel muss nicht speziell ein- und ausgeschaltet werden
- alles funktioniert von selbst - abhängig von der temperatur: kalt - schaltet den kessel ein, wärmer - schaltet sich aus
- zeigt die Zeit (ich weiß nicht, was die Zeit jetzt nicht anzeigt), die Temperatur, ob der Kessel eingeschaltet ist
- Einfache Änderung der eingestellten Temperatur, Komfort und einfache Steuerung
- Die Möglichkeit, die Tag- und Nachttemperatur einzustellen, macht das Heizen wirtschaftlicher.
Abschließend möchte ich hinzufügen: Wenn Sie ein Heizsystem für sich selbst herstellen, dann setzen Sie Raumthermostat und zögern Sie nicht. Weil seine Verwendung die Qualität des Heizsystems erheblich verbessert. Thermostate sind für alle Kessel geeignet: sowohl an der Wand als auch am Boden, Gas oder Elektro oder Diesel.
Raumthermostat
Allgemeine Verbindungsprinzipien
Der Anschlussplan des Thermostats direkt an das Heizgerät ist immer in der technischen Dokumentation zum Gaskessel angegeben. Moderne Geräte aller Hersteller sind mit Anschlusspunkten für ein Thermostat ausgestattet.


Bei Verwendung eines drahtlosen Thermostats befindet sich die Messeinheit im Wohnzimmer. Es wird empfohlen, es im kältesten Raum oder dort zu installieren, wo sich am häufigsten Menschen aufhalten.
Es ist nicht erforderlich, einen Thermostatblock in einer Küche oder einem Heizraum zu montieren, in dem das schwimmende Temperaturregime instabil ist.
Die grundlegenden Installationsregeln umfassen:
- Die Höhe des Standorts sollte 1,5 Meter über dem Boden nicht überschreiten.
- Nicht an einer kalten oder Außenwand des Raumes befestigen.
- die Möglichkeit einer direkten Sonneneinstrahlung verhindern;
- Schließen Sie die Installation in unmittelbarer Nähe von Gasherden, Klimaanlagen und häufig geöffneten Fenstern aus.


Der Thermostat sollte an einem leicht zugänglichen Ort aufgestellt werden, um eine möglichst bequeme Bedienung und anschließende Wartung zu gewährleisten.



















